GM Service Manual Online
For 1990-2009 cars only
Figure 1:

Module Power, Ground, Serial Data, and Stop Lamp Switch


Object Number: 2075760  Size: FS
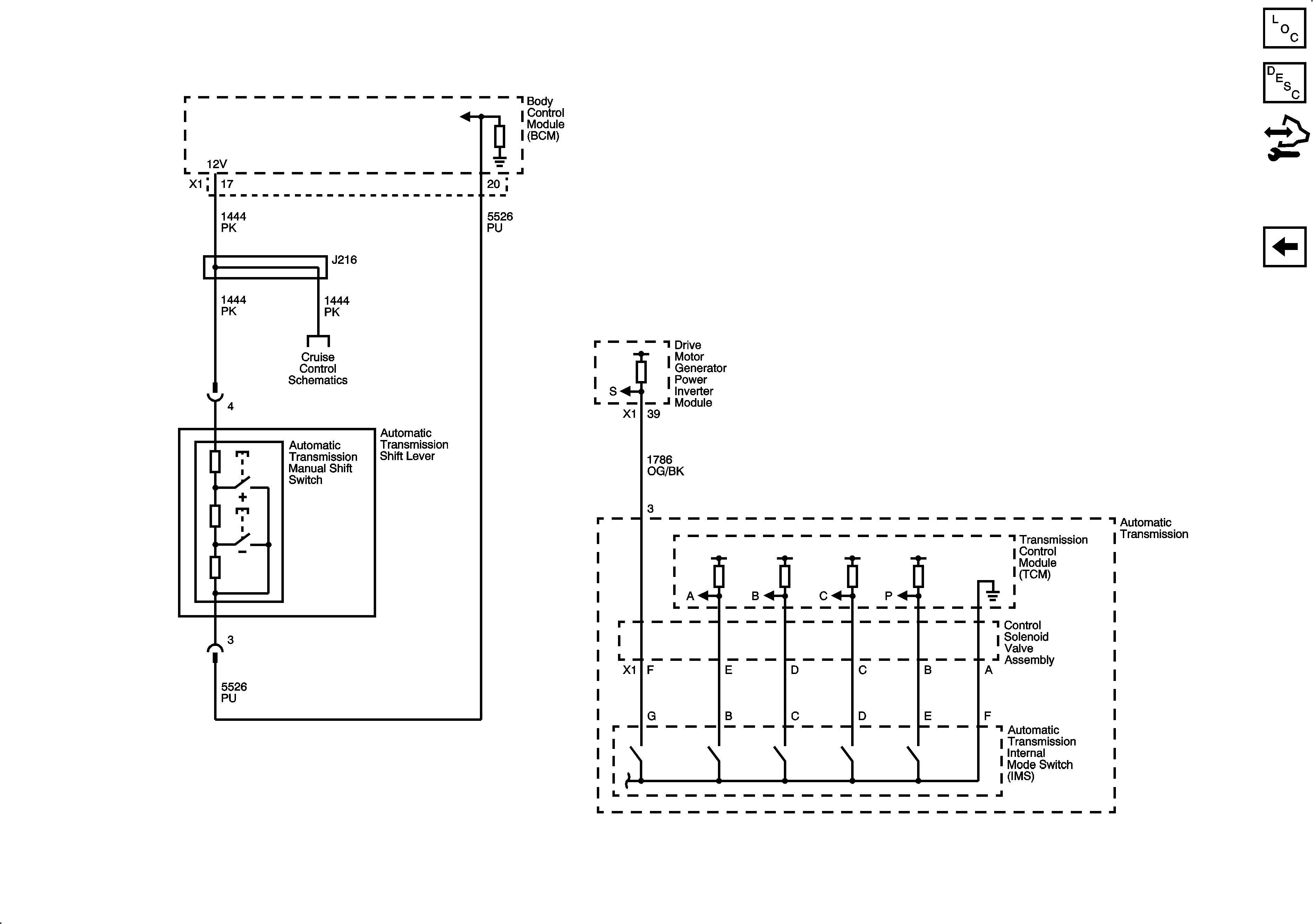
Figure 2:

Pressure Controls - 1 of 2 and Shift Controls


Object Number: 2075762  Size: FS
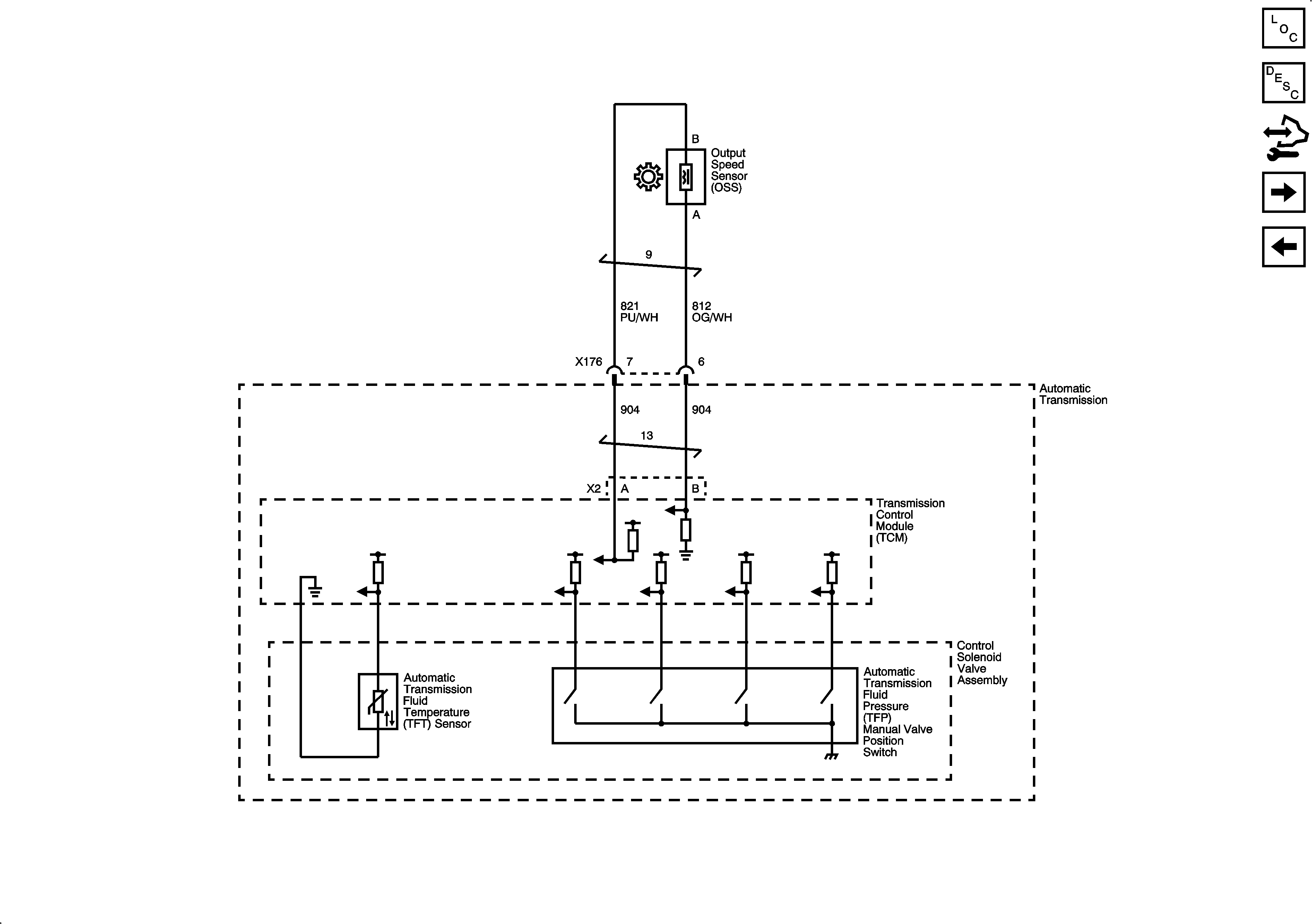
Figure 3:

Pressure Controls - 2 of 2 and Output Speed Sensor (OSS)


Object Number: 2075764  Size: FS
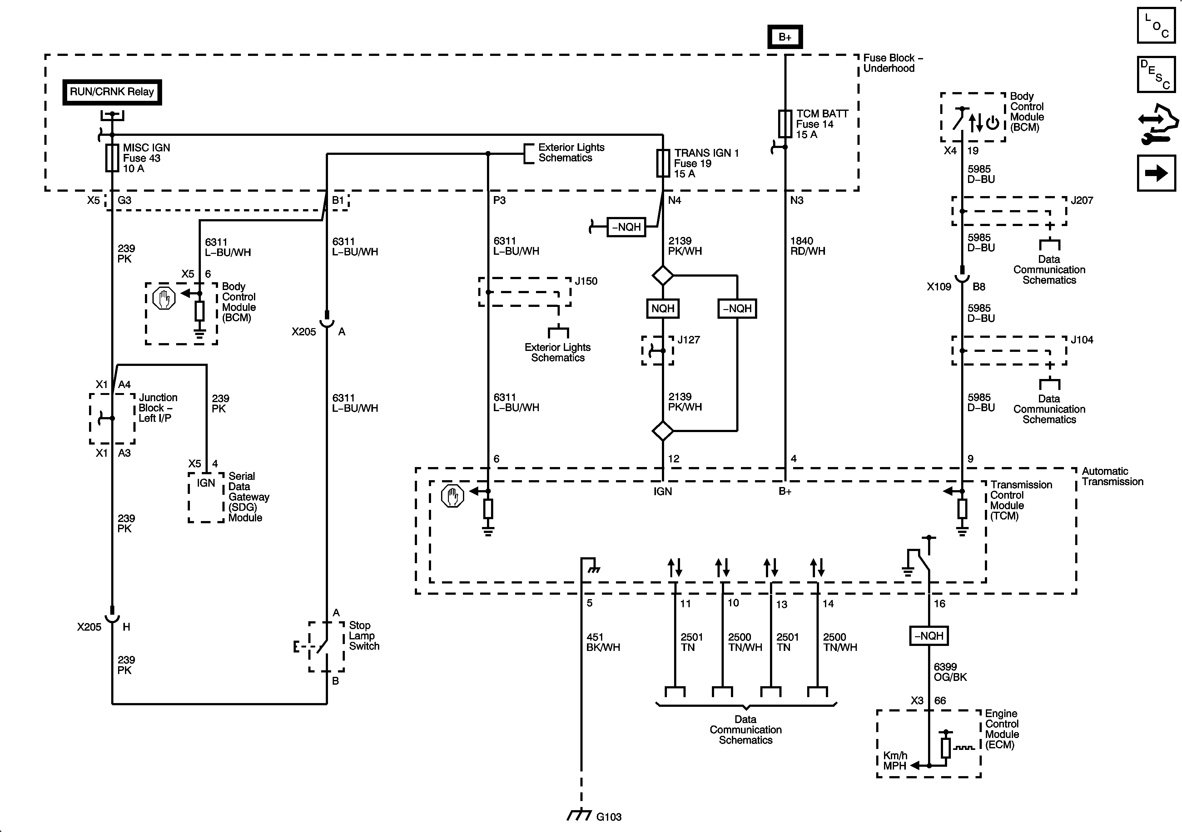
Figure 4:

Transmission Range Signals


Object Number: 2075766  Size: FS