GM Service Manual Online
For 1990-2009 cars only
Makes
🢒
Cadillac
🢒
2009
🢒
Escalade EXT
🢒
Diagnostic Navigation
🢒
Vehicle Diagnostic Information
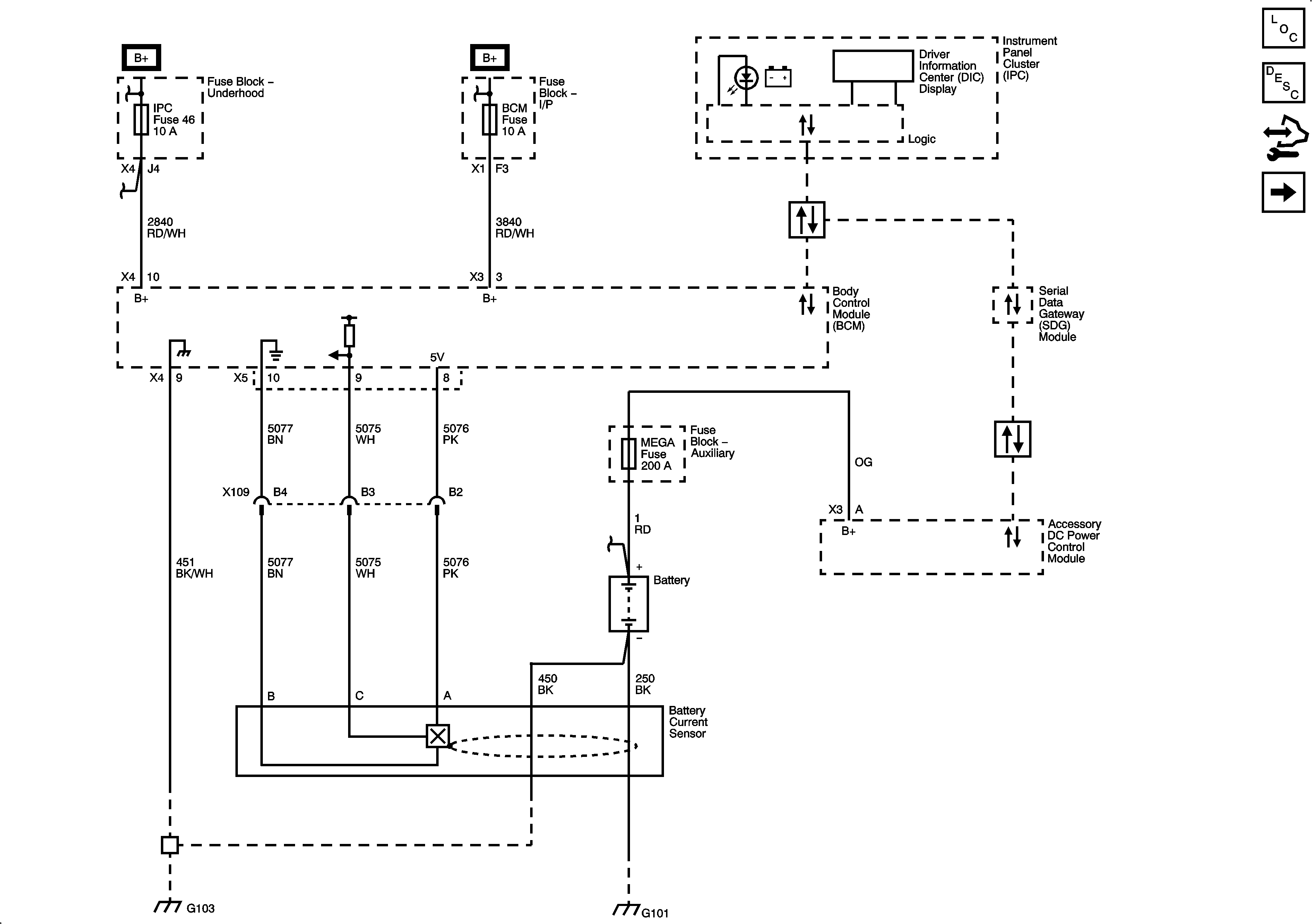
🢒 Starting and Charging Schematics
Charging (HP2)