GM Service Manual Online
For 1990-2009 cars only
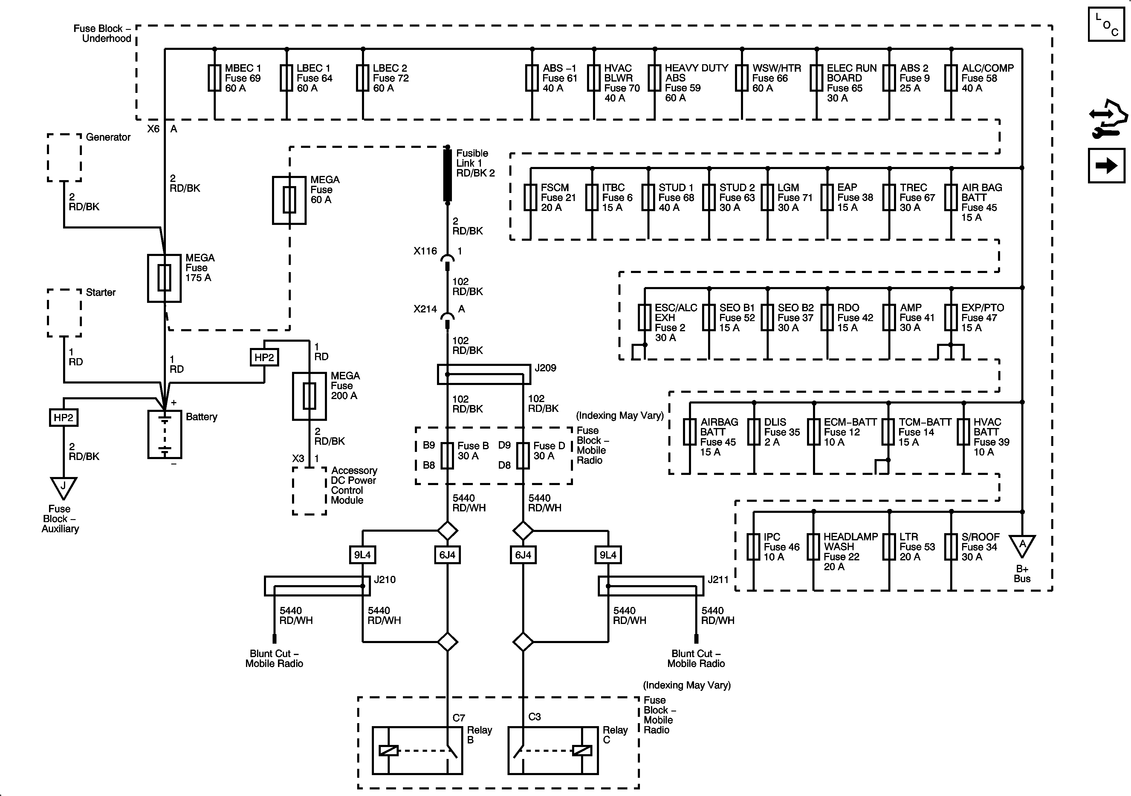
Figure 1:

B+ Bus - 1 of 3


Object Number: 2074487  Size: FS
Figure 2:

B+ Bus - 2 of 3


Object Number: 2074489  Size: FS
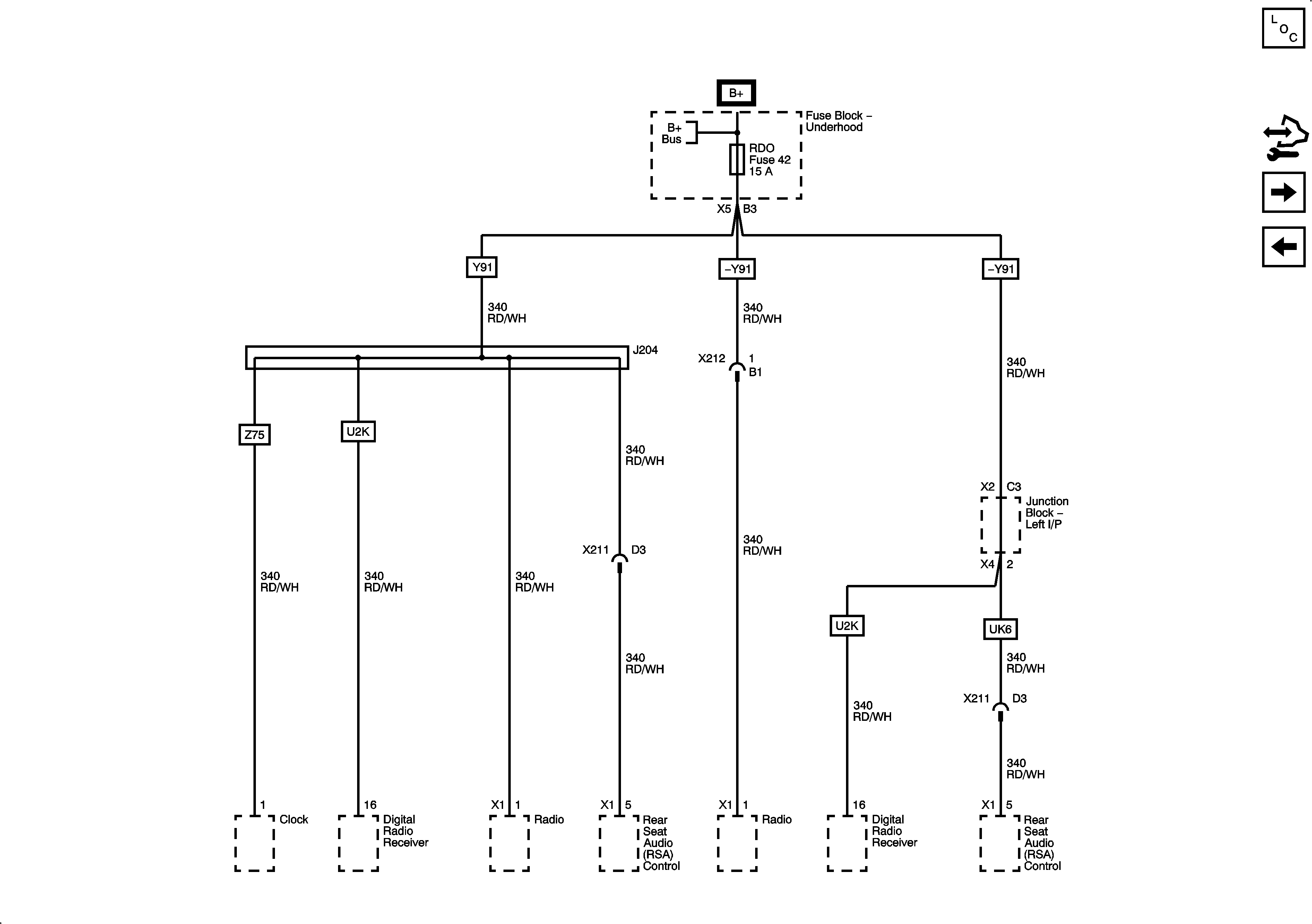
Figure 3:

B+ Bus - 3 of 3


Object Number: 2074491  Size: FS
Figure 4:

AUX PWR, AUX PWR 2, LBEC 1, PDM, and REAR WPR Fuses


Object Number: 2074493  Size: FS
Figure 5:

IS LAMPS, LT STOP TRN, OBS DET, REAR SEAT, and STOP LAMPS Fuses and LT DR Circuit Breaker


Object Number: 2074497  Size: FS
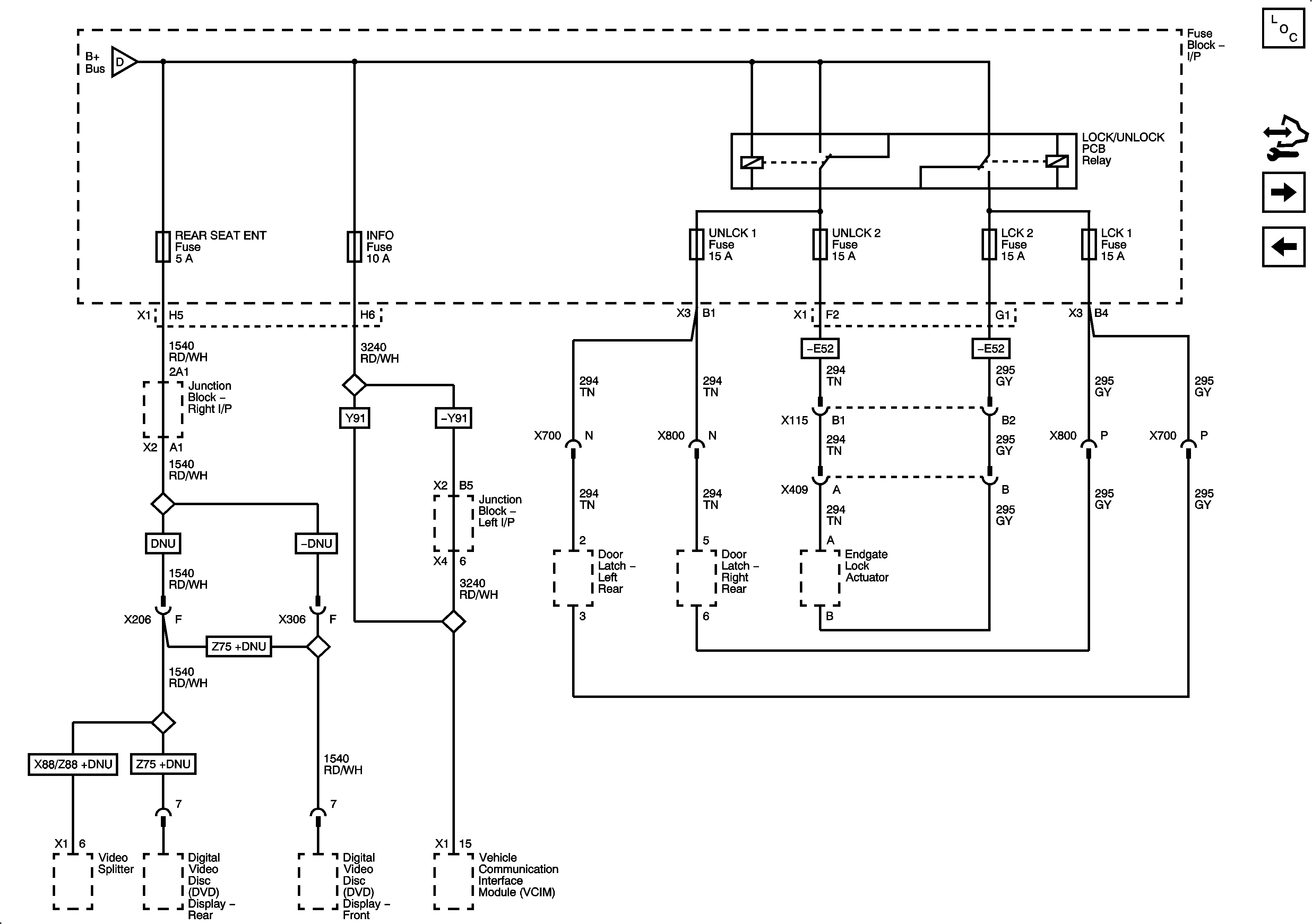
Figure 6:

LCK 1, LCK 2, UNLCK 1, UNLCK 2, INFO and REAR SEAT ENT Fuses


Object Number: 2074500  Size: FS
Figure 7:

BCM, COOLED SEATS, CTSY, DDM, DIM, DSM, LBEC 2, MBEC 1, REAR HVAC, and RT STOP TRN Fuses and DRIVER SEAT 2, PASS SEAT 1, and RT DOORS Circuit Breakers


Object Number: 2074505  Size: FS
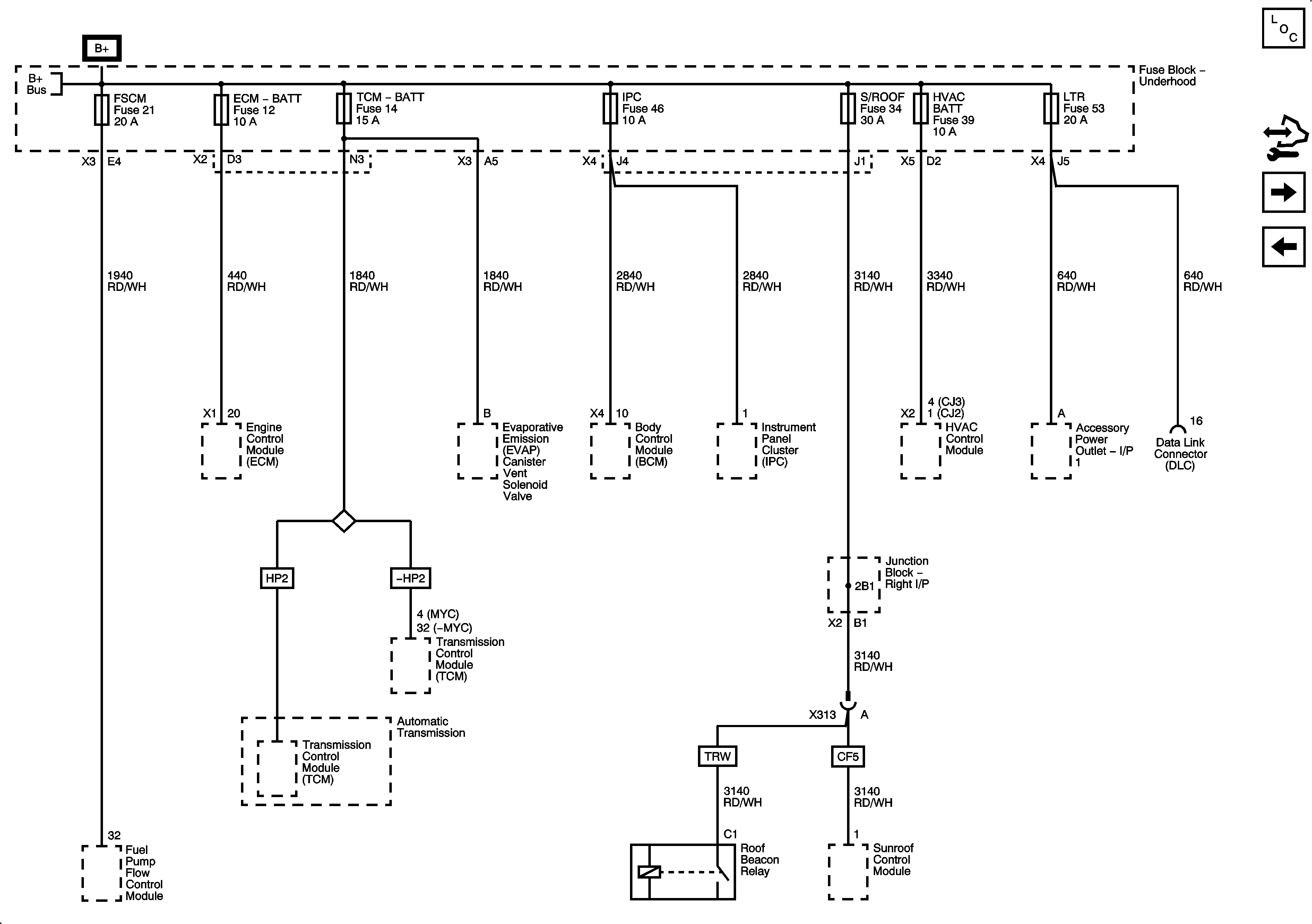
Figure 8:

ECM-BATT, HEADLAMP WASH, HVAC BATT, IPC, LTR, S/ROOF, and TCM-BATT Fuses


Object Number: 2074509  Size: FS
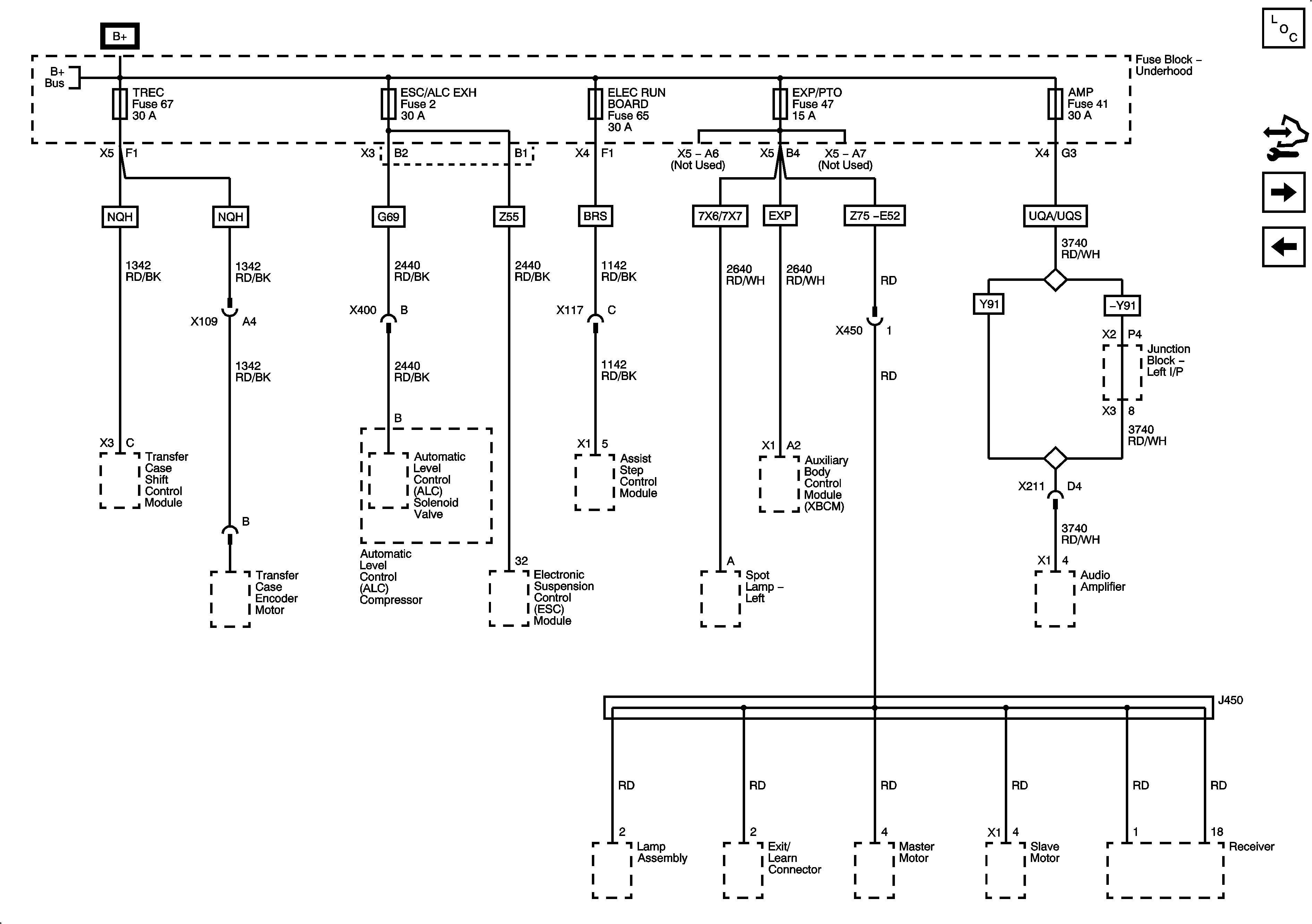
Figure 9:

AMP, ELEC RUN BOARD, ESC/ALC EXH, EXP/BRK MDL and TREC Fuses


Object Number: 2074513  Size: FS
Figure 10:

RDO Fuse


Object Number: 2074516  Size: FS
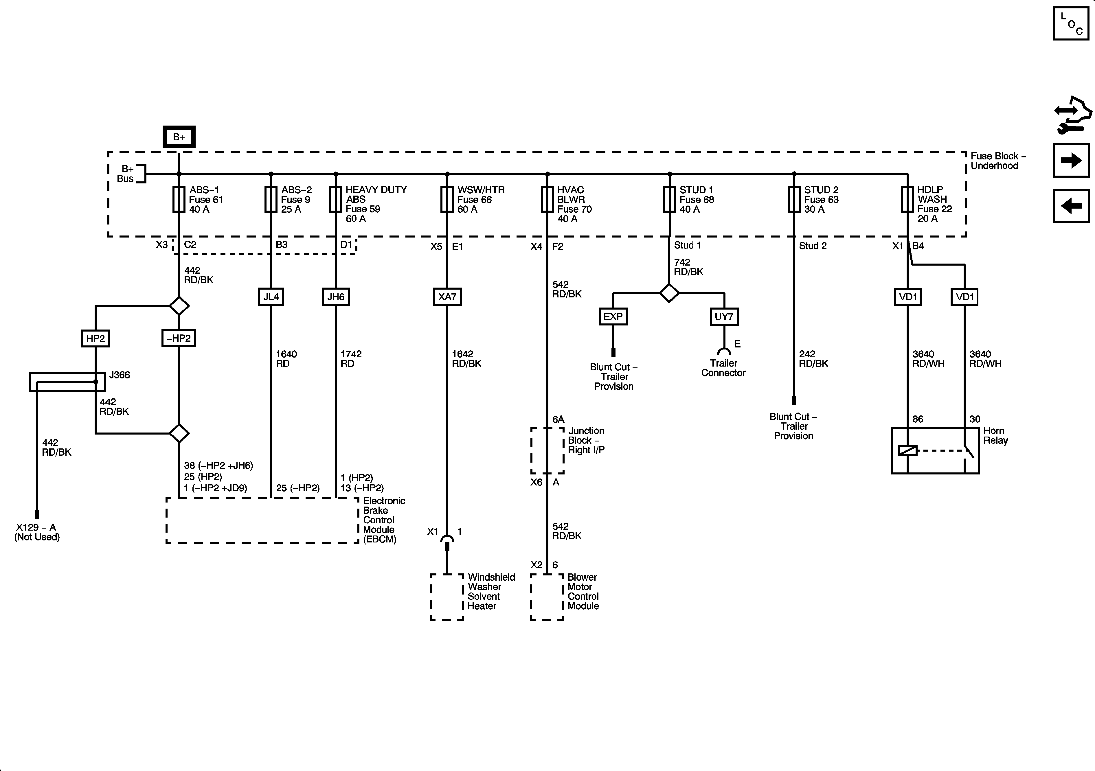
Figure 11:

ABS-1, ABS 2, HEAVY DUTY ABS, HVAC BLWR, STUD 1, STUD 2, and WFHS Fuses


Object Number: 2074521  Size: FS
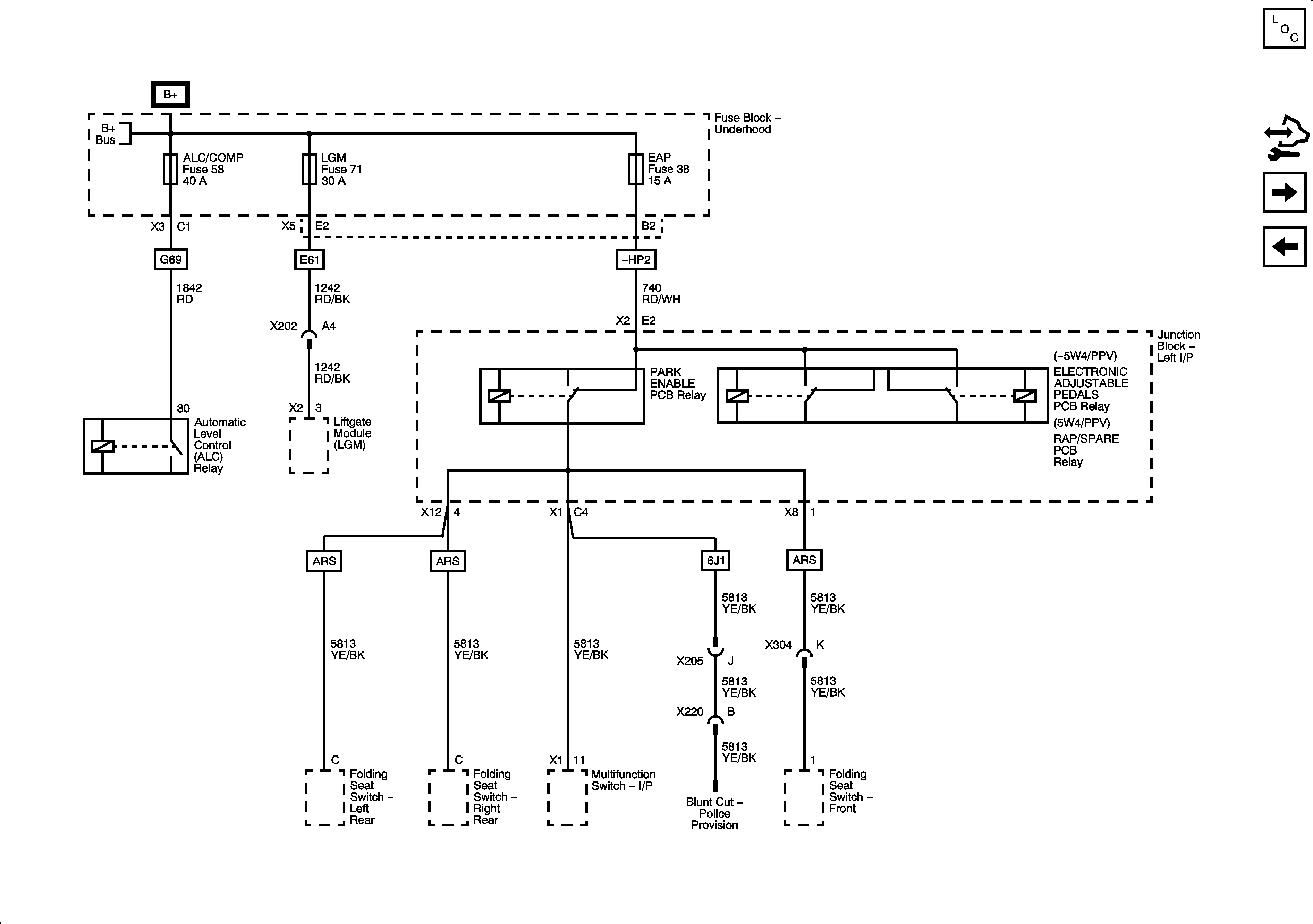
Figure 12:

ALC/COMP, EAP, and LGM Fuses


Object Number: 2074532  Size: FS
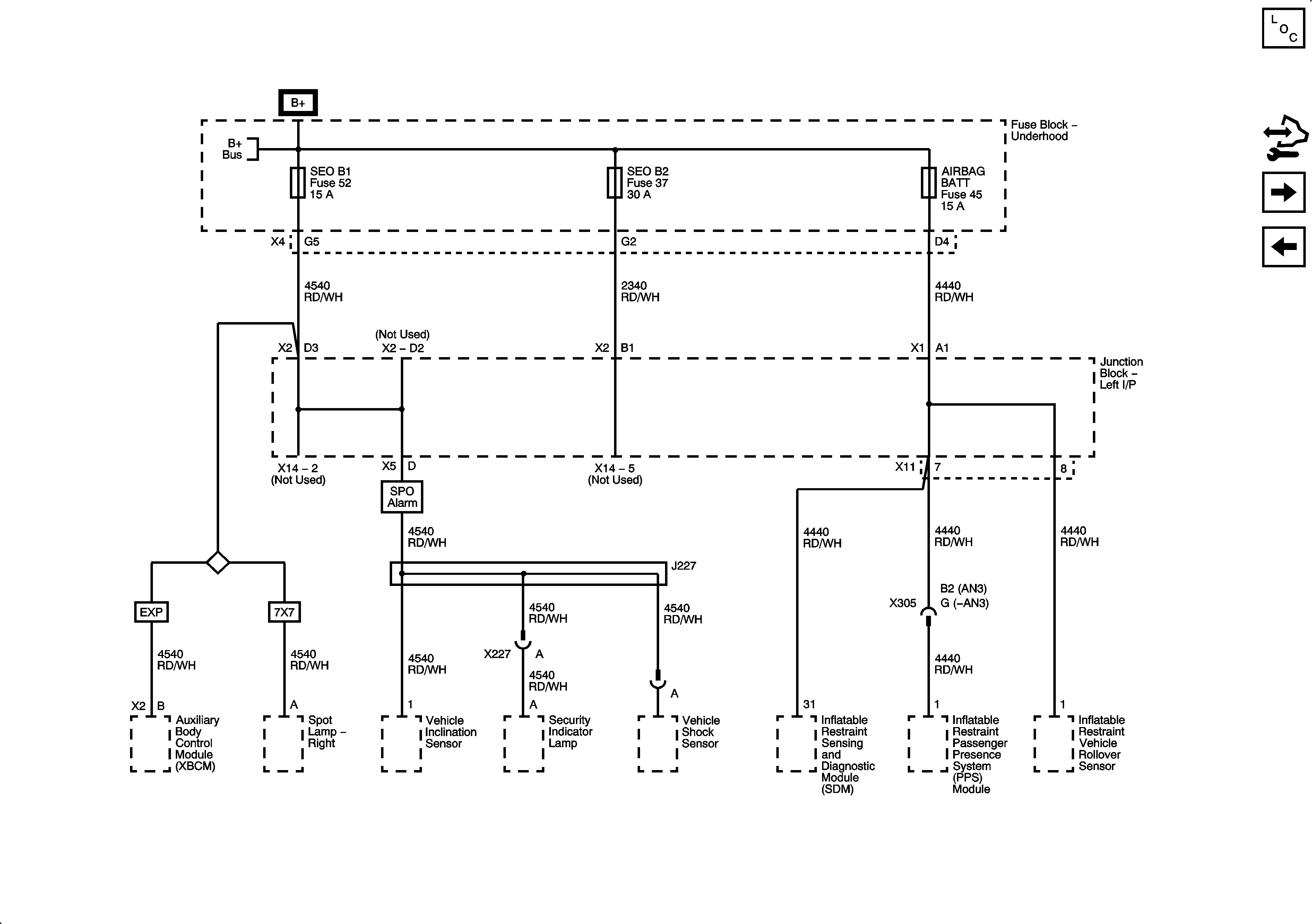
Figure 13:

AIRBAG, SEO B1, and SEO B2 Fuses


Object Number: 2074536  Size: FS
Figure 14:

TRLR BCK/UP, TRLR STOP LT, TRAILER STOP RT, and VEH BCK/UP Fuses


Object Number: 2074541  Size: FS
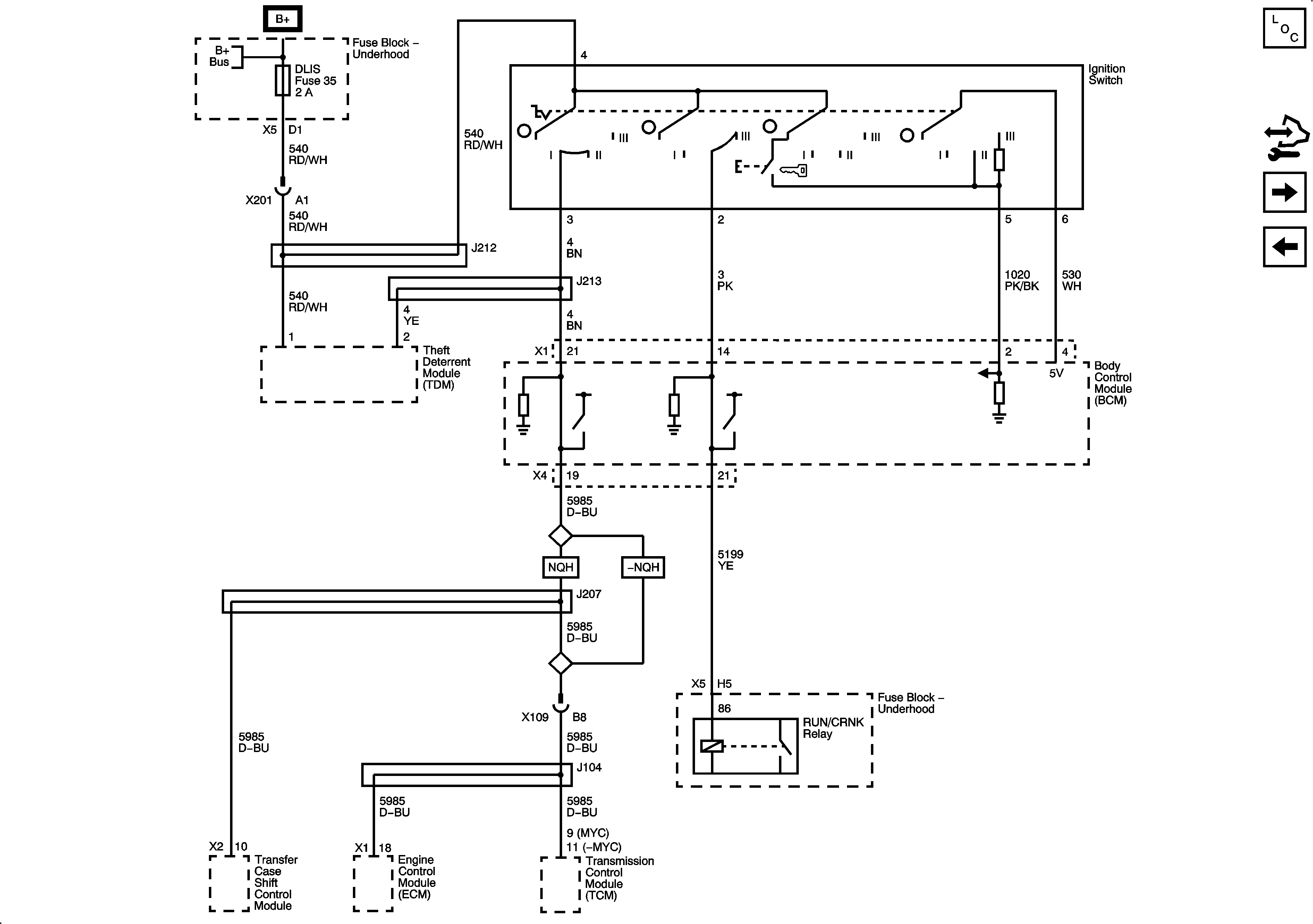
Figure 15:

DLIS Fuse and Ignition Switch


Object Number: 2074546  Size: FS
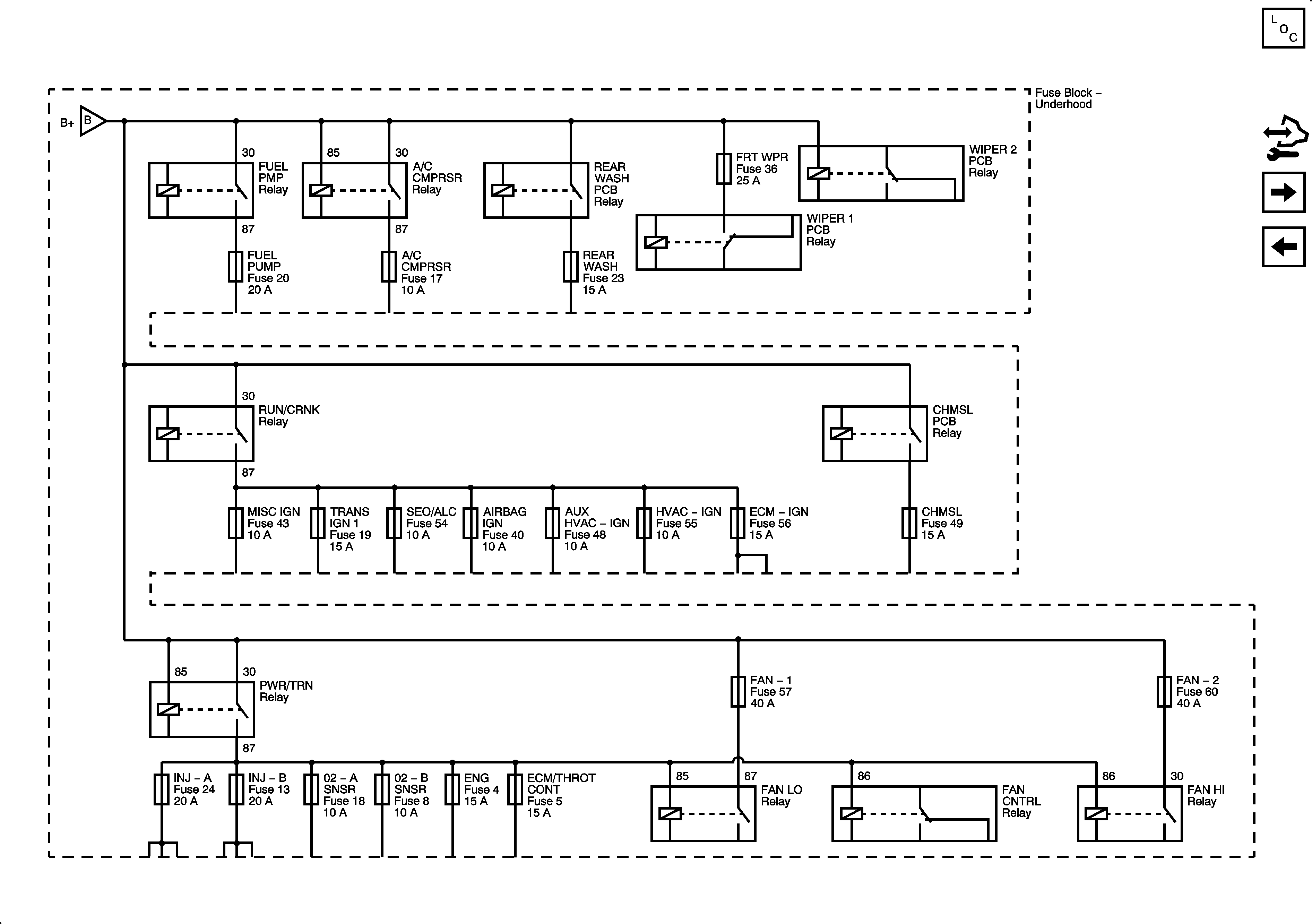
Figure 16:

PWR/TRN Bus - ECM/THROT, ENG, O2-A SNSR and O2-B SNSR Fuses


Object Number: 2074553  Size: FS
Figure 17:

PWR/TRN Bus - INJ-A and INJ-B Fuses


Object Number: 2074559  Size: FS
Figure 18:

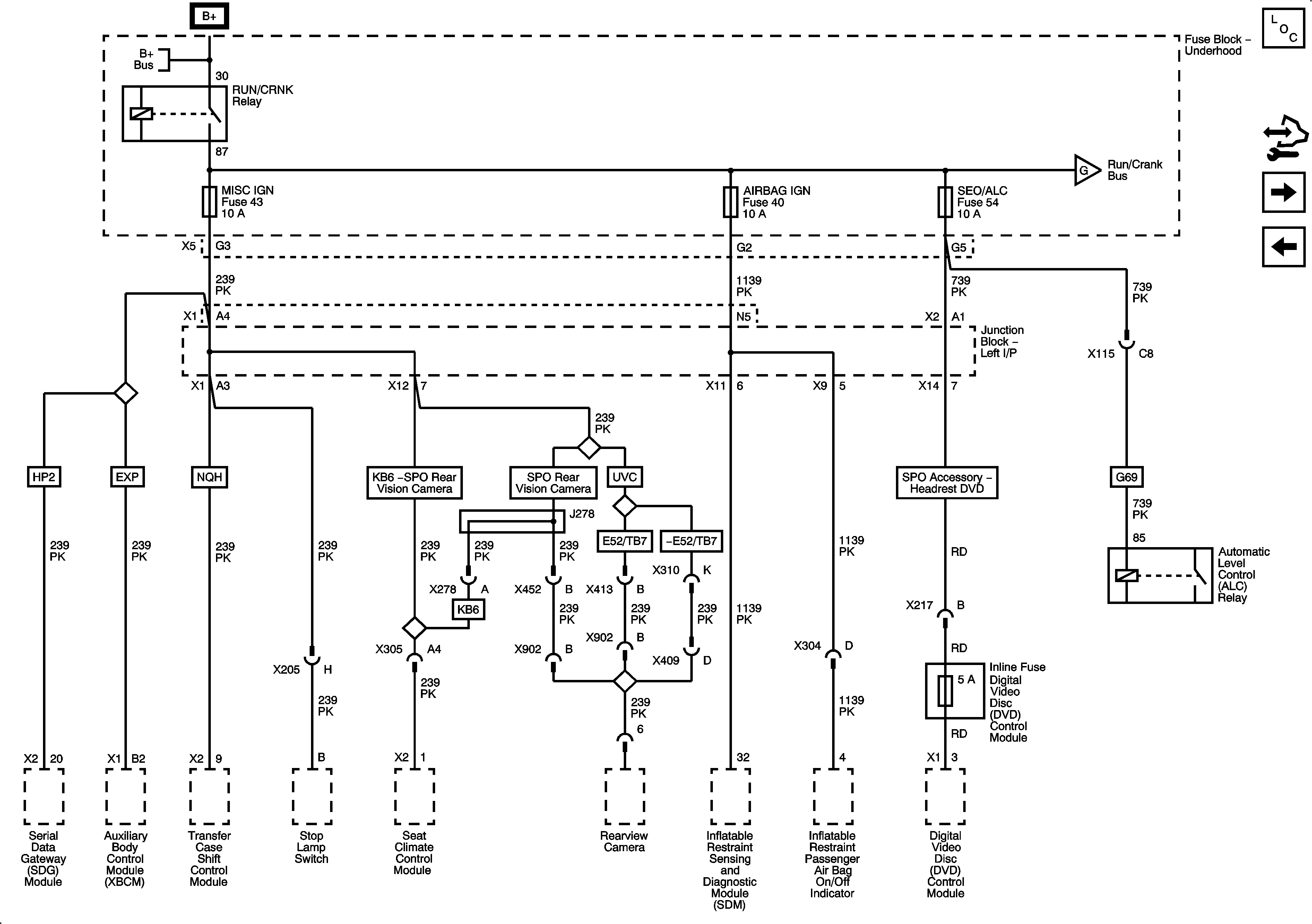
RUN/CRANK Bus - AIRBAG IGN, MISC IGN and SEO/ALC Fuses


Object Number: 2074569  Size: FS
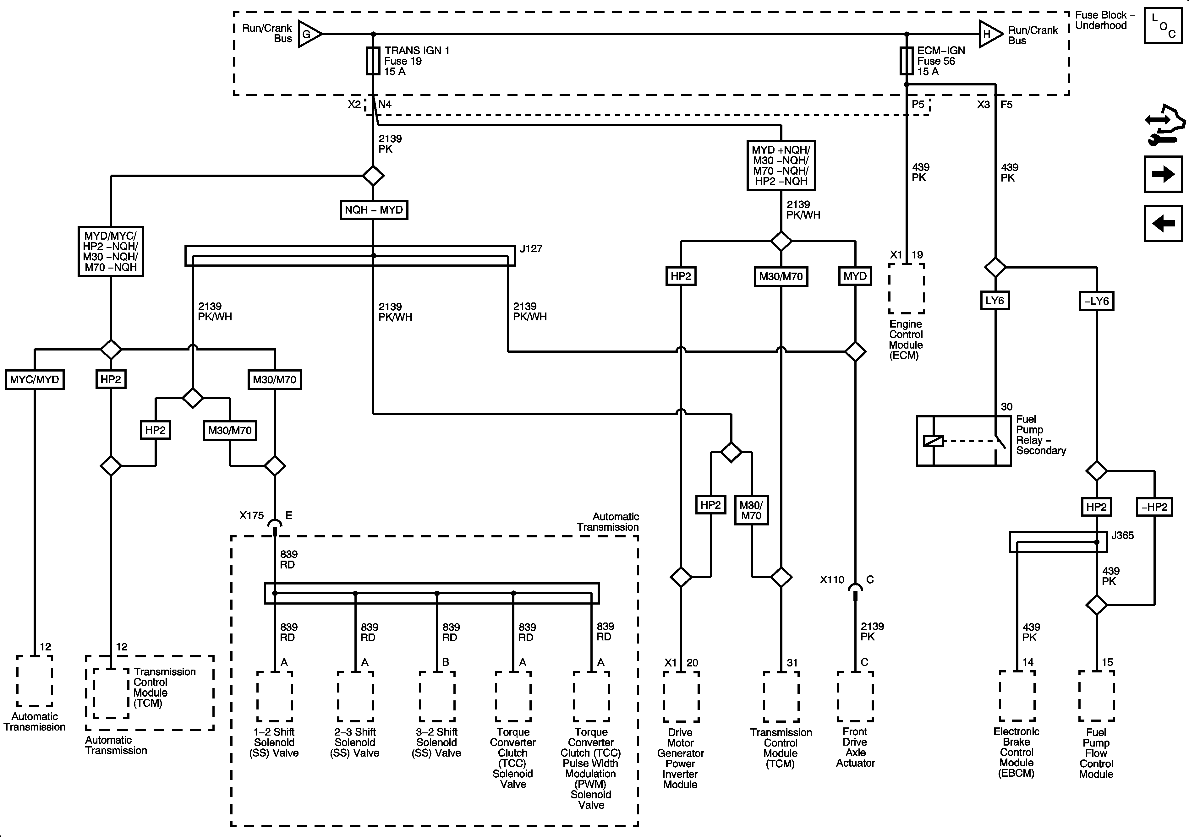
Figure 19:

RUN/CRANK Bus - ECM-IGN and TRANS IGN 1 Fuses


Object Number: 2074573  Size: FS
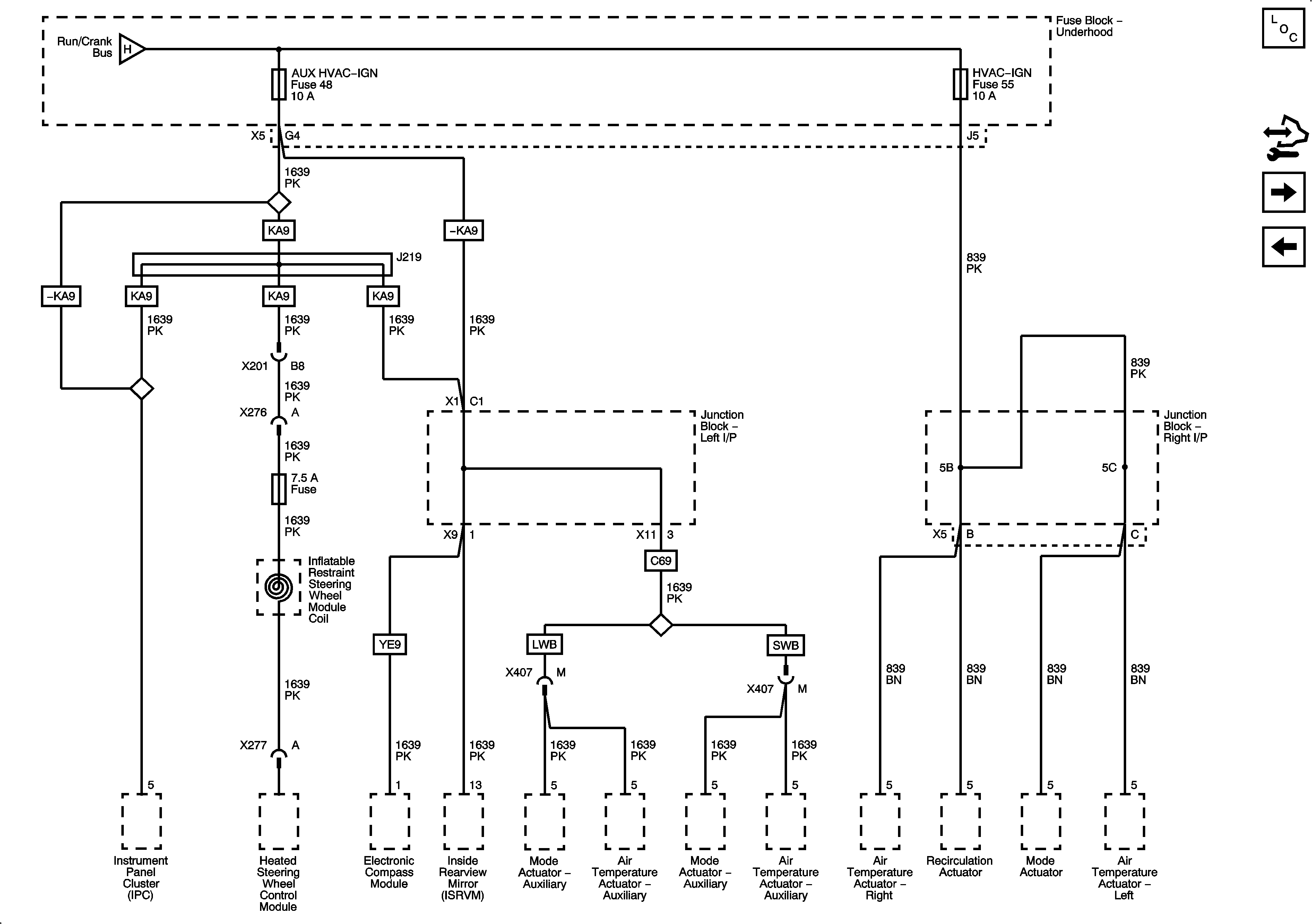
Figure 20:

RUN/CRANK Bus - AUX HVAC-IGN and HVAC-IGN Fuses


Object Number: 2074577  Size: FS
Figure 21:

FOG LAMP, HI HEADLAMP-LT and HI HEADLAMP-RT Fuses


Object Number: 2074583  Size: FS
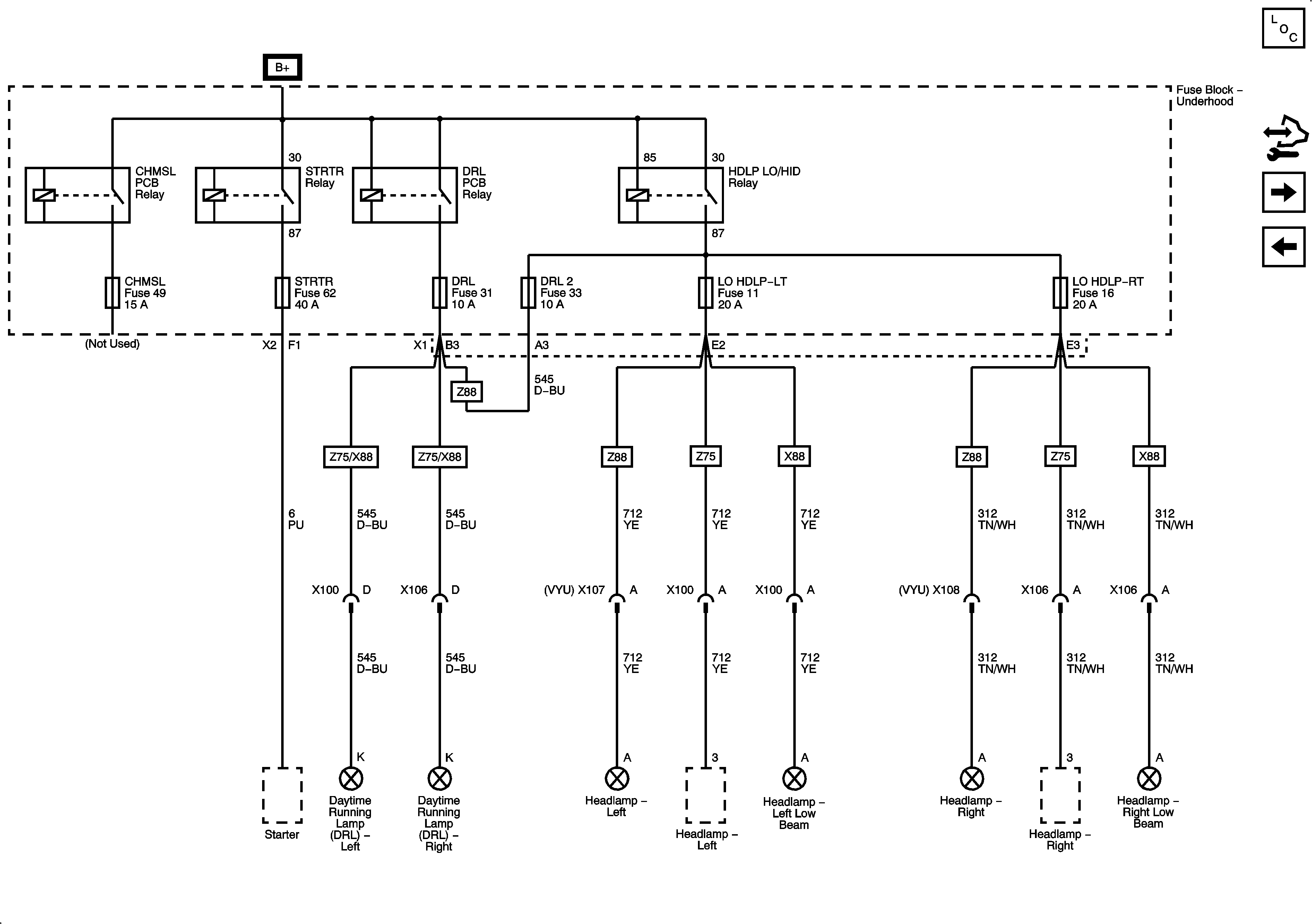
Figure 22:

DRL, DRL 2, LO HDLP-LT, LO HDLP-RT, and STRTR Fuses


Object Number: 2074585  Size: FS
Figure 23:

LT PRK Fuse


Object Number: 2074589  Size: FS
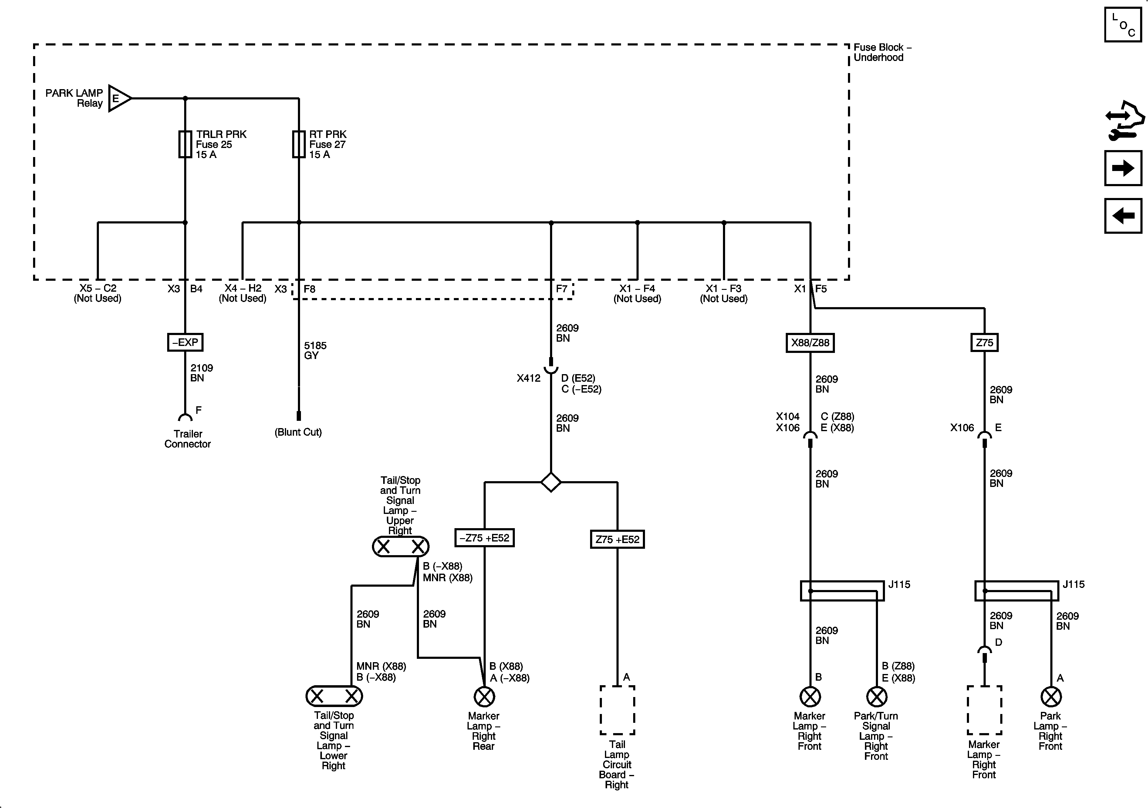
Figure 24:

RT PRK AND TRLR PRK Fuses


Object Number: 2074592  Size: FS
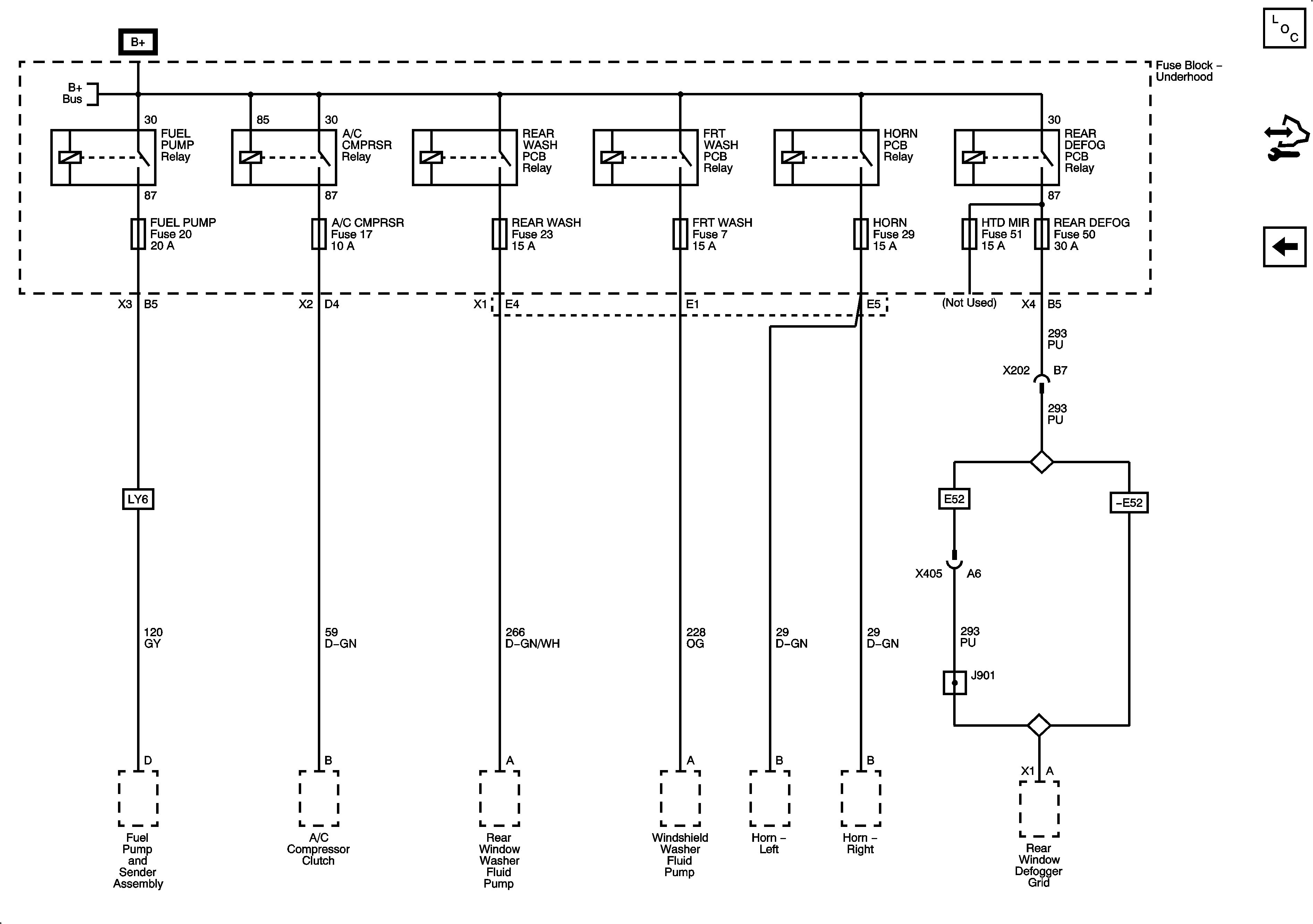
Figure 25:

A/C CMPRSR, FRT WASH, FUEL PUMP, HORN, REAR DEFOG, and REAR WASH Fuses


Object Number: 2074595  Size: FS
Figure 26:

Fuse Block - Auxiliary B+ Bus


Object Number: 2074600  Size: FS
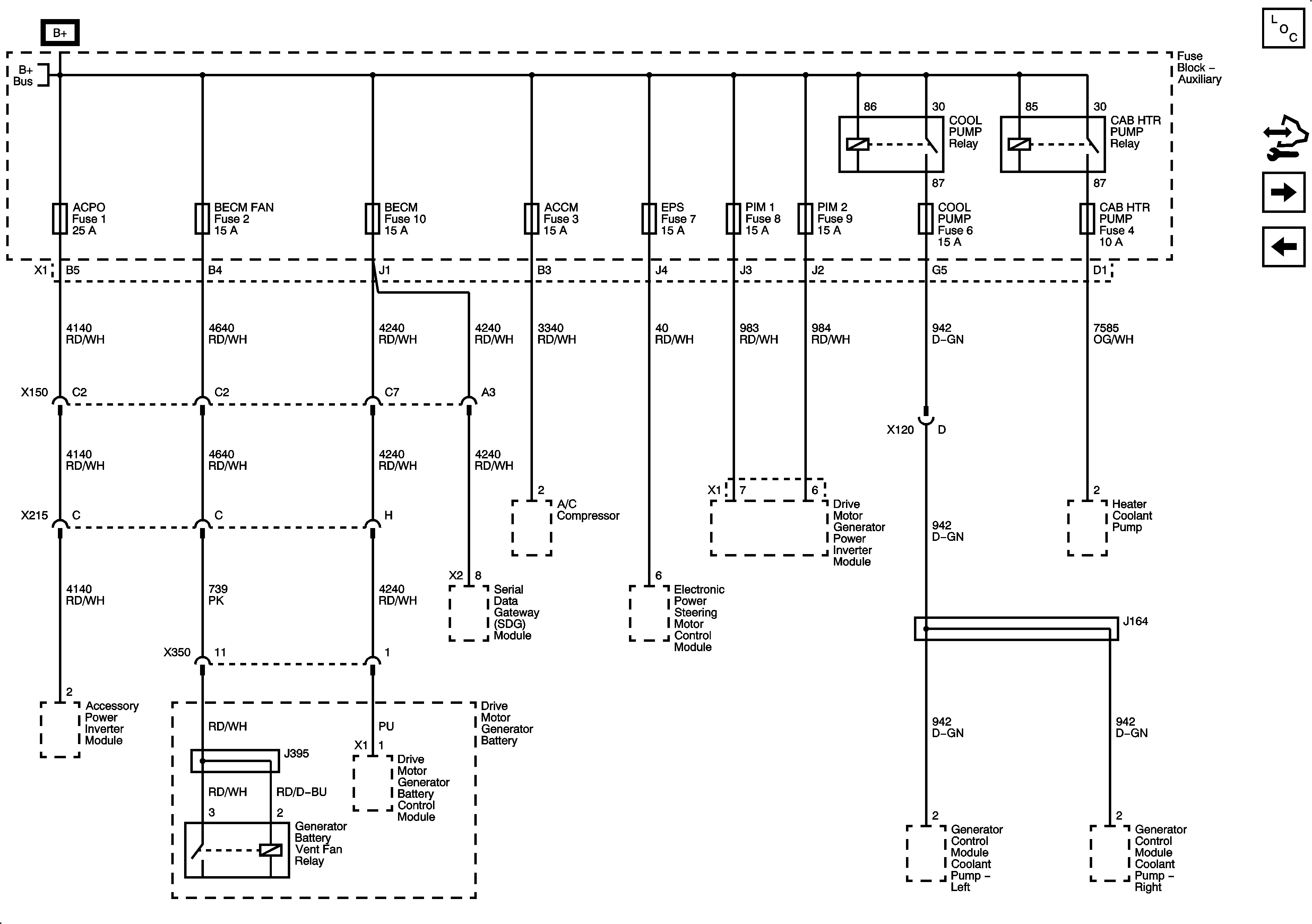
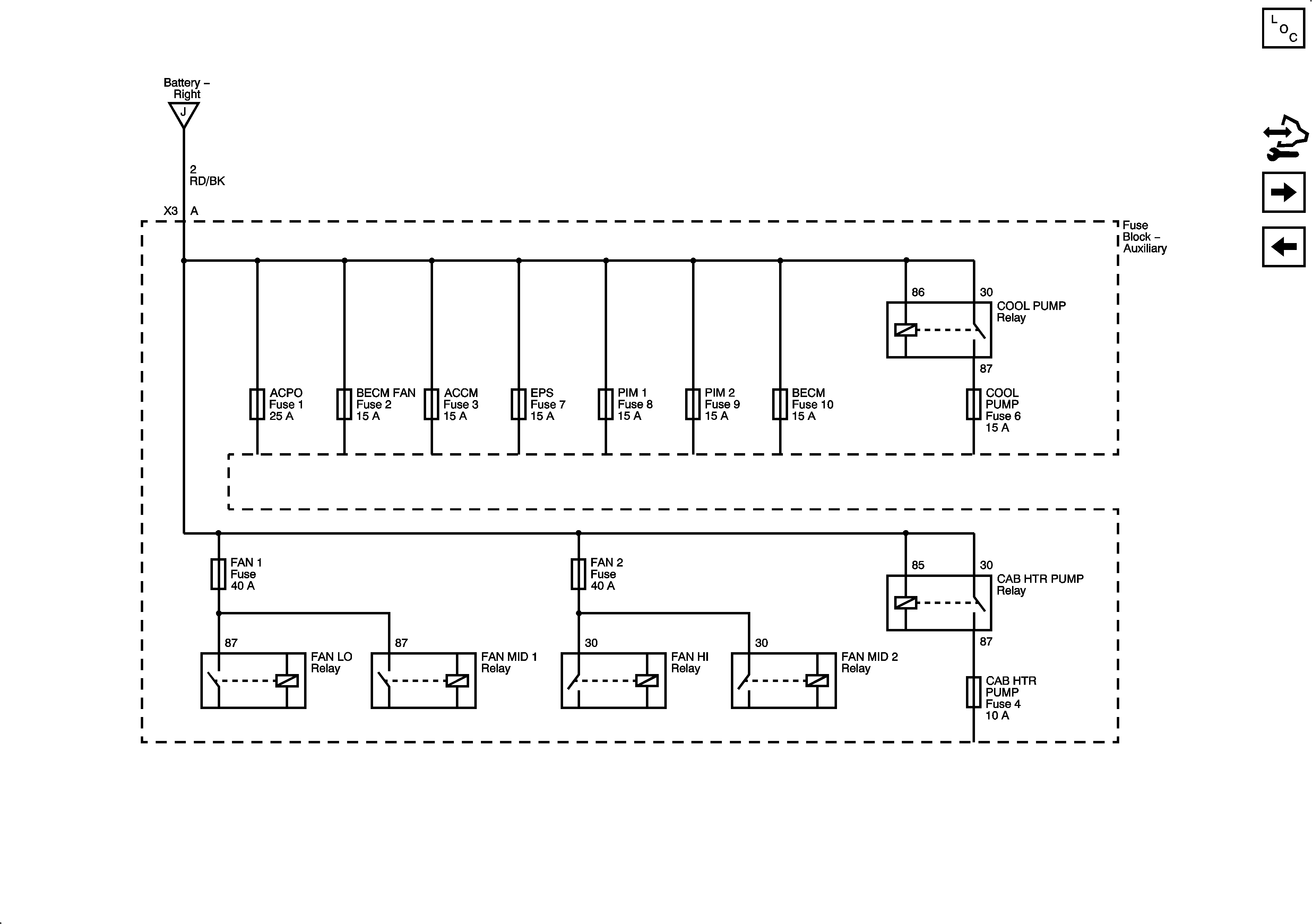
Figure 27:

ACCM, ACPO, BECM, BECM FAN, CAB HTR PUMP, COOL PUMP, EPS, PIM 1 and PIM 2 Fuses


Object Number: 2074606  Size: FS
Figure 28:

FAN 1 and FAN 2 Fuses


Object Number: 2074611  Size: FS