| Figure 1: |
G100
|
| Figure 2: |
G101
|
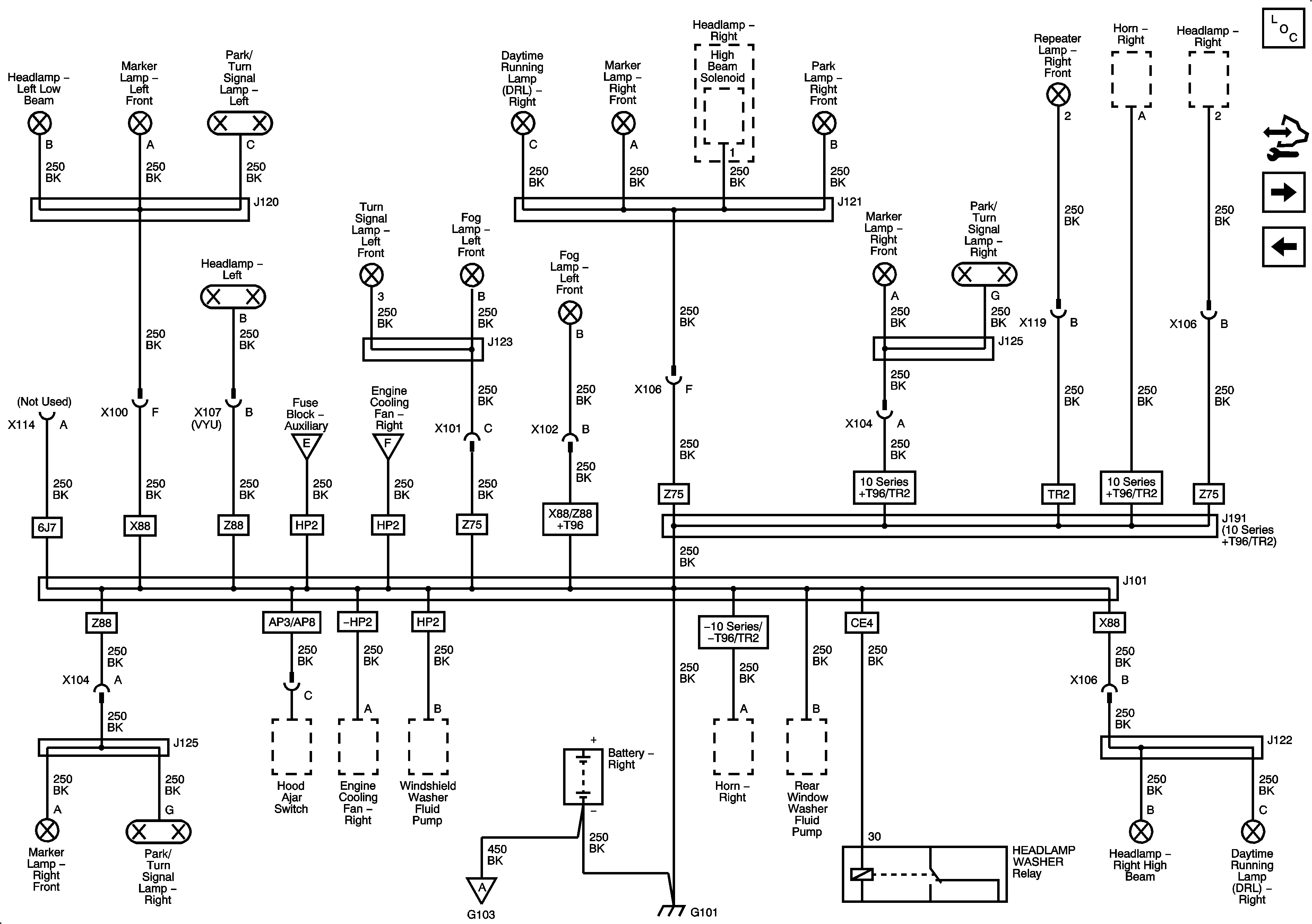
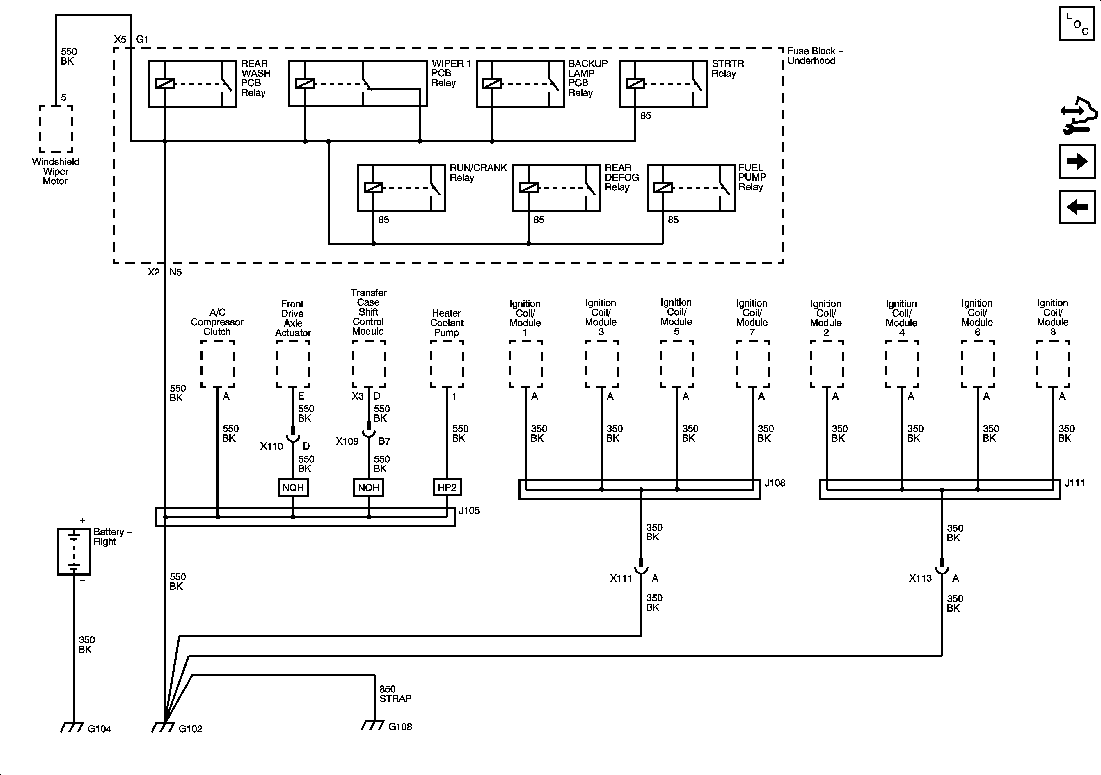
| Figure 3: |
G102, G104 and G108
|
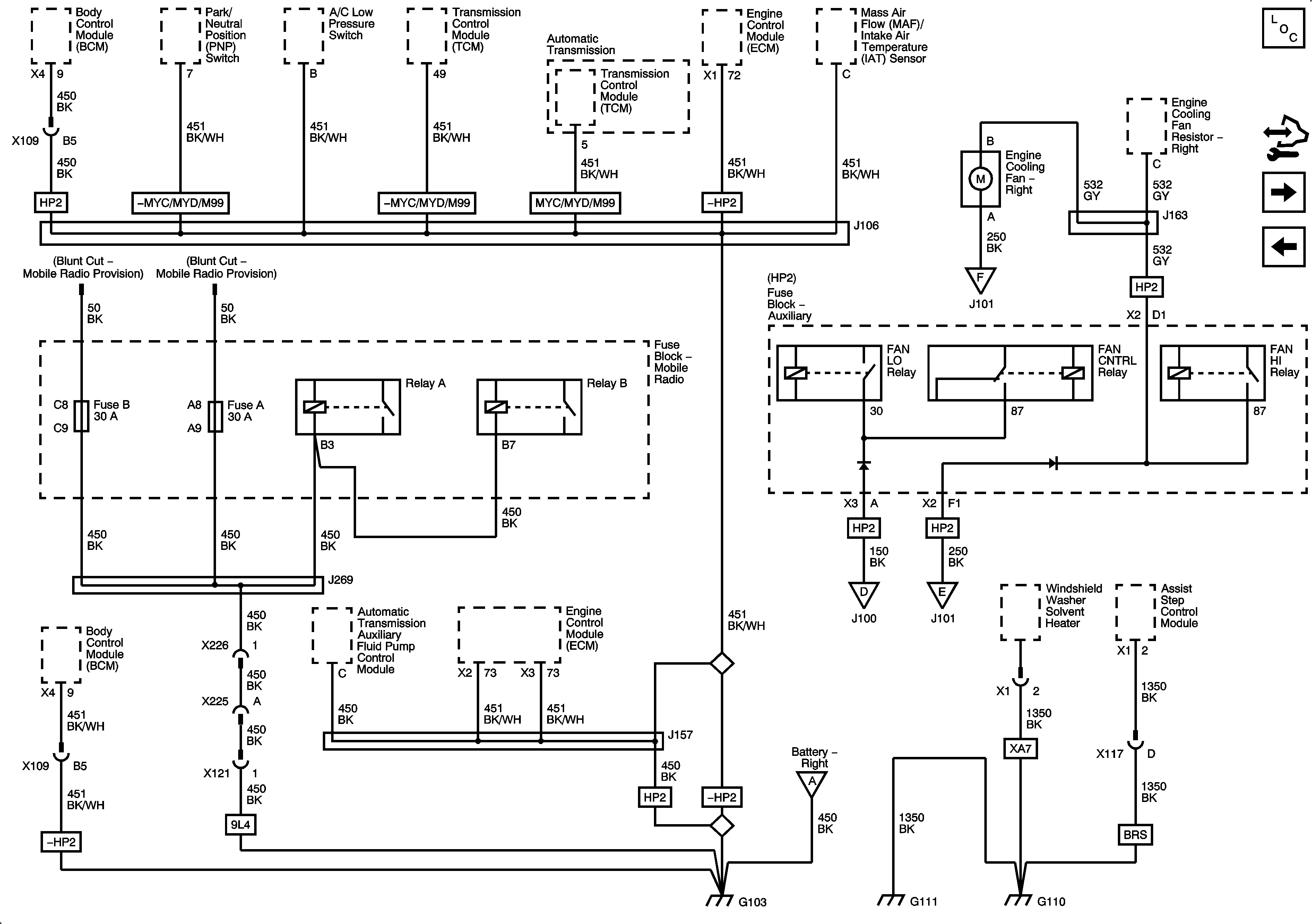
| Figure 4: |
G103, G110, and G111
|
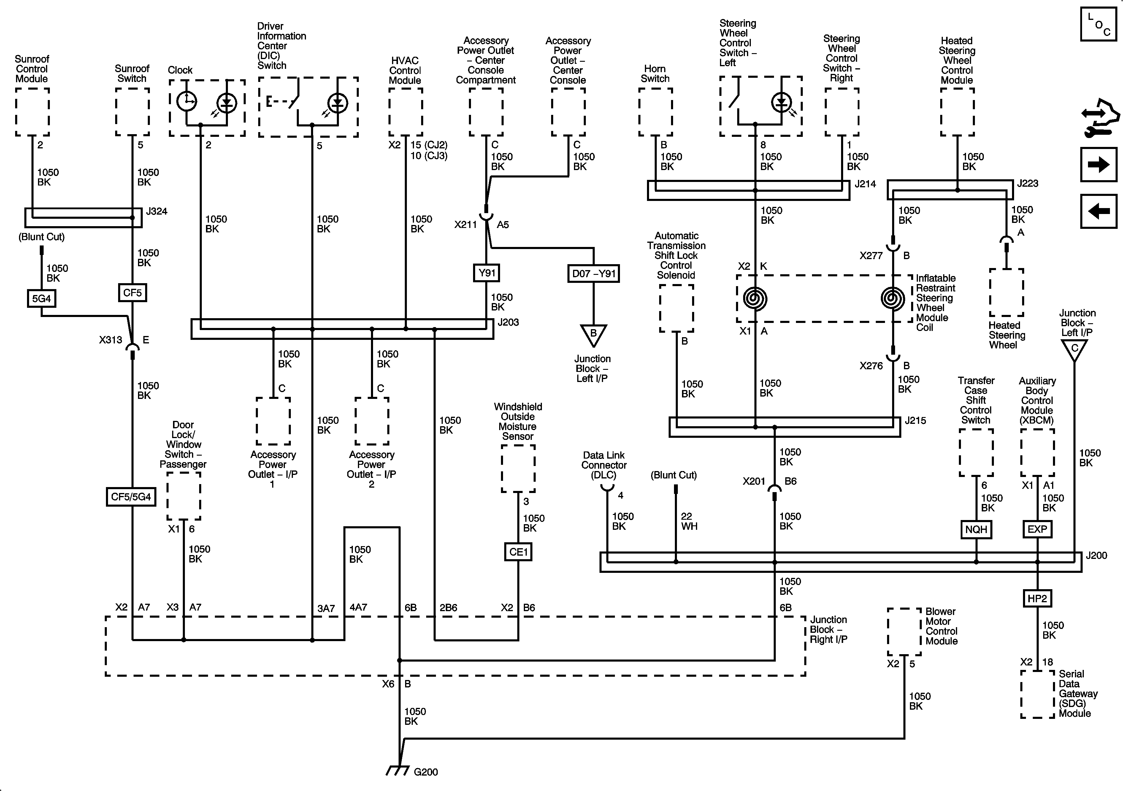
| Figure 5: |
G200 - 1 of 2
|
| Figure 6: |
G200 - 2 of 2
|
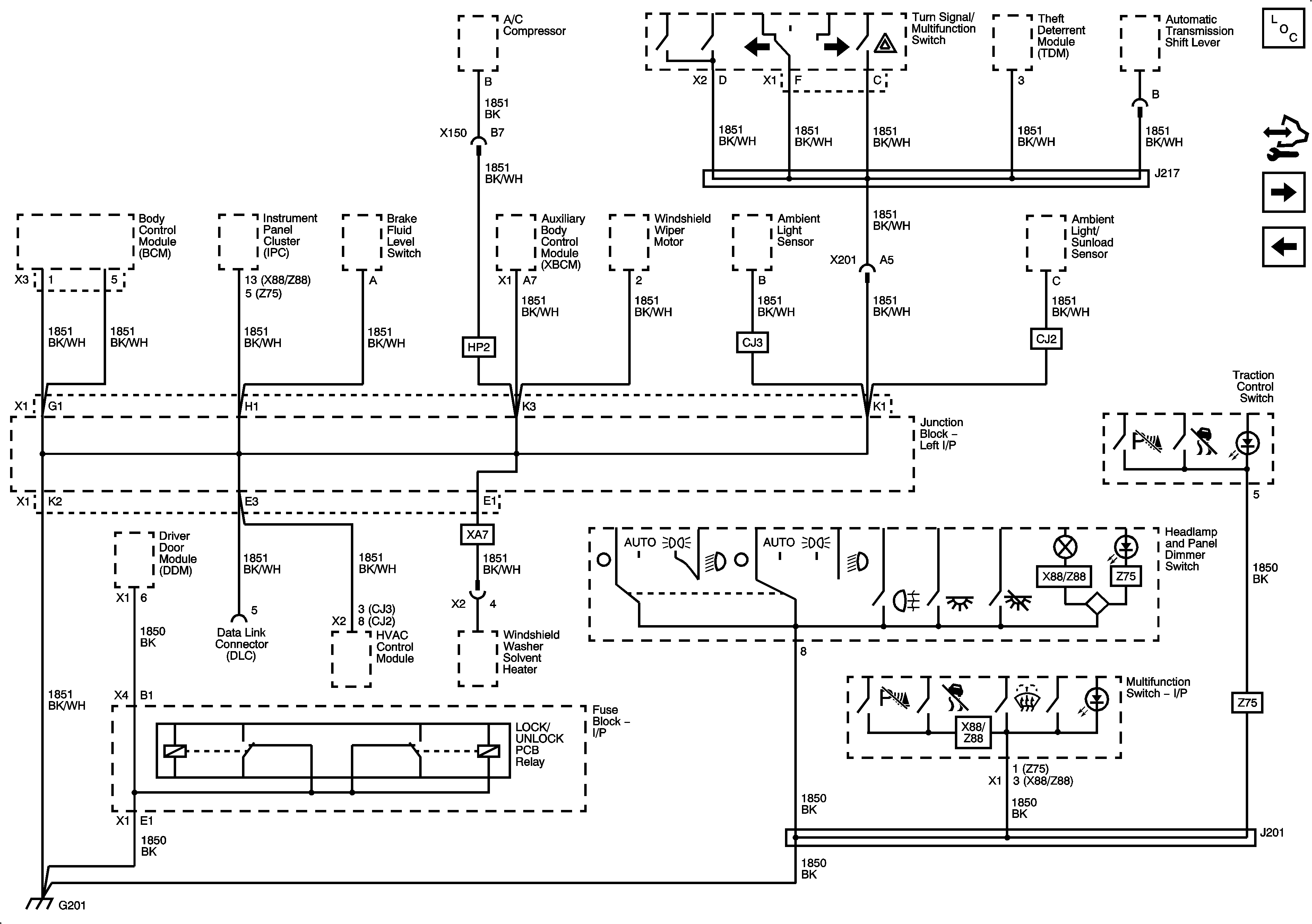
| Figure 7: |
G201
|
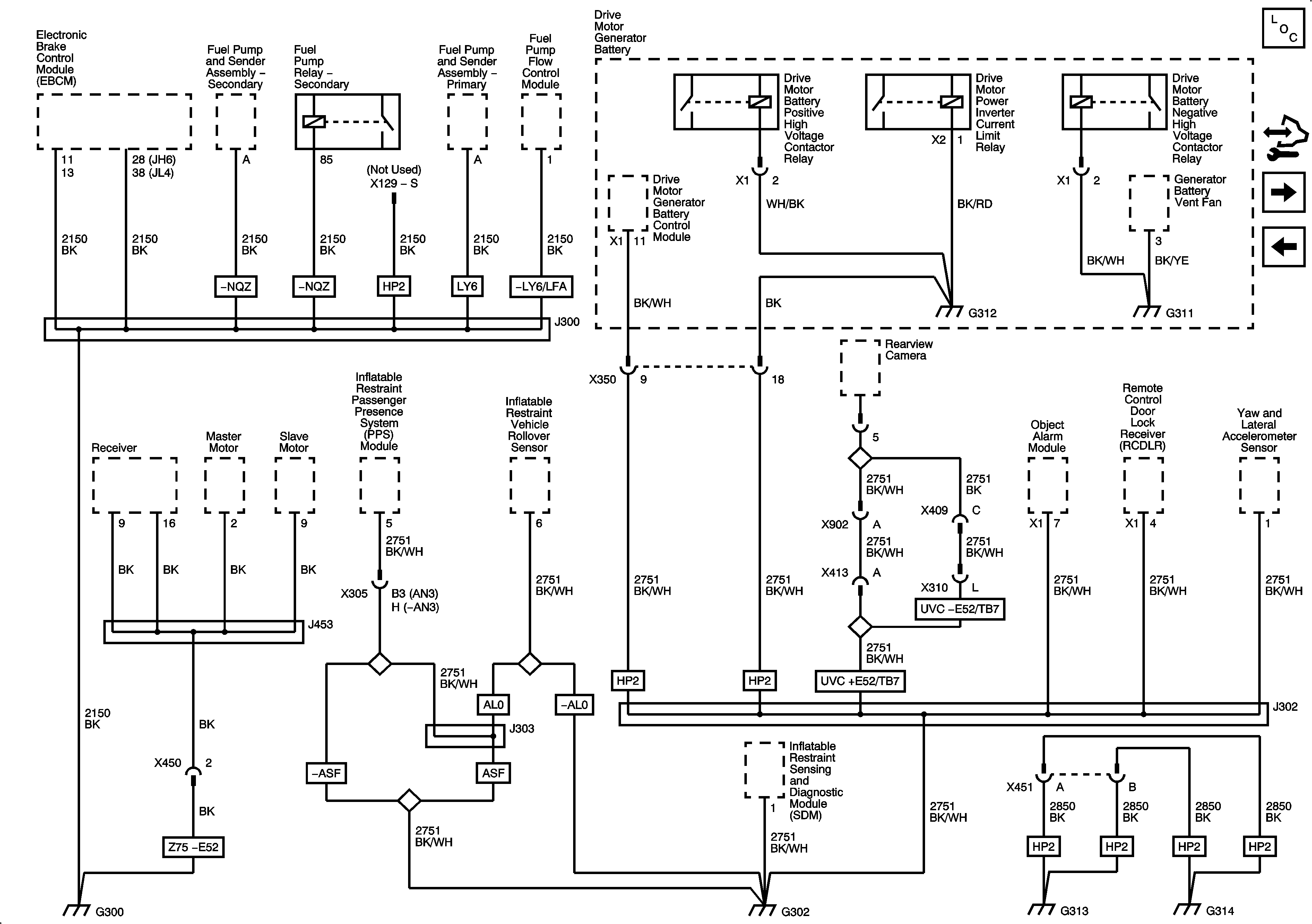
| Figure 8: |
G300, G302, G311, G312, G313 (HP2) and G314 (HP2)
|
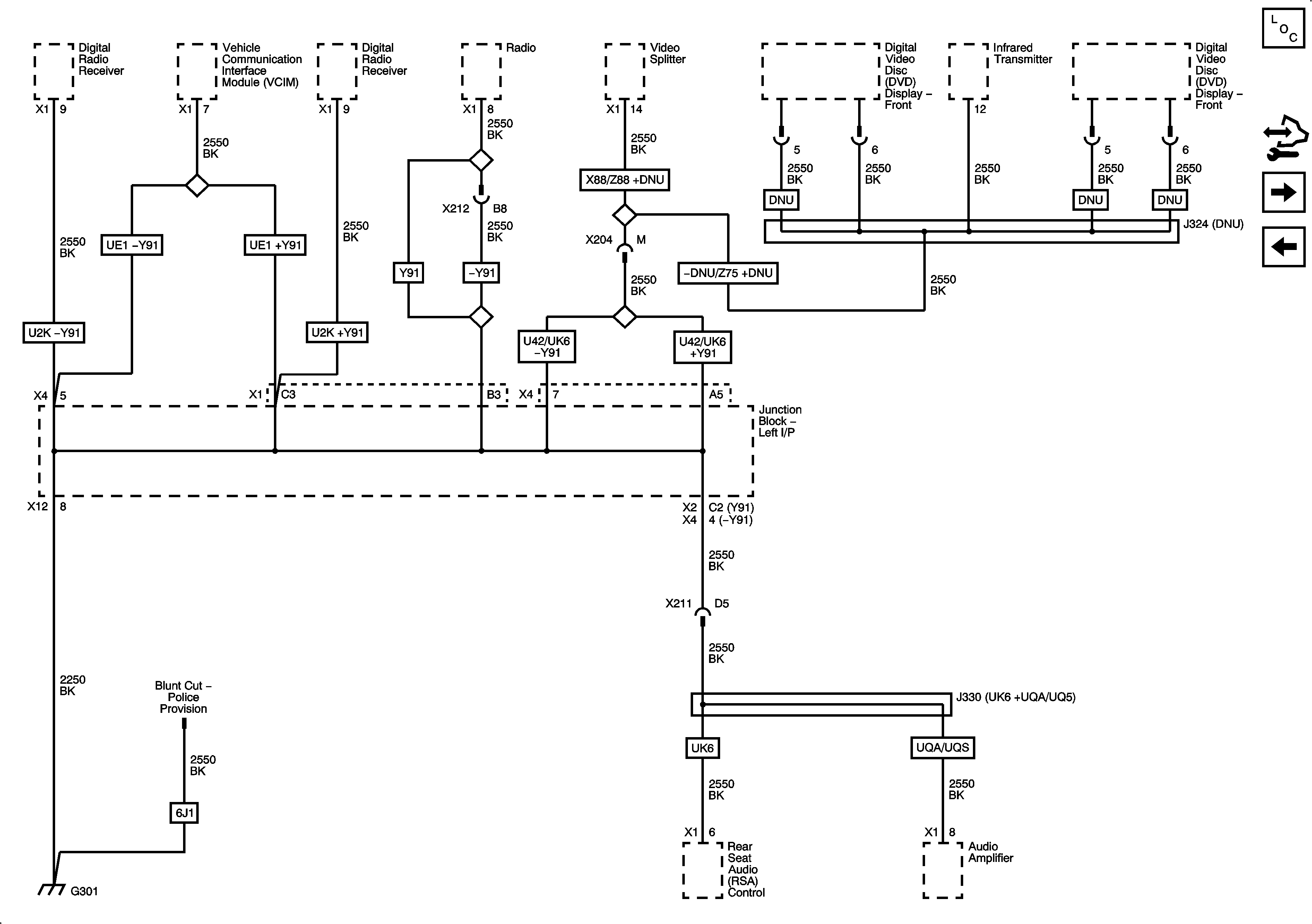
| Figure 9: |
G301
|
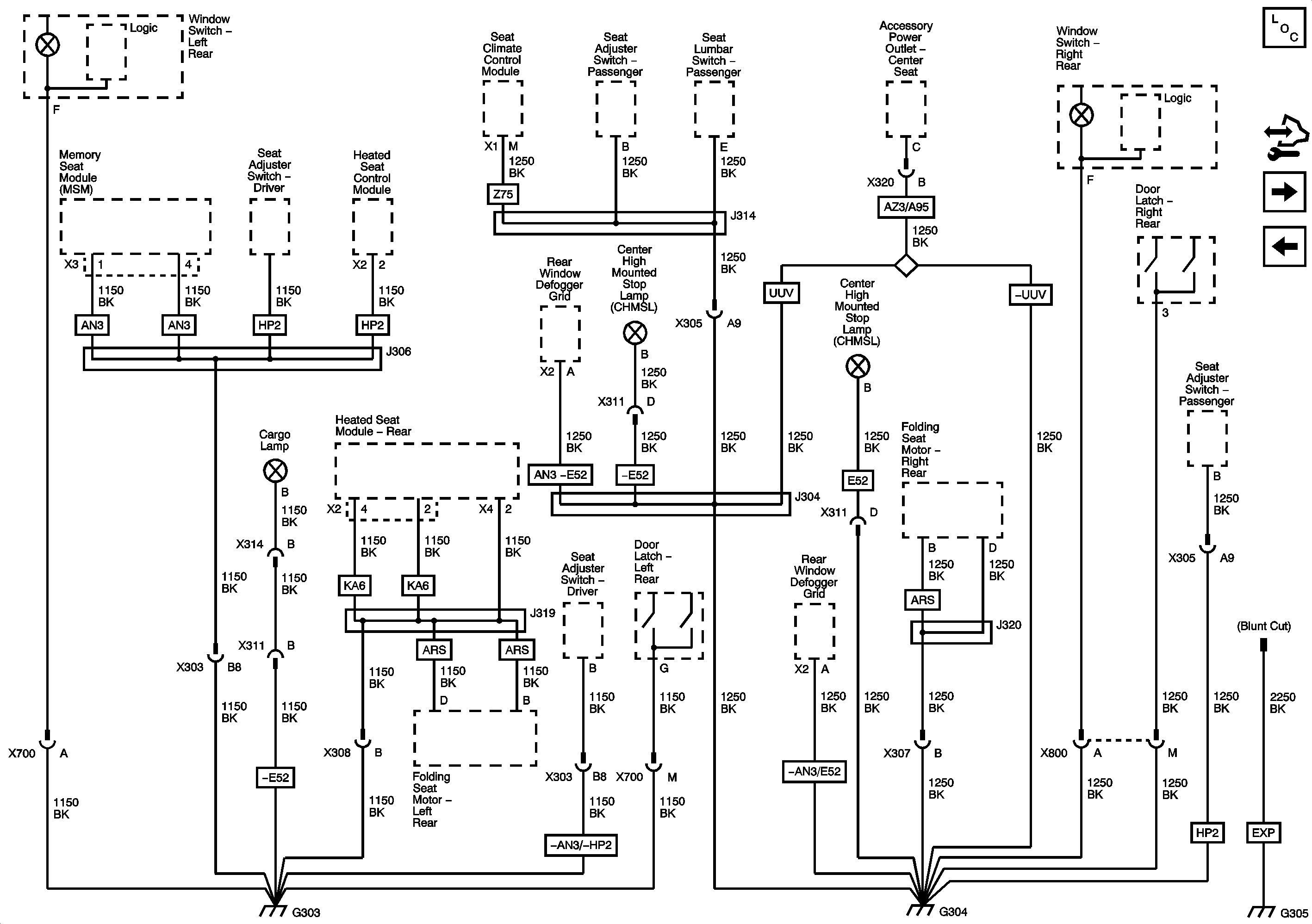
| Figure 10: |
G303, G304, and G305
|
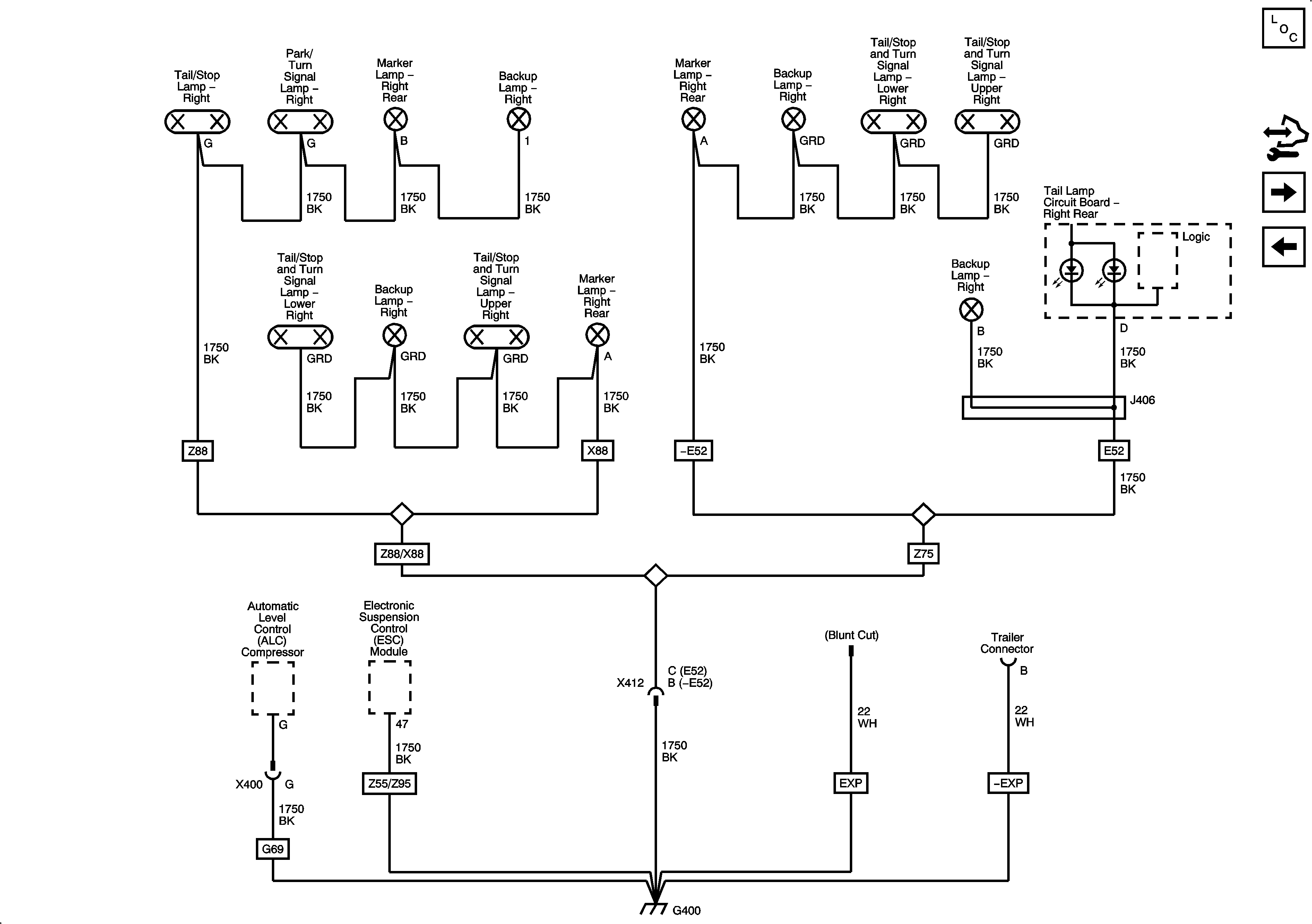
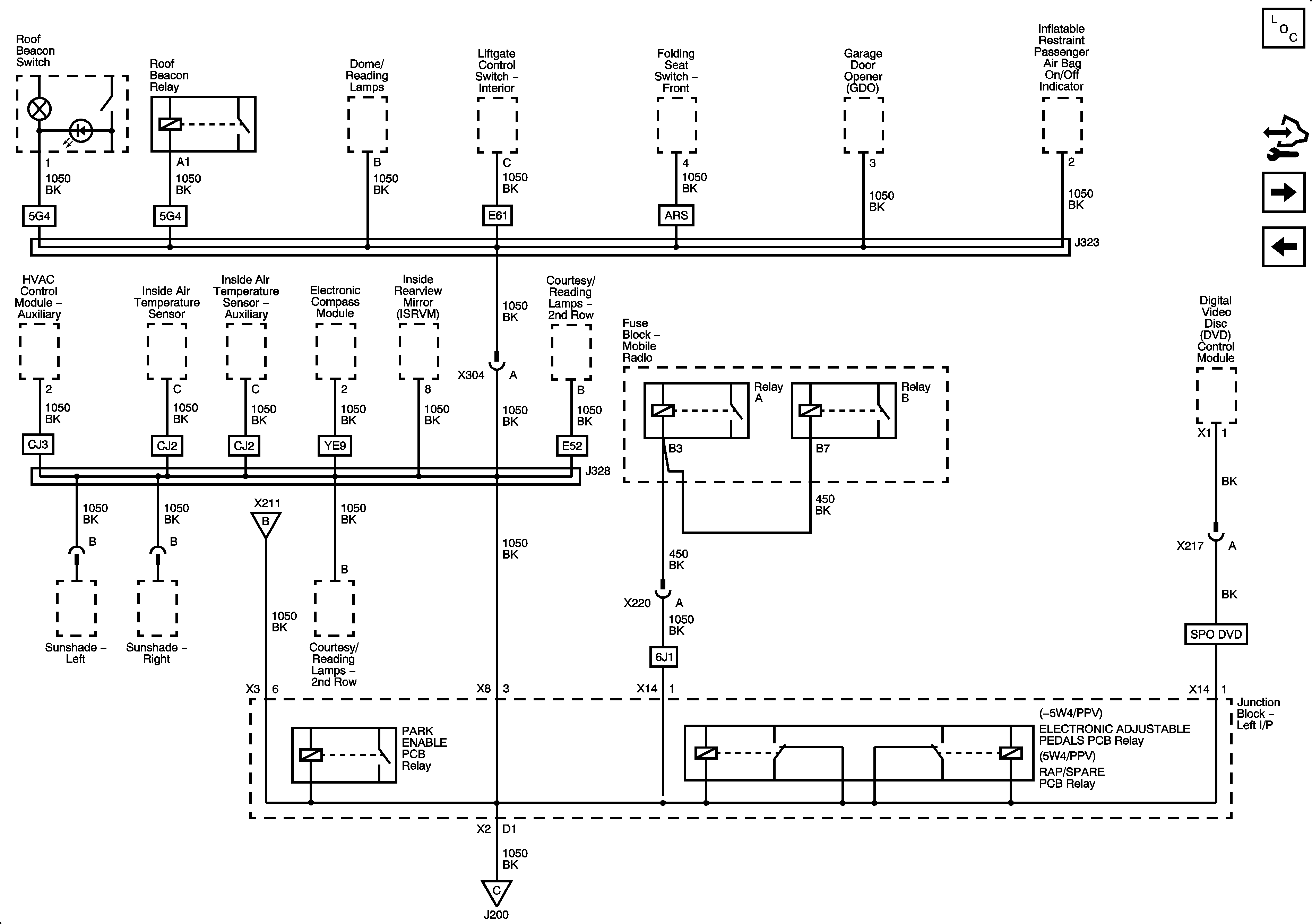
| Figure 11: |
G400
|
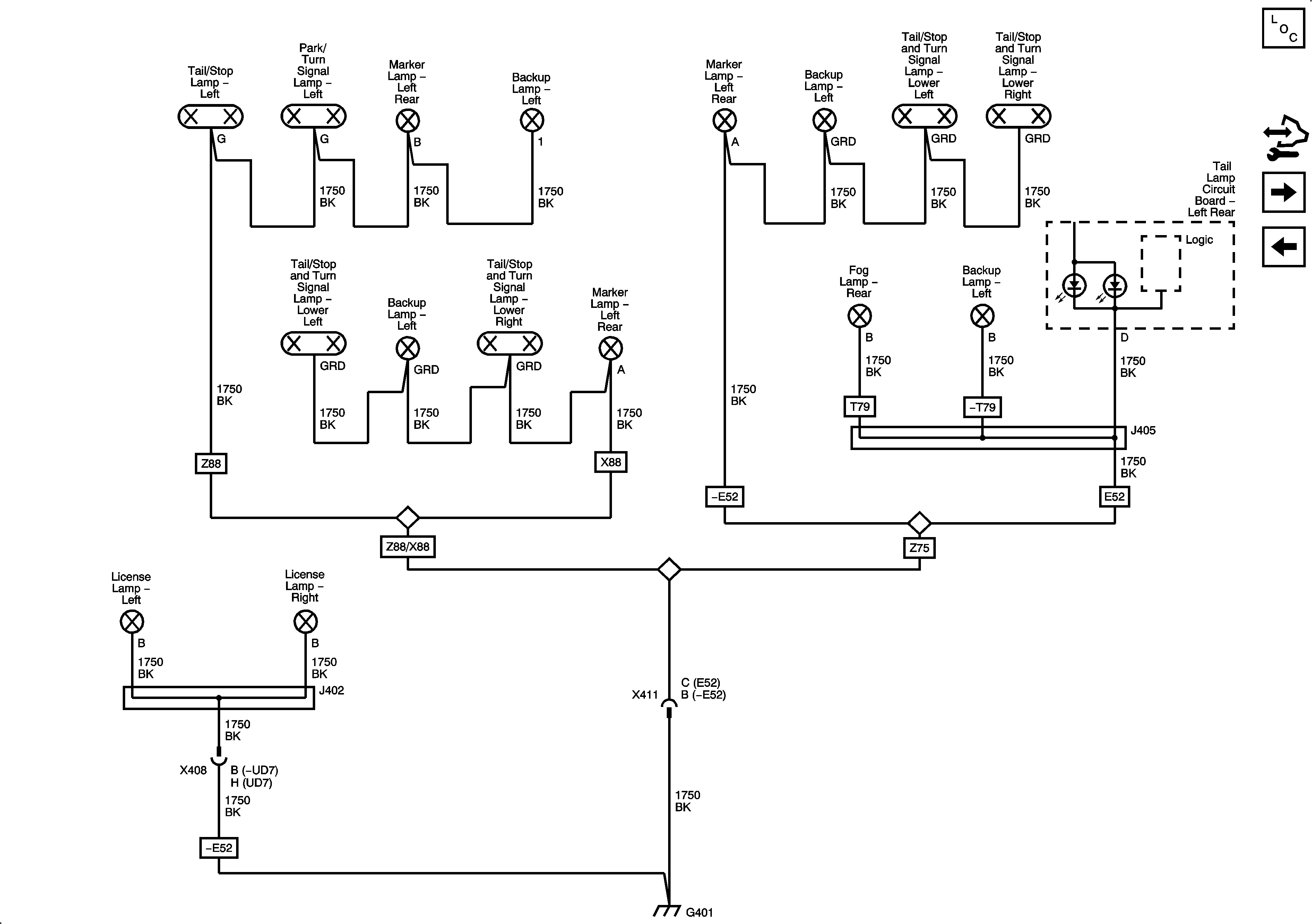
| Figure 12: |
G401
|
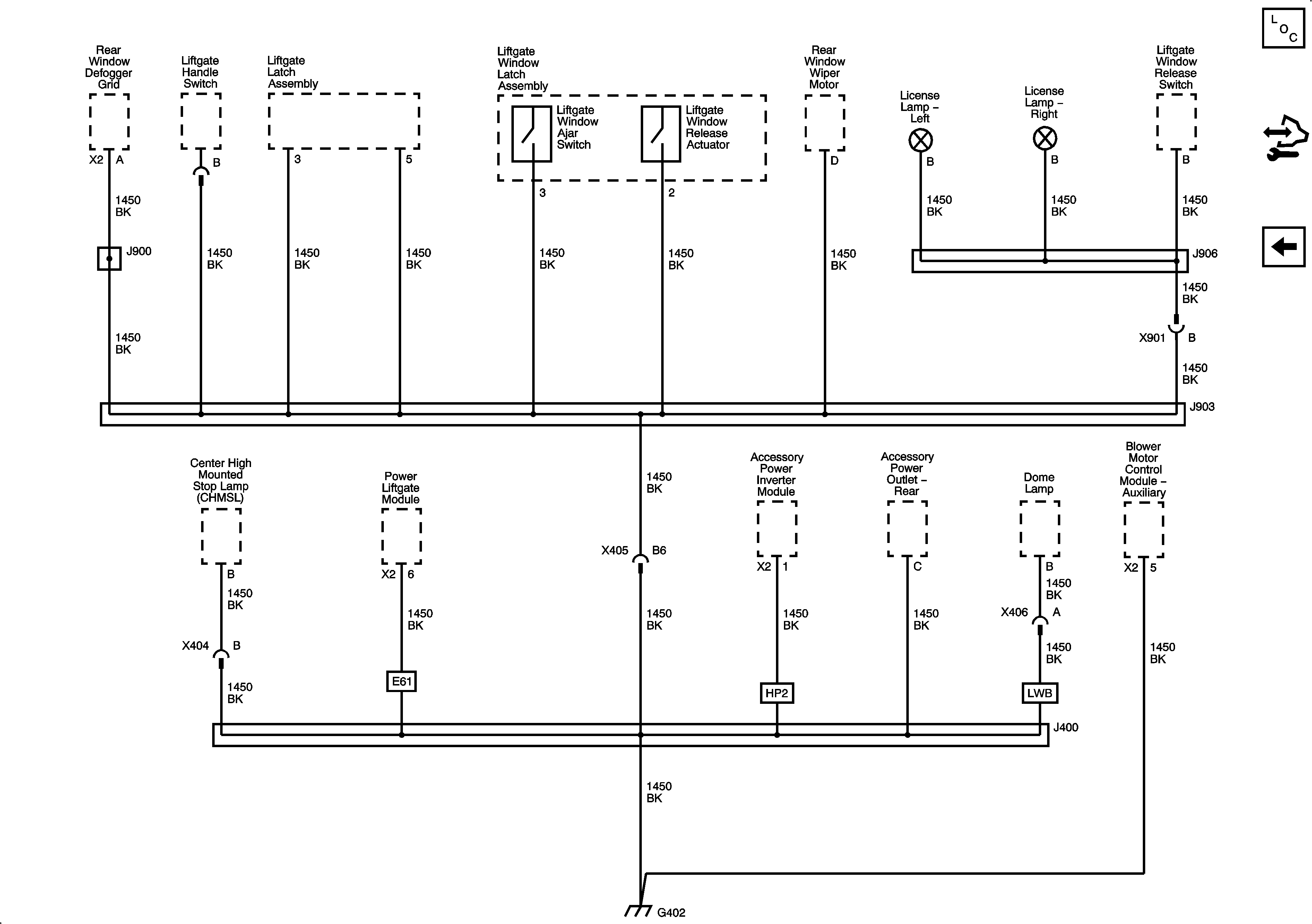
| Figure 13: |
G402 - E52
|