GM Service Manual Online
For 1990-2009 cars only
Makes
🢒
Cadillac
🢒
2009
🢒
Escalade EXT
🢒
Diagnostic Navigation
🢒
Vehicle Diagnostic Information
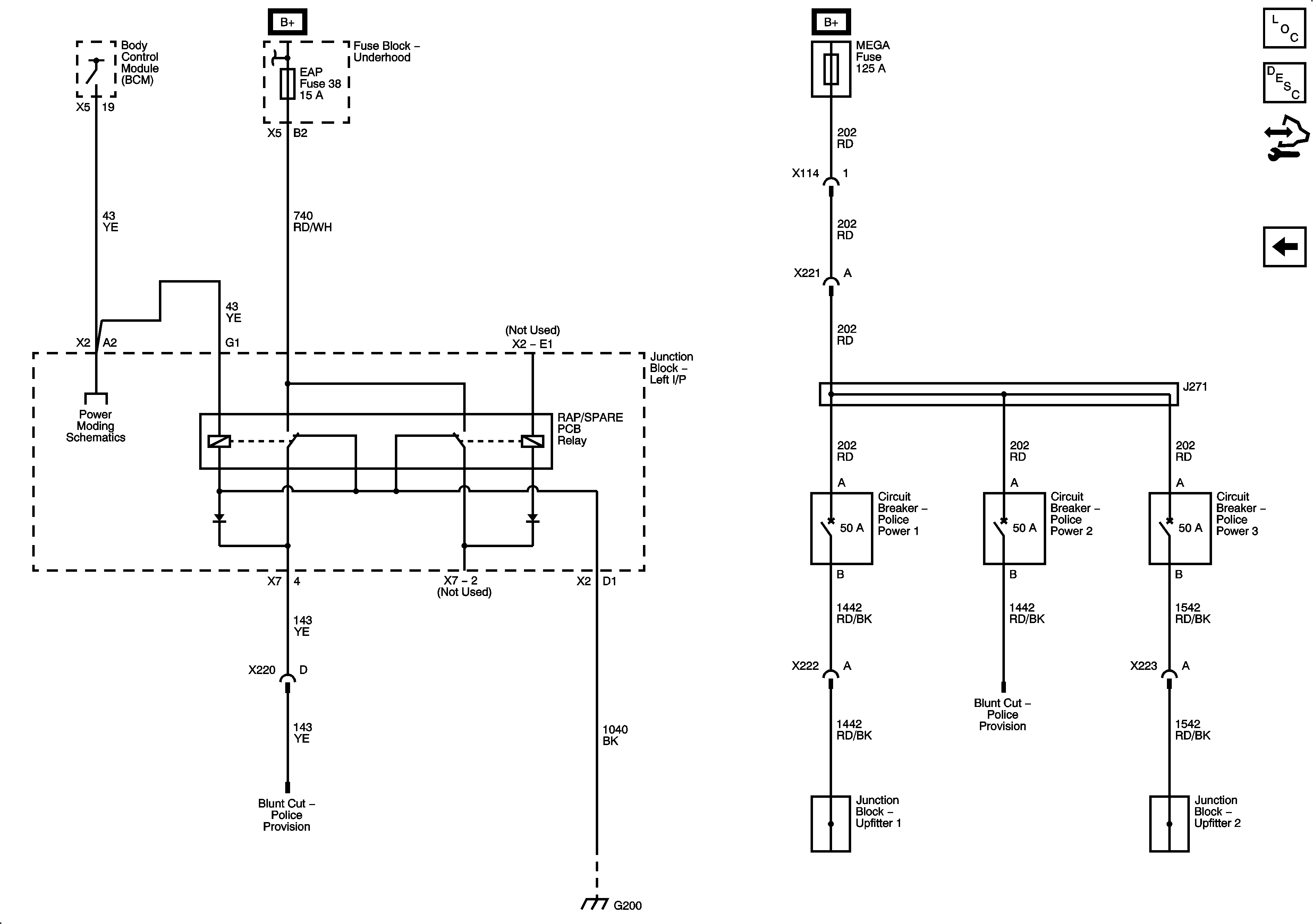
🢒 Upfitter Provision Schematics
Figure
1:
Roof Beacon - TRW/5G4
Figure
2:
Police Power - 5W4 or PPV