GM Service Manual Online
For 1990-2009 cars only
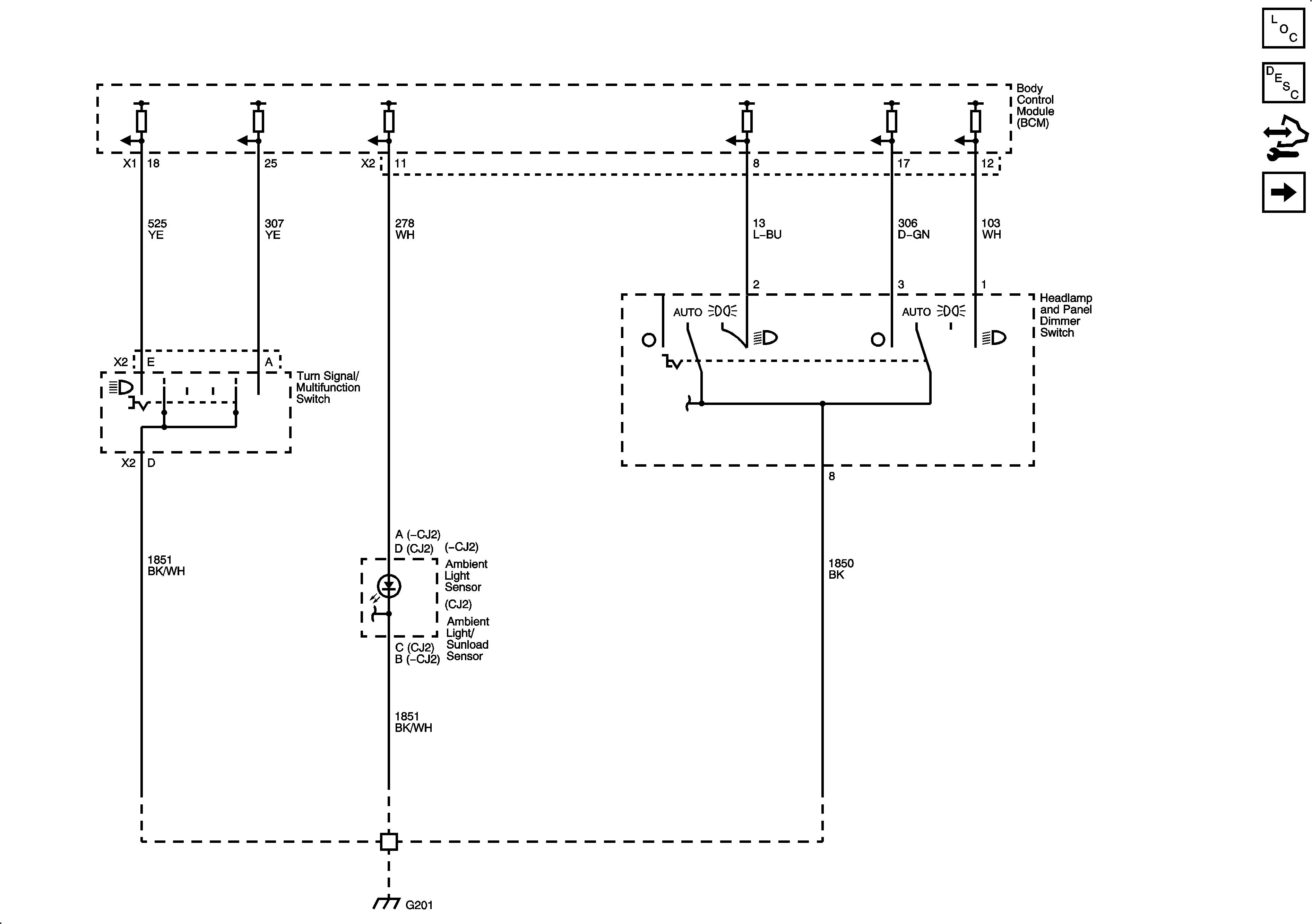
Figure 1:

Headlamp and Daytime Running Lamp Controls


Object Number: 2075137  Size: FS
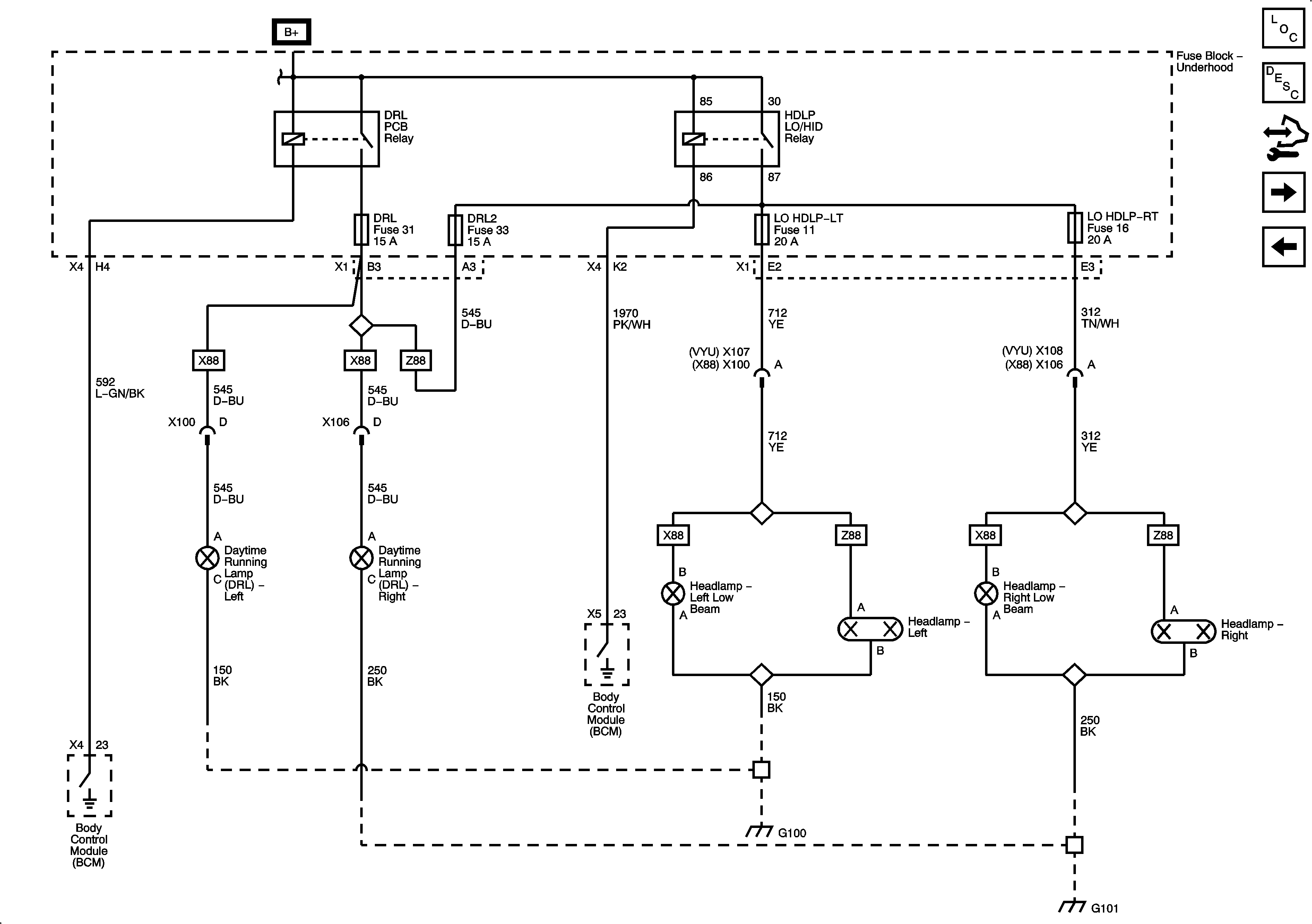
Figure 2:

Low Beam and Daytime Running Lamps - X88/Z88


Object Number: 2075139  Size: FS
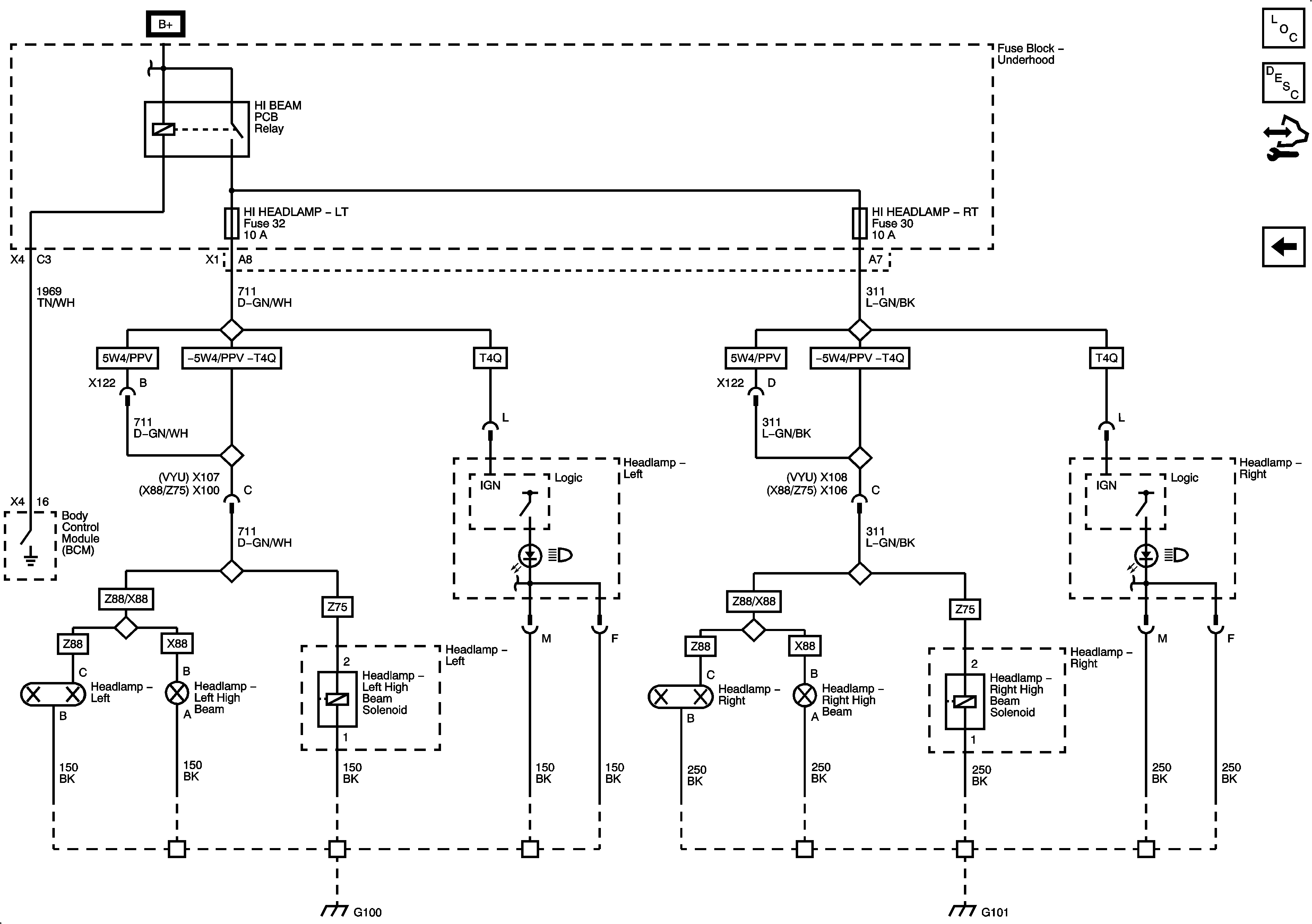
Figure 3:

Low Beam and Daytime Running Lamps - Z75


Object Number: 2075142  Size: FS
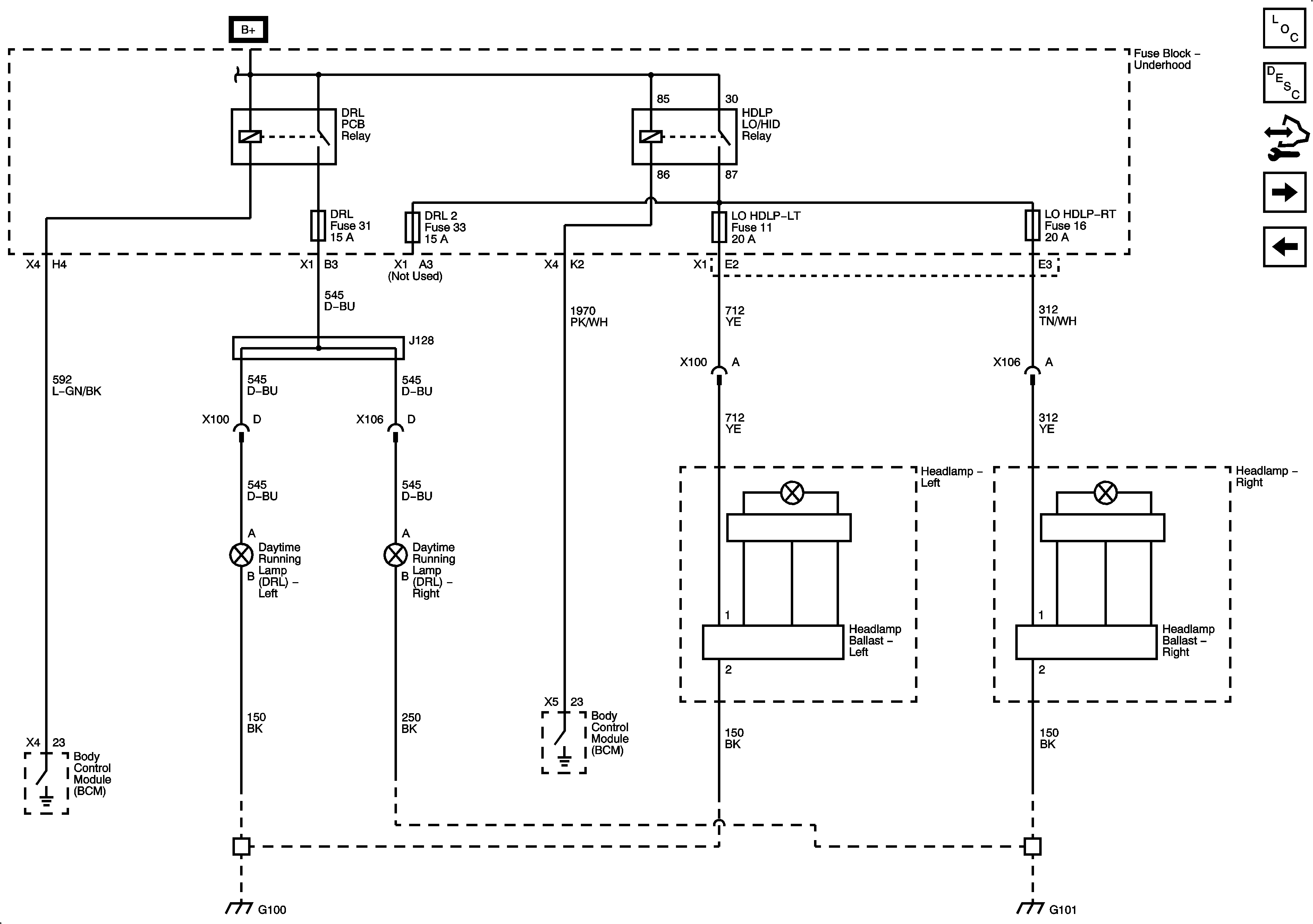
Figure 4:

High Beams


Object Number: 2075144  Size: FS