GM Service Manual Online
For 1990-2009 cars only
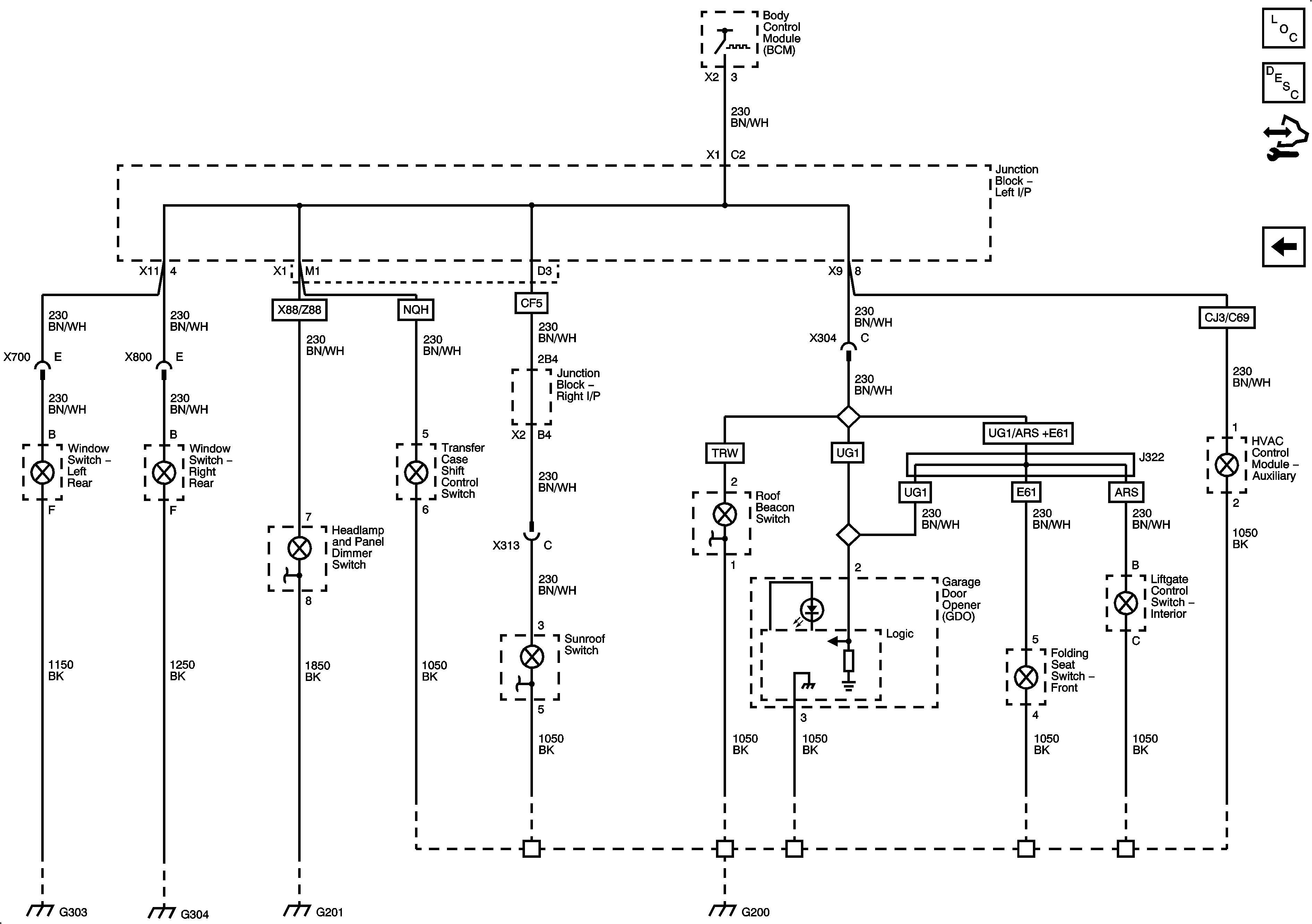
Figure 1:

Dimming Control and LED Dimming - 1 of 3


Object Number: 2075178  Size: FS
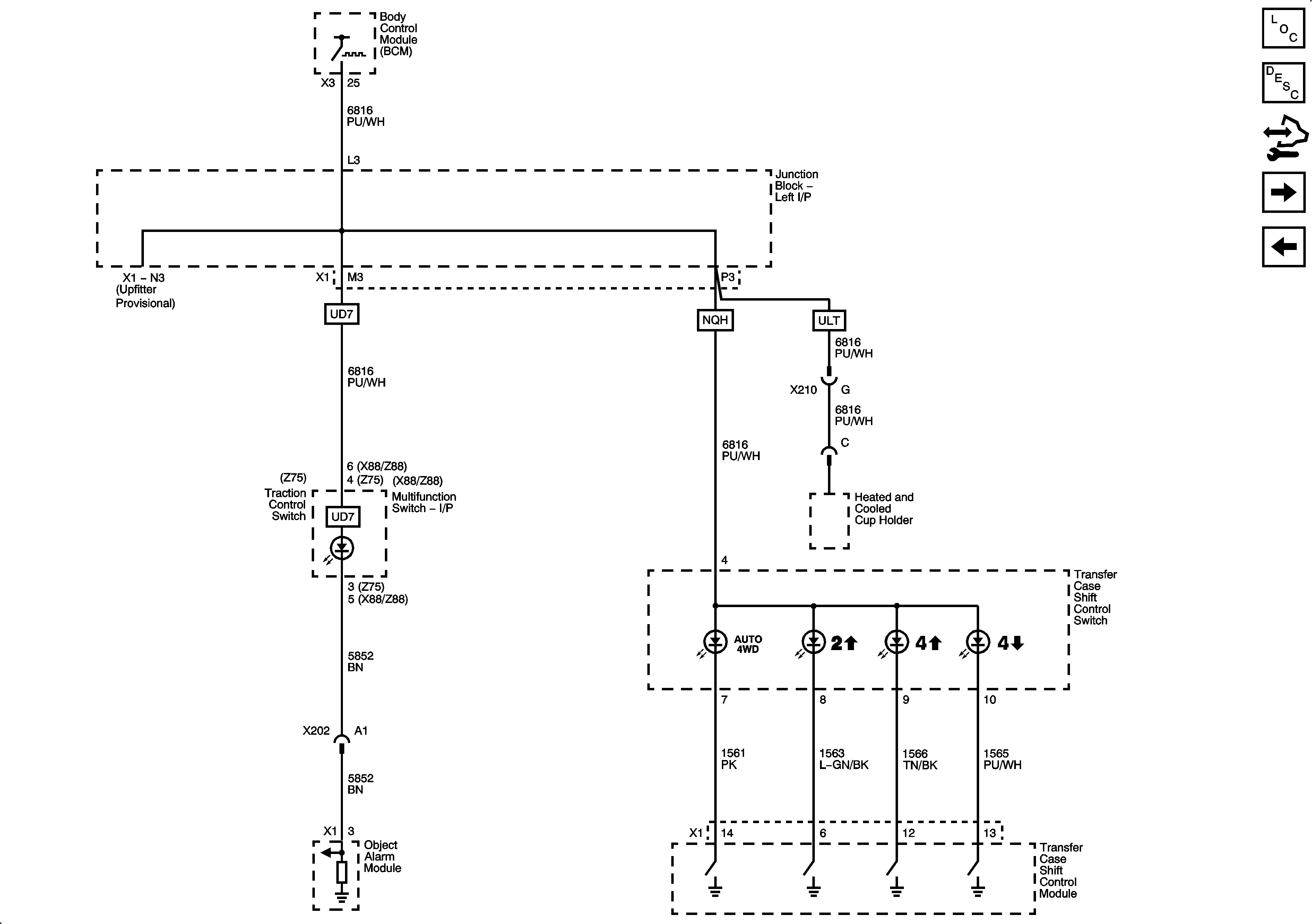
Figure 2:

LED Dimming - 2 of 3


Object Number: 2075180  Size: FS
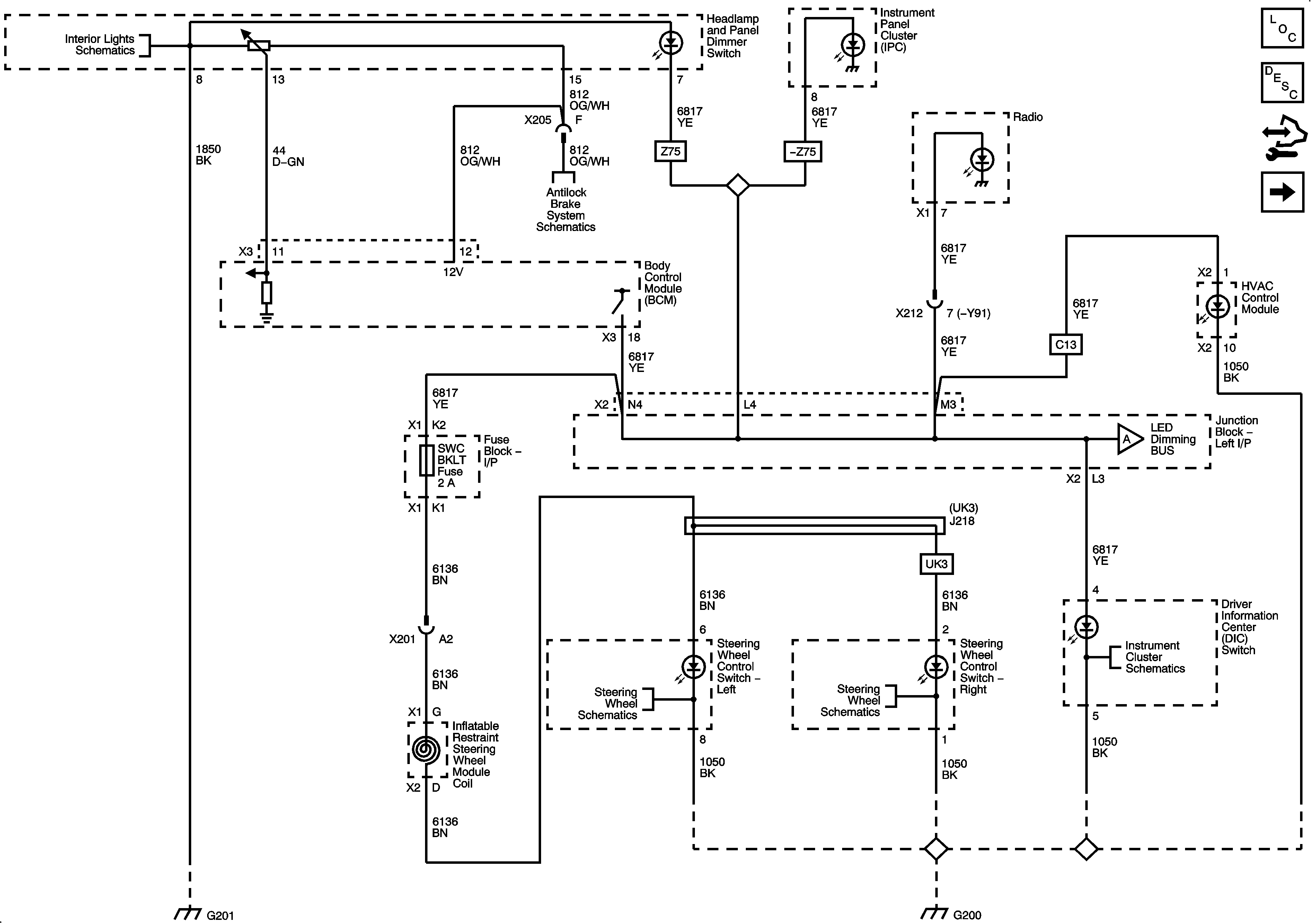
Figure 3:

LED Dimming - 3 of 3


Object Number: 2075182  Size: FS
Figure 4:

I/P Bulb Dimming


Object Number: 2075184  Size: FS