GM Service Manual Online
For 1990-2009 cars only
Makes
🢒
Cadillac
🢒
2009
🢒
Escalade EXT
🢒
Body Systems
🢒
Vehicle Access
🢒 Liftgate Schematics
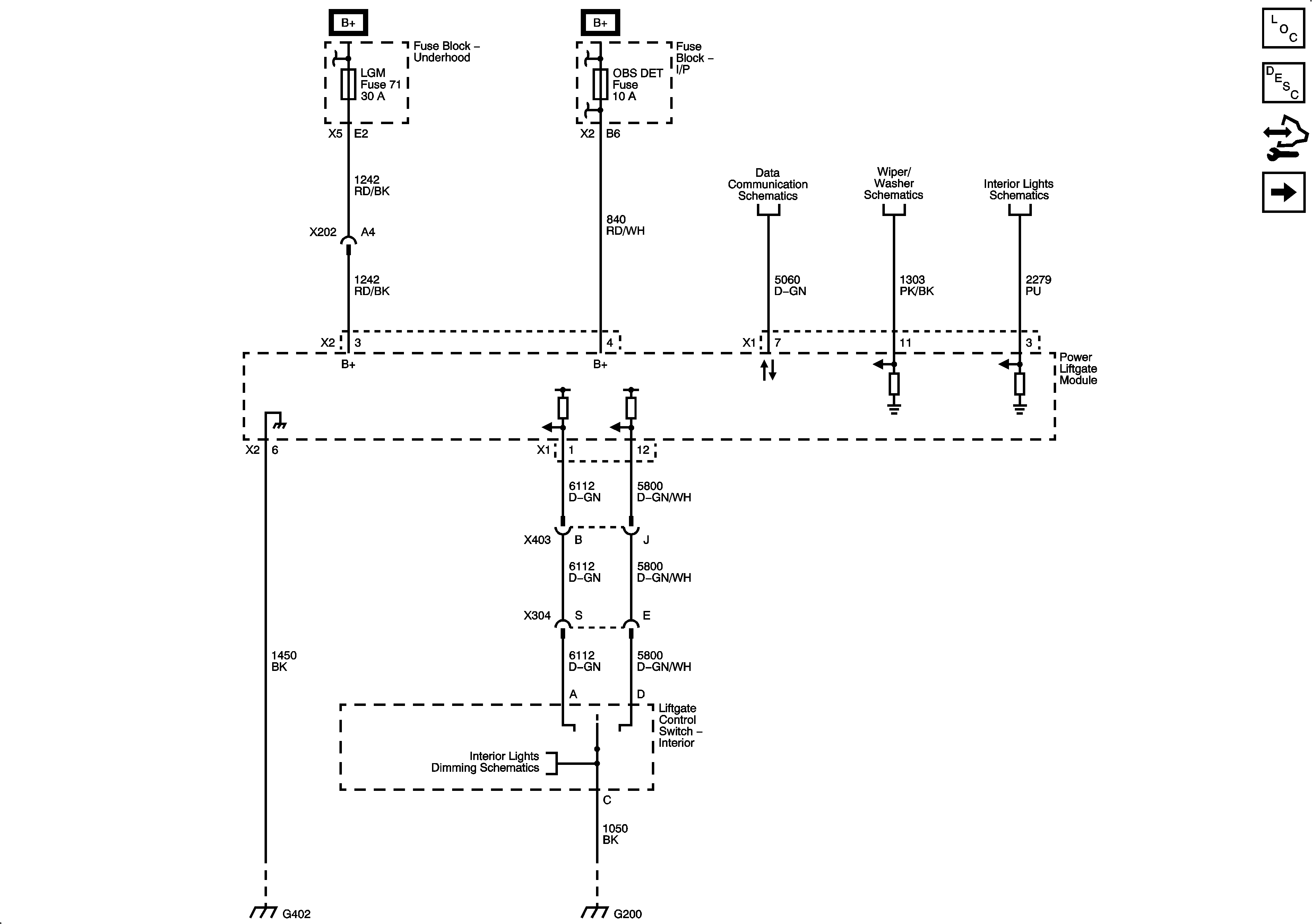
Figure
1:
Module Power, Ground, Serial Data, and Front Switch (E61)
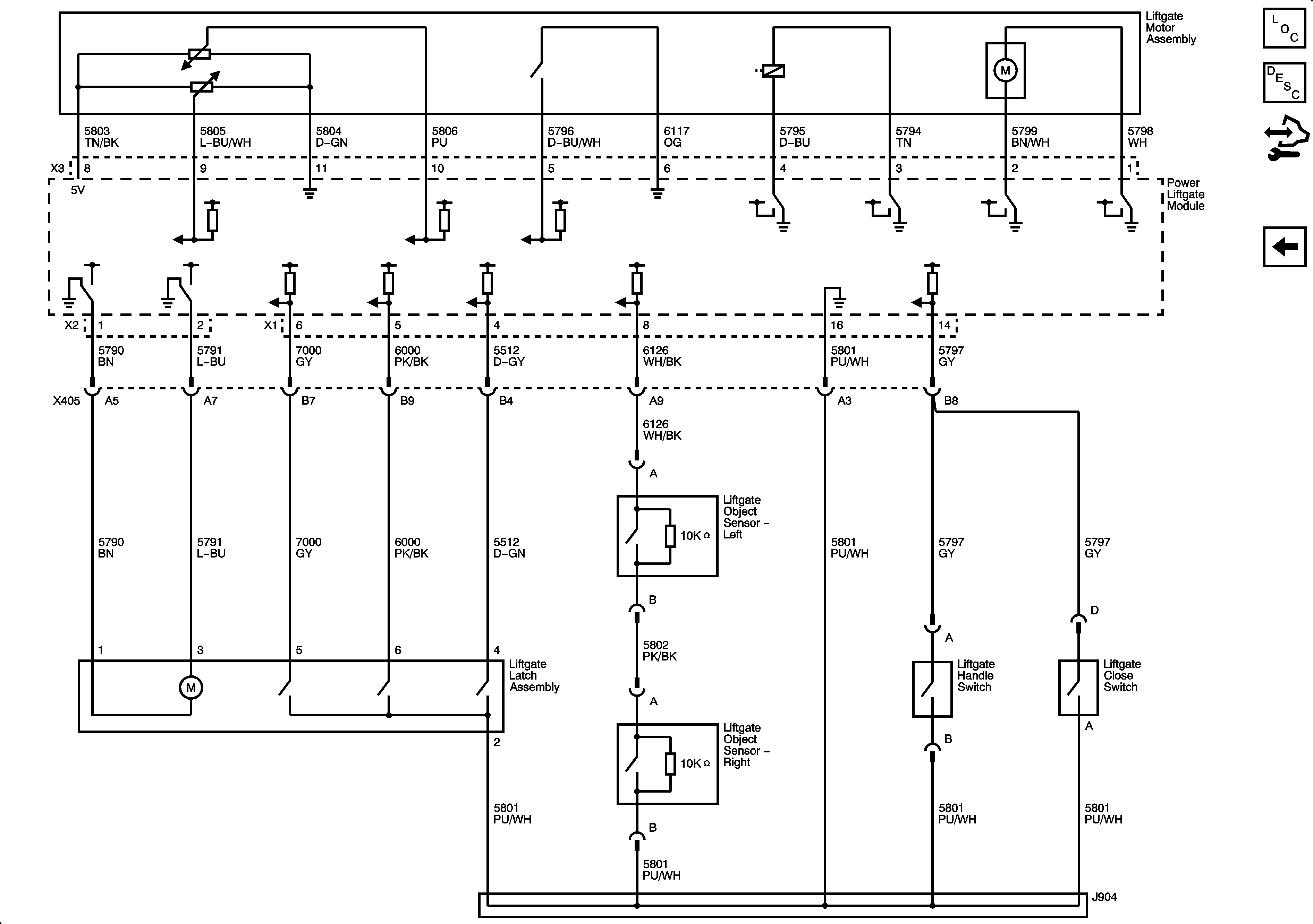
Figure
2:
Liftgate Motor Controls (E61)