GM Service Manual Online
For 1990-2009 cars only
Makes
🢒
Cadillac
🢒
2009
🢒
Escalade EXT
🢒
Body Systems
🢒
Vehicle Access
🢒 Release Systems Schematics
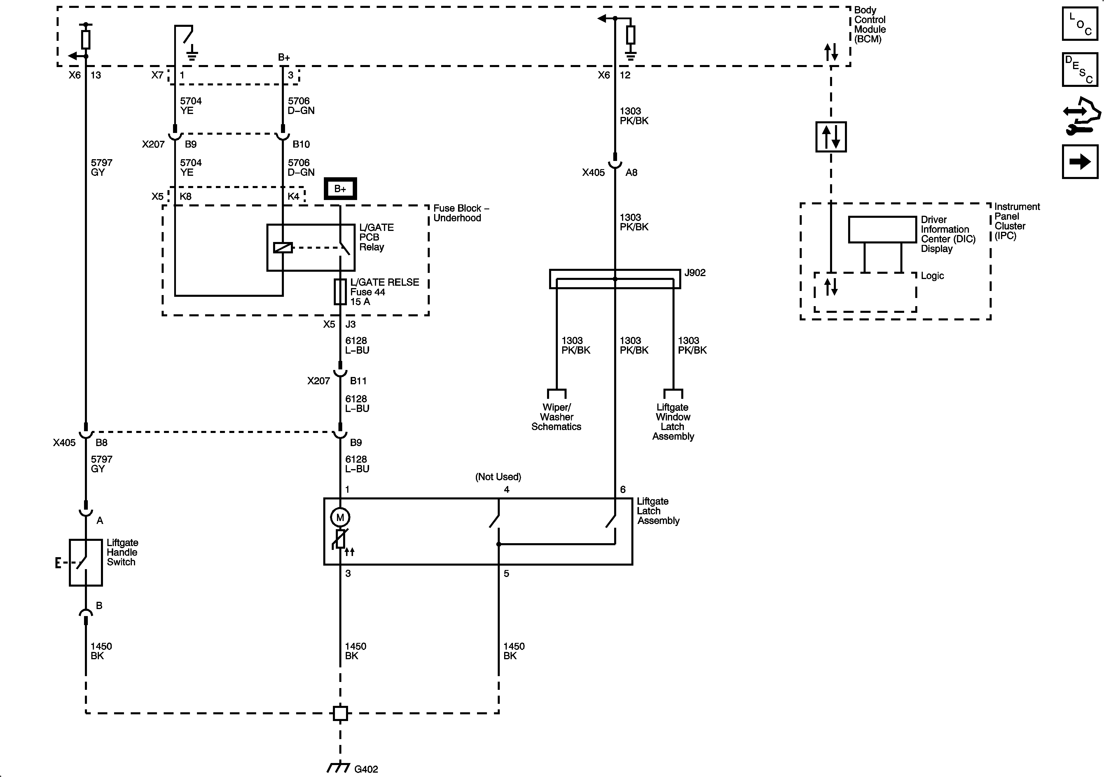
Figure
1:
Liftgate - E52 Except E61
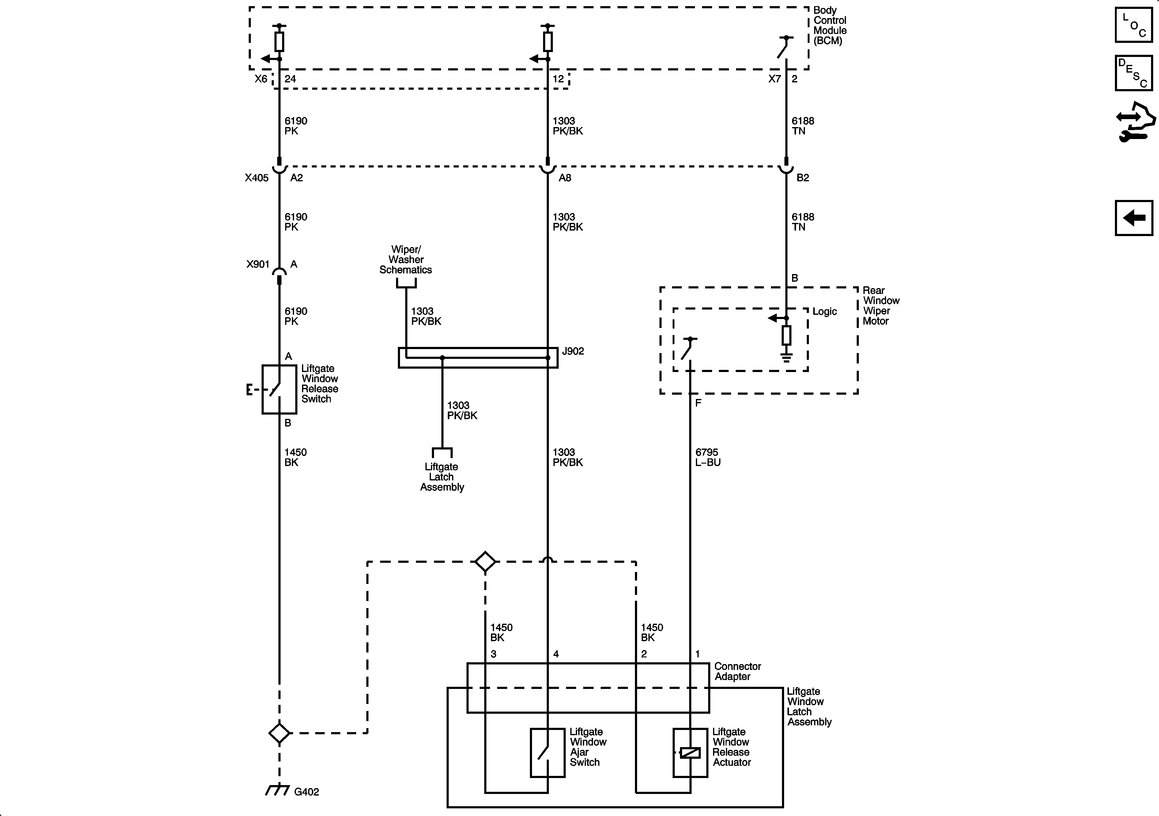
Figure
2:
Liftglass - E52