GM Service Manual Online
For 1990-2009 cars only
Makes
🢒
Cadillac
🢒
2009
🢒
Escalade EXT
🢒
Brakes
🢒
Trailer Brake Controls
🢒 Trailer Brake Control Schematics
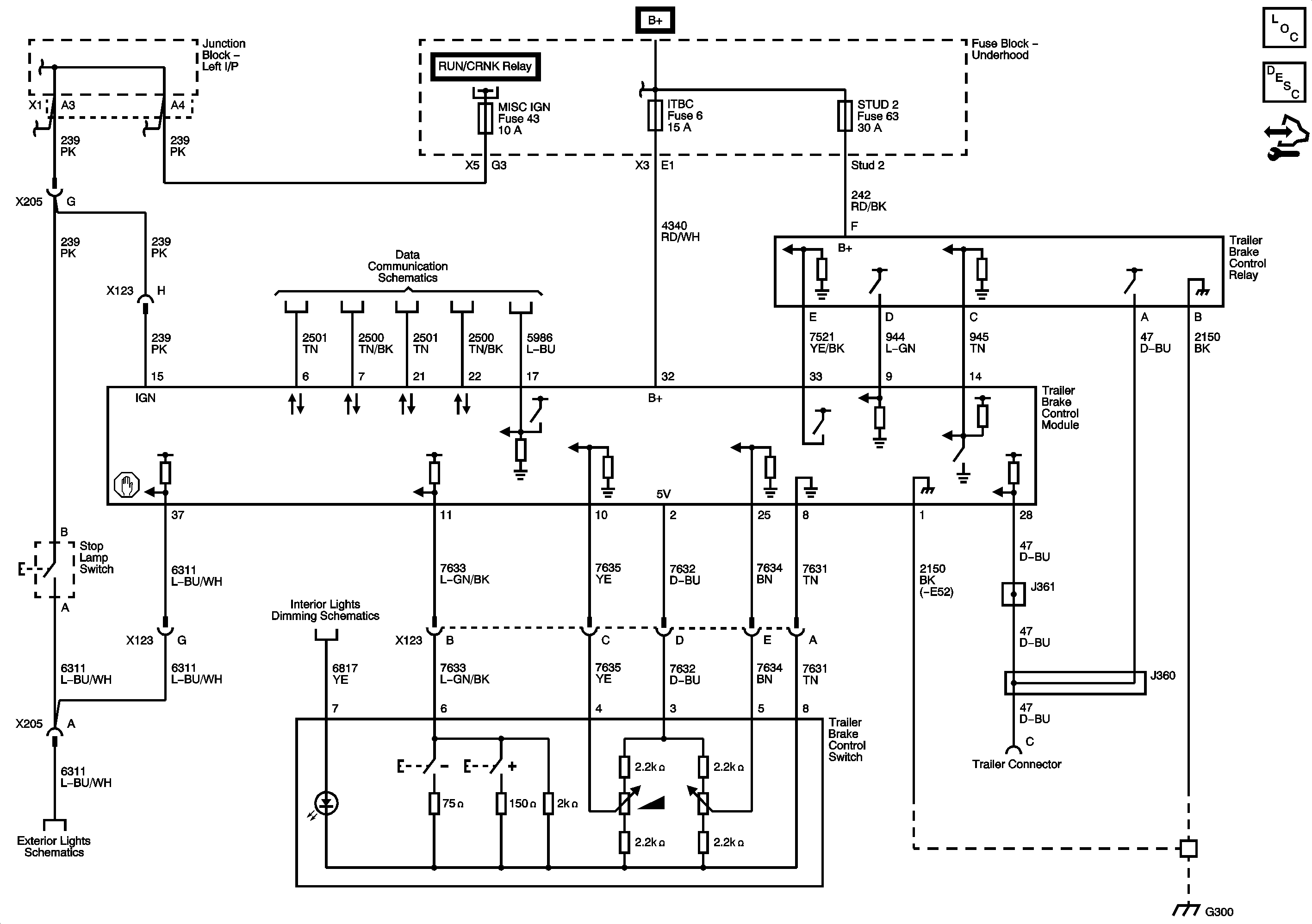
Figure
1:
Trailer Brake Control System - E52
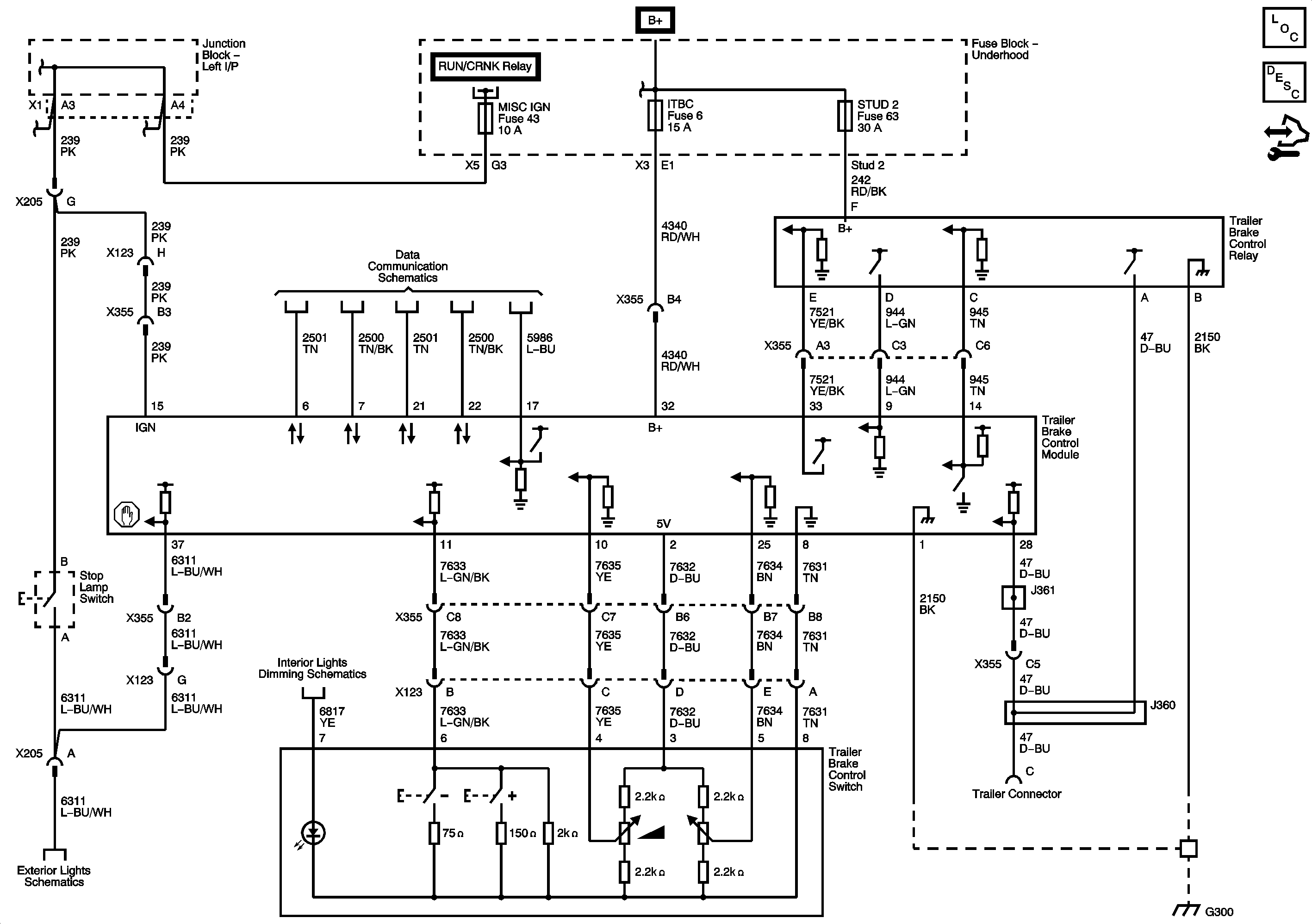
Figure
2:
Trailer Brake Control System - without E52