GM Service Manual Online
For 1990-2009 cars only
Makes
🢒
Cadillac
🢒
2009
🢒
Escalade EXT
🢒
Brakes
🢒
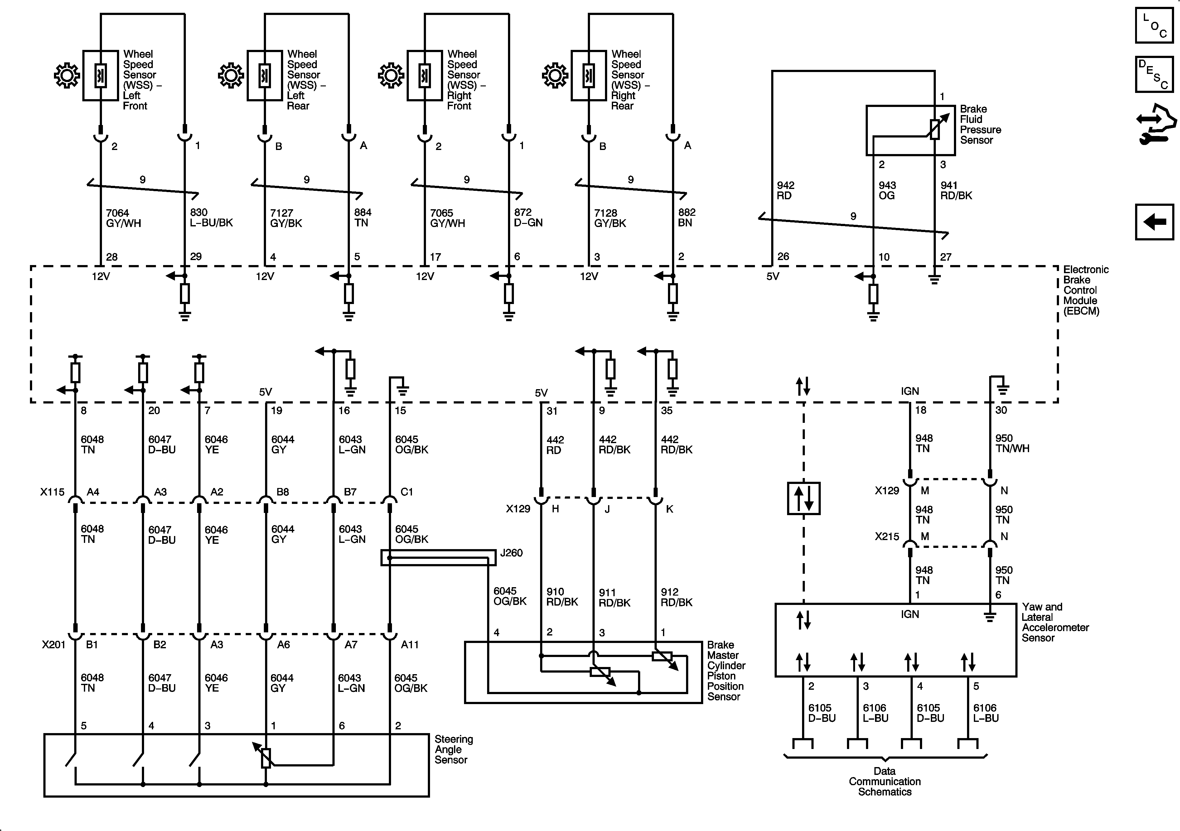
Antilock Brake System - Hybrid (HP2)
🢒 Antilock Brake System Schematics
Figure
1:
Module Power, Ground, and Serial Data, Pump Motor and Brake Switch - HP2
Figure
2:
Sensors - HP2