GM Service Manual Online
For 1990-2009 cars only
Makes
🢒
Cadillac
🢒
2009
🢒
Escalade EXT
🢒
Brakes
🢒
Antilock Brake System - Non-Hybrid Less than 3900 kg (8600 lb) GVW
🢒 Antilock Brake System Schematics
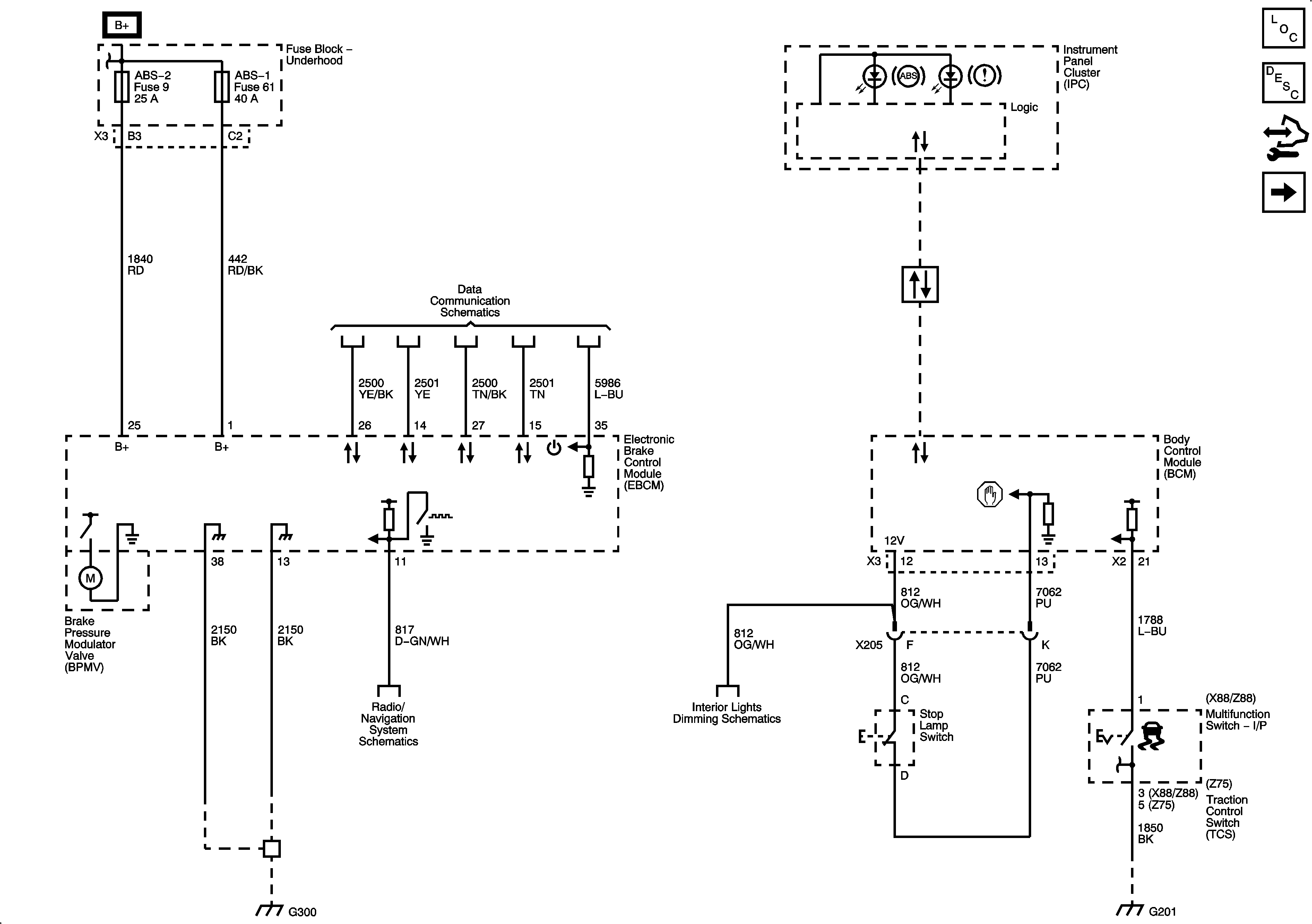
Figure
1:
Module Power, Ground, and Serial Data, Pump Motor and Brake Switch - JD9 Under 8600 GVW
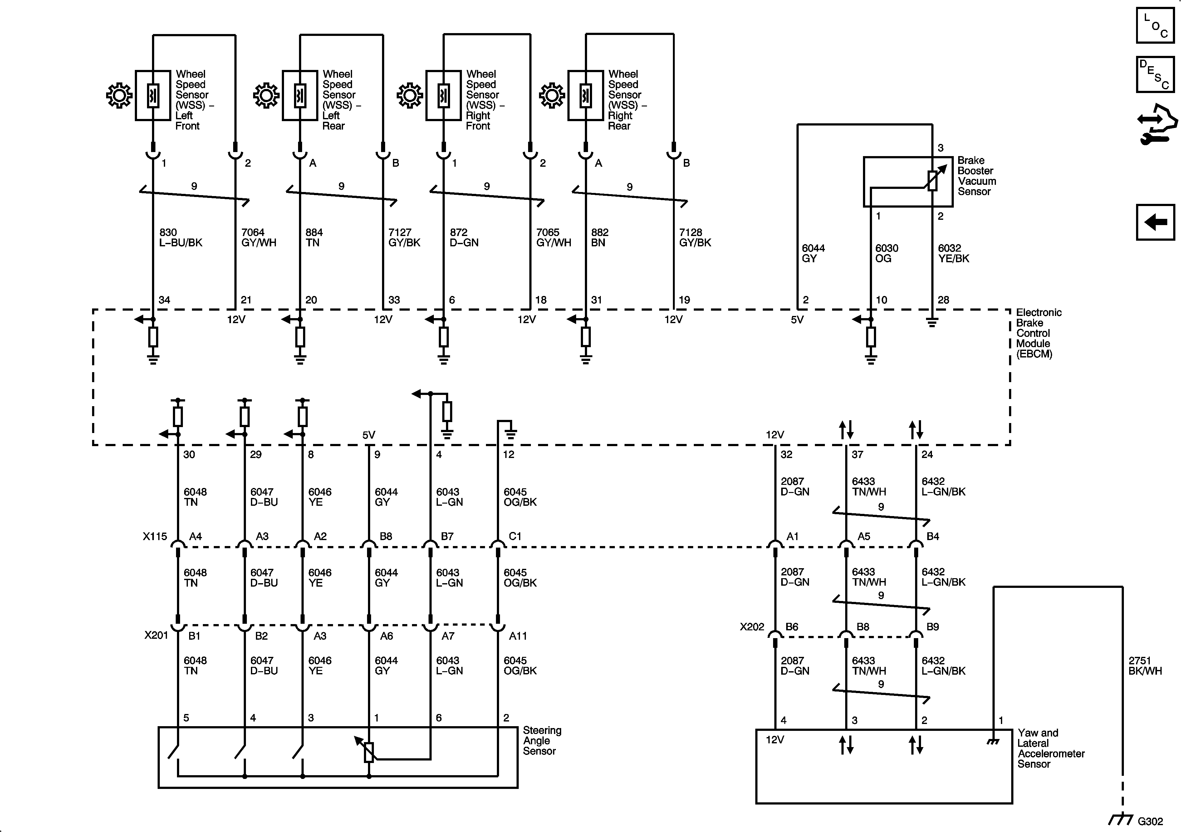
Figure
2:
Sensors - JD9 Under 8600 GVW