GM Service Manual Online
For 1990-2009 cars only

    Object Number: 2035534  Size: SH
  1. Remove all electrical connectors (1-6) from the electrical components.

  2. Object Number: 405022  Size: SH
  3. Remove the torque converter clutch pulse width modulation (TCC/PWM) retainer clip (395).
  4. Remove the TCC/PWM solenoid (396).

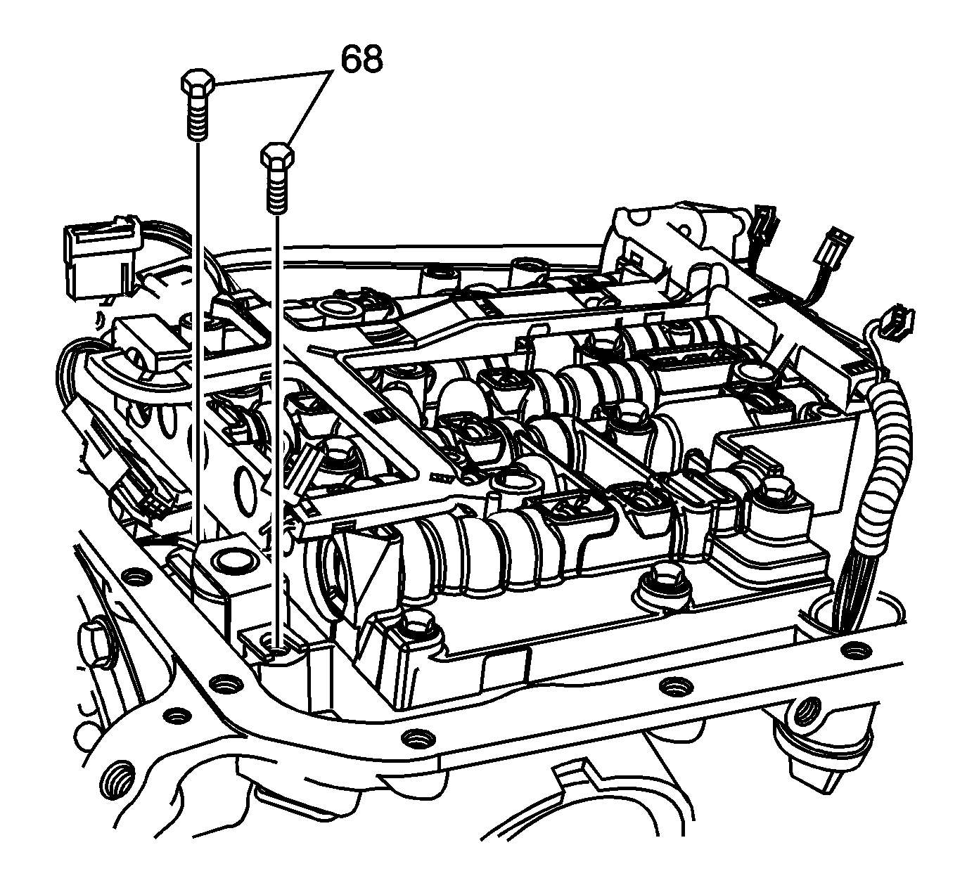
  5. Object Number: 2035536  Size: SH
  6. Remove the TCC solenoid bolts (68).

  7. Object Number: 2035537  Size: SH
  8. Remove the TCC solenoid and wiring harness (66). Turn the wiring harness over so that it hangs over the side of the transmission.

  9. Object Number: 2035540  Size: SH
  10. Remove the manual detent spring bolt (64).
  11. Remove the manual detent spring assembly (63).

  12. Object Number: 2035541  Size: SH
  13. Remove all valve body bolts (59, 62, 120).

  14. Object Number: 5449  Size: SH
  15. Lift the valve body carefully so that the checkballs remain on the spacer plate in the correct location. While lifting the valve body, disconnect the manual valve link (89) from the manual valve (340).

  16. Object Number: 2035542  Size: SH

    Caution: Do not use a magnet in order to remove the control valve body ball check valves. This may magnetize the control valve body ball check valves, causing metal particles to stick to them.

    Note: Some models do not use a #5 ball check valve.

  17. Remove the 7 valve body ball check valves (2-6, 8, and 12).

  18. Object Number: 1755940  Size: SH
  19. Remove the accumulator cover bolts (58, 59 or 117, 118).
  20. Remove the 1-2 accumulator cover and pin assembly (57) or 1-2 accumulator cover assembly (116), and gasket (114).
  21. Note: Some models do not use an outer 1-2 accumulator spring (54).

  22. Disassemble the 1-2 accumulator assembly (54, 56, 57, 104).

  23. Object Number: 1283236  Size: SH
  24. Remove the spacer plate support bolts (77).
  25. Remove the spacer plate support (53 or 113).

  26. Object Number: 1887647  Size: SH

    Note: Do not reuse the bonded spacer plate. Replace with a NEW bonded spacer plate.

  27. Remove the bonded valve body spacer plate (48), discard and do not reuse.

  28. Object Number: 829176  Size: SH

    Note: Some models do not use a 3-4 accumulator spring (46).

  29. Remove the 3-4 accumulator spring (46) and the 3-4 accumulator piston (44).

  30. Object Number: 5455  Size: SH

    Caution: Do not use a magnet in order to remove the control valve body ball check valves. This may magnetize the control valve body ball check valves, causing metal particles to stick to them.

  31. Remove the #1 case ball check valve.