GM Service Manual Online
For 1990-2009 cars only
Makes
🢒
Cadillac
🢒
2009
🢒
Escalade EXT
🢒
Transmission
🢒
Automatic Transmission - 4L60-E/4L65-E/4L70-E
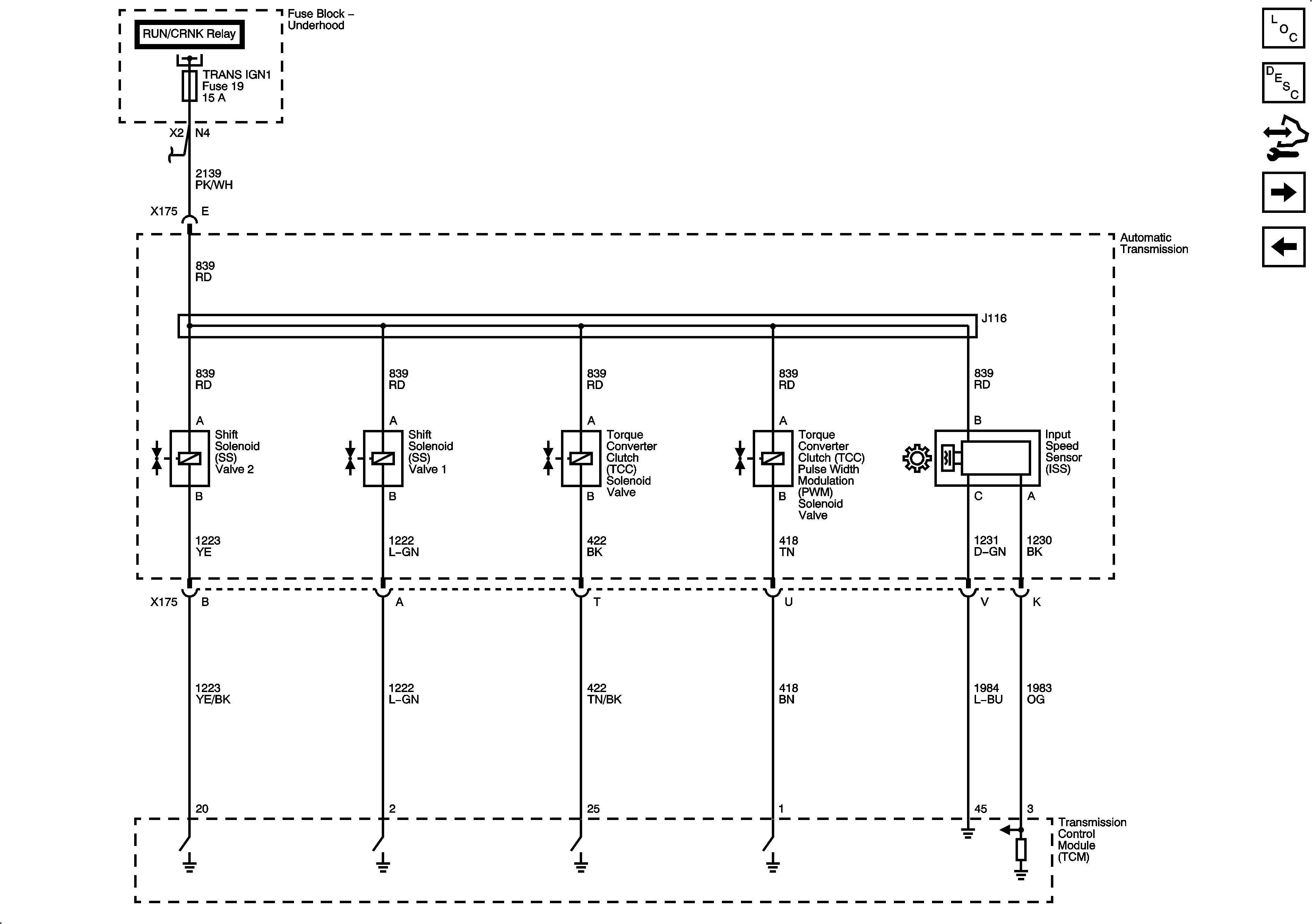
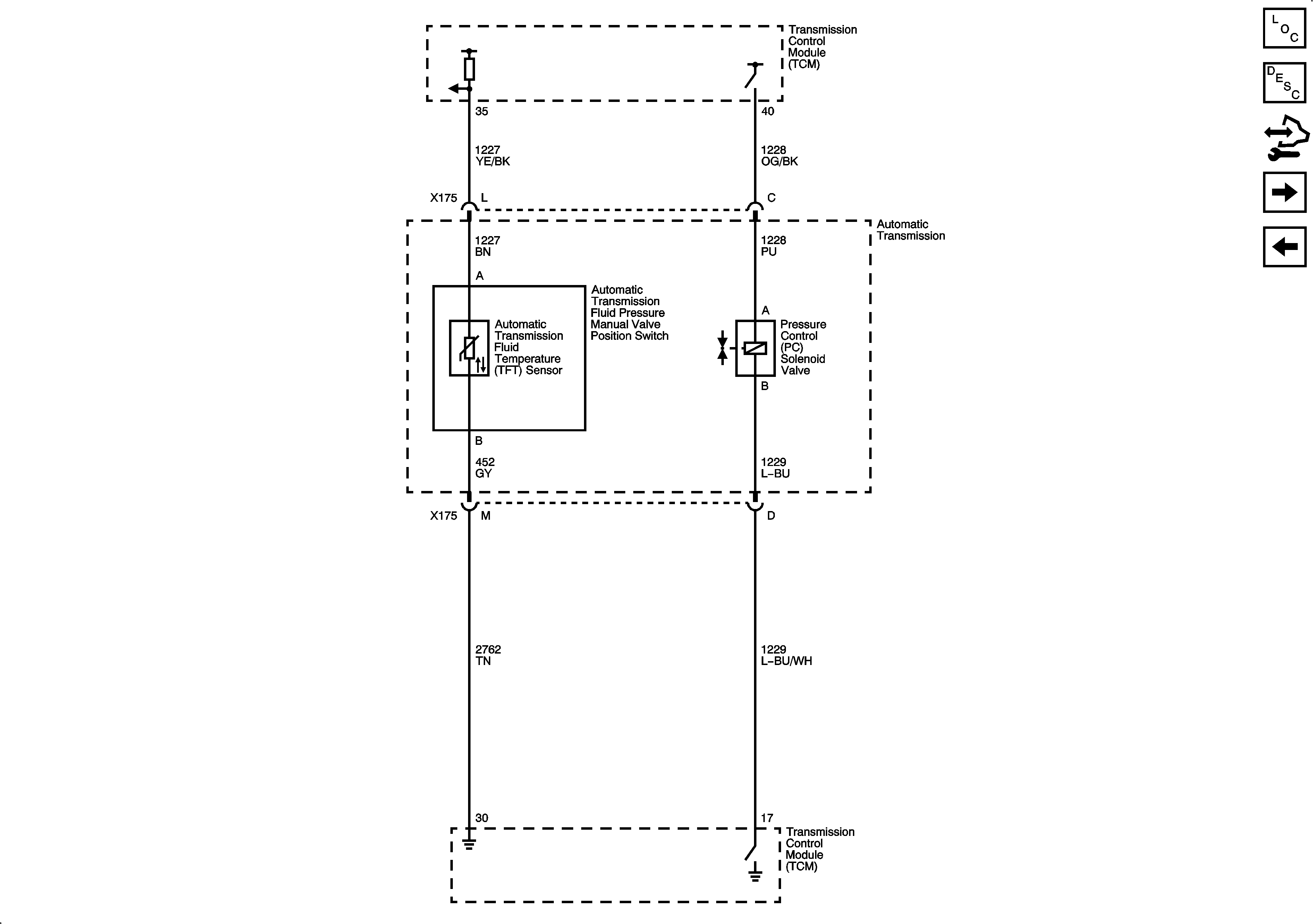
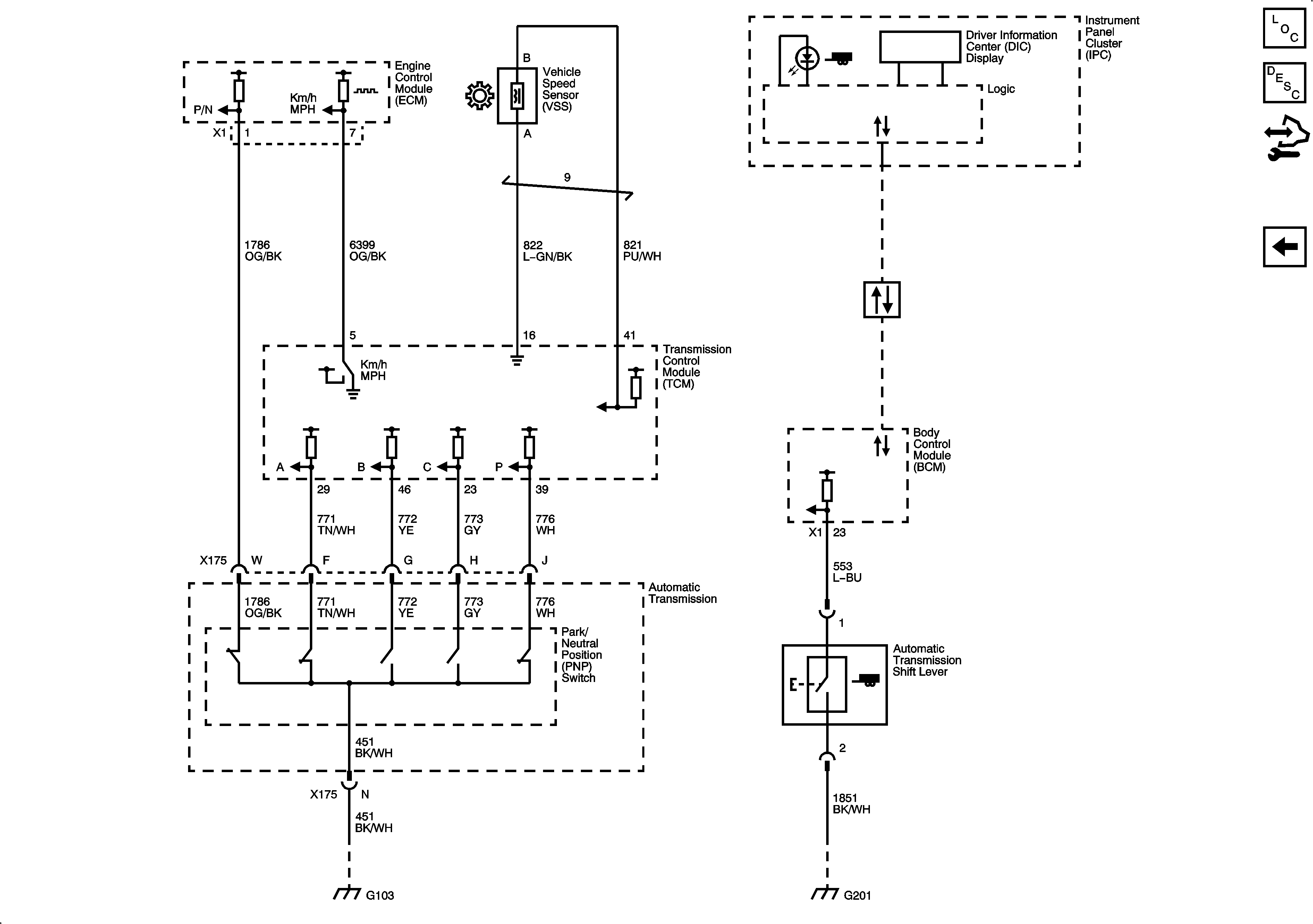
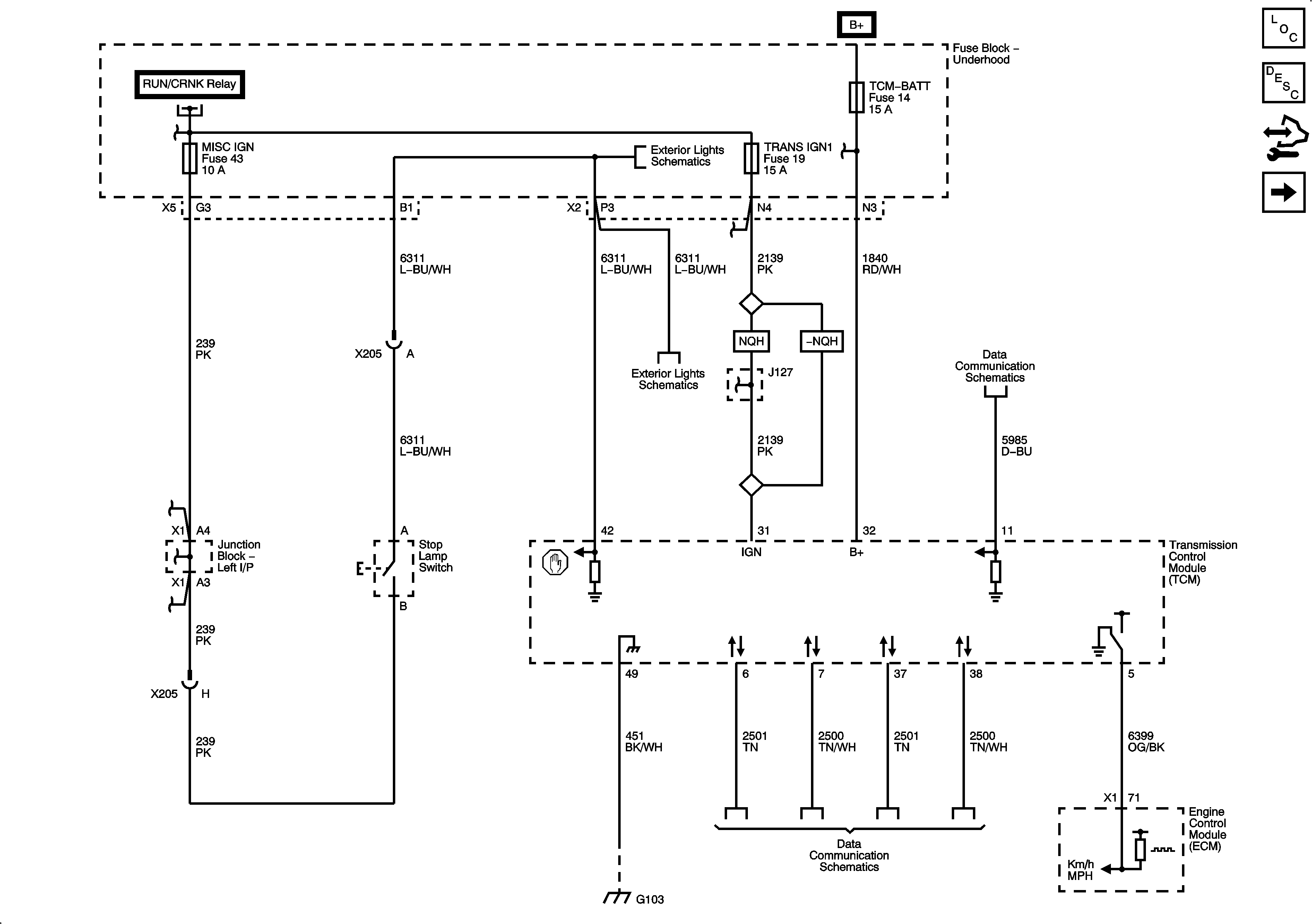
🢒 Automatic Transmission Controls Schematics
Figure
1:
Module Power, Ground, and Serial Data
Figure
2:
Shift Controls
Figure
3:
Pressure and Temperature Controls
Figure
4:
PNP Signals, VSS Signals, and Tow/Haul Signal