GM Service Manual Online
For 1990-2009 cars only
Figure 1:

Module Power, Ground, Serial Data and Stop Lamp Switch


Object Number: 2075013  Size: FS
Figure 2:

Pressure Controls - 1 of 2 and Shift Controls


Object Number: 2075016  Size: FS
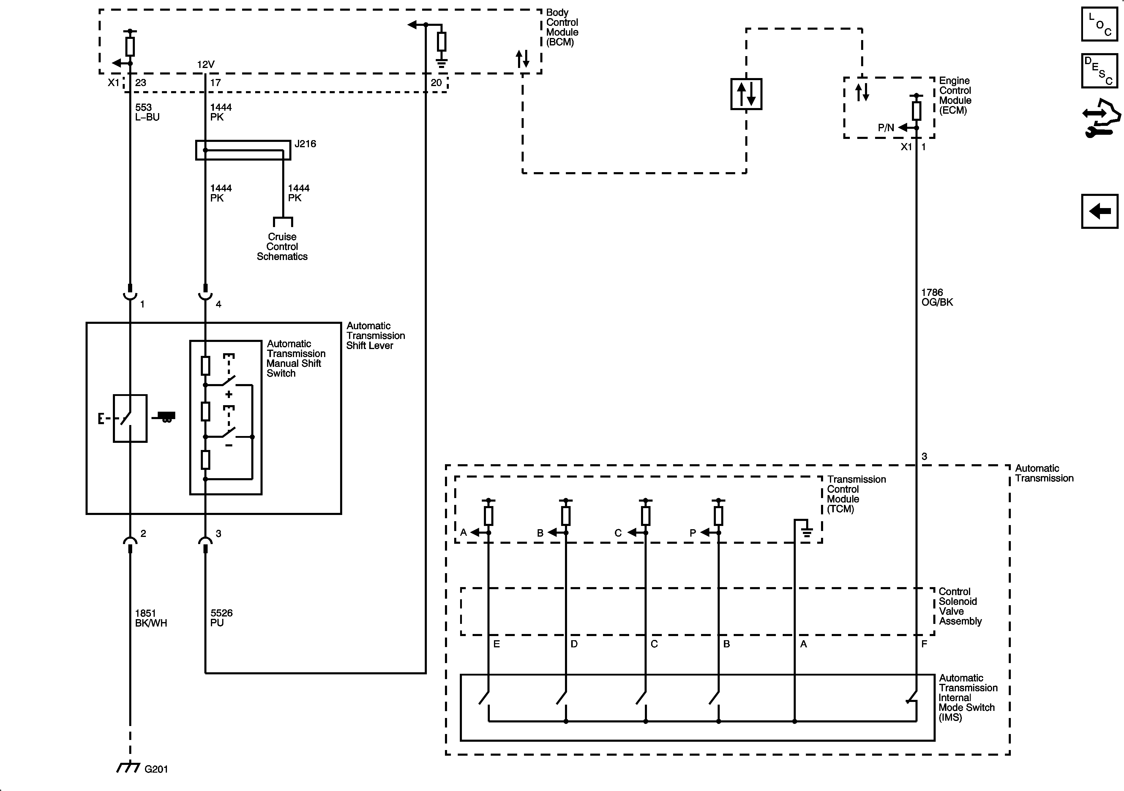
Figure 3:

Pressure Controls - 2 of 2 and Speed Sensors


Object Number: 2075018  Size: FS
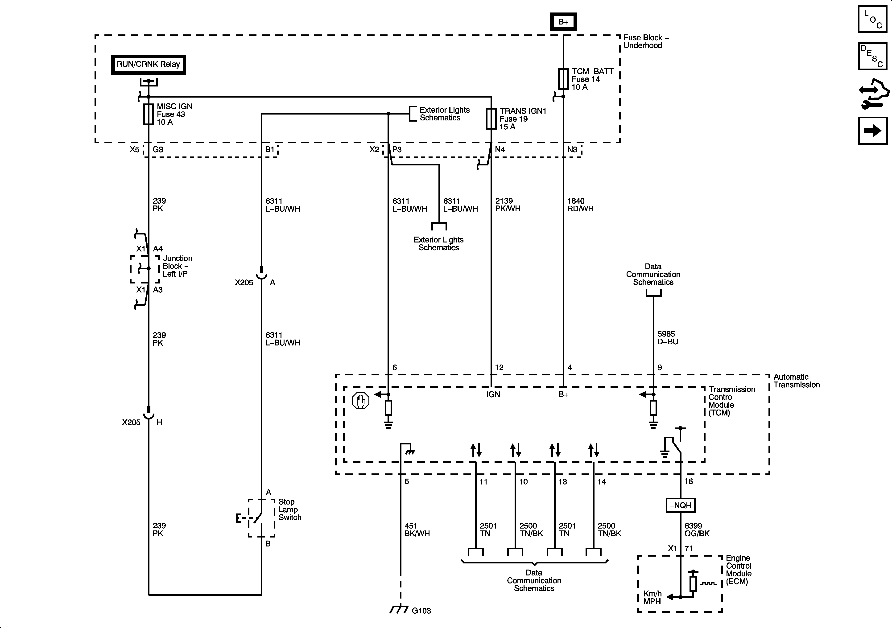
Figure 4:

Transmission Range Signals and Driver Shift Request


Object Number: 2075020  Size: FS