GM Service Manual Online
For 1990-2009 cars only
Makes
🢒
Cadillac
🢒
2009
🢒
Escalade EXT
🢒
Body Hardware and Trim
🢒
Interior Trim and Paneling
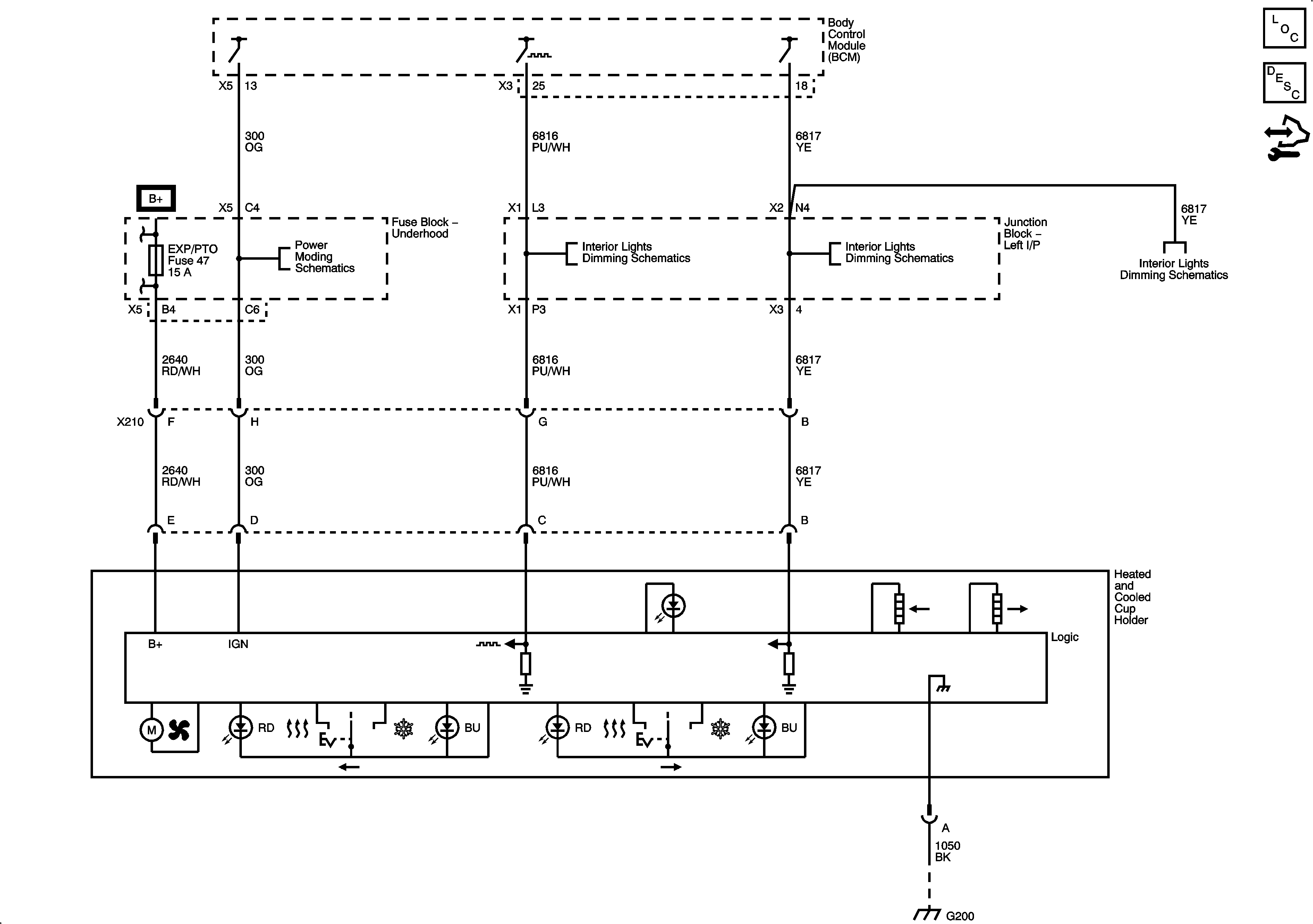
🢒 Heated/Cooled Cupholder Schematics
Heated and Cooled Cup Holder - ULT