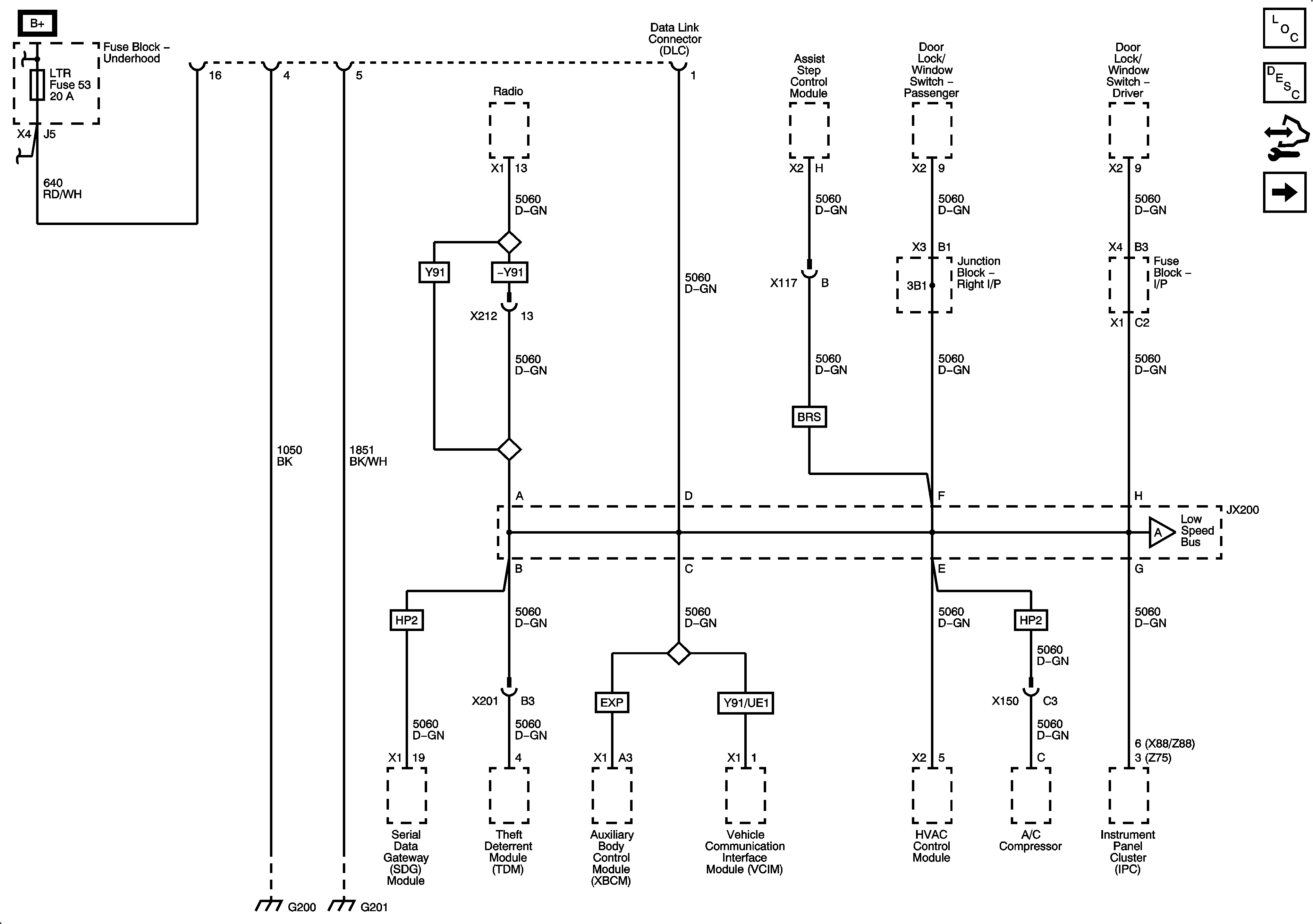
| Figure 1: |
Low Speed Bus - JX200 - 1 of 3
|
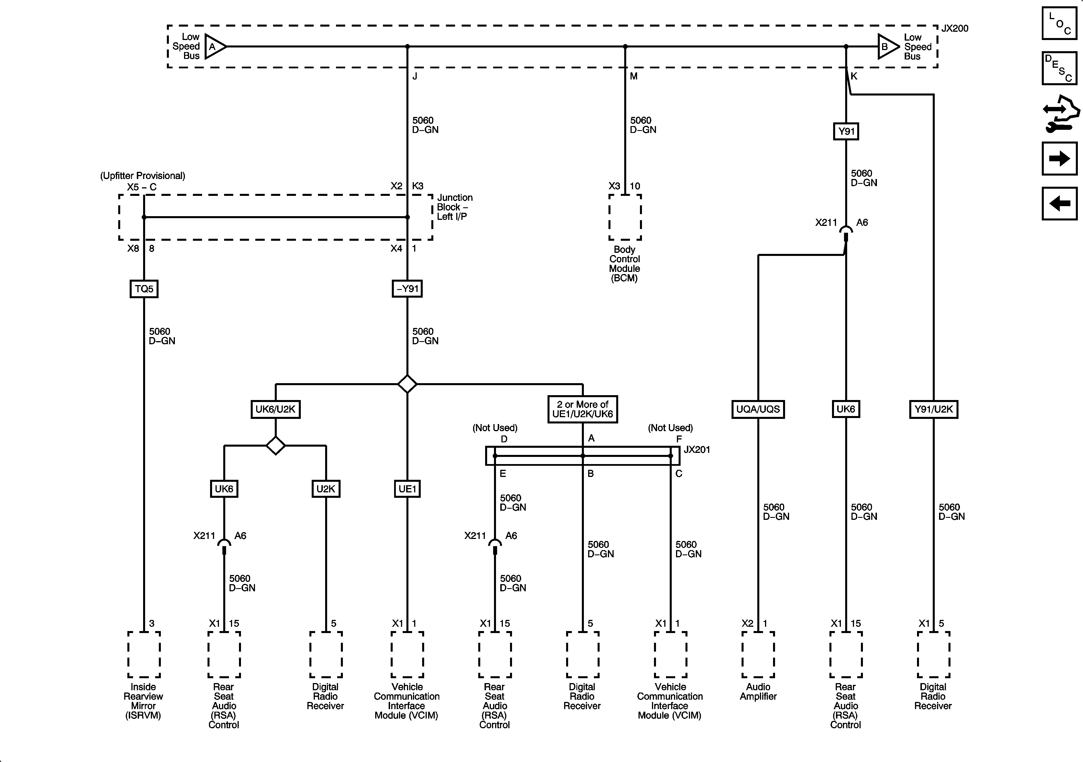
| Figure 2: |
Low Speed Bus - JX200 - 2 of 3
|
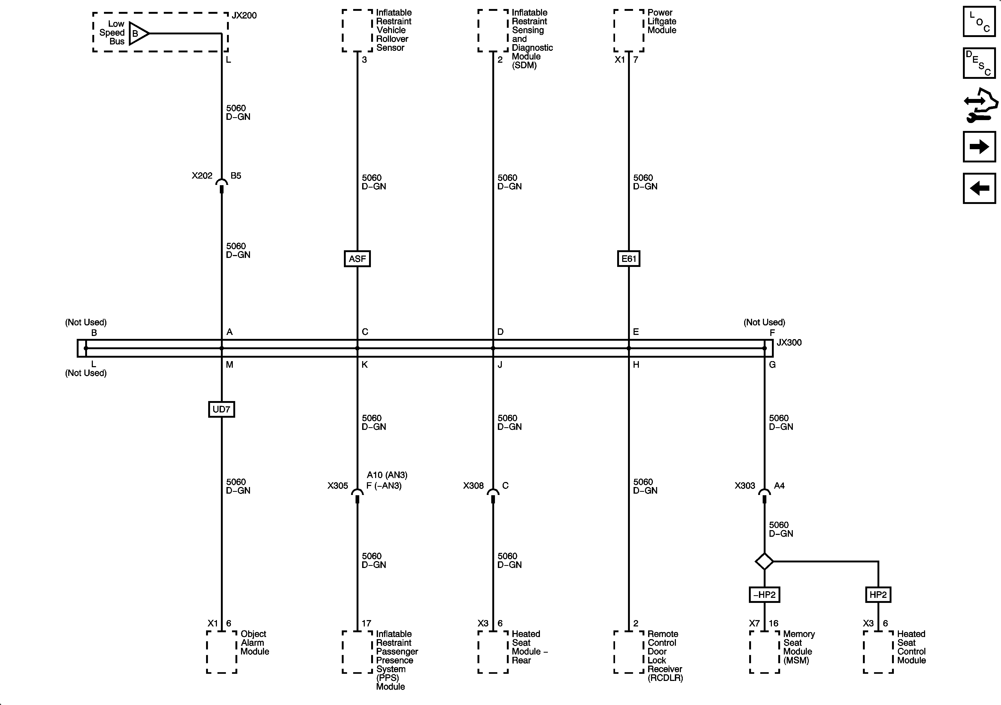
| Figure 3: |
Low Speed Bus - JX200 - 3 of 3 and JX300
|
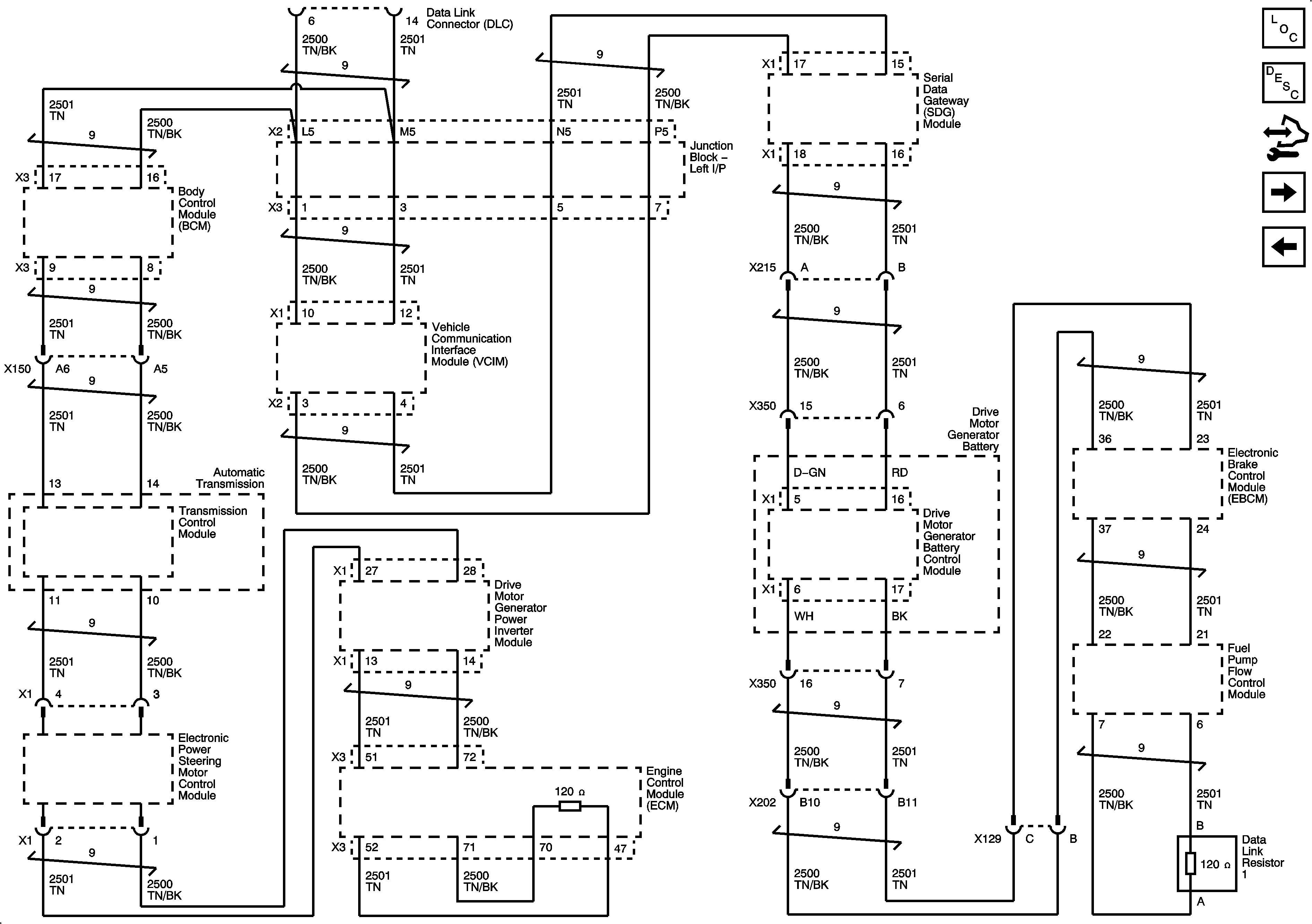
| Figure 4: |
High Speed Bus - 1 of 2
|
| Figure 5: |
High Speed Bus - 2 of 2
|
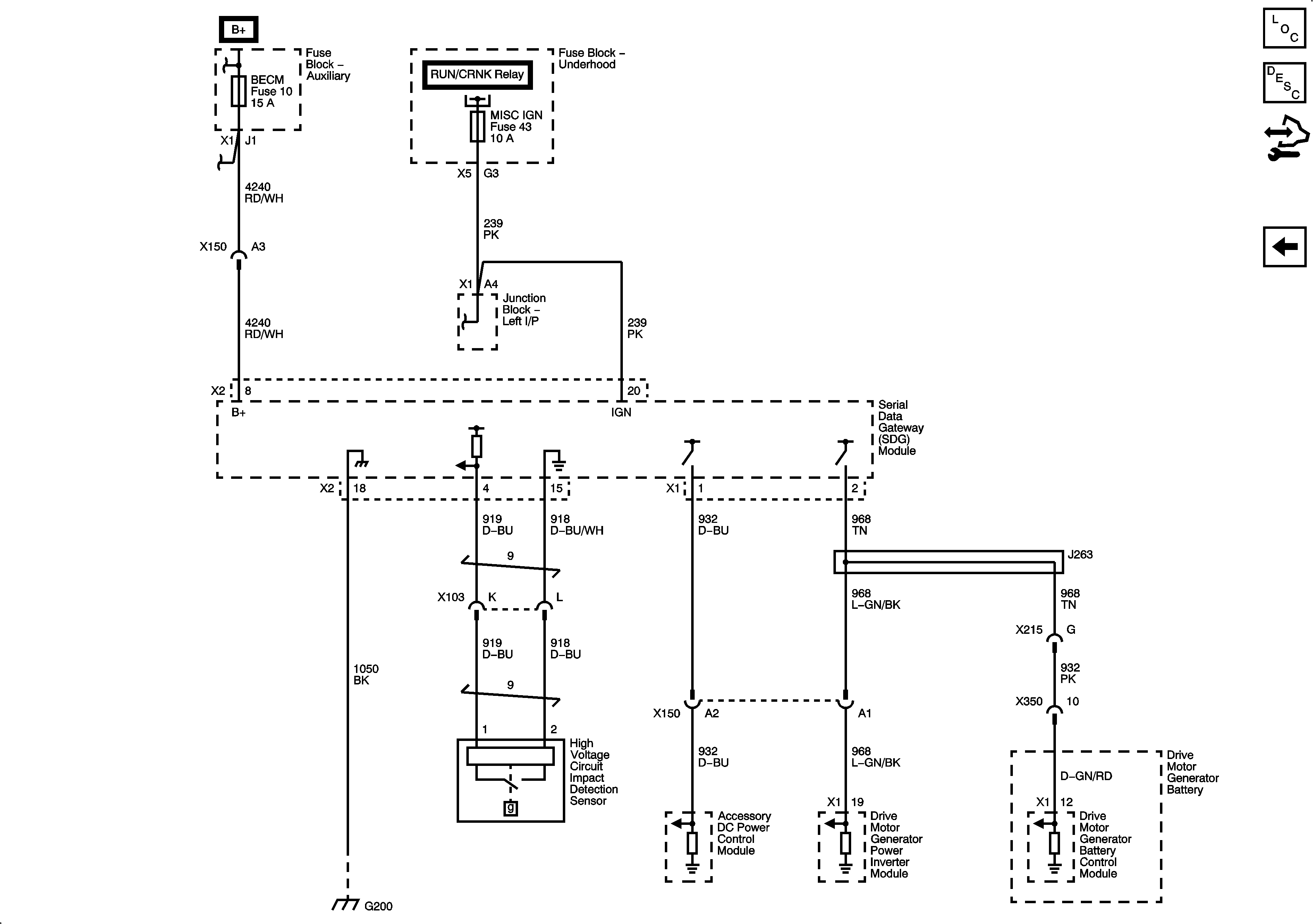
| Figure 6: |
Serial Data Communication Enable and Wake-up Circuits
|
| Figure 7: |
High Speed Bus (HP2)
|
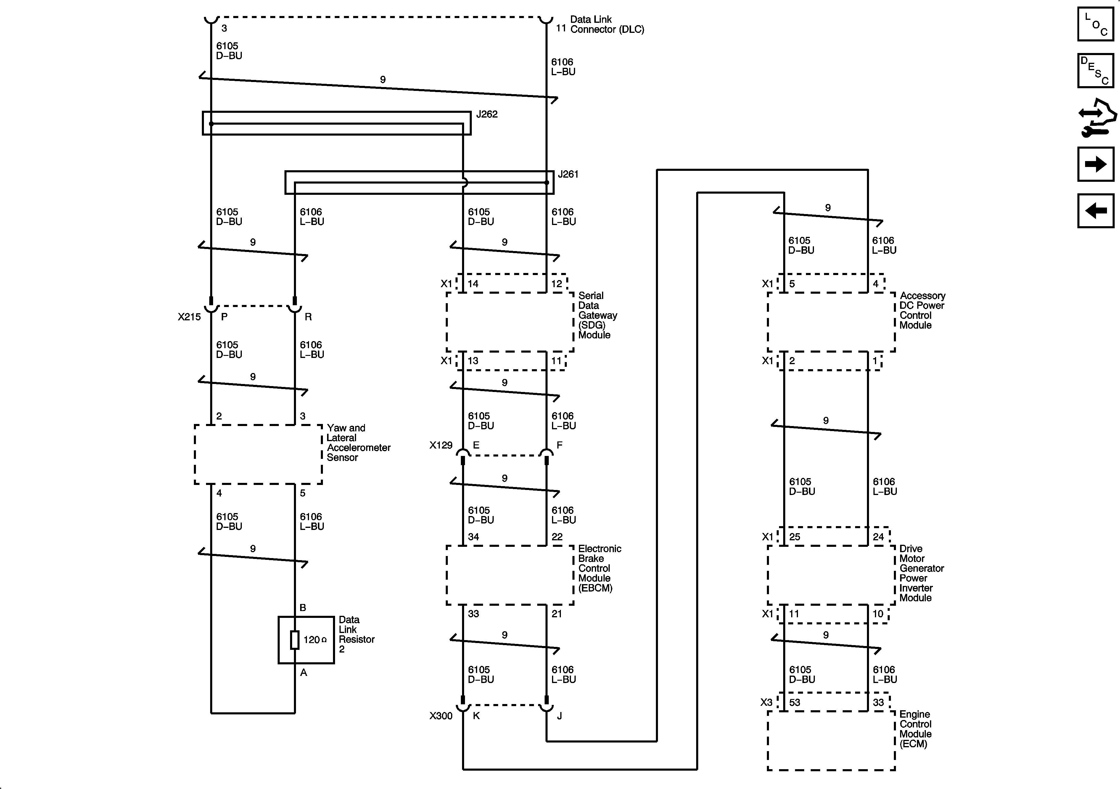
| Figure 8: |
Powertrain Expansion Bus (HP2)
|
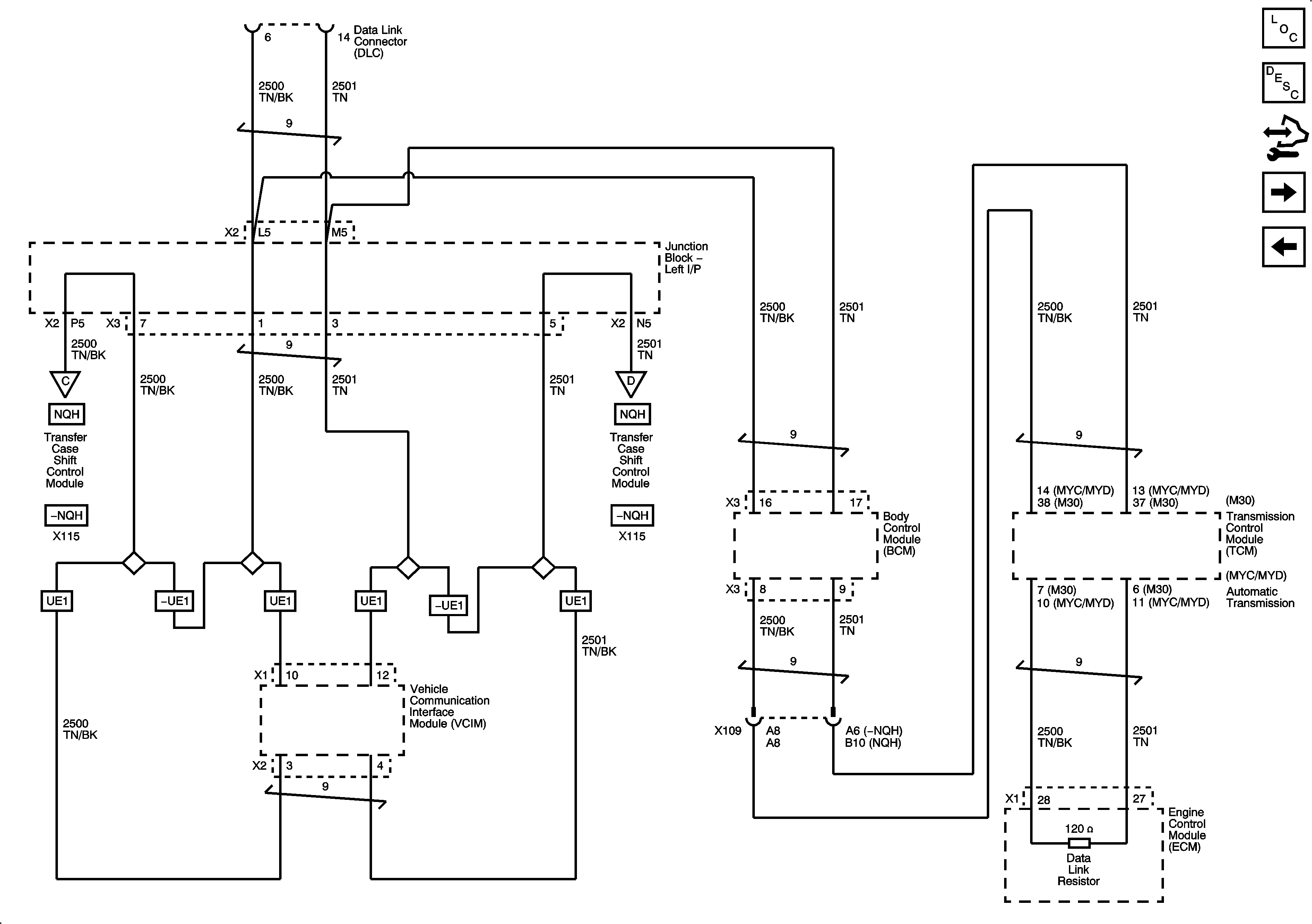
| Figure 9: |
Serial Data Gateway (SDG) Module (HP2)
|