GM Service Manual Online
For 1990-2009 cars only
Figure 1:

Power and Ground


Object Number: 2075211  Size: FS
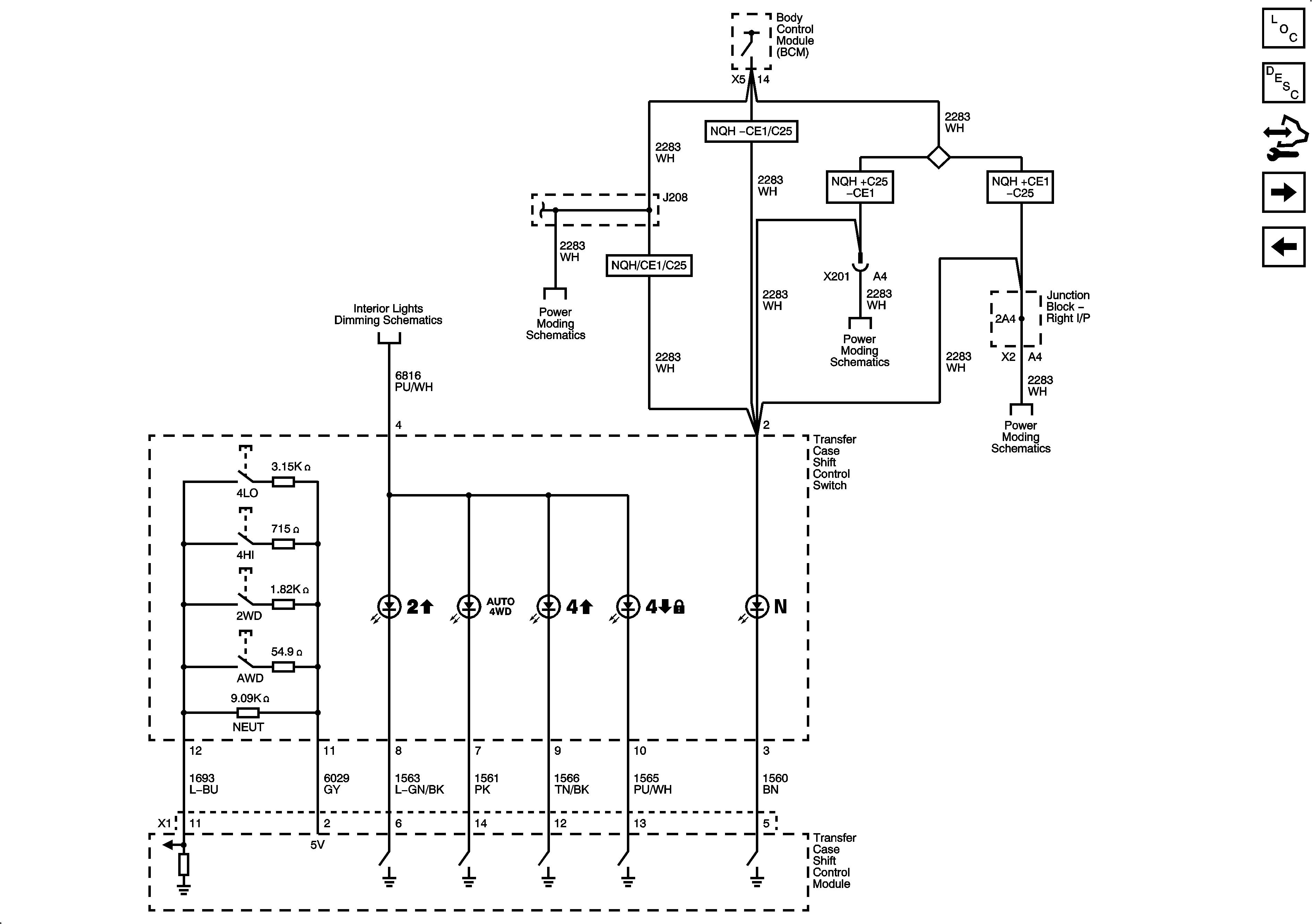
Figure 2:

Shift Control and Indicators


Object Number: 2075213  Size: FS
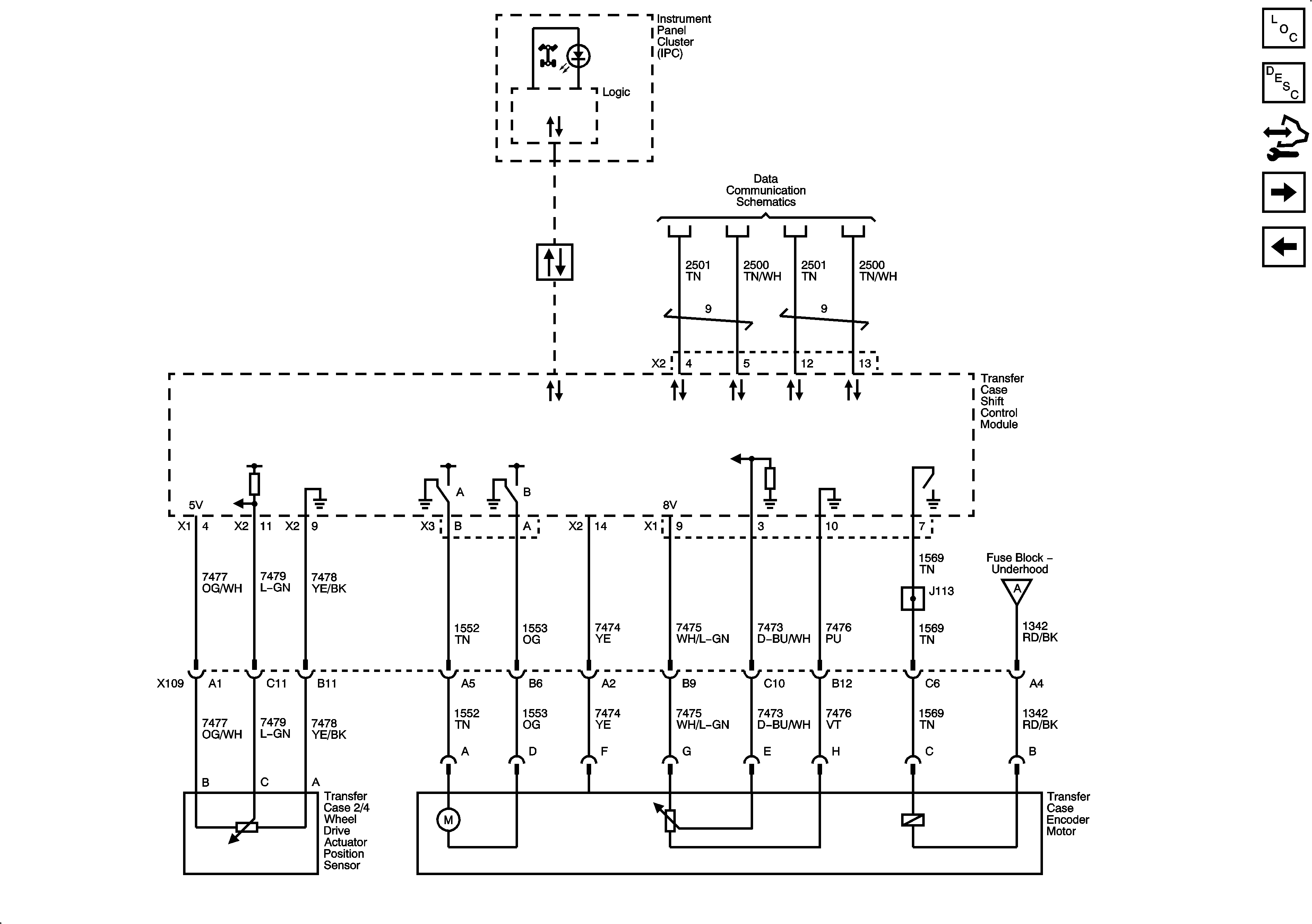
Figure 3:

Encoder Motor and Serial Data


Object Number: 2075218  Size: FS
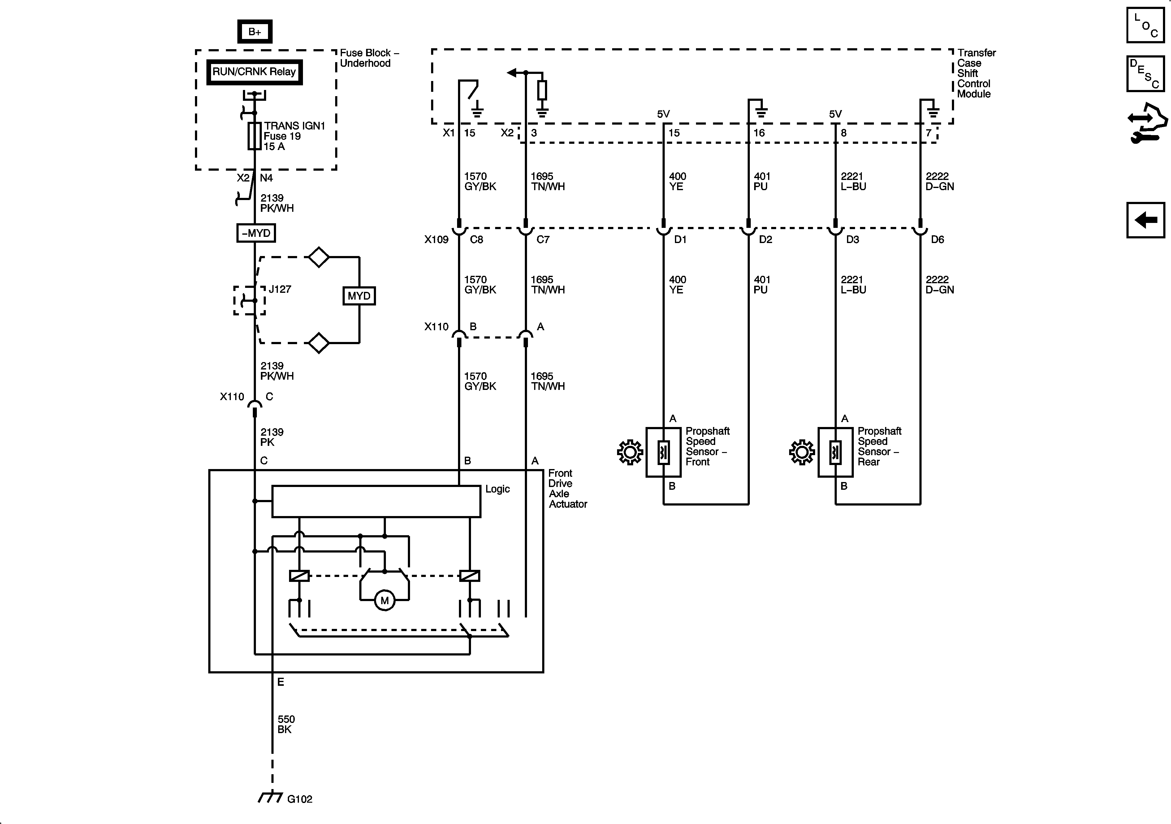
Figure 4:

Front Axle Actuator and Speed Sensors


Object Number: 2075220  Size: FS