GM Service Manual Online
For 1990-2009 cars only
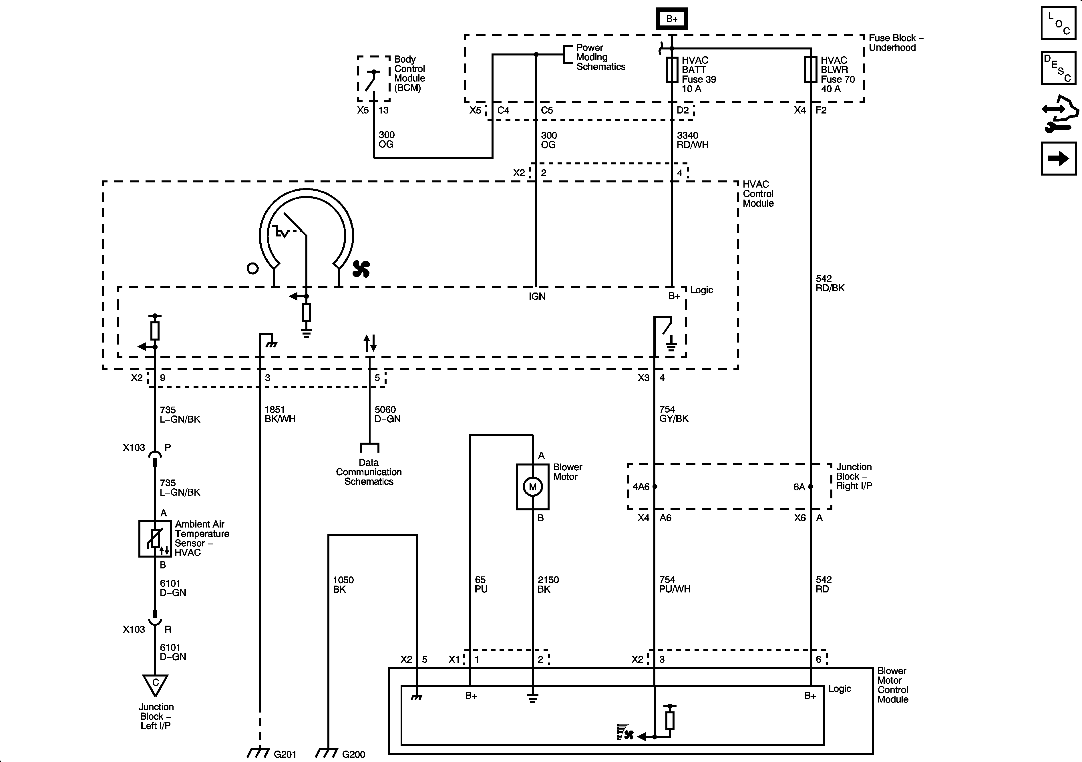
Figure 1:

Module Power, Ground, Serial Data, and Front Blower Control


Object Number: 2075049  Size: FS
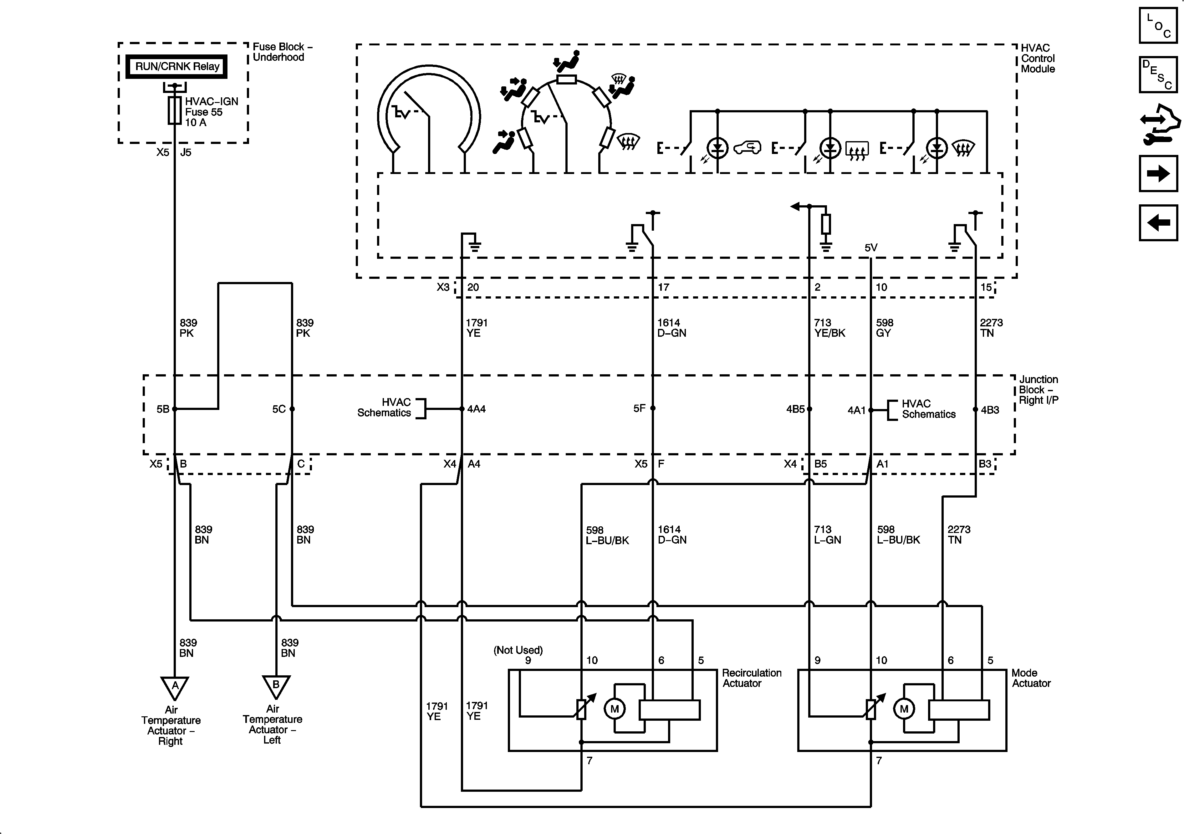
Figure 2:

Front Mode Controls


Object Number: 2075051  Size: FS
Figure 3:

Front Temperature Controls


Object Number: 2075053  Size: FS
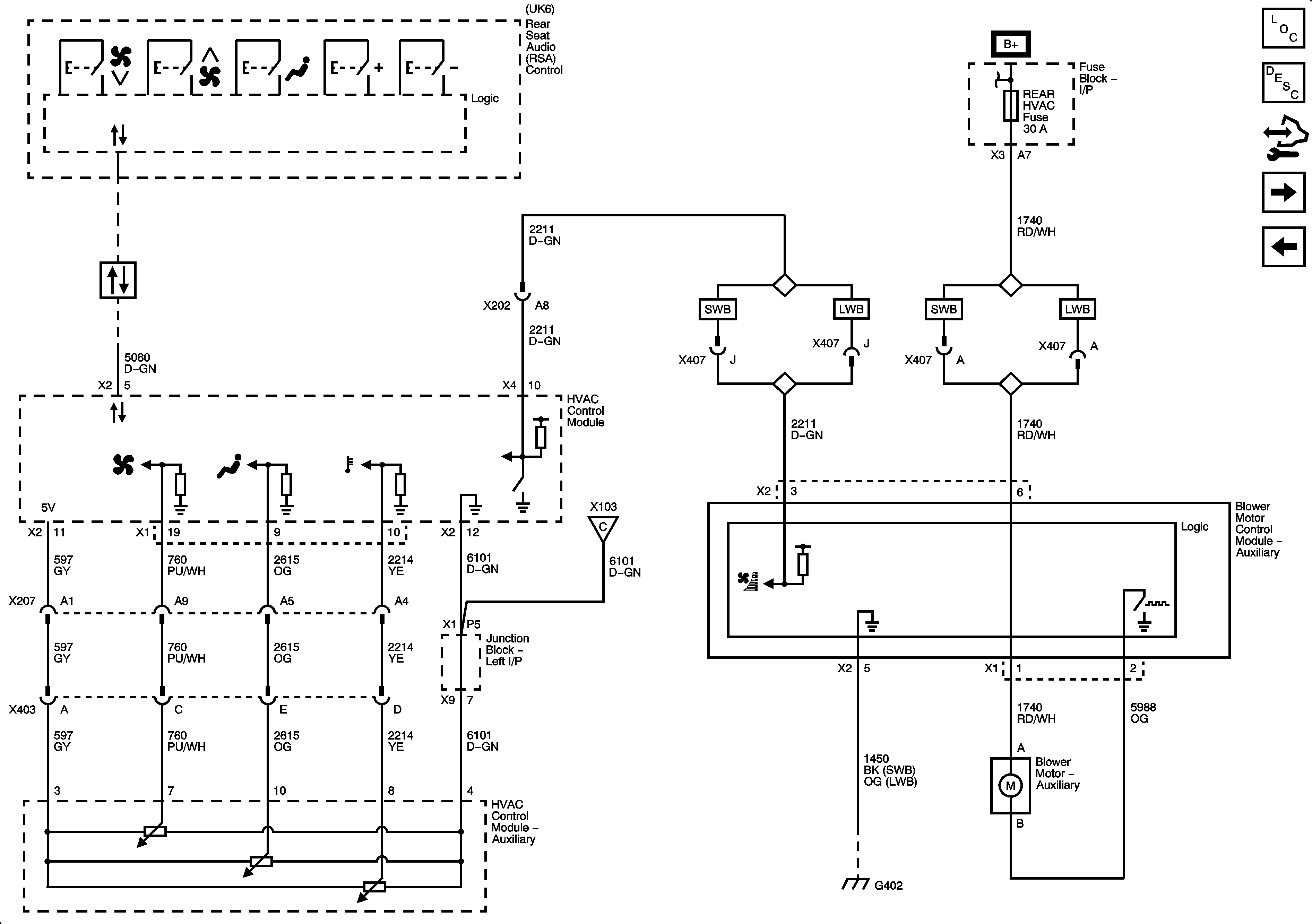
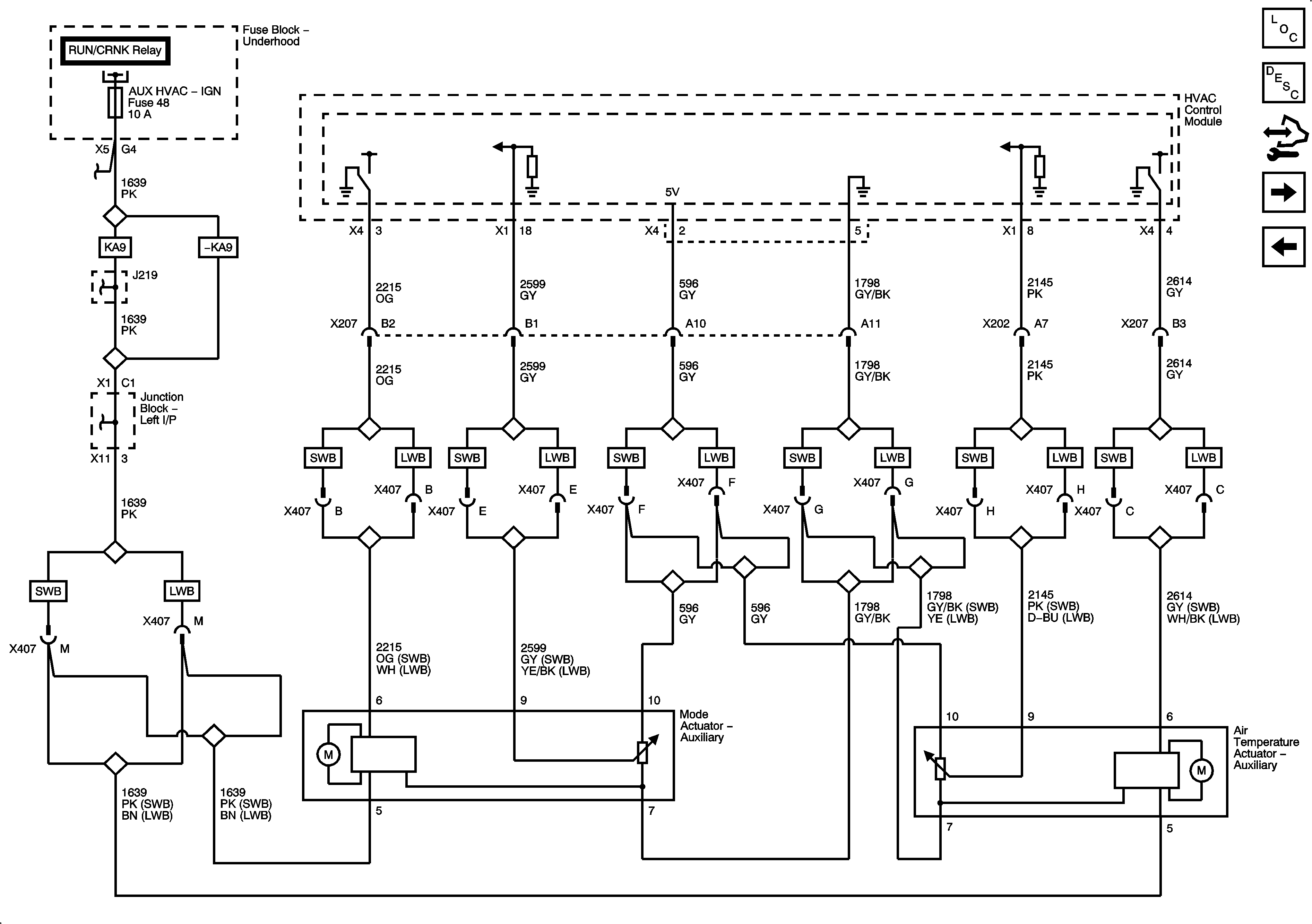
Figure 4:

Auxiliary Blower Controls


Object Number: 2075055  Size: FS
Figure 5:

Auxiliary Temperature Controls


Object Number: 2075057  Size: FS
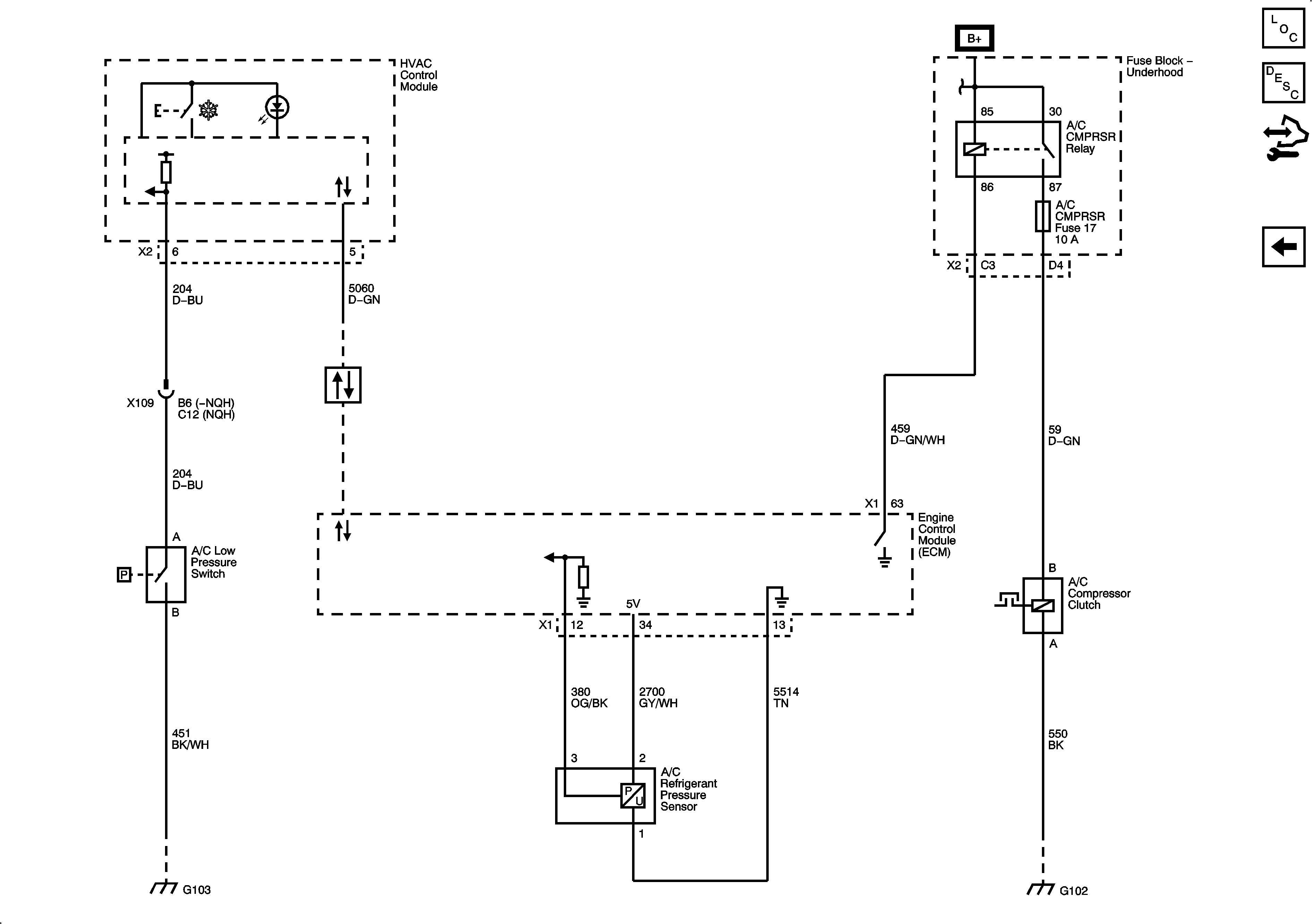
Figure 6:

A/C Compressor Controls


Object Number: 2075059  Size: FS