GM Service Manual Online
For 1990-2009 cars only
Makes
🢒
Cadillac
🢒
2008
🢒
SLS
🢒
Engine
🢒
Cruise Control
🢒 Cruise Control Schematics
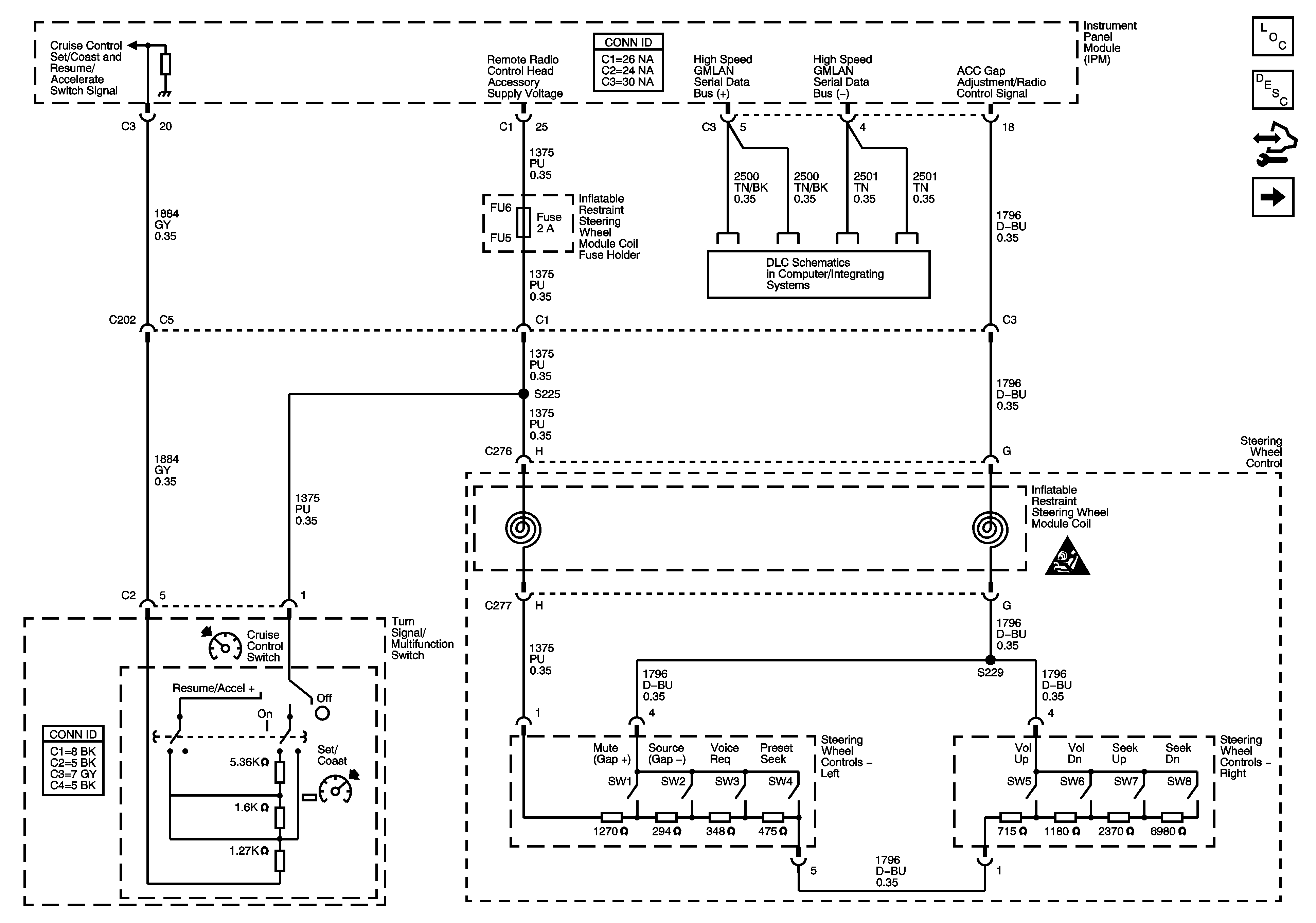
Figure
1:
Cruise Control Switch and Steering Wheel Control
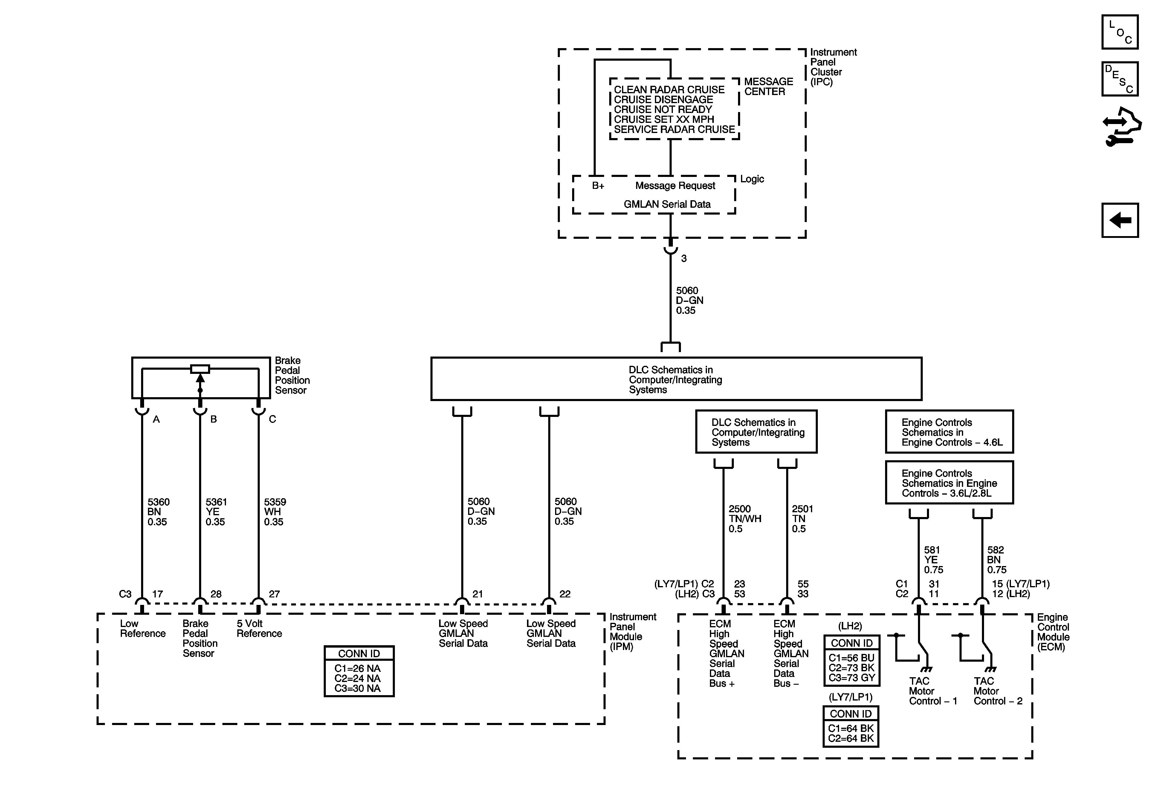
Figure
2:
DLC and Brake Pedal Position Sensor