GM Service Manual Online
For 1990-2009 cars only
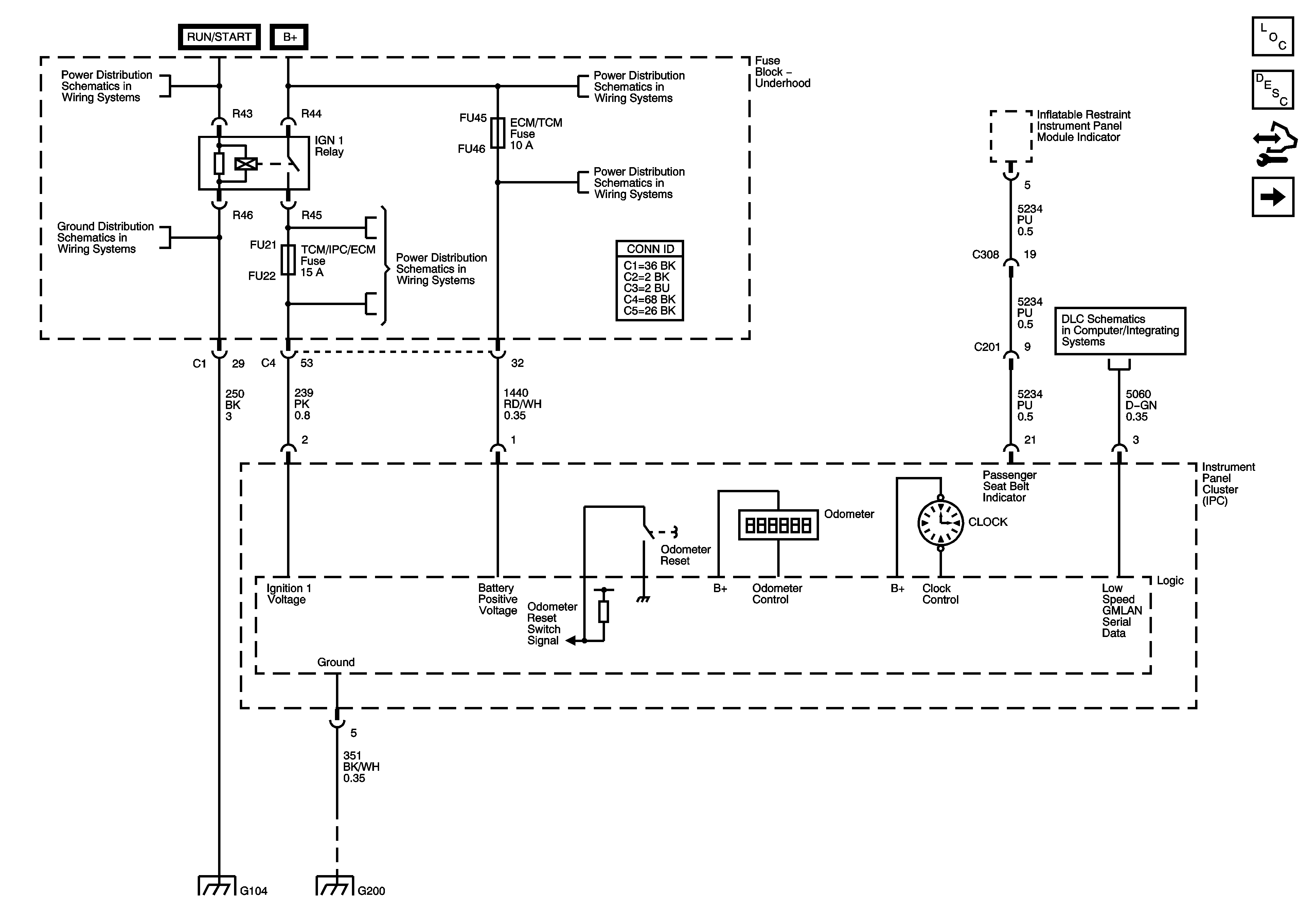
Figure 1:

Power, Ground, DLC, Odometer and Clock


Object Number: 2013509  Size: FS
Figure 2:

Indicators


Object Number: 2013510  Size: FS
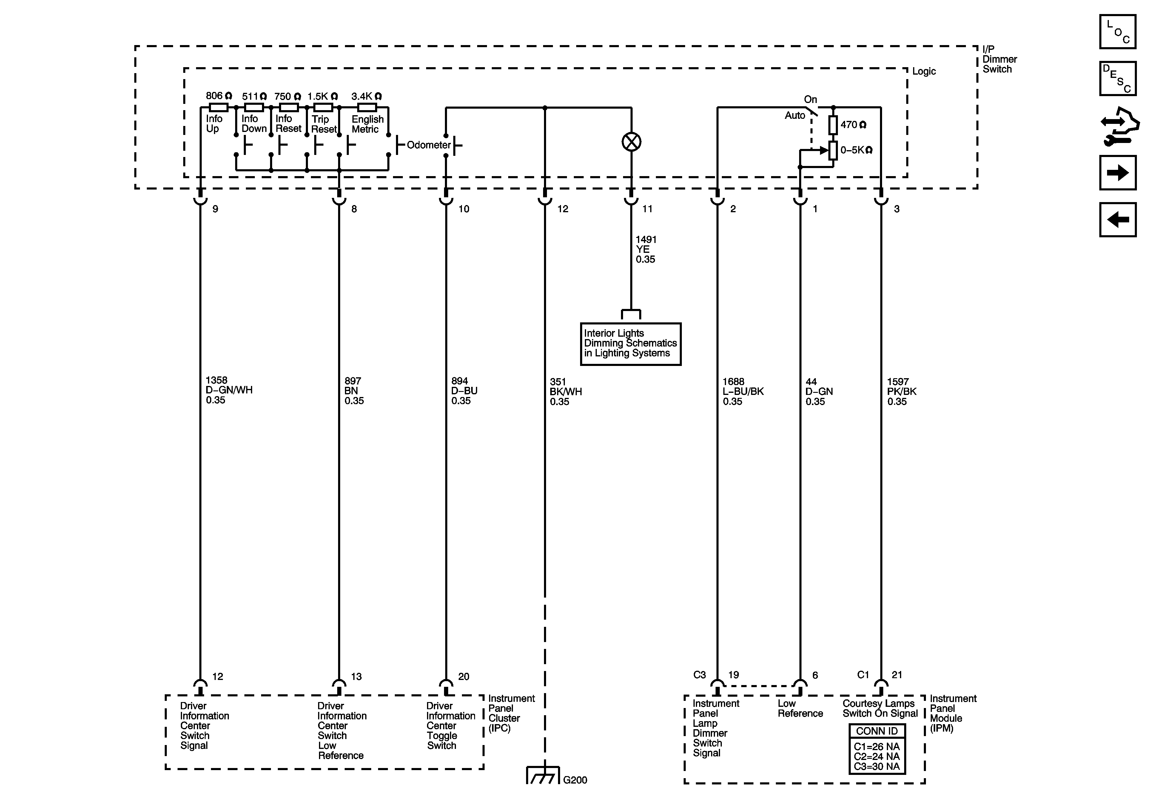
Figure 3:

DIC/Dimmer Switch


Object Number: 2013511  Size: FS
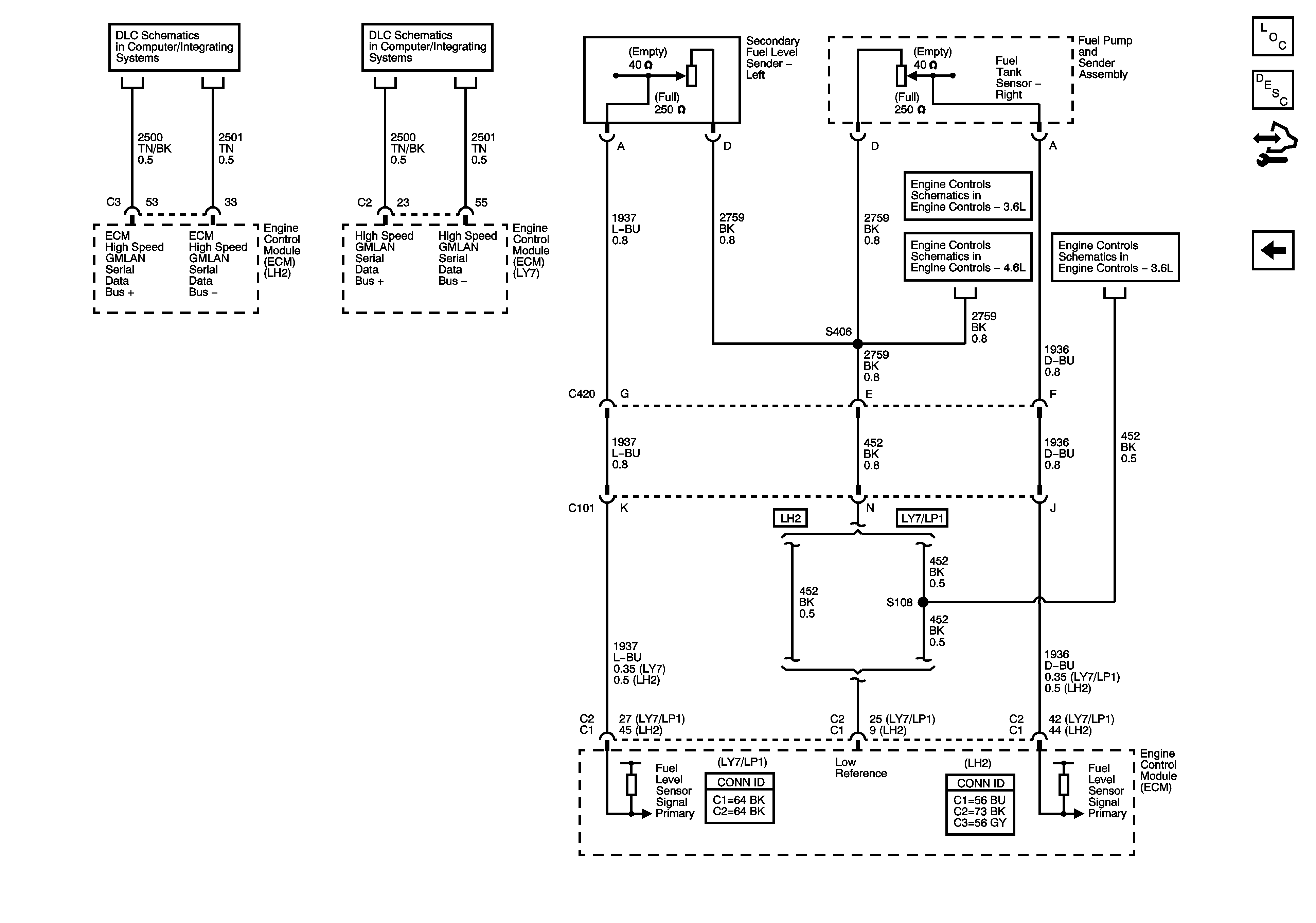
Figure 4:

Fuel Gage Sensors


Object Number: 2013513  Size: FS