GM Service Manual Online
For 1990-2009 cars only
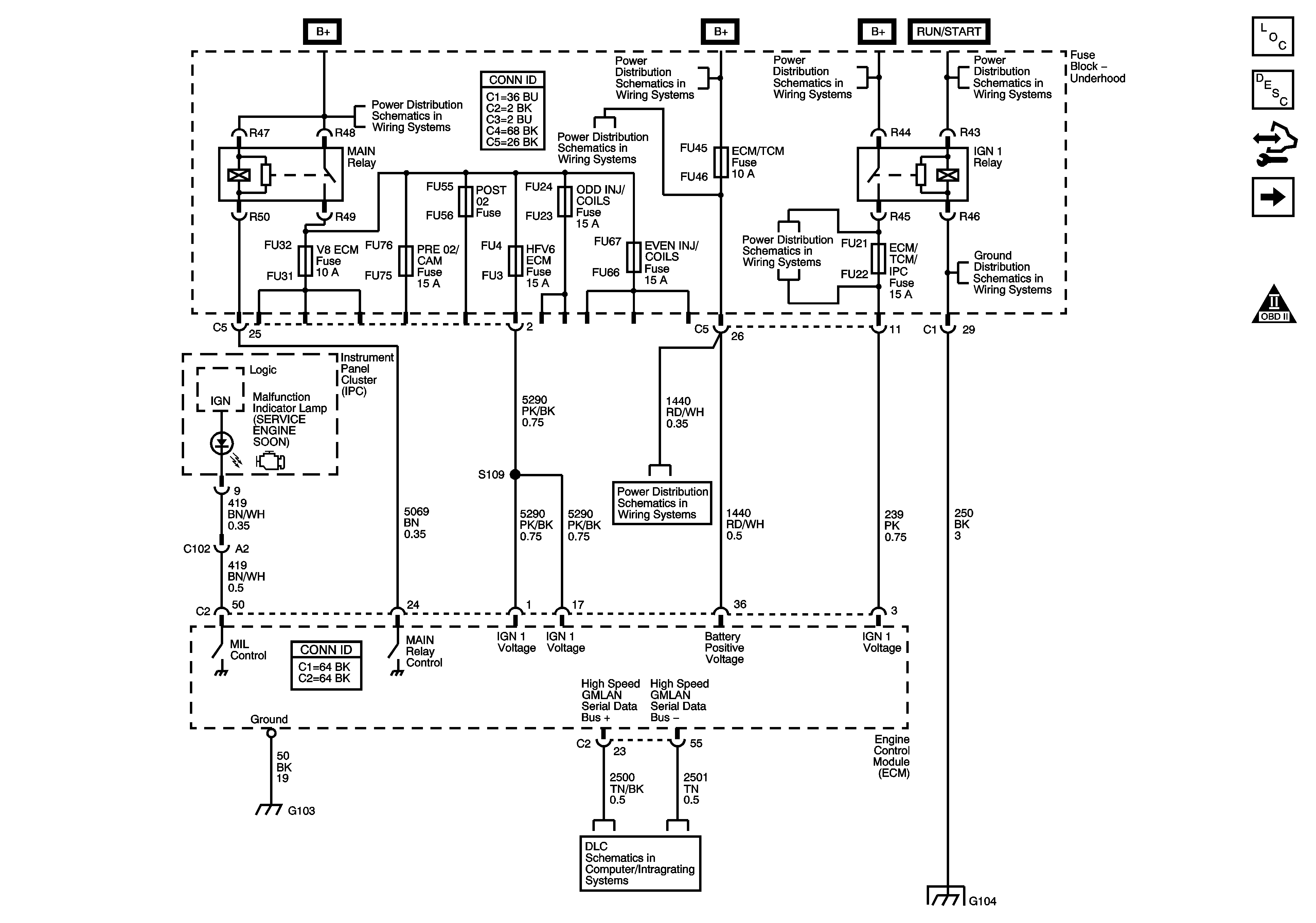
Figure 1:

ECM Power, Ground, Serial Data, and MIL


Object Number: 2009978  Size: FS
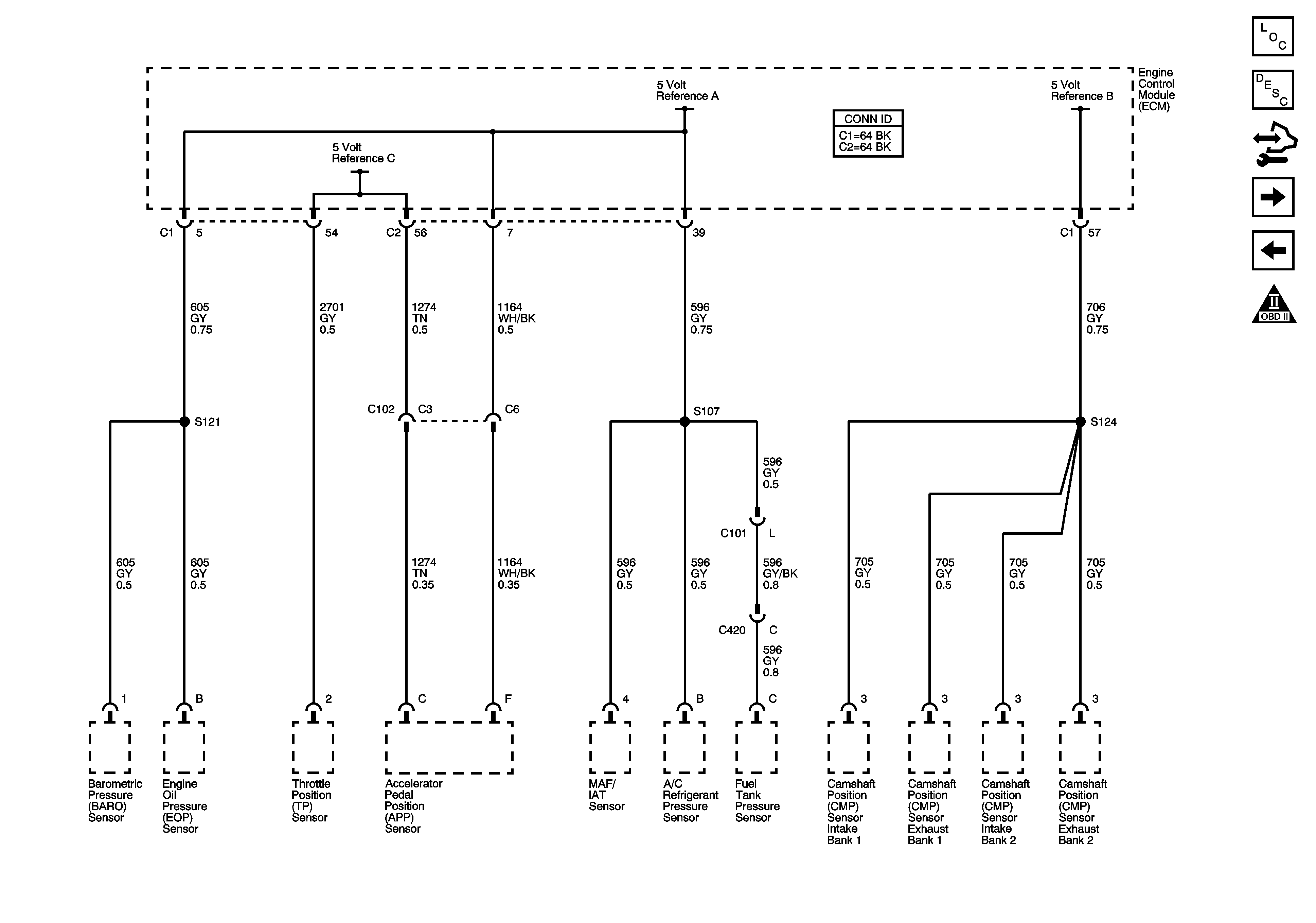
Figure 2:

Engine Data Sensors - 5-Volt Reference Bus


Object Number: 2009979  Size: FS
Figure 3:

Engine Data Sensors - Low Reference Bus


Object Number: 2009981  Size: FS
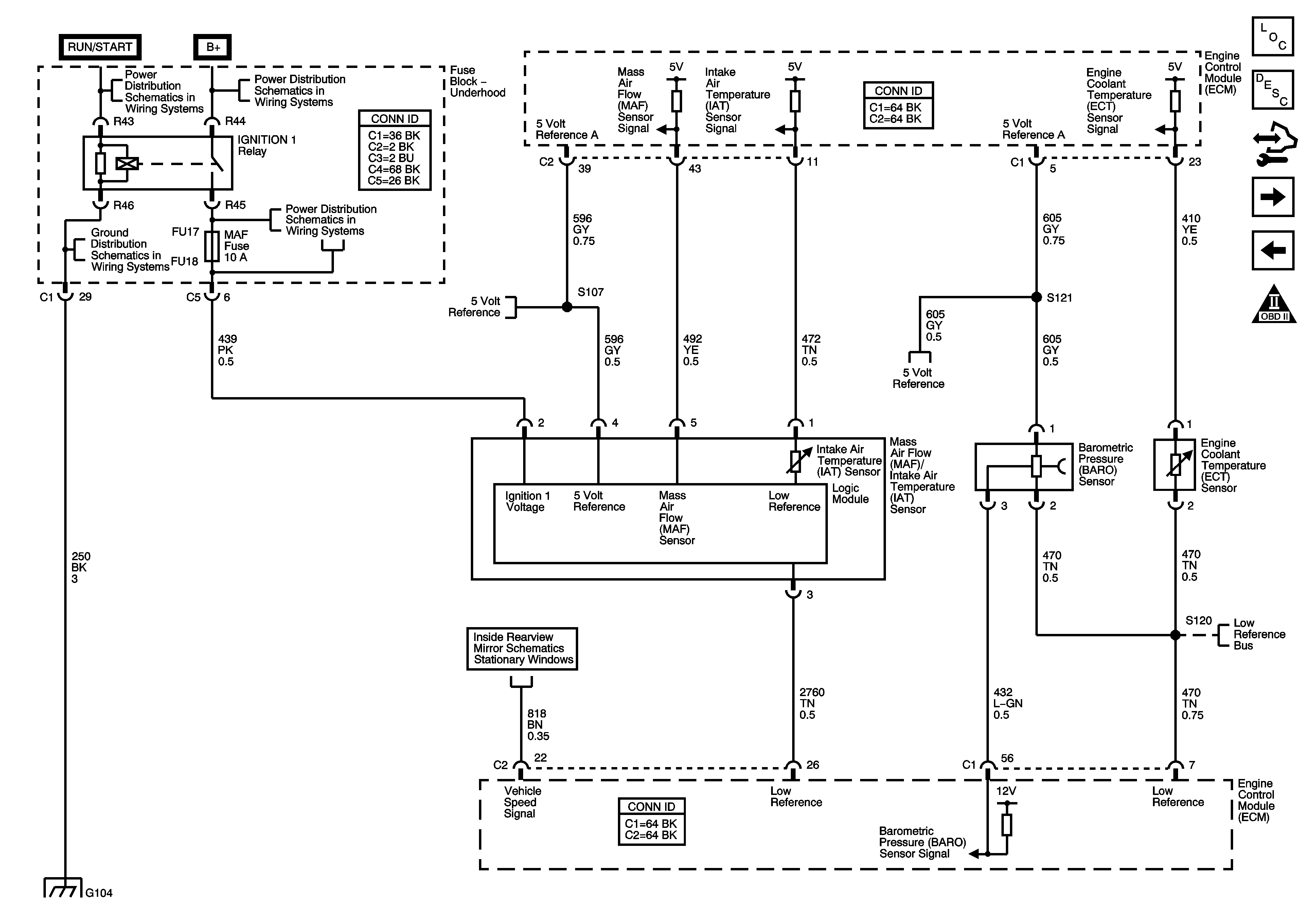
Figure 4:

Engine Data Sensors - Pressure, Temperature, MAF, VSS


Object Number: 2009982  Size: FS
Figure 5:

Engine Data Sensors - Oxygen Sensors


Object Number: 2009983  Size: FS
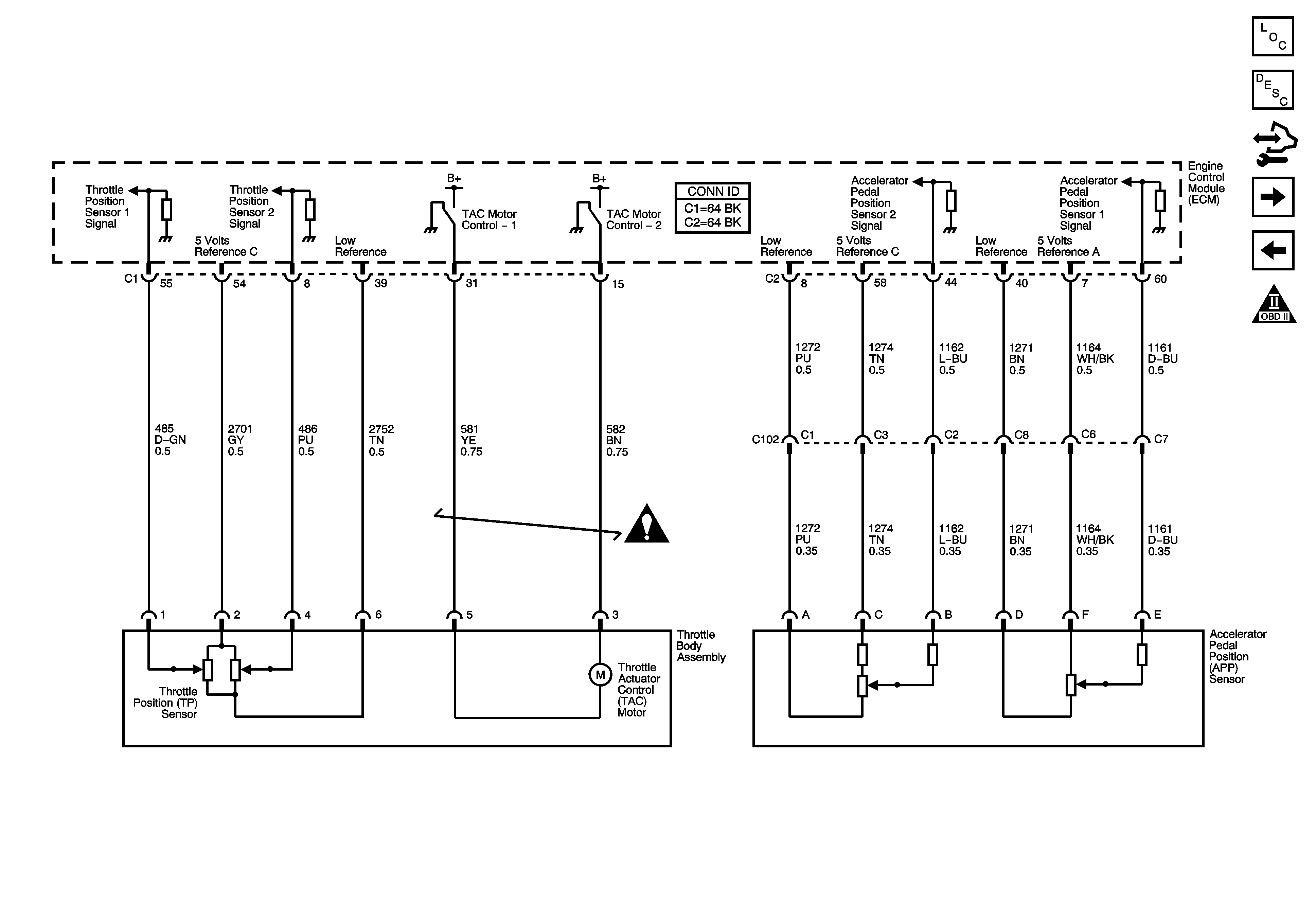
Figure 6:

Engine Data Sensors - Electronic Throttle Controls


Object Number: 2009984  Size: FS
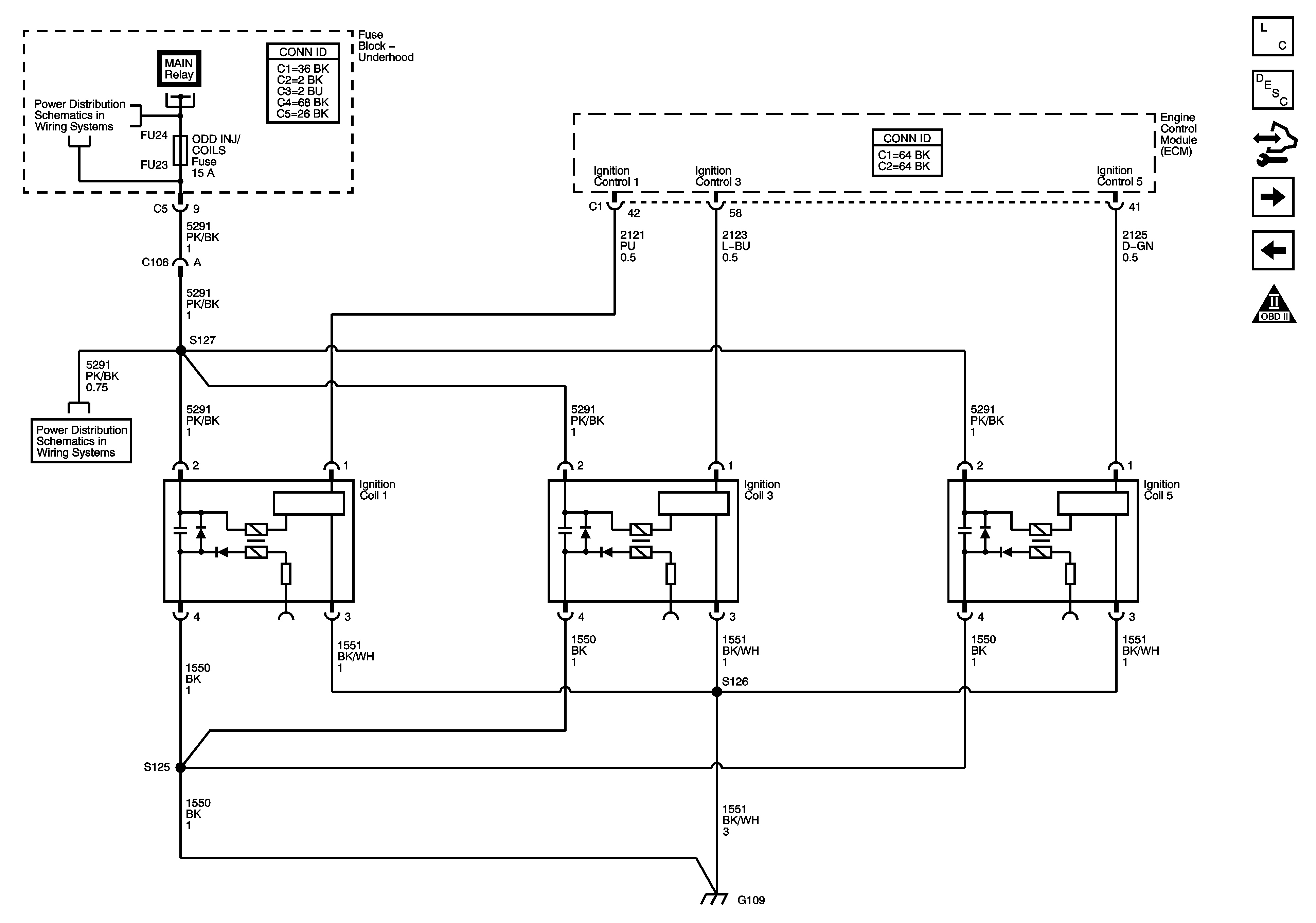
Figure 7:

Ignition Controls - Bank 1 Ignition Coils


Object Number: 2009985  Size: FS
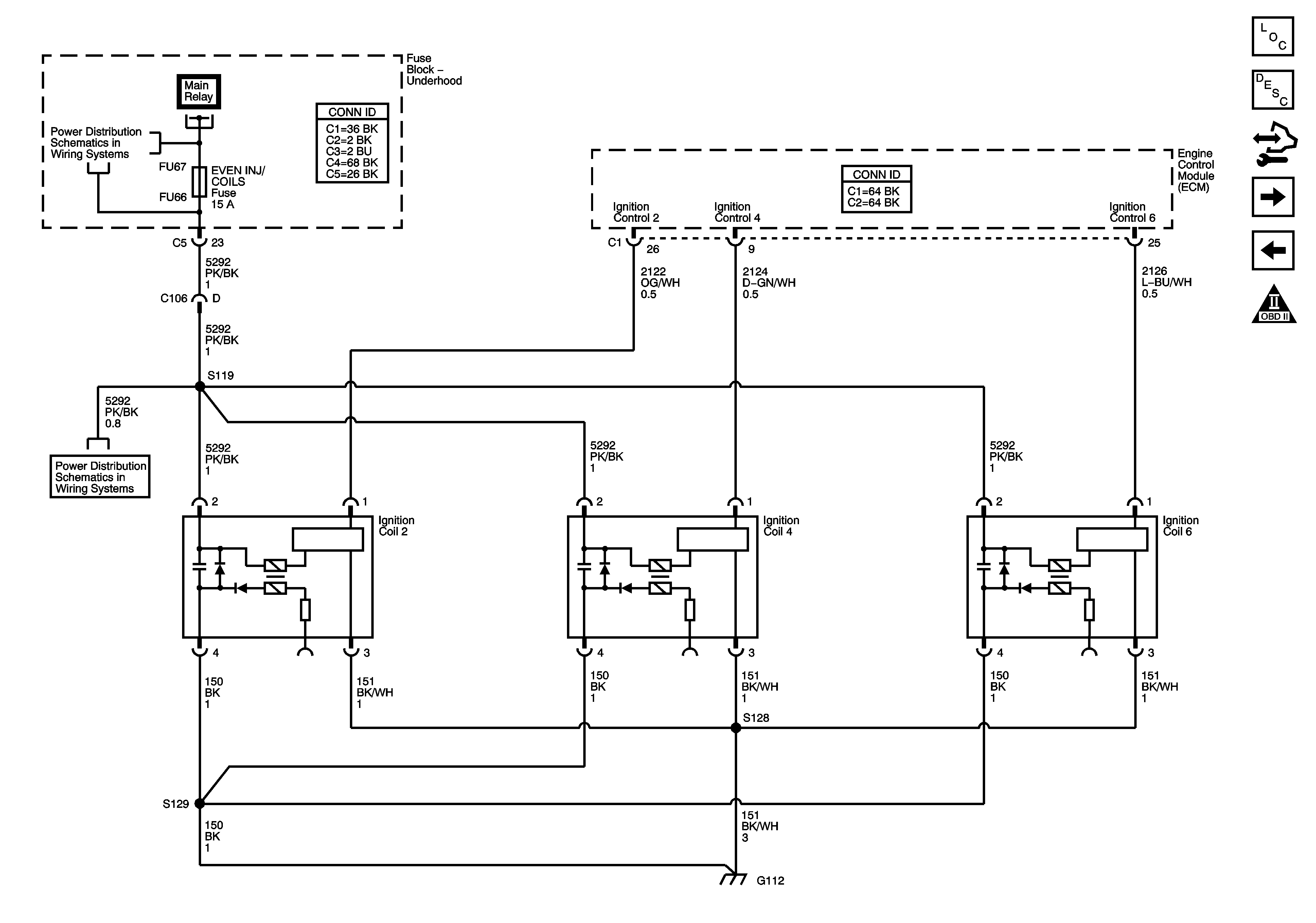
Figure 8:

Ignition Controls - Bank 2 Ignition Coils


Object Number: 2009986  Size: FS
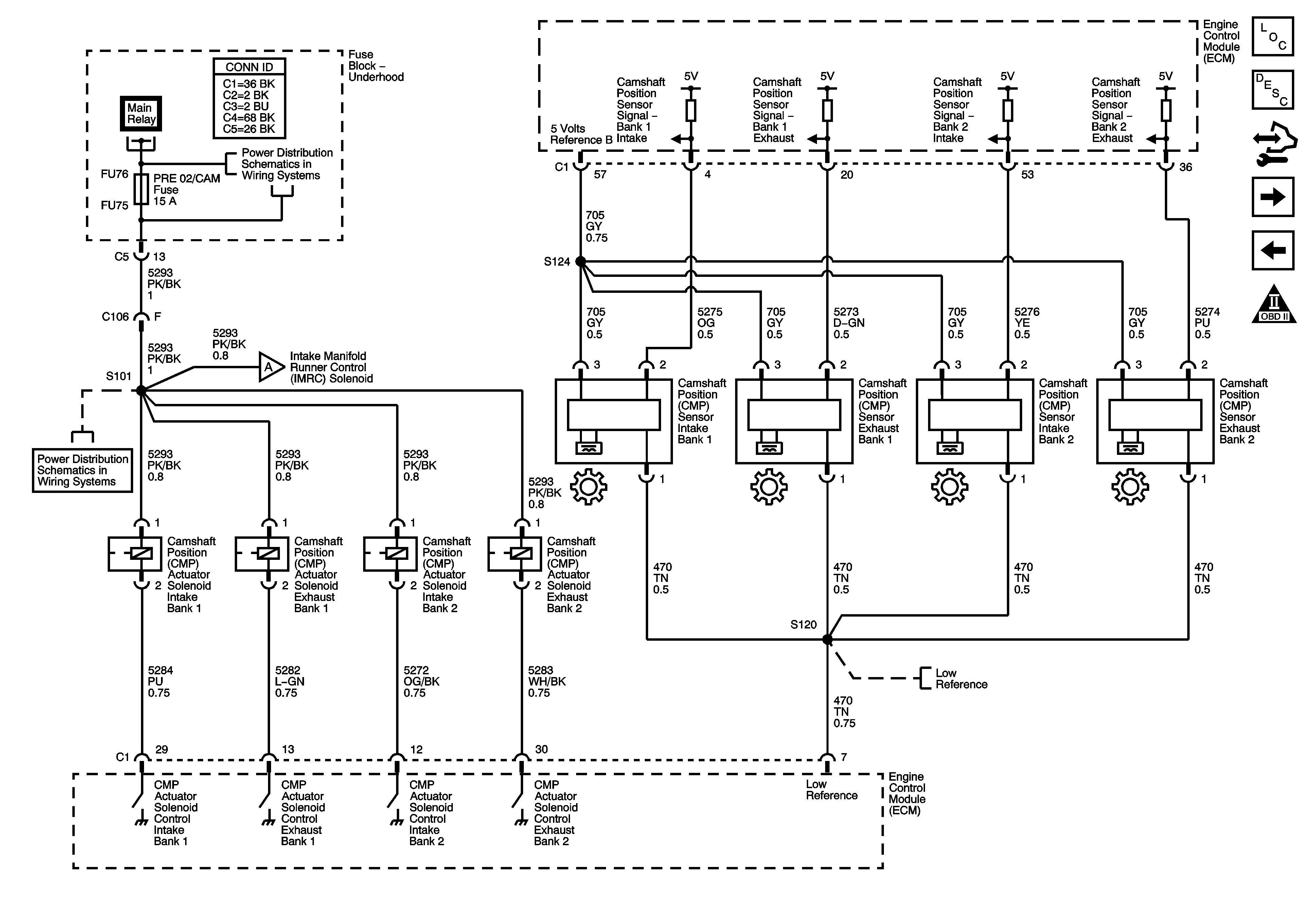
Figure 9:

Ignition Controls - CMP Sensors and Solenoids


Object Number: 2009987  Size: FS
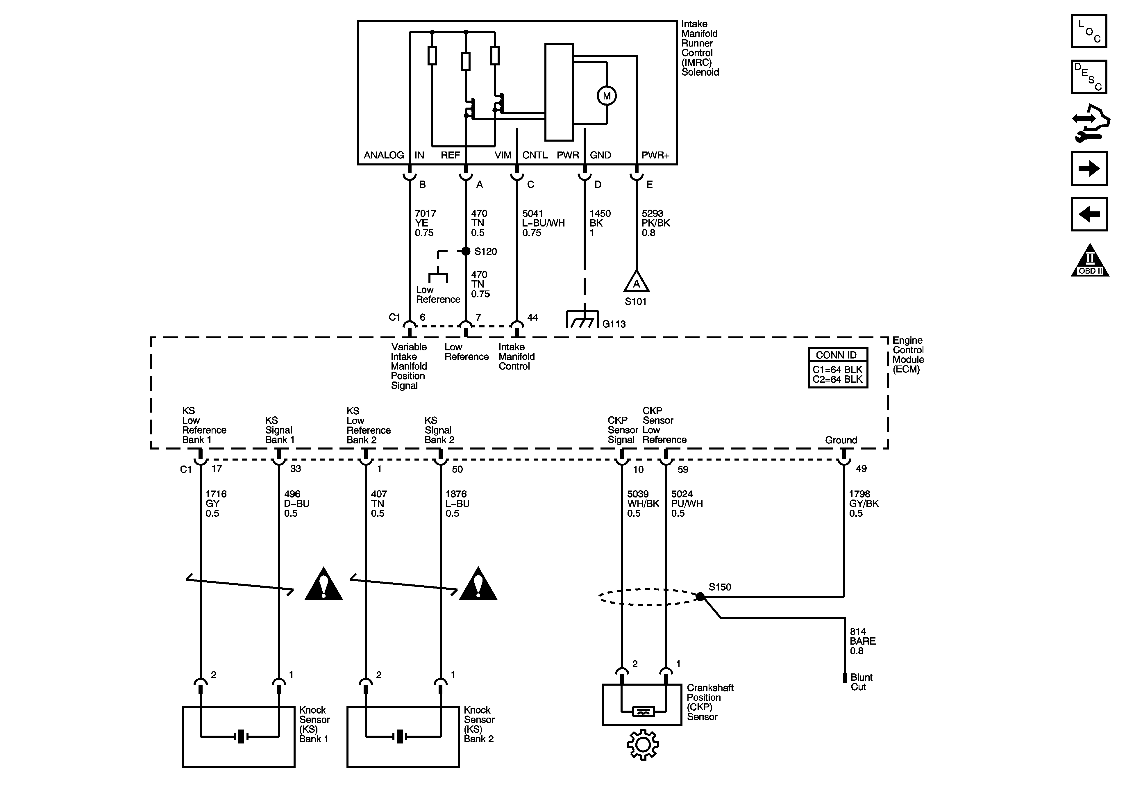
Figure 10:

Ignition Controls - CKP, Knock Sensors and IMRC Solenoid


Object Number: 2009988  Size: FS
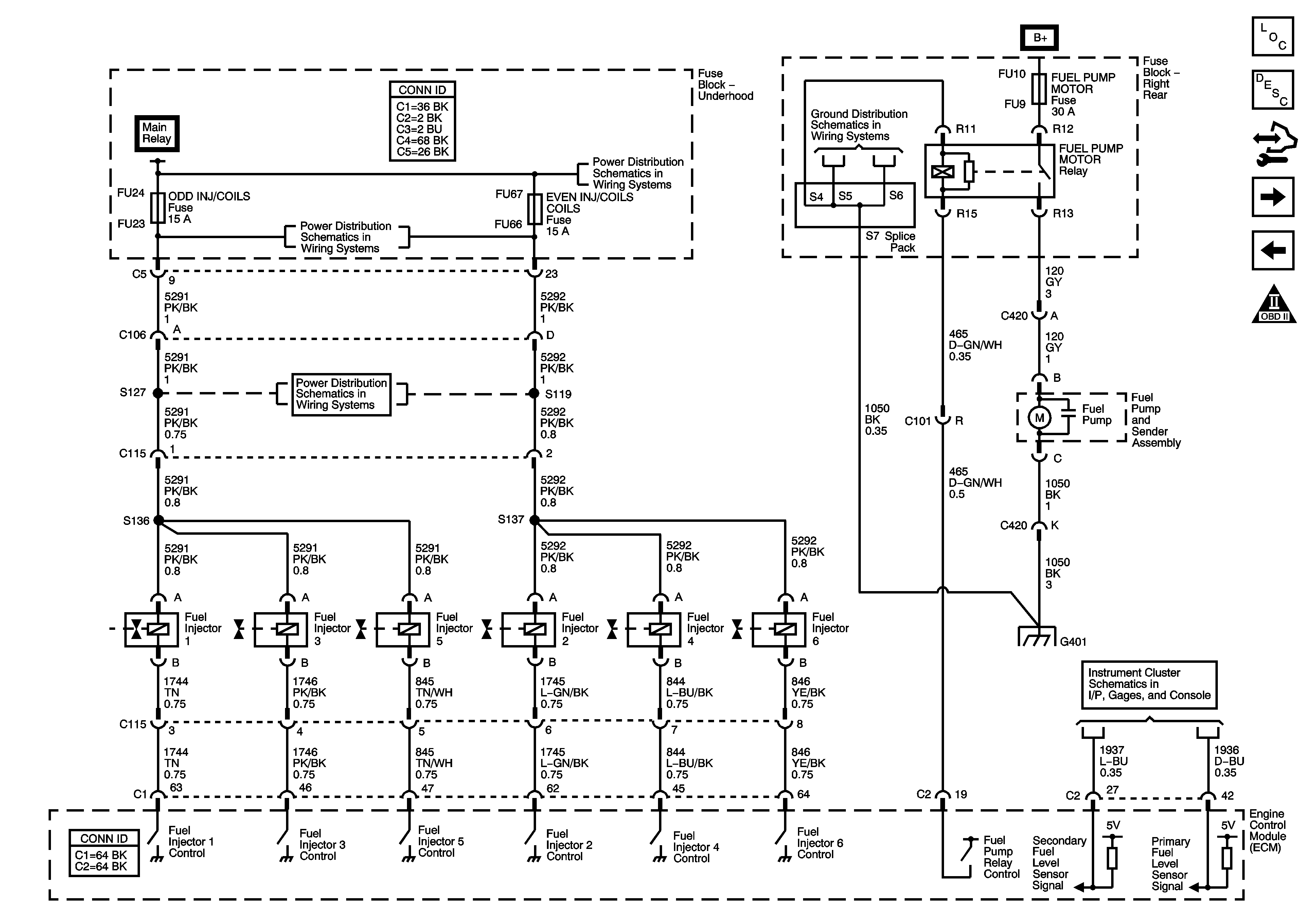
Figure 11:

Fuel Controls - Fuel Pump and Injectors


Object Number: 2009989  Size: FS
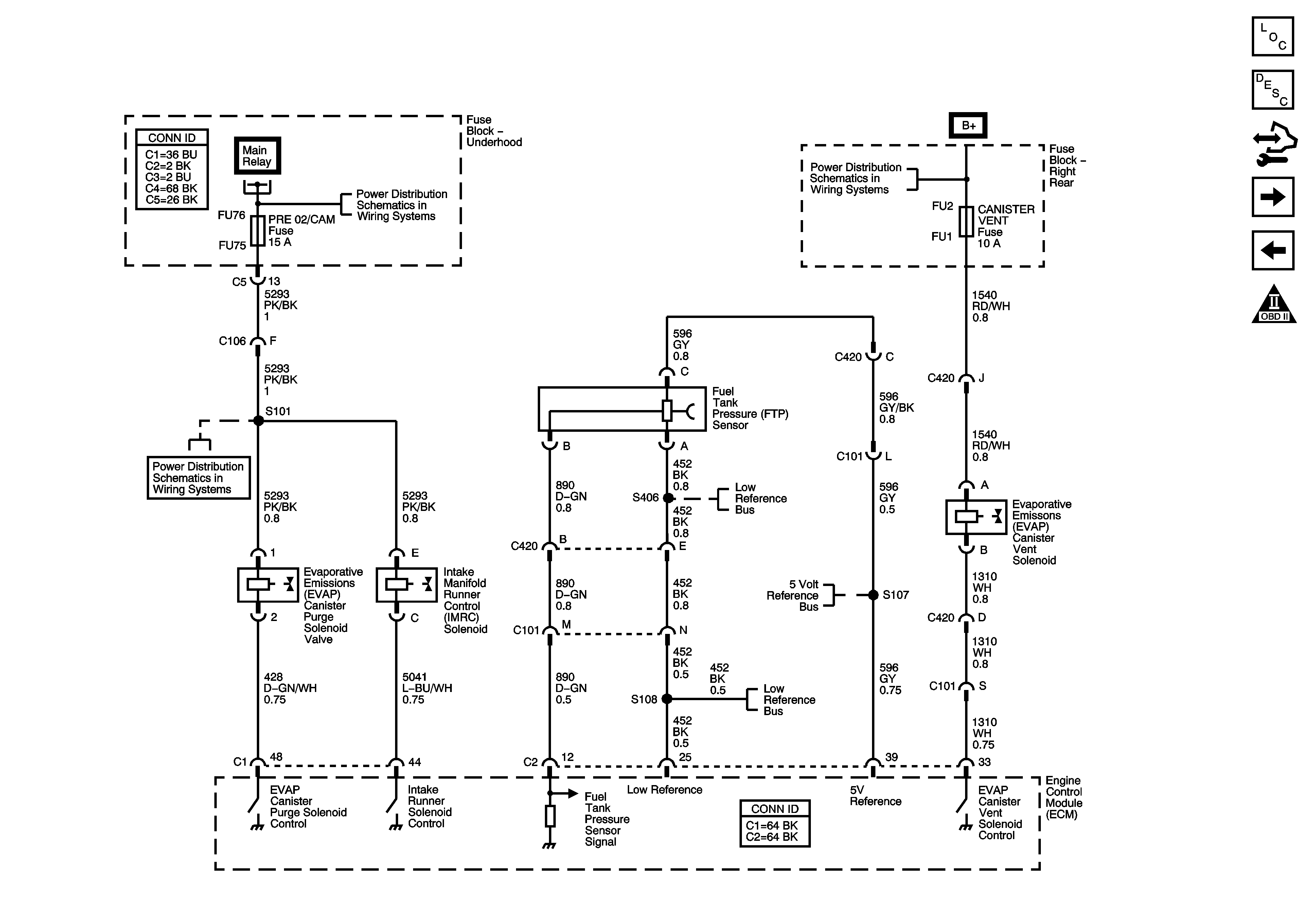
Figure 12:

Fuel Controls - EVAP Controls


Object Number: 2009990  Size: FS
Figure 13:

Controlled/Monitored Subsystem References


Object Number: 2009991  Size: FS