GM Service Manual Online
For 1990-2009 cars only

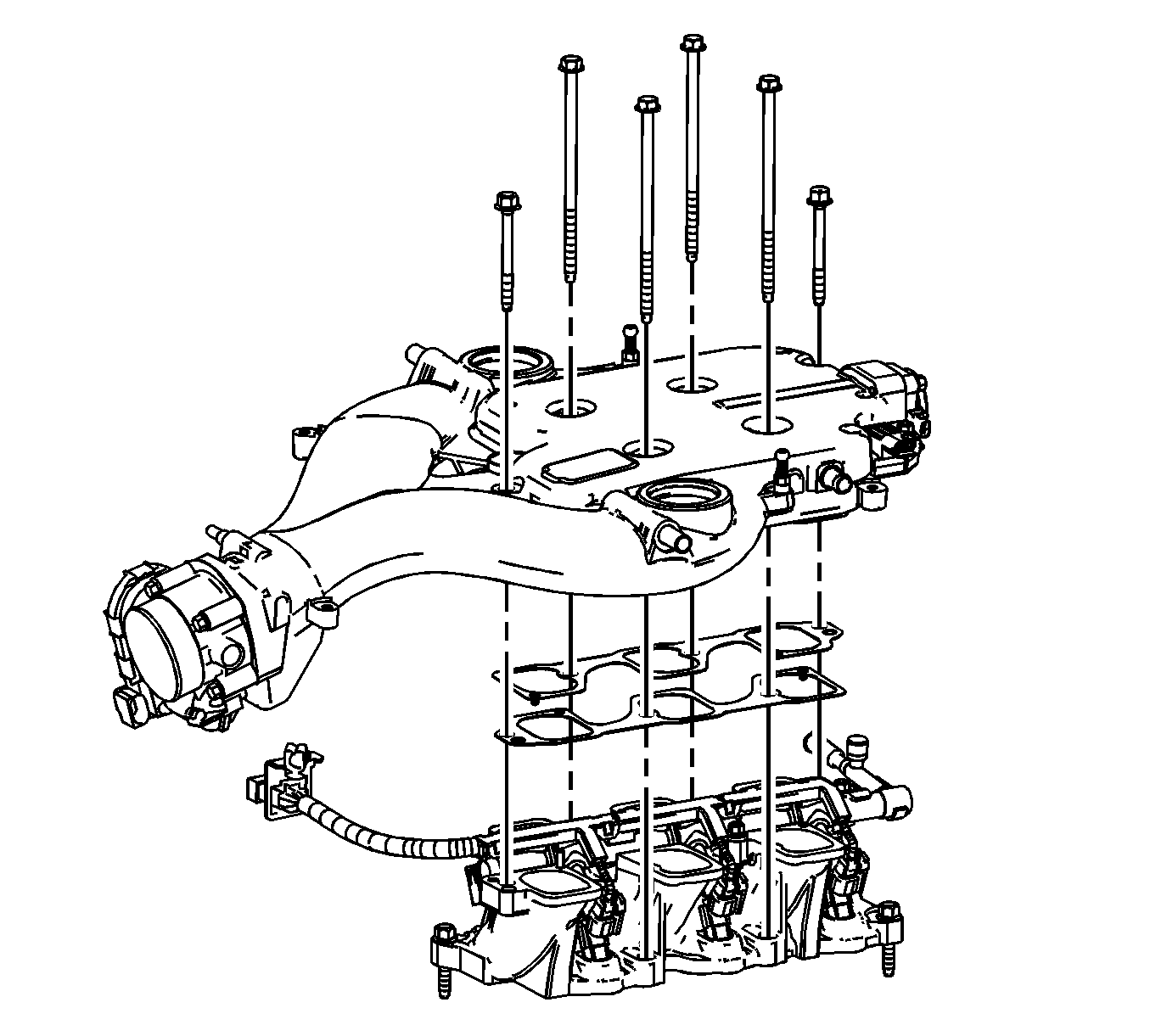
Removal Procedure


    Object Number: 1305320  Size: SH
  1. Turn the ignition OFF.
  2. Remove the fuel injector sight shield. Refer to Fuel Injector Sight Shield Replacement .
  3. Remove the air inlet duct. Refer to Air Cleaner Inlet Duct Replacement .
  4. Disconnect the brake booster vacuum hose from the intake manifold.

  5. Object Number: 887878  Size: SH
  6. Disconnect the purge solenoid valve electrical connector.

  7. Object Number: 1348201  Size: SH
  8. Disconnect the purge line (3) from the purge solenoid valve.

  9. Object Number: 1285256  Size: SH
  10. Remove the wiring harness retainer.

  11. Object Number: 887881  Size: SH
  12. Disconnect the throttle body electrical connector.

  13. Object Number: 1522522  Size: SH
  14. Remove the upper intake manifold brace stud (1), bolt (2), and brace.
  15. Disconnect the positive crankcase ventilation (PCV) hose from the right bank camshaft cover.

  16. Object Number: 945437  Size: SH
  17. Disconnect the barometric pressure sensor electrical connector.

  18. Object Number: 945390  Size: SH
  19. Disconnect the intake manifold runner control solenoid electrical connector.

  20. Object Number: 1318829  Size: SH
  21. Remove the injector harness bracket bolt.
  22. Remove the left bank ignition coil wiring harness from the bracket.

  23. Object Number: 1285188  Size: SH
  24. Remove the upper intake manifold bolts. Some deflection of the cowl panel may be necessary to extract the right rear bolt.
  25. Remove the upper intake manifold with the throttle body.
  26. If the upper intake manifold is being replaced, disassemble the intake manifold. Refer to Intake Manifold Disassemble .
  27. Clean and inspect the intake manifold. Refer to Intake Manifold Cleaning and Inspection .

Installation Procedure


    Object Number: 1285188  Size: SH
  1. If the upper intake manifold is being replaced, assemble the intake manifold. Refer to Intake Manifold Assemble .
  2. Install a NEW upper intake manifold gasket.
  3. Install the upper intake manifold.
  4. Notice: Refer to Fastener Notice in the Preface section.

    Important: Tighten the intake manifold bolts in a circular pattern starting at the center (long bolts) and moving outward.

  5. Install the upper intake manifold bolts.
  6. Tighten
    Tighten the upper intake manifold bolts to 23 N·m (17 lb ft).


    Object Number: 945437  Size: SH
  7. Connect the barometric pressure sensor electrical connector.

  8. Object Number: 945390  Size: SH
  9. Connect the intake manifold runner control solenoid electrical connector.
  10. Connect the PCV hose to the right bank camshaft cover.

  11. Object Number: 1522522  Size: SH
  12. Install the upper intake manifold brace, stud (1) and bolt (2).
  13. Tighten
    Tighten the intake manifold brace bolt/stud.

    8.1. Tighten the intake manifold brace bolt (2) to 65 N·m (48 lb ft).
    8.2. Tighten the intake manifold brace stud (1) to 10 N·m (89 lb in).

    Object Number: 887881  Size: SH

    Notice: Ensure proper engagement of the wiring harness connector. The wiring harness connector must be installed straight onto the component connector and firmly seated. Visually inspect the connector to ensure that the connector latches are engaged and locked. Any damage to the connector or wiring must be repaired. Failure to follow this procedure can lead to an intermittent electrical connection, driveability concerns, and/or wiring harness or wiring harness connector damage or failure.

  14. Connect the electrical connector to the throttle body.

  15. Object Number: 1285256  Size: SH
  16. Install the wiring harness retainer.

  17. Object Number: 1348201  Size: SH
  18. Connect the purge line (3) to the purge solenoid valve.

  19. Object Number: 887878  Size: SH
  20. Connect the purge solenoid valve electrical connector.
  21. Connect the brake booster vacuum hose to the intake manifold.

  22. Object Number: 1305320  Size: SH
  23. Install the air inlet duct. Refer to Air Cleaner Inlet Duct Replacement .
  24. Install the fuel injector sight shield. Refer to Fuel Injector Sight Shield Replacement .