GM Service Manual Online
For 1990-2009 cars only

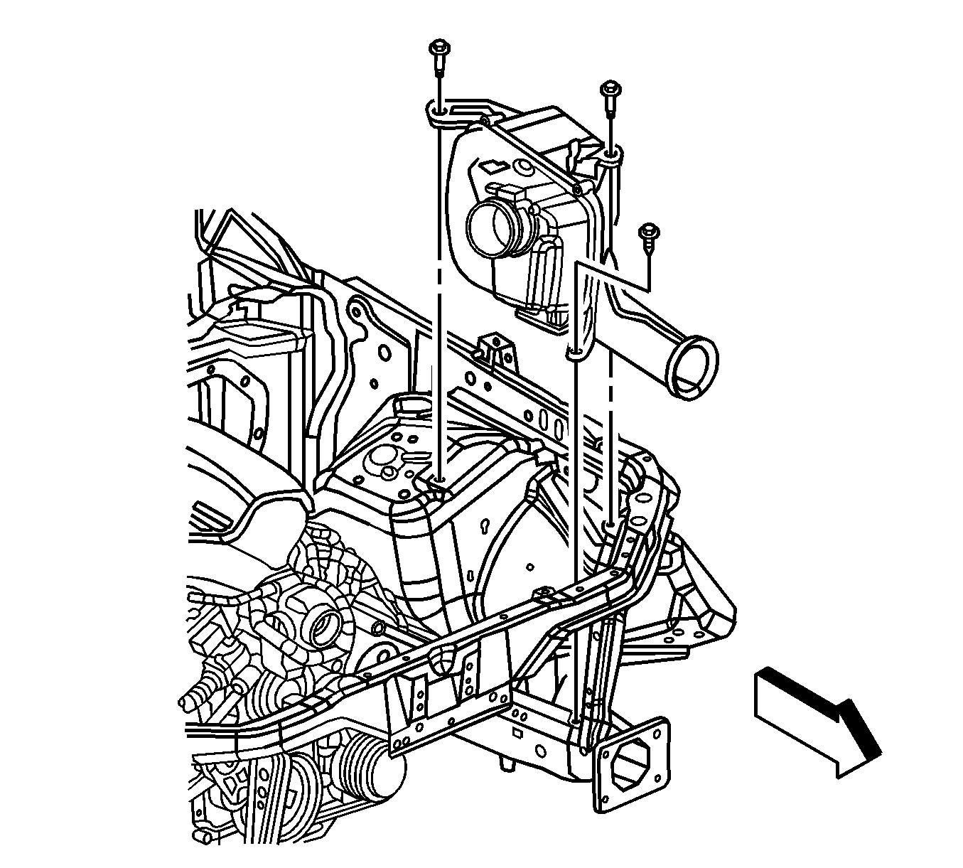
Removal Procedure


    Object Number: 1201221  Size: SH
  1. Turn the ignition OFF.
  2. Remove the air cleaner intake duct. Refer to Air Cleaner Inlet Duct Replacement .
  3. Disconnect the mass air flow (MAF) electrical connector.
  4. Remove the air cleaner bolts.
  5. Remove the air cleaner.

Installation Procedure


    Object Number: 1201221  Size: SH
  1. Install the air cleaner.
  2. Notice: Refer to Fastener Notice in the Preface section.

  3. Install the air cleaner bolts.
  4. Tighten
    Tighten the air cleaner bolts to 9 N·m (78 lb in).

  5. Connect the MAF electrical connector.
  6. Install the air cleaner intake duct. Refer to Air Cleaner Inlet Duct Replacement .