GM Service Manual Online
For 1990-2009 cars only
Figure 1:

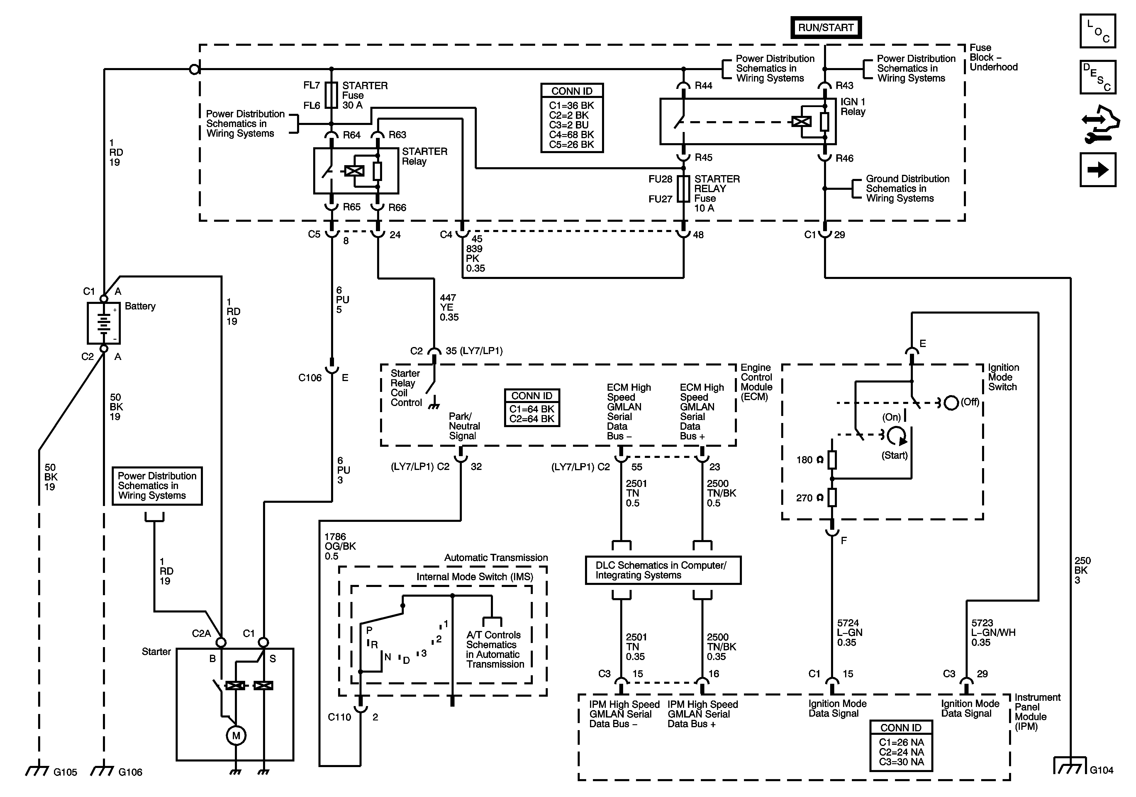
Starting System - LH2


Object Number: 2012839  Size: FS
Figure 2:

Starting System - LY7


Object Number: 2012842  Size: FS
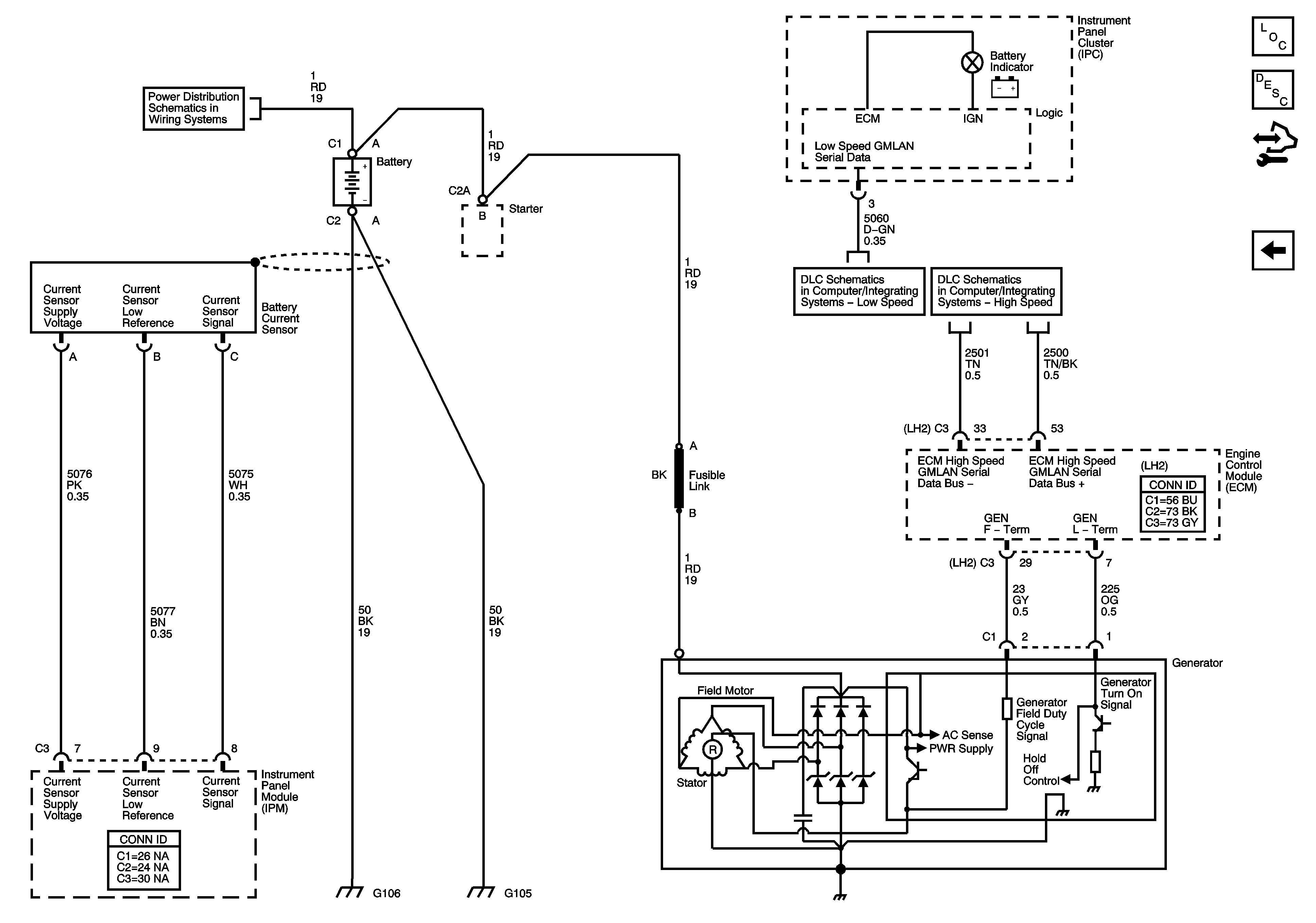
Figure 3:

Charging System - LH2


Object Number: 2012844  Size: FS