GM Service Manual Online
For 1990-2009 cars only

Removal Procedure

    Important: NEW torque converter bolts and cooler pipe O-rings will be required each time the transmission is removed and installed.


    Object Number: 785877  Size: SH
  1. Disconnect the negative battery cable. Refer to Battery Negative Cable Disconnection and Connection .
  2. Remove the thermostat housing to gain access to the upper transmission mounting bolts. Refer to Battery Negative Cable Disconnection and Connection .
  3. Raise and support the vehicle. Refer to Lifting and Jacking the Vehicle .
  4. Drain the transmission fluid if disassembly of the transmission is necessary. Refer to Automatic Transmission Fluid and Filter Replacement .
  5. Remove the transmission manual shift shaft nut.
  6. Disconnect the shift linkage from the transmission.
  7. Place the transmission in neutral by rotating the transmission shift shaft clockwise 2 clicks.

  8. Object Number: 801931  Size: SH
  9. Remove the exhaust system. Refer to Exhaust System Replacement .
  10. Disconnect the propeller shaft coupler (1) from the transmission flange. Refer to Rear Propeller Shaft Replacement .
  11. Push the front propeller shaft toward the rear of the vehicle in order to release the propeller shaft coupler (1) from the transmission flange.

  12. Object Number: 787650  Size: SH
  13. Secure the front propeller shaft (1) to the shift control lever (3) with a piece of mechanics wire (2).

  14. Object Number: 785868  Size: SH
  15. Disconnect the transmission wiring harness connector (1) from the transmission by rotating the locking latch (2) counterclockwise.

  16. Object Number: 785869  Size: SH
  17. Disconnect the wiring harness clips from the transmission, and position the wiring harness aside.

  18. Object Number: 887715  Size: SH
  19. Remove the starter motor to gain access to the torque converter bolts. Refer to Starter Motor Replacement .
  20. Mark the torque converter to flexplate/flywheel orientation to ensure proper realignment.

  21. Object Number: 699902  Size: SH
  22. Remove the front air deflector. Refer to Front Air Deflector Replacement
  23. Repeat the following steps for all 3 torque converter bolts:
  24. 17.1. Rotate the harmonic balancer center bolt clockwise ONLY, in order to align the torque converter bolt with the starter motor opening in the engine block.
    17.2. Remove and discard the torque converter bolt. The bolt is self locking and is NOT reusable.

    Object Number: 785866  Size: SH
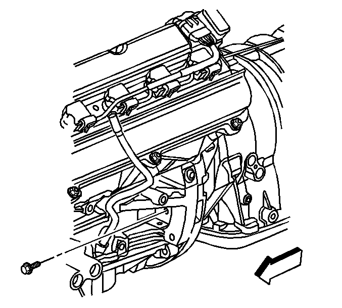
  25. Place an oil drain pan under the transmission fluid cooler pipes.
  26. Remove the bolt securing the transmission fluid cooler pipes brace to the engine.

  27. Object Number: 785867  Size: SH
  28. Disconnect the fluid cooler pipes from the transmission.
  29. Plug the open outlet ports to prevent fluid loss and contamination.
  30. Position a suitable transmission jack under the transmission.
  31. Remove the transmission mount. Refer to Transmission Rear Mount Replacement .

  32. Object Number: 785862  Size: SH
  33. Remove the 3 lower transmission mounting bolts (1-2).
  34. Support the engine with a suitable jack. Loosen the two rear cradle bolts approximately one inch. Lower the engine and transmission just enough to gain access to the remaining 3 upper transmission mounting bolts.

  35. Object Number: 785771  Size: SH
  36. Disconnect the engine wiring harness retaining clips (1) from the transmission mounting bolts.

  37. Object Number: 785861  Size: SH
  38. Remove the 3 upper transmission mounting bolts (2-3).
  39. Pull the transmission free from the engine dowel (1).
  40. Important: Ensure clearance is maintained between the transmission and the following:

       • the catalytic converters
       • The wiring harnesses
       • The cooler pipes
       • The propeller shaft

  41. Carefully lower the transmission from the vehicle.
  42. Flush the transmission oil cooler. Refer to Transmission Fluid Cooler Flushing and Flow Test .
  43. If the transmission is being replaced, remove the drive flange and install it on the replacement unit. Refer to Drive Flange and Seal Replacement .

Installation Procedure

    Important: Ensure clearance is maintained between the transmission and the following:

       • The catalytic converters
       • The wiring harnesses
       • The cooler pipes
       • The propeller shaft

  1. Using the transmission jack, carefully raise the transmission to the vehicle.

  2. Object Number: 785861  Size: SH
  3. Align the engine dowels (1) with the transmission.
  4. Notice: Refer to Fastener Notice in the Preface section.

  5. Install the 3 lower transmission mounting bolts (1-2).
  6. Tighten
    Tighten the transmission mounting bolts to 50 N·m (37 lb ft).


    Object Number: 785862  Size: SH
  7. Lower the engine and transmission only enough to gain access to the remaining 3 upper transmission mounting bolts.
  8. Install the 3 upper transmission mounting bolts (2-3).
  9. Tighten
    Tighten the transmission mounting bolts to 50 N·m (37 lb ft).


    Object Number: 785861  Size: SH
  10. Raise the engine and tighten the rear cradle bolts.
  11. Tighten
    Tighten the rear cradle mounting bolts to 191 N·m (141 lb ft).


    Object Number: 785771  Size: SH
  12. Connect the engine wiring harness retaining clips (1) to the transmission mounting bolts.
  13. Install the transmission mount. Refer to Transmission Rear Mount Replacement .
  14. Remove transmission jack from under the transmission.
  15. Important: Replace the O-rings if cracked, cut, or distorted.


    Object Number: 785867  Size: SH
  16. Lubricate the O-rings with automatic transmission fluid.
  17. Install the O-rings onto the cooler pipes prior to inserting the cooler pipes into the transmission.
  18. Insert the transmission fluid cooler pipes into the transmission.
  19. Install the bolt securing the transmission fluid cooler pipe retainer to the transmission.
  20. Tighten
    Tighten the bolt to 25 N·m (18 lb ft).


    Object Number: 785866  Size: SH
  21. Install the bolt securing the transmission fluid cooler pipes brace to the engine.
  22. Tighten
    Tighten the bolt to 50 N·m (37 lb ft).


    Object Number: 887715  Size: SH
  23. Align the torque converter to flexplate/flywheel orientation marks made during the removal procedure.
  24. Important: Torque converter bolts are self locking and must be replaced with NEW torque converter bolts every time the bolts are removed.

  25. Repeat the following steps for all 3 torque converter bolts:
  26. 16.1. Rotate the harmonic balancer center bolt clockwise ONLY, in order to align the torque converter bolt holes in the flexplate/flywheel with the starter motor opening in the engine block.
    16.2. To aid in alignment of the torque converter to the flexplate/flywheel. Install all 3 NEW torque converter bolts before fully tightening.

    Tighten
    Tighten the torque converter bolts to 63 N·m (46 lb ft).

  27. Install the starter motor. Refer to Starter Motor Replacement .

  28. Object Number: 699902  Size: SH
  29. Install the front air deflector. Refer to Front Air Deflector Replacement

  30. Object Number: 785869  Size: SH
  31. Connect the wiring harness clips to the transmission.

  32. Object Number: 785868  Size: SH
  33. Connect the transmission wiring harness connector (1) to the transmission by rotating the locking latch (2) clockwise.

  34. Object Number: 787650  Size: SH
  35. Remove the mechanics wire (2) securing front propeller shaft (1) to the shift control lever (3).

  36. Object Number: 801931  Size: SH
  37. Install the propeller shaft coupler (1) to the transmission flange. Refer to Rear Propeller Shaft Replacement .

  38. Object Number: 785877  Size: SH
  39. Place the transmission in the park position by rotating the shift shaft fully counterclockwise.
  40. Connect the shift linkage to the transmission.
  41. Install the transmission manual shift shaft nut.
  42. Tighten
    Tighten the transmission manual shift to 15 N·m (11 lb ft).

  43. Install the exhaust system. Refer to Exhaust System Replacement .
  44. Check the transmission fluid level (fill if necessary). Refer to Transmission Fluid Check .
  45. Adjust the shift control linkage. Refer to Shift Control Linkage Adjustment .
  46. Lower the vehicle.
  47. Install the thermostat housing. Refer to Engine Coolant Thermostat Housing Replacement .
  48. Connect the negative battery cable. Refer to Battery Negative Cable Disconnection and Connection .
  49. The transmission control module must be programmed with the proper software/calibrations. Refer to Transmission Control Module Programming and Setup .
  50. Align the torque converter to flexplate/flywheel orientation marks made during the removal procedure.

  51. Object Number: 830374  Size: SH

    Important: Torque converter bolts are self locking and must be replaced with NEW torque converter bolts every time the bolts are removed.

  52. Complete the following steps for all 3 torque converter bolts:
  53. 34.1. Rotate the harmonic balancer center bolt or the fan adapter, depending on the application, clockwise ONLY, in order to align the torque converter bolt holes in the flexplate/flywheel with the access hole in the engine block.
    34.2. To aid in alignment of the torque converter to the flexplate/flywheel. Install all 3 NEW torque converter bolts before fully tightening.

    Tighten
    Tighten the torque converter bolts to 63 N·m (46 lb ft).


    Object Number: 830376  Size: SH
  54. Install the torque converter bolt close out cover to the engine block.
  55. Push the torque converter bolt close out cover upper retaining pin upward locking it into the engine block.

  56. Object Number: 830367  Size: SH
  57. Install the transmission close out plug.

  58. Object Number: 785867  Size: SH
  59. Place NEW O-rings over the transmission fluid cooler pipes.
  60. Install the transmission fluid cooler pipes to the transmission.
  61. Clip the transmission fluid cooler lines into the plastic cooler line retainer bracket.

  62. Object Number: 830373  Size: SH
  63. Install the front differential heat shield and bracket. Refer to Exhaust Heat Shield Replacement - Center Bearing .
  64. Install the front air deflector. Refer to Front Air Deflector Replacement

  65. Object Number: 1646408  Size: SH
  66. Connect the wiring harness retainers to the transmission.
  67. Connect the transmission wiring harness connector (1) to the transmission by rotating the locking latch clockwise.

  68. Object Number: 830371  Size: SH
  69. Connect the shift linkage to the transmission. Refer to Shift Control Linkage Replacement .
  70. Install the rear propeller shaft. Refer to Rear Propeller Shaft Replacement .
  71. Install the exhaust system. Refer to Exhaust System Replacement .
  72. Check the transmission fluid level and fill if necessary. Refer to Transmission Fluid Check .
  73. Adjust the shift control linkage. Refer to Shift Control Linkage Adjustment .
  74. Lower the vehicle.

Transmission Final Test and Inspection

Complete the following procedure after the transmission is installed in the vehicle:

  1. With the ignition OFF or disconnected, crank the engine several times. Listen for any unusual noises or evidence that any parts are binding.
  2. Start the engine and listen for abnormal conditions.
  3. While the engine continues to idle, raise and support the vehicle. Refer to Lifting and Jacking the Vehicle .
  4. Inspect for fluid leaks while the engine is idling.
  5. Perform a final inspection for the proper fluid level.
  6. Lower the vehicle.
  7. Perform final inspection for fluid level
  8. Road Test
  9. Important: It is recommended that transmission adaptive pressure (TAP) information be reset.

    Resetting the TAP values using a scan tool will erase all learned values in all cells. As a result, the ECM, PCM, or TCM will need to relearn TAP values.

    Transmission performance may be affected as new TAP values are learned.

  10. Reset the TAP values. Refer to Transmission Adaptive Functions .
  11. Road test the vehicle.