GM Service Manual Online
For 1990-2009 cars only

    Object Number: 860800  Size: SH
  1. Remove the engine coolant temperature (ECT) sensor.

  2. Object Number: 902880  Size: SH
  3. Remove the exhaust manifold bolts from the left cylinder head.
  4. Remove the left exhaust manifold.
  5. Remove and discard the exhaust manifold gasket from the left cylinder head.

  6. Object Number: 860802  Size: SH
  7. Remove the left knock sensor bolt.
  8. Remove the left knock sensor.

  9. Object Number: 1392407  Size: SH
  10. Remove the left engine mount nut.
  11. Remove the left engine mount.

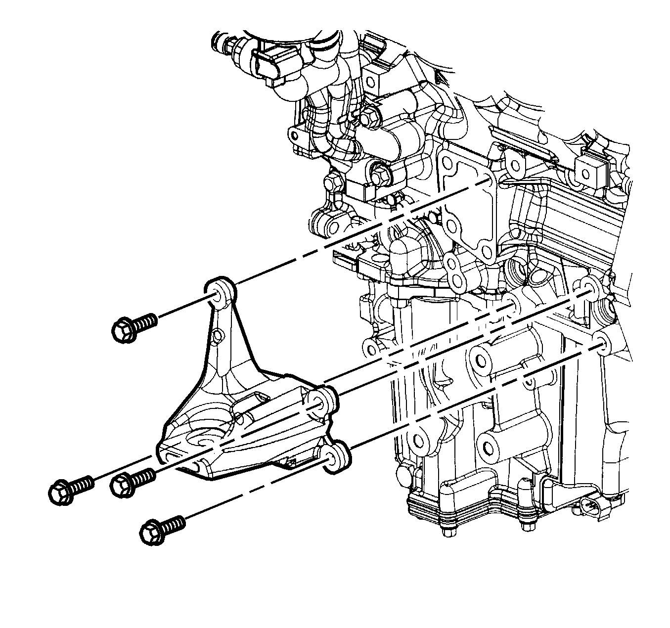
  12. Object Number: 1392408  Size: SH
  13. Remove the left engine mount bracket bolt.
  14. Remove the left engine mount bracket.