GM Service Manual Online
For 1990-2009 cars only

Special Tools

EN 46109 Guide Pin Set


    Object Number: 1306197  Size: SH
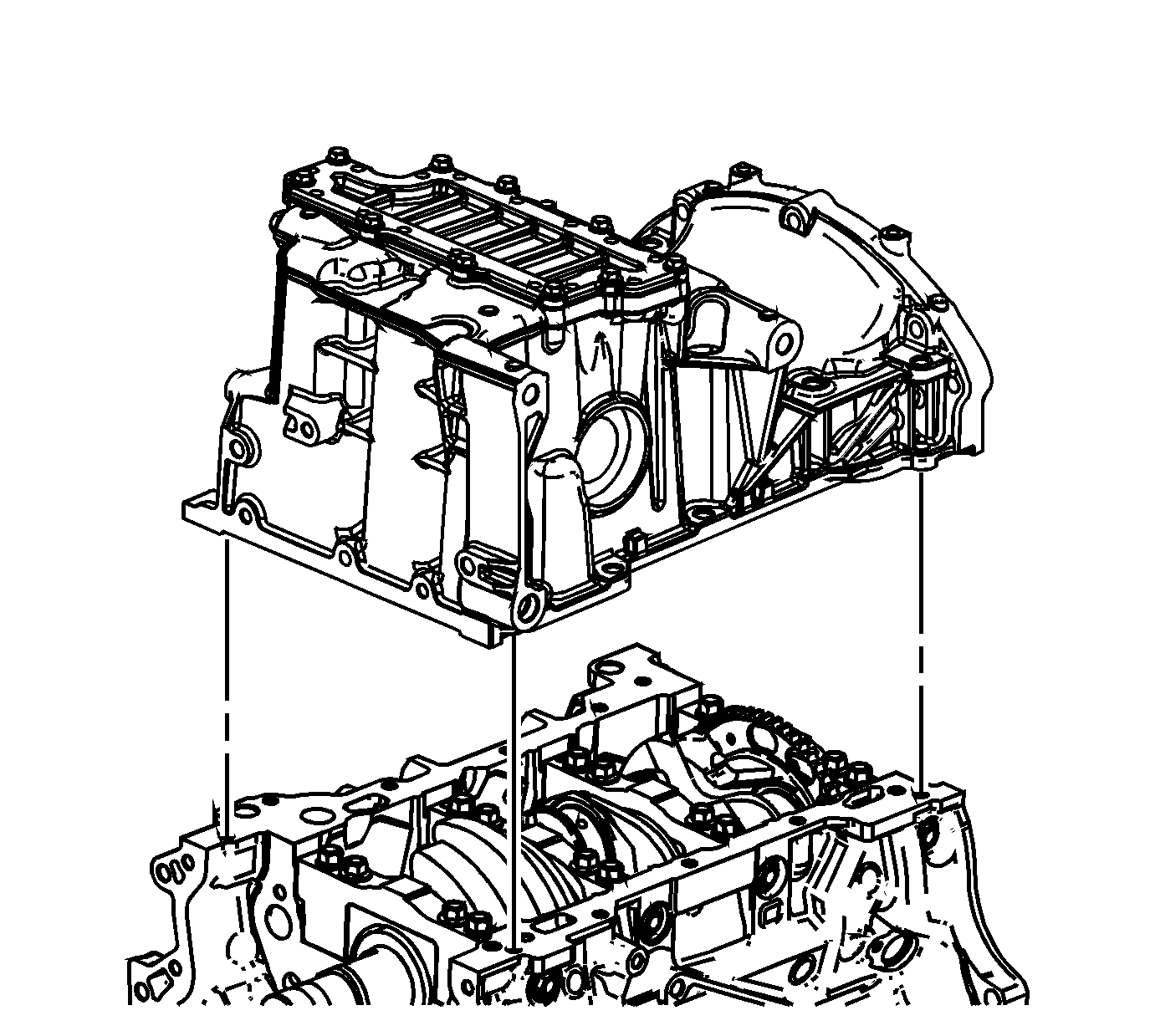
  1. Install the 8 mm (0.315 in) guides from the EN 46109 into the center oil pan rail bolt hole on each side of the engine block.

  2. Object Number: 1306200  Size: SH
  3. Place a 3 mm (0.118 in) bead of RTV sealant, GM P/N 12378521 (Canadian P/N 88901148) or equivalent, on the block pan rail and the crankshaft rear oil seal housing (1).

  4. Object Number: 1665642  Size: SH
  5. Position the oil pan onto the block.
  6. Remove the EN 46109 8 mm (0.315 in) guides from the engine block.

  7. Object Number: 1665641  Size: SH
  8. Loosely install the oil pan bolts.
  9. Notice: Refer to Fastener Notice in the Preface section.


    Object Number: 1665643  Size: SH
  10. Tighten the oil pan bolts in sequence shown.
  11. Tighten

    1. Tighten the 8 mm bolts (1-11) to 23 N·m (17 lb ft).
    2. Tighten the 6 mm bolts (12, 13) to 10 N·m (89 lb in).