GM Service Manual Online
For 1990-2009 cars only

    Object Number: 1575685  Size: SH
  1. Disconnect the positive crankcase ventilation (PCV) fresh air tube from the camshaft cover.

  2. Object Number: 1575687  Size: SH
  3. Disconnect the PCV dirty air tube from the camshaft cover and the intake manifold.

  4. Object Number: 1575688  Size: SH
  5. Remove the sight shield bracket nuts.
  6. Remove the sight shield bracket.

  7. Object Number: 1575689  Size: SH
  8. Remove the bolts attaching the fuel rail to the intake manifold.

  9. Object Number: 1575691  Size: SH
  10. Lift the entire fuel rail and injector assembly from the intake manifold.

  11. Object Number: 1575692  Size: SH
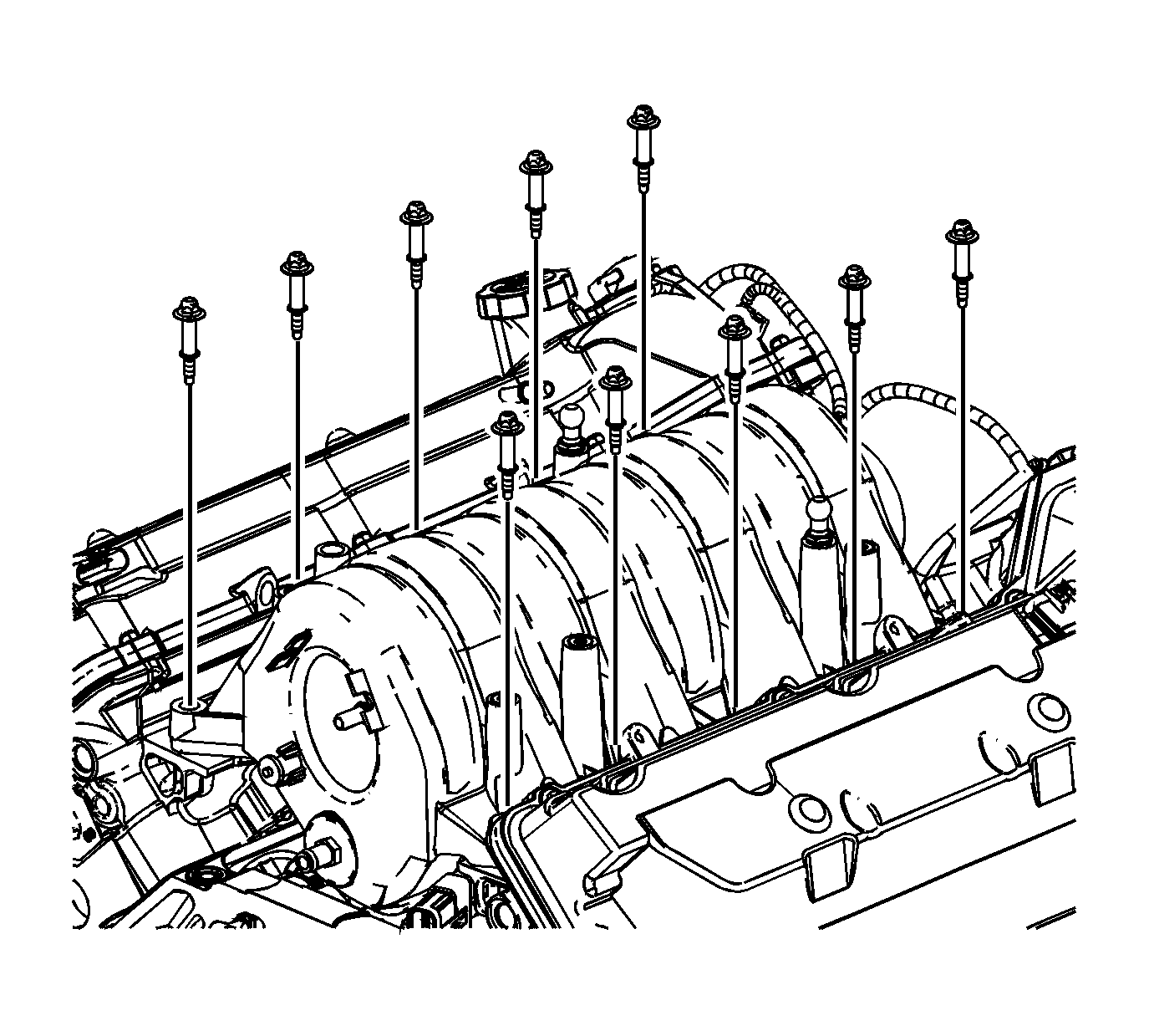
  12. Remove the intake manifold bolts.

  13. Object Number: 1575693  Size: SH
  14. Remove the intake manifold.