GM Service Manual Online
For 1990-2009 cars only

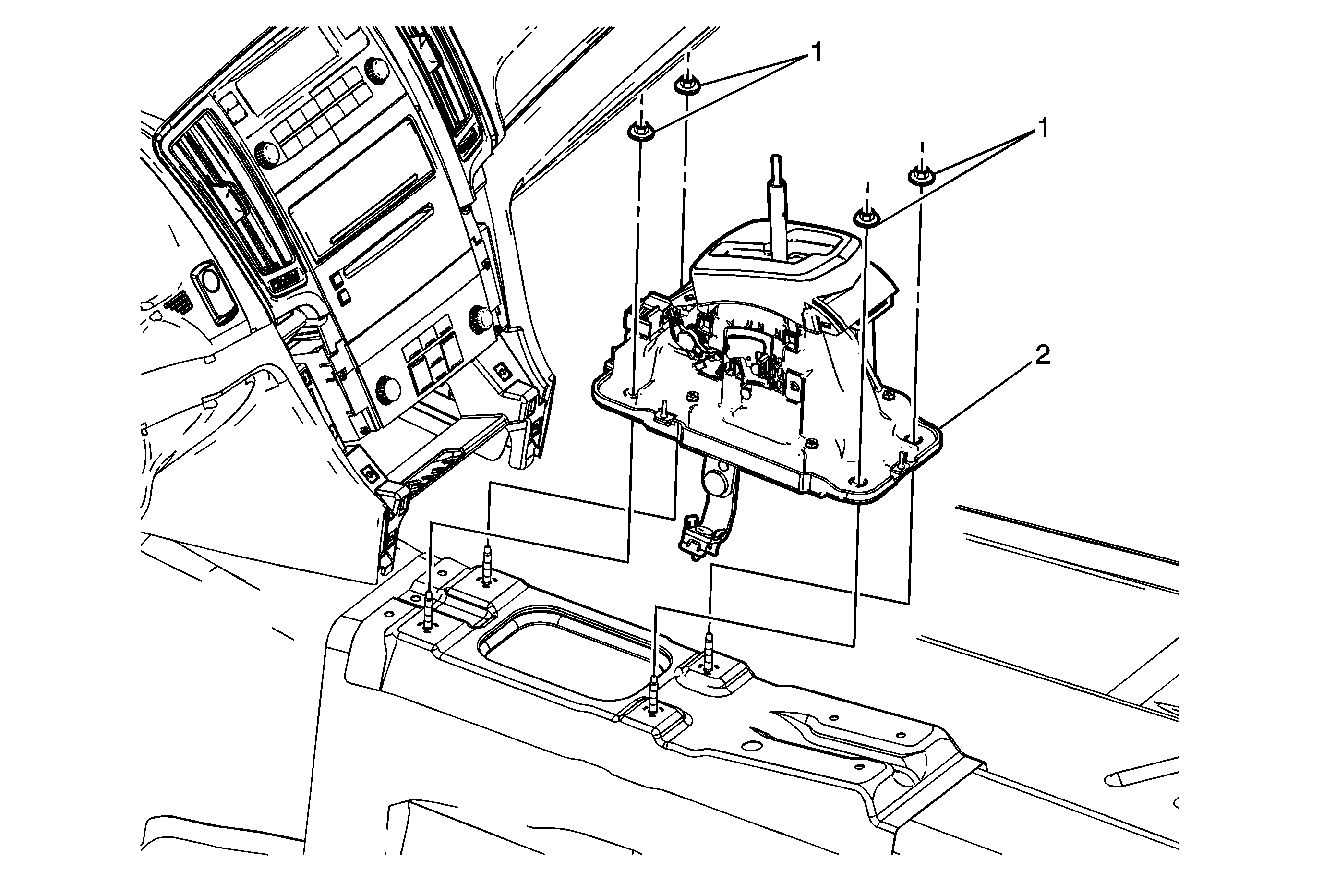
Object Number: 1828799  Size: MF

Callout

Component Name

Preliminary Procedures

  1. Raise and support the vehicle. Refer to Lifting and Jacking the Vehicle.
  2. Disconnect the shift linkage from the shift control. Refer to Shift Control Linkage Replacement.
  3. Lower the vehicle.
  4. Remove the shift control knob. Refer to Transmission Control Lever Knob Replacement.
  5. Remove the center console assembly. Refer to Front Floor Console Replacement.
  6. Disconnect the electrical connector from the shift control.

1

Shift Control Nut (Qty: 4)

Notice: Refer to Fastener Notice in the Preface section.

Tighten
12 N·m (106 lb in)

2

Shift Control

Important: Adjustment of the shift control linkage is required after installing the shift control. Refer to Shift Control Linkage Adjustment .