GM Service Manual Online
For 1990-2009 cars only
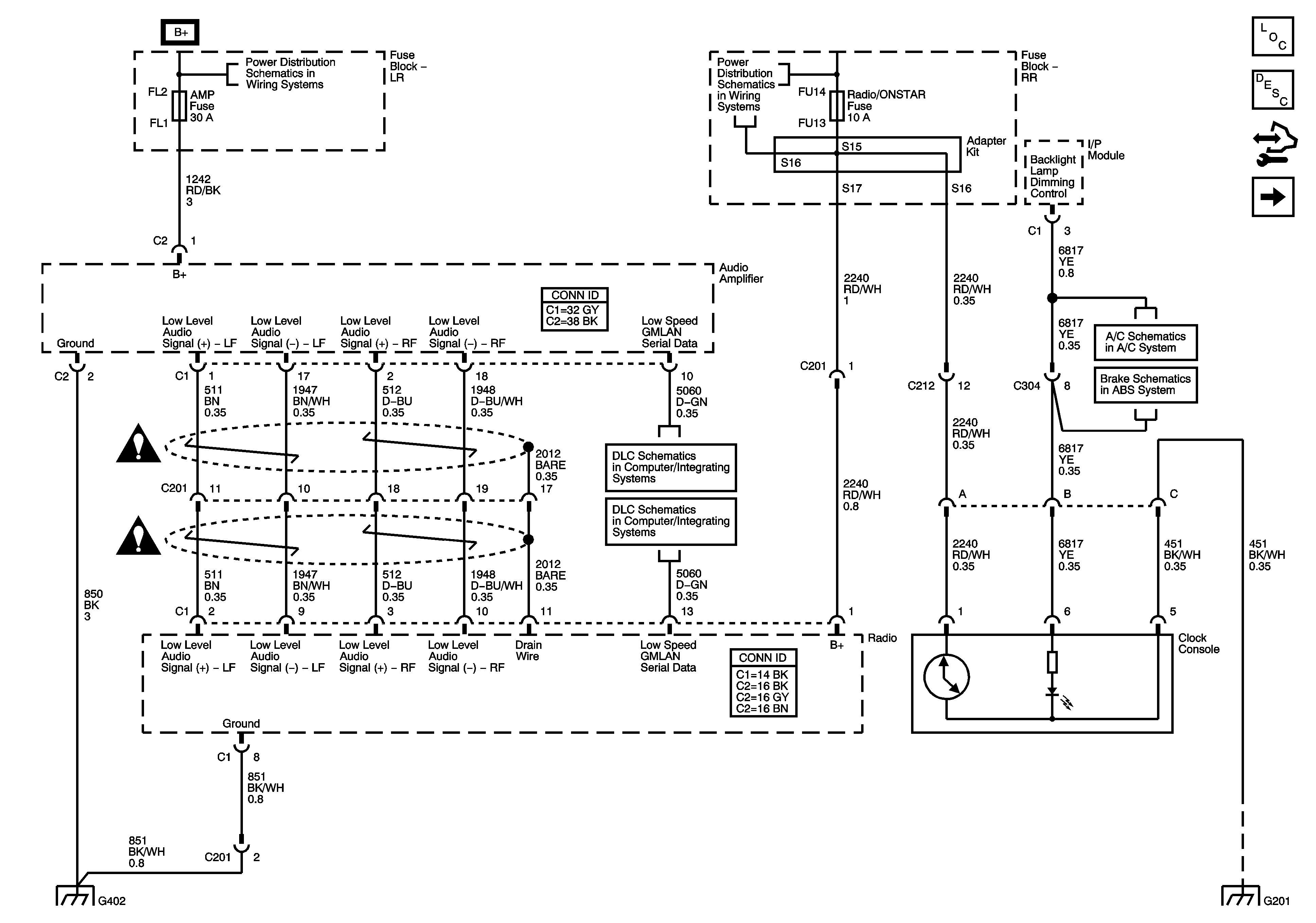
Figure 1:

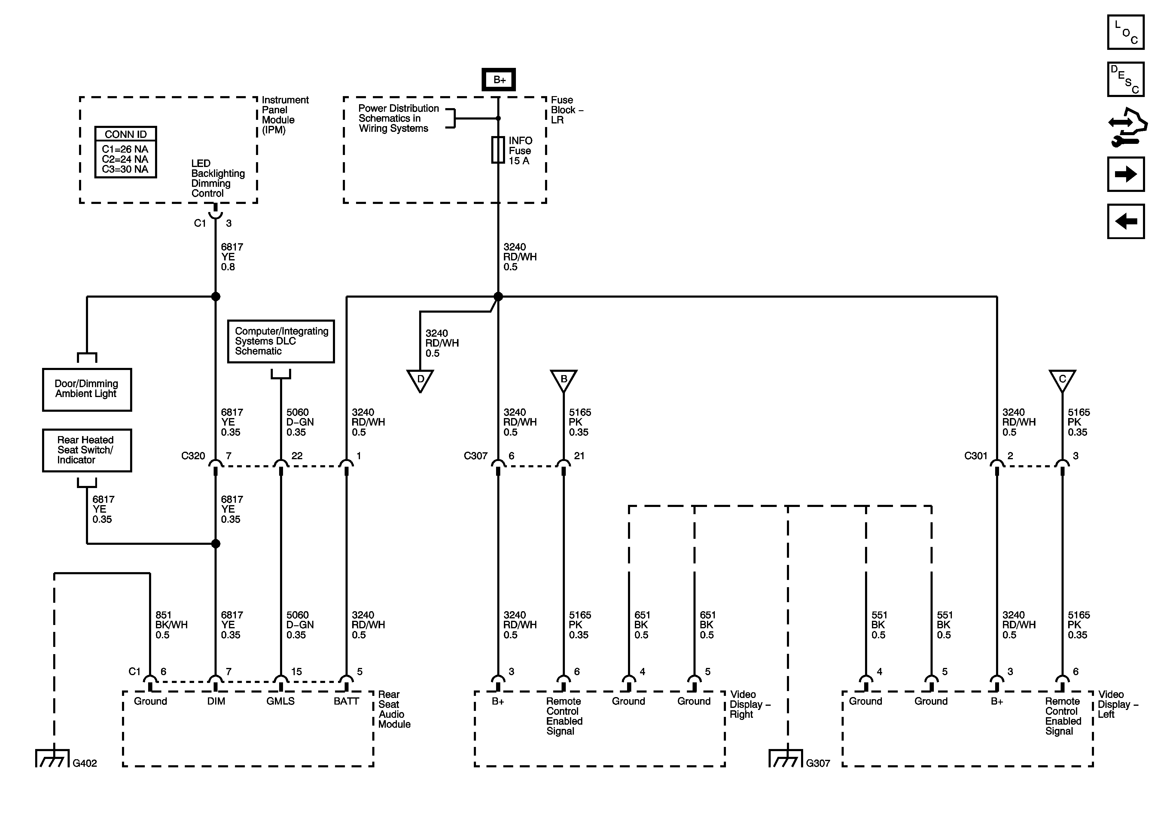
Radio Power, Ground, DLC and Audio Communications


Object Number: 2016081  Size: FS
Figure 2:

Speakers 1 of 3


Object Number: 2016084  Size: FS
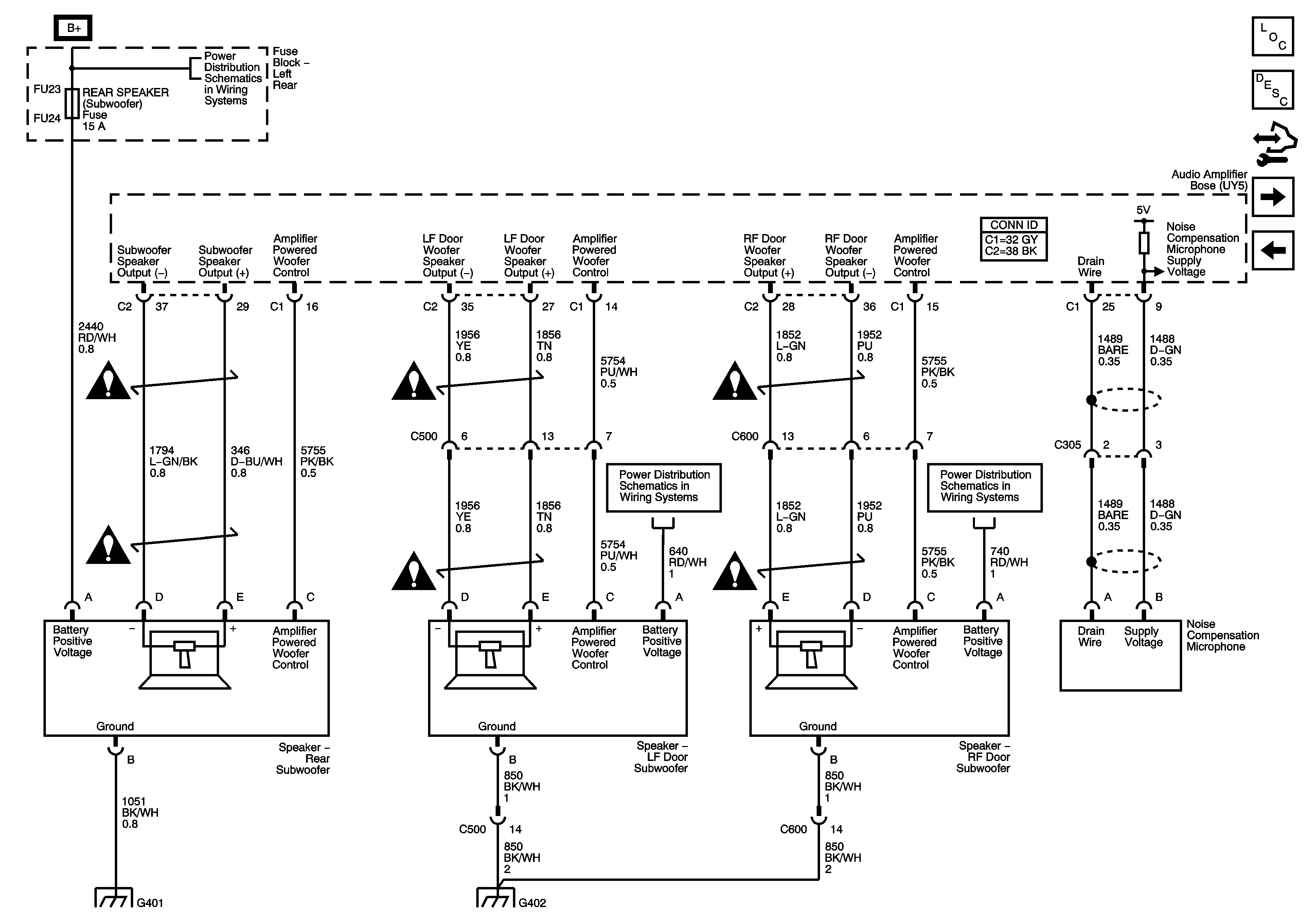
Figure 3:

Speakers 2 of 3


Object Number: 2016088  Size: FS
Figure 4:

Speakers 3 of 3


Object Number: 2016090  Size: FS
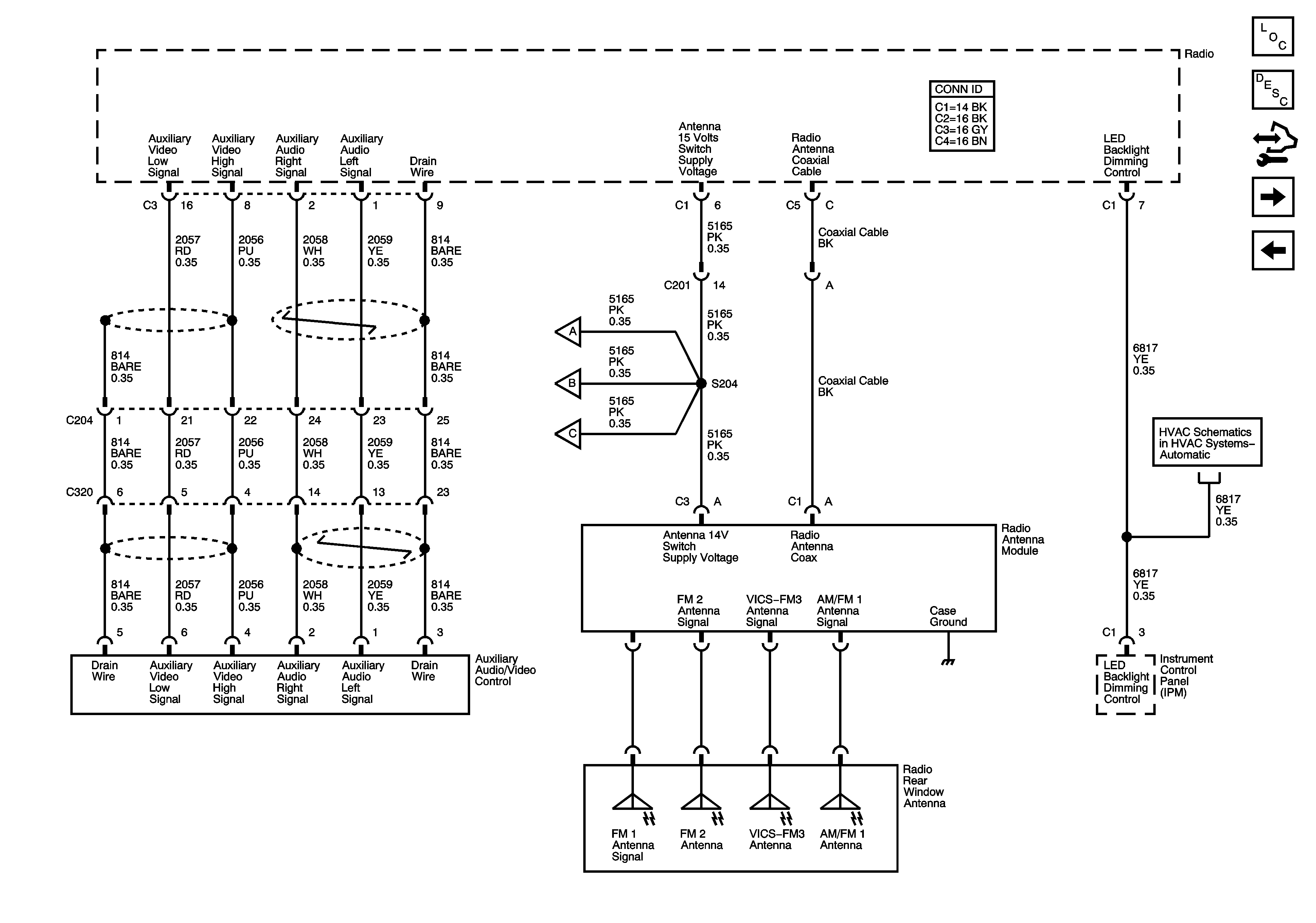
Figure 5:

Radio Antennas, Audio/Video Adapter


Object Number: 2016091  Size: FS
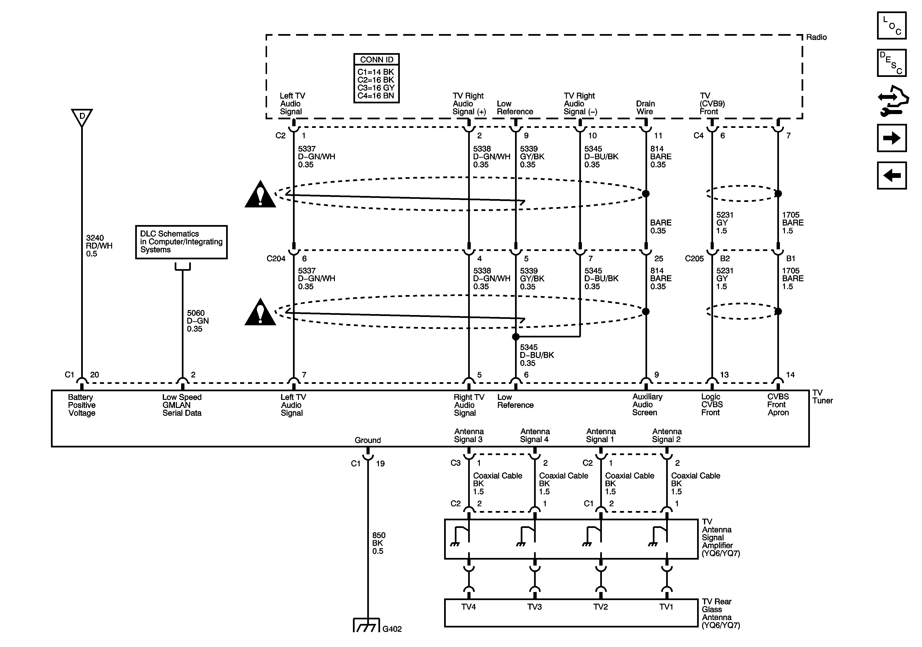
Figure 6:

TV Reception Tuner


Object Number: 2016093  Size: FS
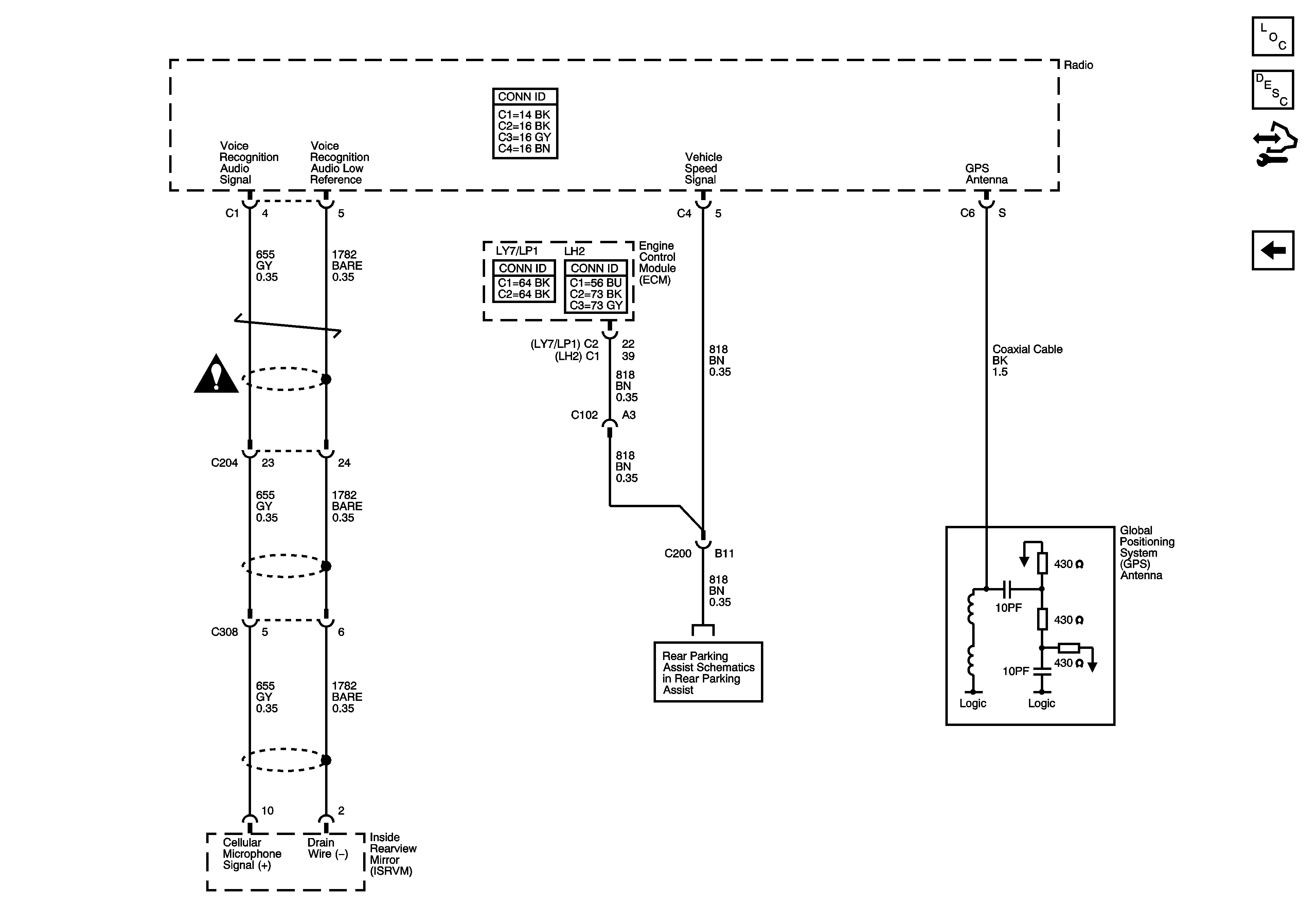
Figure 7:

Microphone, VSS and GPS Antenna


Object Number: 2016095  Size: FS
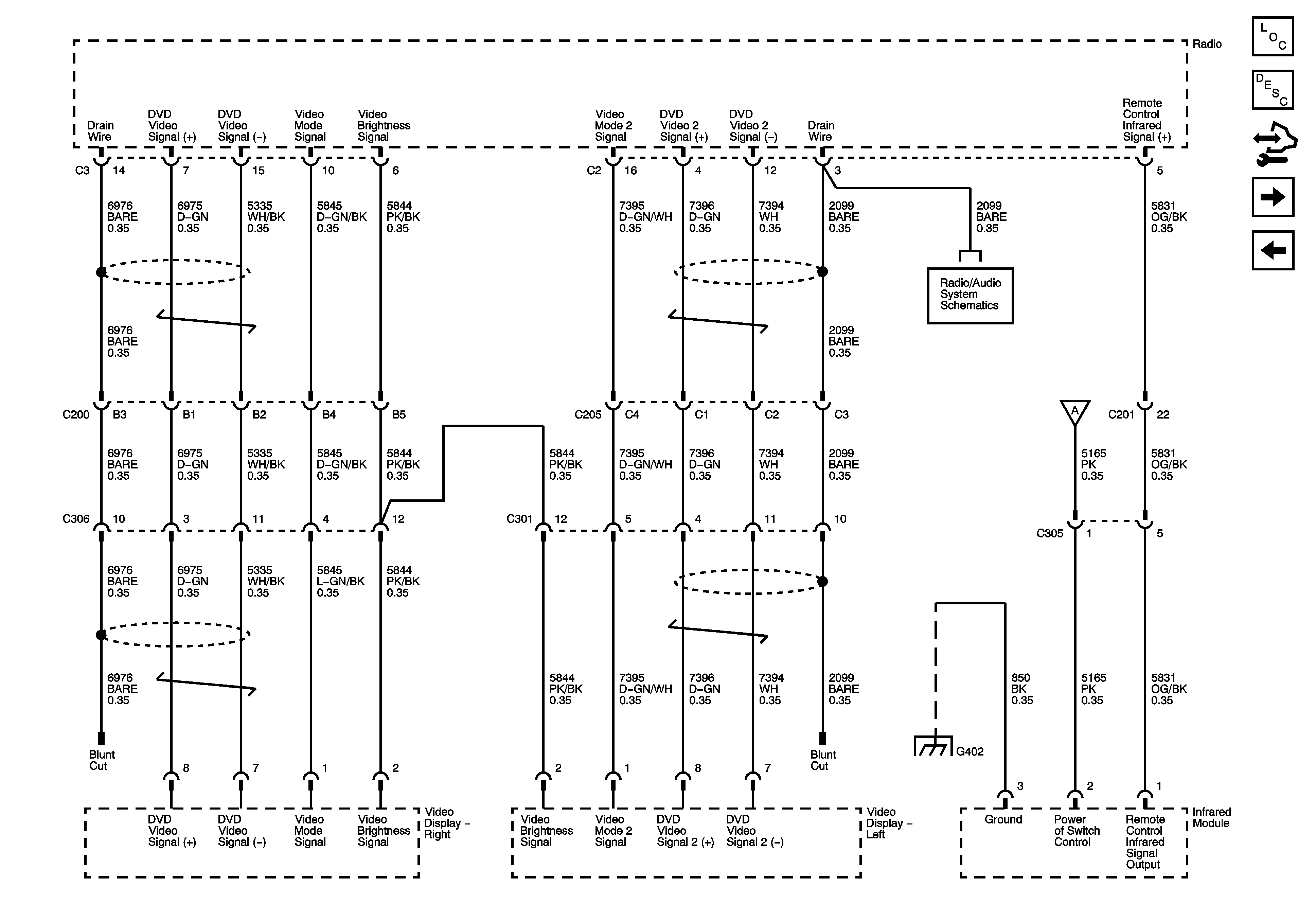
Figure 8:

Video Display, Infrared Module


Object Number: 2016100  Size: FS
Figure 9:

Video Display


Object Number: 2016101  Size: FS