GM Service Manual Online
For 1990-2009 cars only
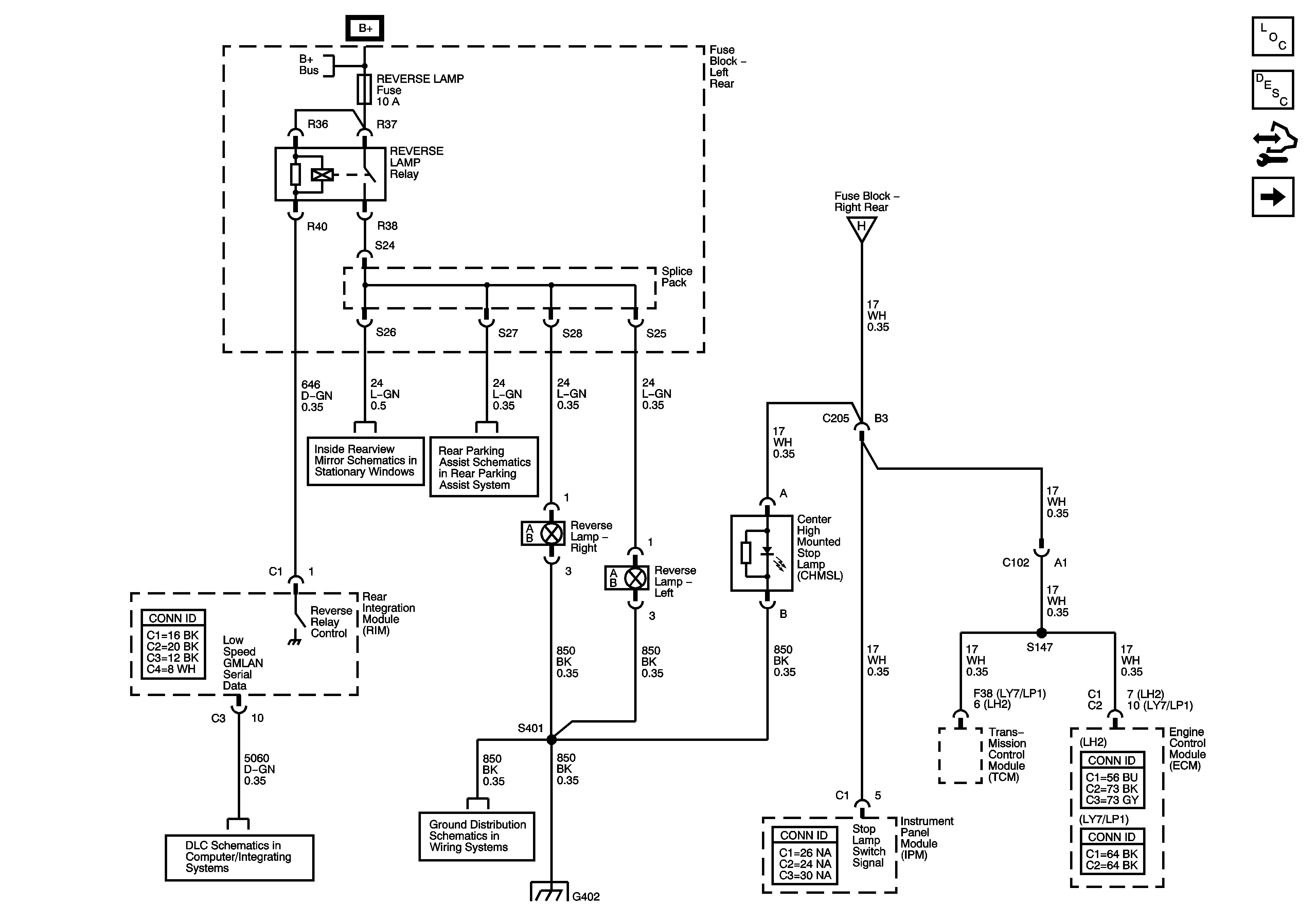
Figure 1:

Backup Lamp, CHMSL


Object Number: 2013091  Size: FS
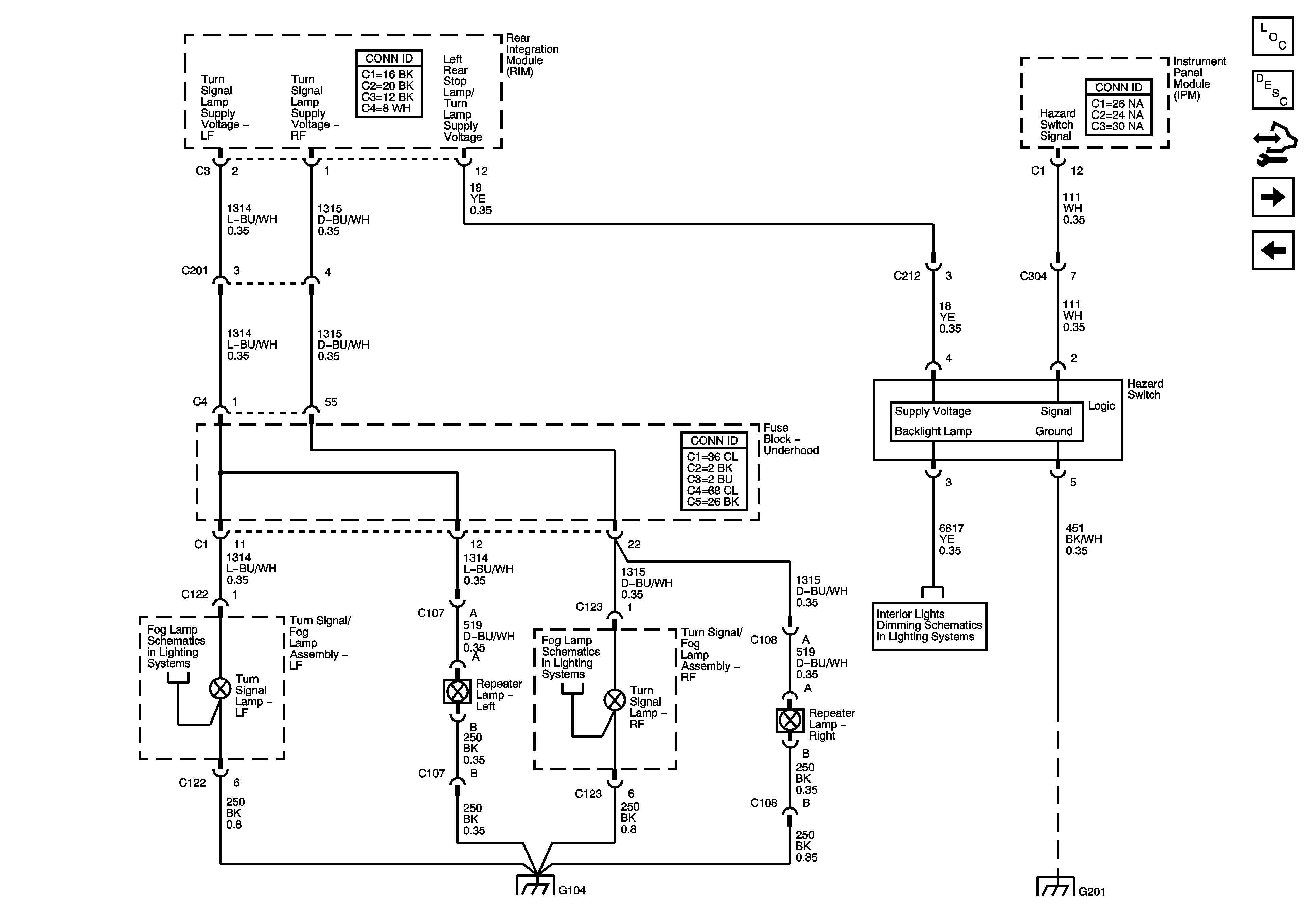
Figure 2:

Front Turn Signal and Repeater Lamps, Hazard Switch


Object Number: 2013106  Size: FS
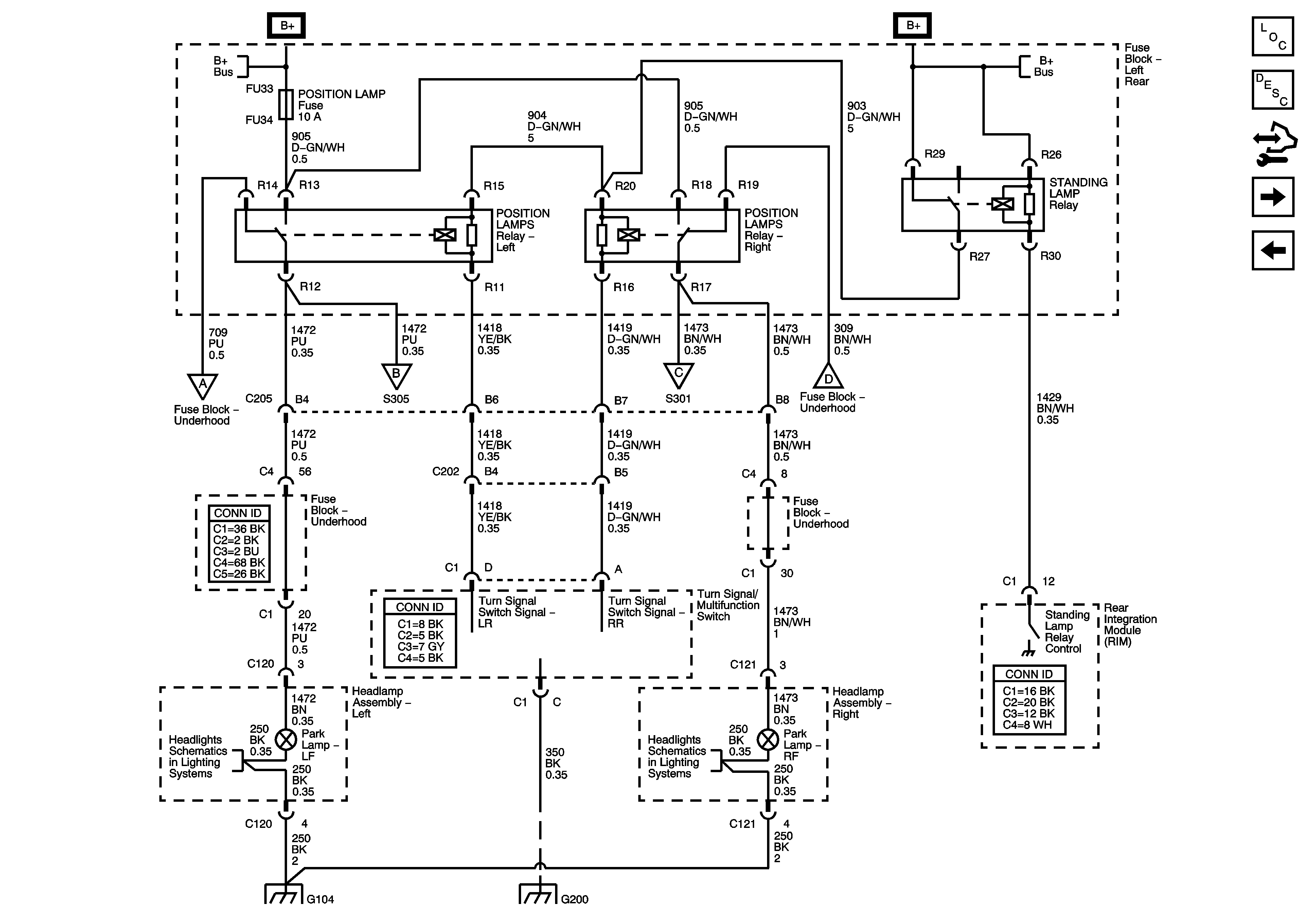
Figure 3:

Front Park Lamps, Rear Turn Signal SW Signal, LT, RT Position and Standing Lamp Relays


Object Number: 2013109  Size: FS
Figure 4:

Tail Lamp


Object Number: 2013110  Size: FS
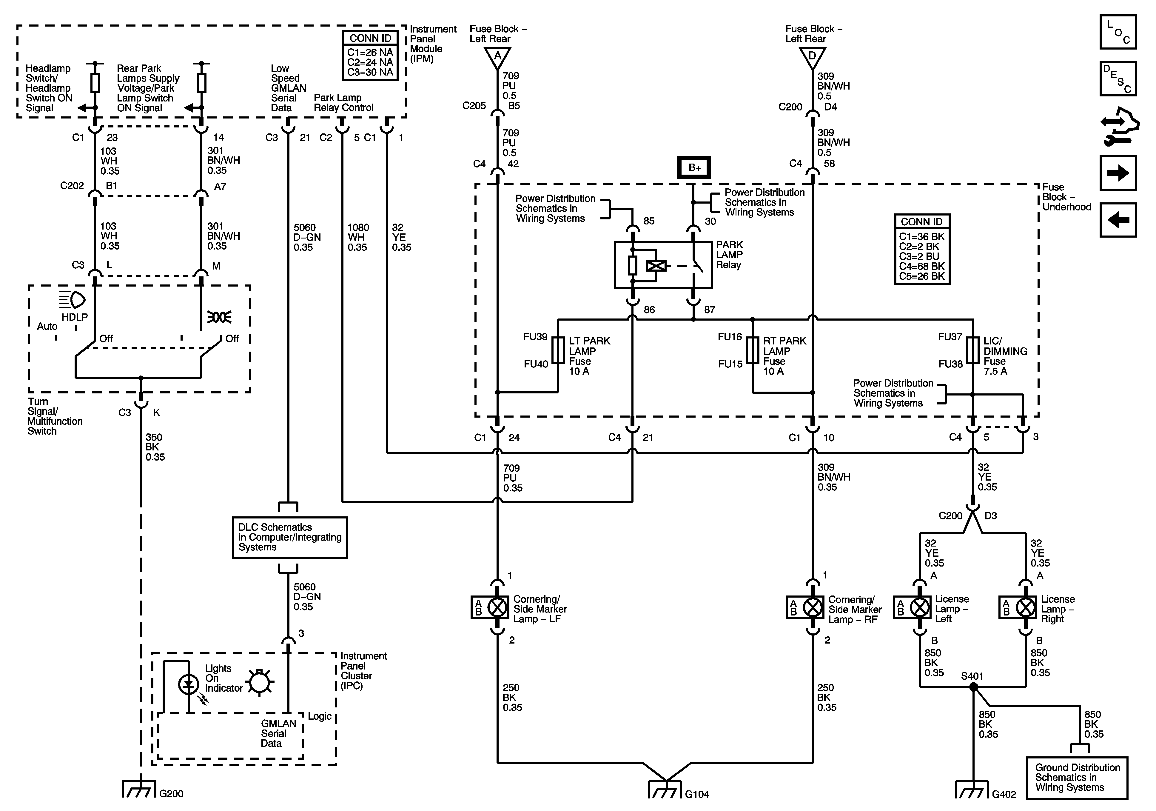
Figure 5:

Park Lamp, Switch, and Instrument Cluster


Object Number: 2013117  Size: FS
Figure 6:

Front Turn Signal Lamps, Brake Pedal Position Sensor


Object Number: 1416018  Size: FS