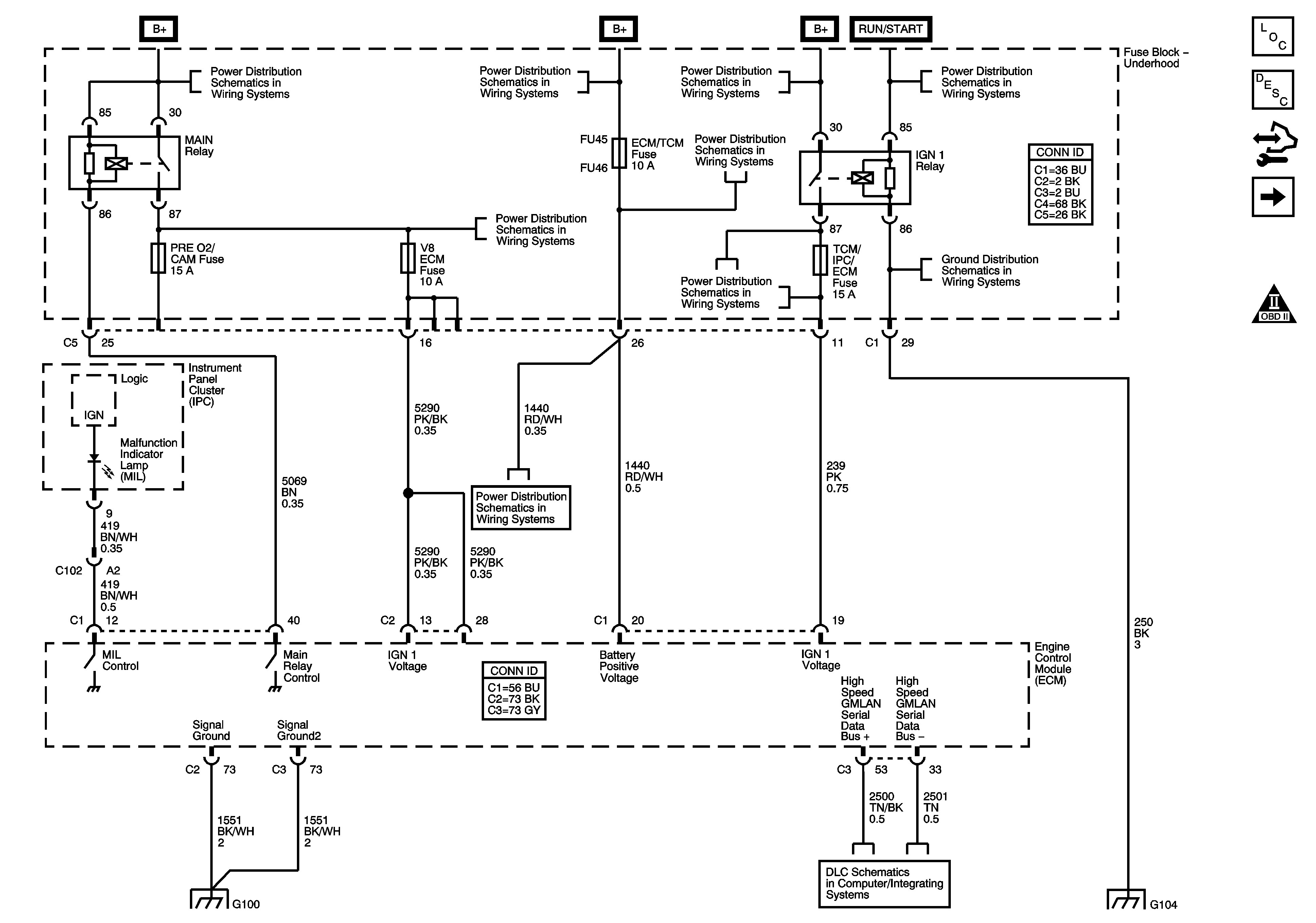
| Figure 1: |
ECM Power, Ground, Serial Data and MIL
|
| Figure 2: |
Engine Data Sensors - 5-Volt and Low Reference
|
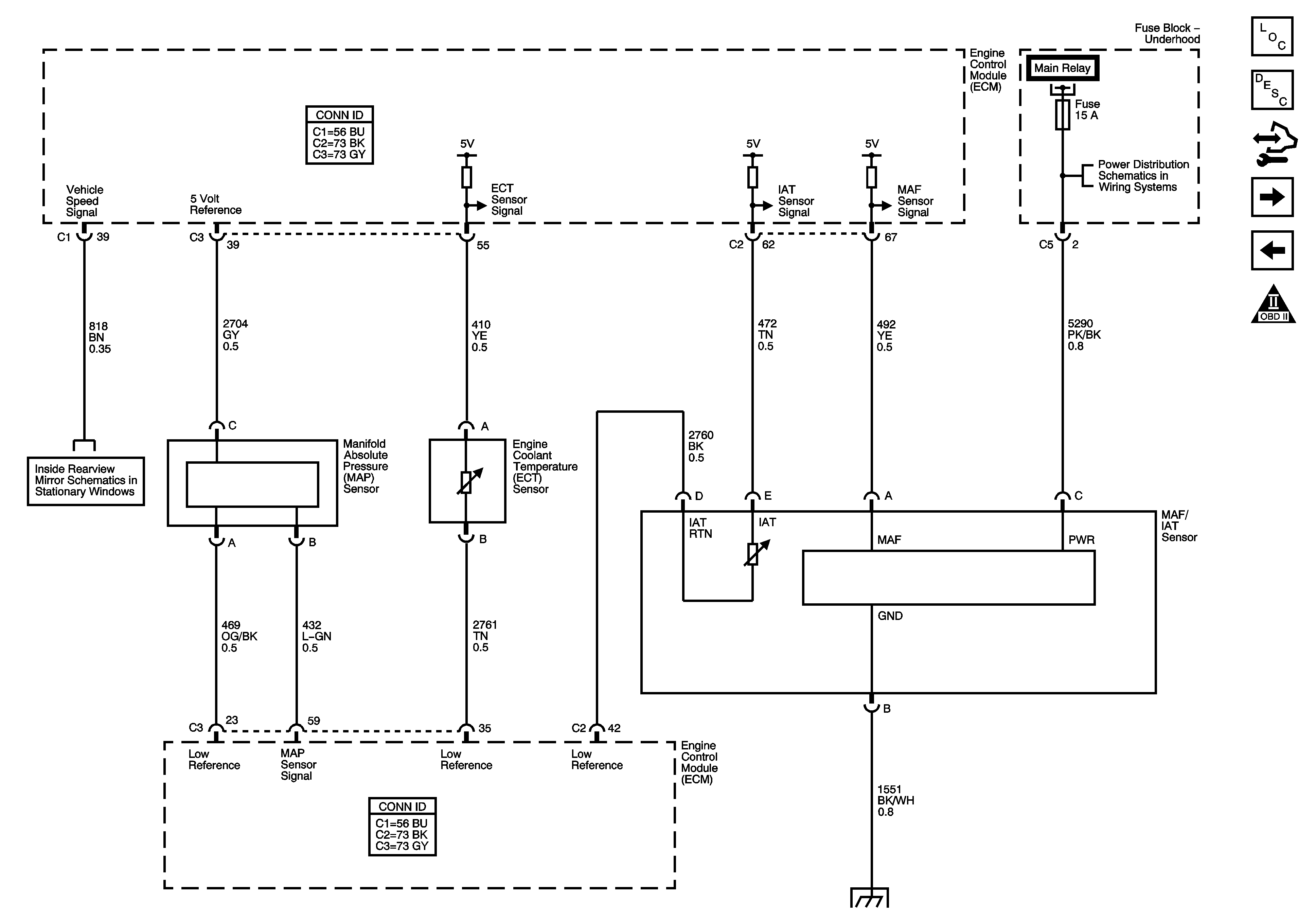
| Figure 3: |
Engine Data Sensors - Pressure, Temperature, MAF, VSS
|
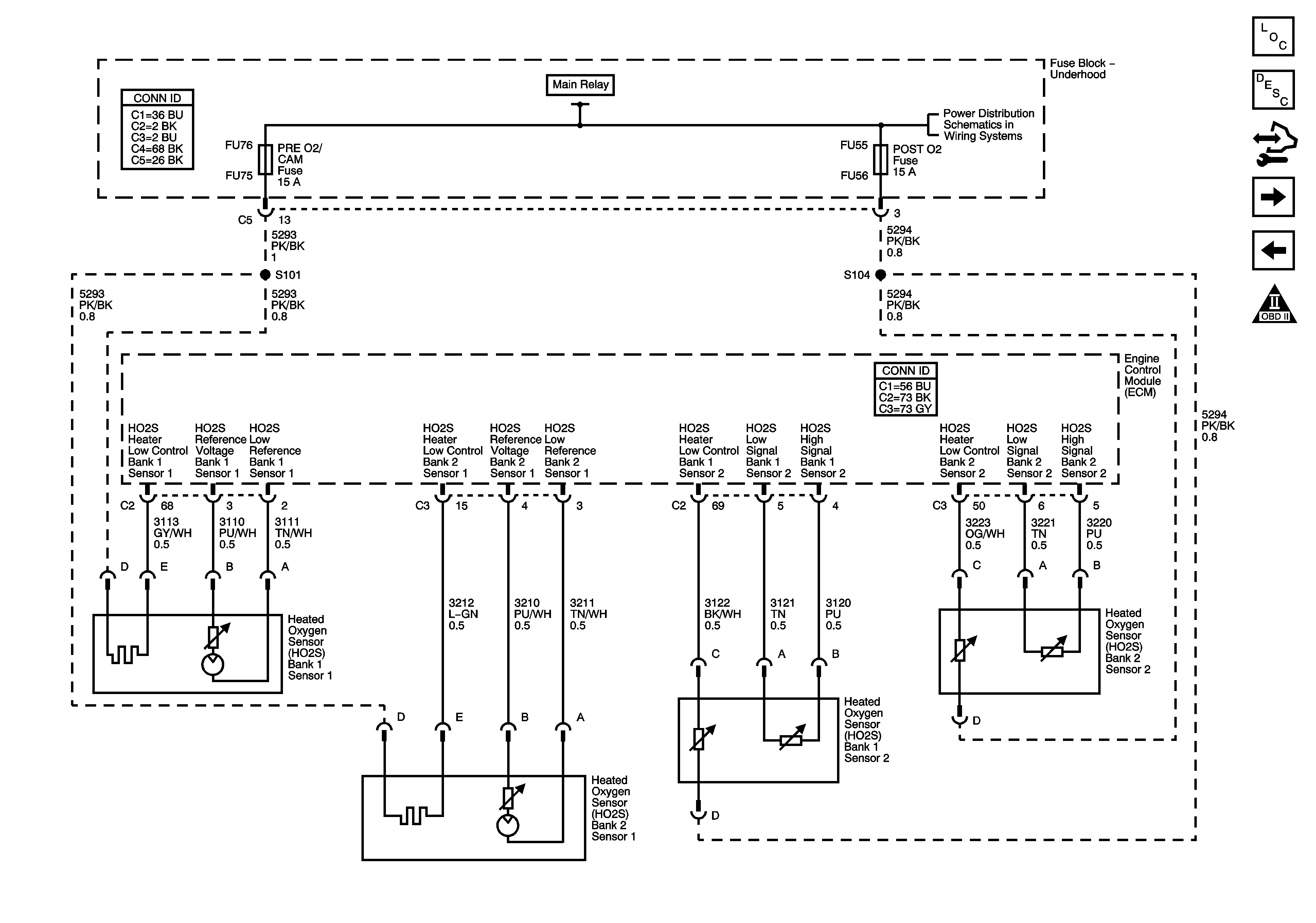
| Figure 4: |
Engine Data Sensors - Oxygen Sensors
|
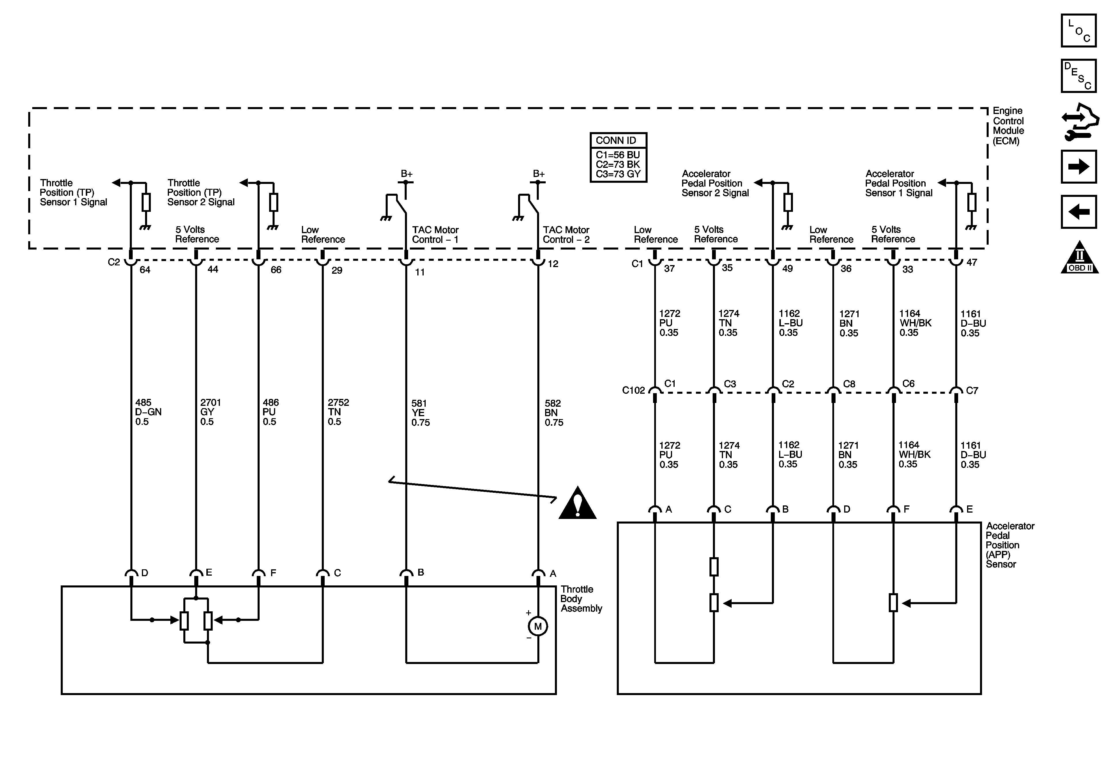
| Figure 5: |
Engine Data Sensors - Electronic Throttle Controls
|
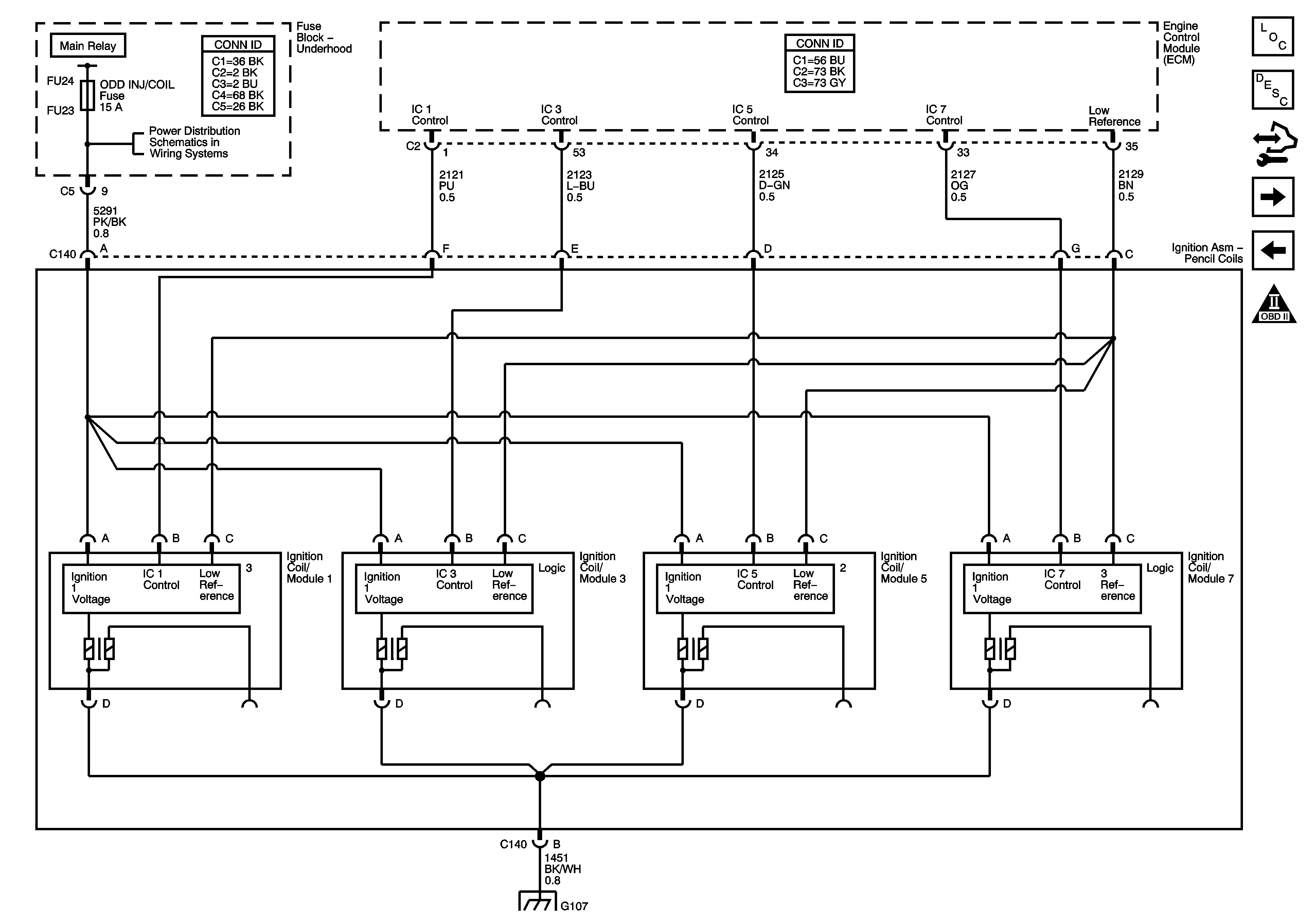
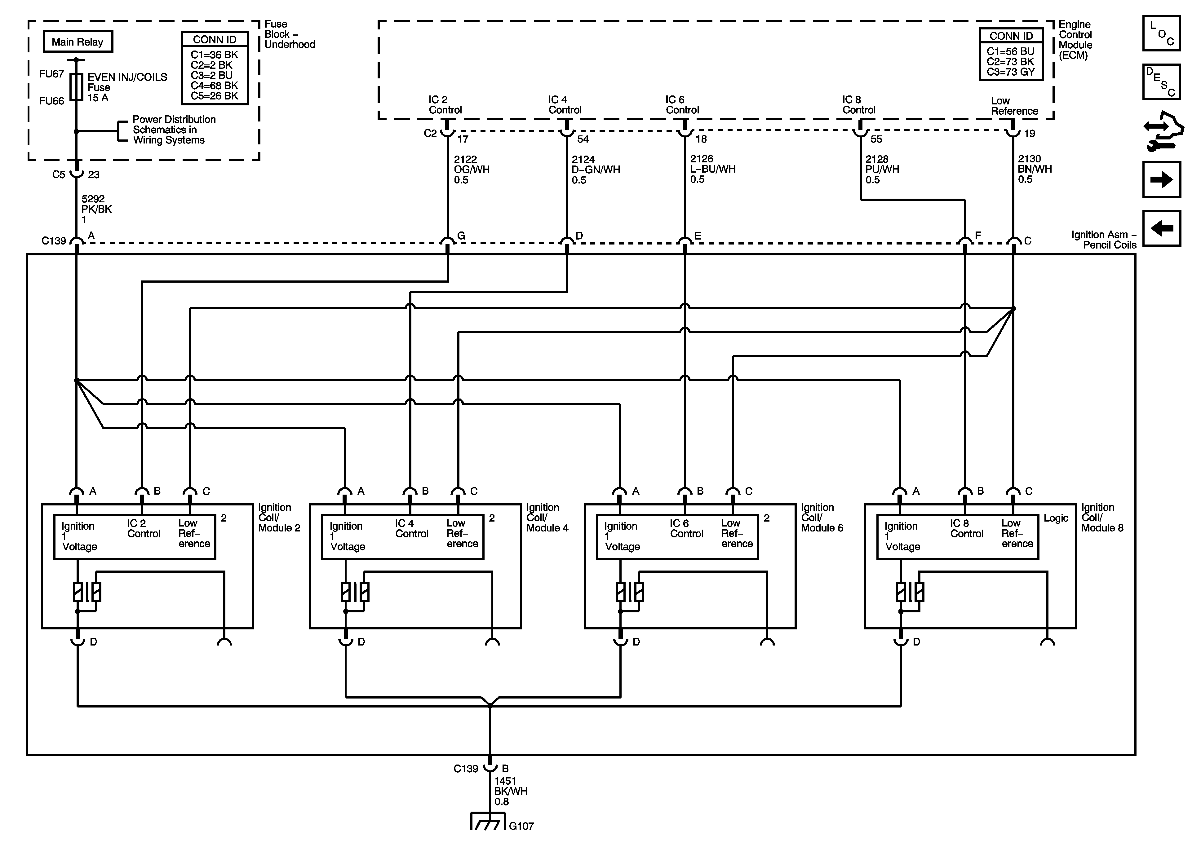
| Figure 6: |
Ignition Controls - Ignition System Bank 1
|
| Figure 7: |
Ignition Controls - Ignition System Bank 2
|
| Figure 8: |
Ignition Controls - CMP Sensors and Solenoids
|
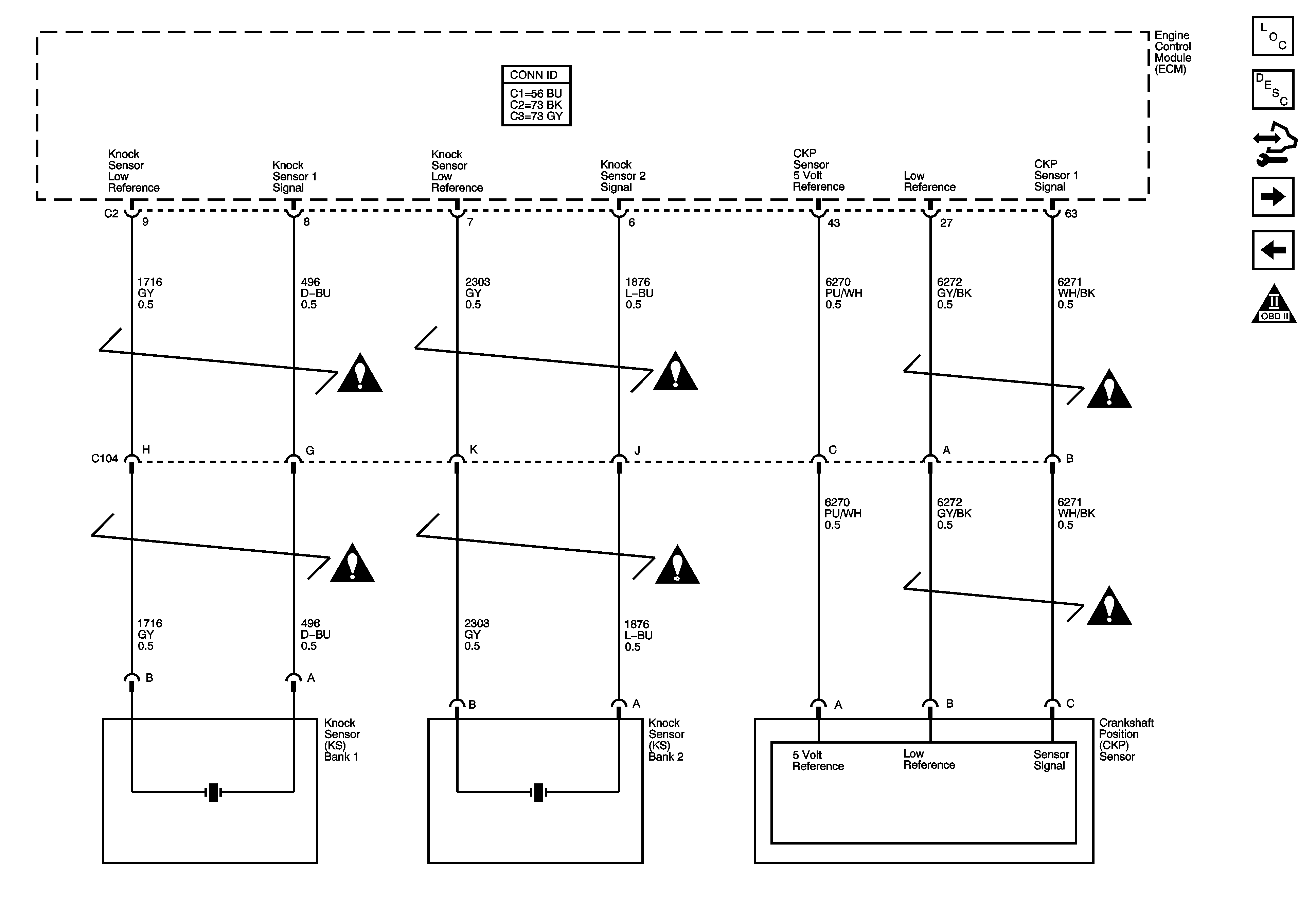
| Figure 9: |
Crankshaft Position (CKP) Sensor and Knock Sensors
|
| Figure 10: |
Fuel Controls - Injectors and Pump
|
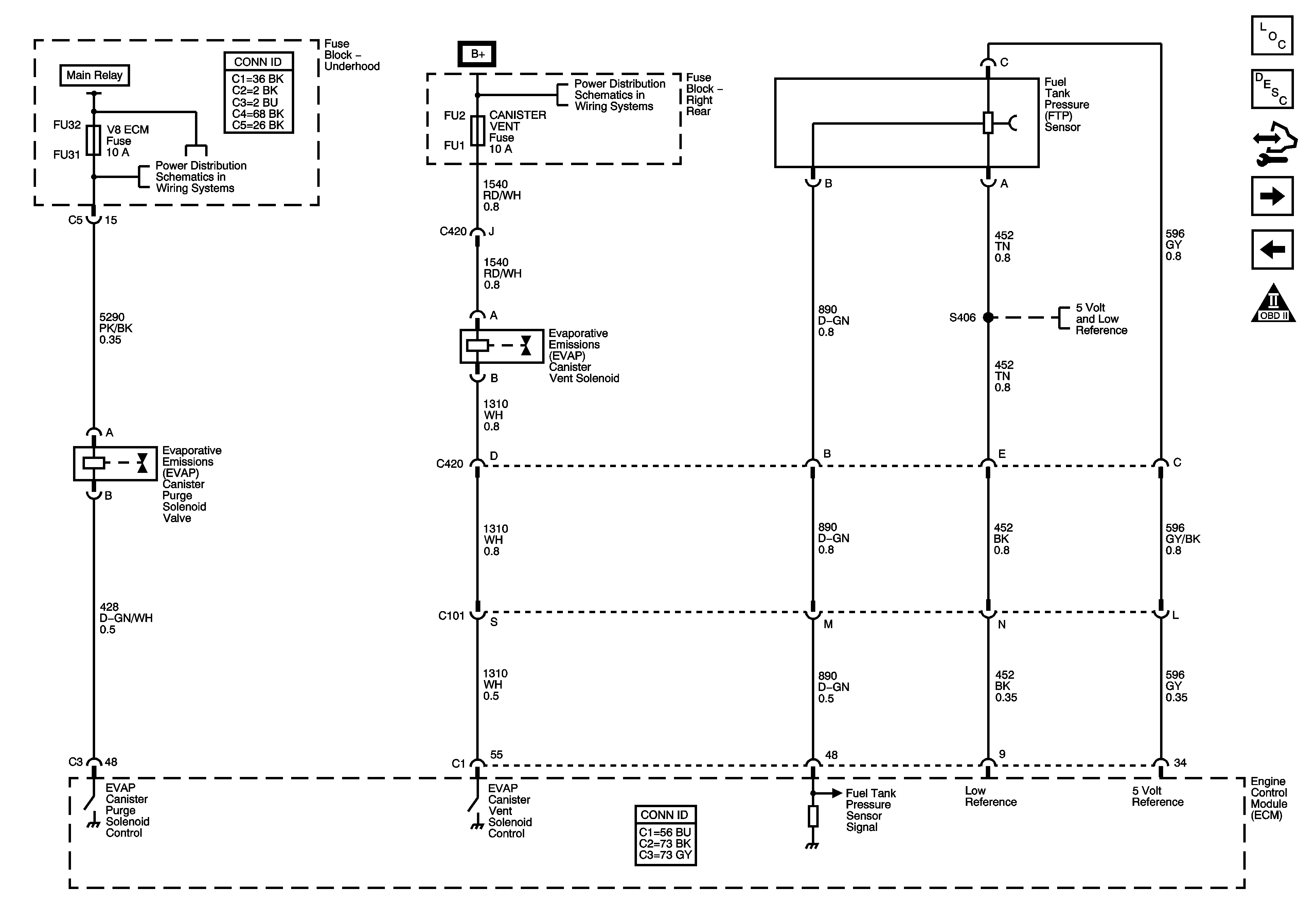
| Figure 11: |
Fuel Controls - EVAP and Fuel Tank Pressure (FTP) Sensor
|
| Figure 12: |
Controlled/Monitored Subsystem References
|