GM Service Manual Online
For 1990-2009 cars only

Removal Procedure

Notice: 

   • Turn the ignition OFF when installing or removing the control module connectors and disconnecting or reconnecting the power to the control module (battery cable, powertrain control module (PCM)/engine control module (ECM)/transaxle control module (TCM) pigtail, control module fuse, jumper cables, etc.) in order to prevent internal control module damage.
   • Control module damage may result when the metal case contacts battery voltage. DO NOT contact the control module metal case with battery voltage when servicing a control module, using battery booster cables, or when charging the vehicle battery.
   • In order to prevent any possible electrostatic discharge damage to the control module, do no touch the connector pins or the soldered components on the circuit board.
   • Remove any debris from around the control module connector surfaces before servicing the control module. Inspect the control module connector gaskets when diagnosing or replacing the control module. Ensure that the gaskets are installed correctly. The gaskets prevent contaminant intrusion into the control module.
   • The replacement control module must be programmed.

Important: It is necessary to record the remaining engine oil life. If the replacement module is not programed with the remaining engine oil life, the engine oil life will default to 100 percent. If the replacement module is not programmed with the remaining engine oil life, the engine oil will need to be changed at 5000 km (3,000 mi) from the last engine oil change.

Important: It is necessary to record the remaining automatic transmission fluid life. If the replacement module is not programed with the remaining automatic transmission fluid life, the automatic transmission fluid life will default to 100 percent. If the replacement module is not programmed with the remaining automatic transmission fluid life, the automatic transmission fluid will need to be changed at 83000 km (50,000 mi) from the last automatic transmission fluid change.

  1. Using a scan tool, retrieve the percentage of remaining engine oil and the remaining automatic transmission fluid life. Record the remaining engine oil and the remaining automatic transmission fluid life.
  2. Turn OFF the ignition.
  3. Disconnect the battery negative cable. Refer to Battery Negative Cable Disconnection and Connection .

  4. Object Number: 699902  Size: SH
  5. Raise and support the vehicle. Refer to Lifting and Jacking the Vehicle .
  6. Remove the front air deflector. Refer to Front Air Deflector Replacement .

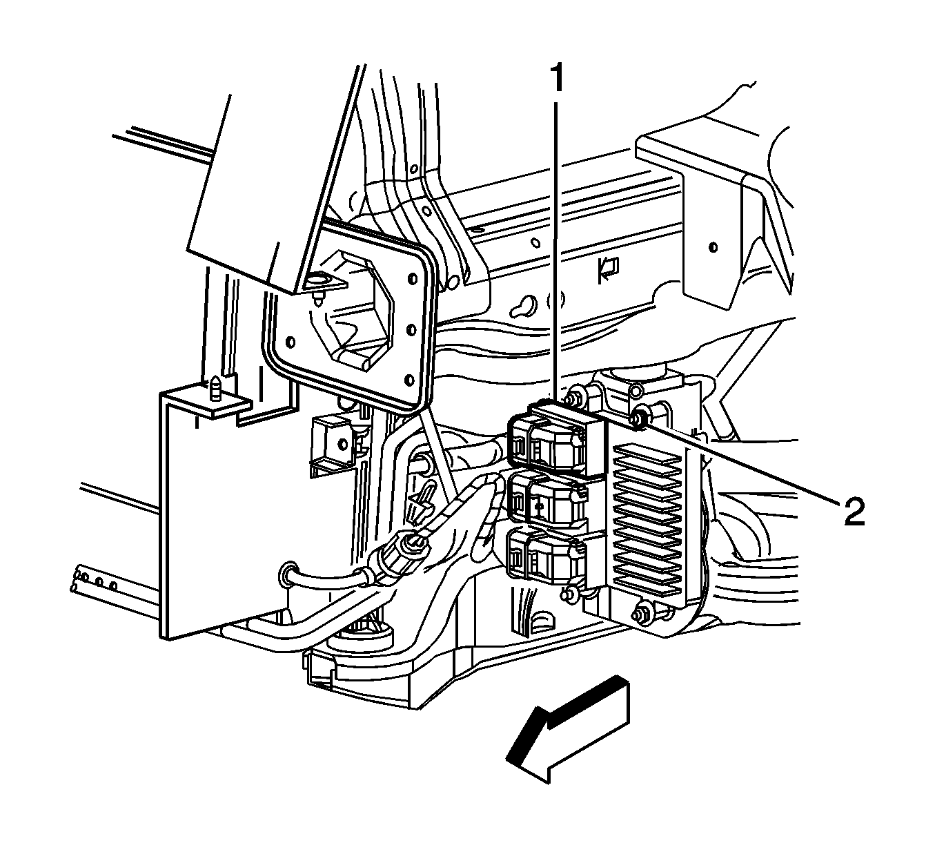
  7. Object Number: 1269407  Size: SH
  8. Disconnect the engine control module (ECM) electrical connectors (1).
  9. Remove the ECM mounting nuts (2).
  10. Remove the ECM from the vehicle.

Installation Procedure


    Object Number: 1269407  Size: SH
  1. Install the ECM to the vehicle.
  2. Notice: Refer to Fastener Notice in the Preface section.

  3. Install the ECM mounting nuts (2).
  4. Tighten
    Tighten the nuts to 8 N·m (71 lb in).

  5. Connect the ECM electrical connectors (1).

  6. Object Number: 699902  Size: SH
  7. Install the front air deflector. Refer to Front Air Deflector Replacement .
  8. Lower the vehicle.
  9. Connect the battery negative cable. Refer to Battery Negative Cable Disconnection and Connection .
  10. Program the ECM. Refer to Control Module References .