GM Service Manual Online
For 1990-2009 cars only
Makes
🢒
Cadillac
🢒
2008
🢒
SLS
🢒
Suspension
🢒
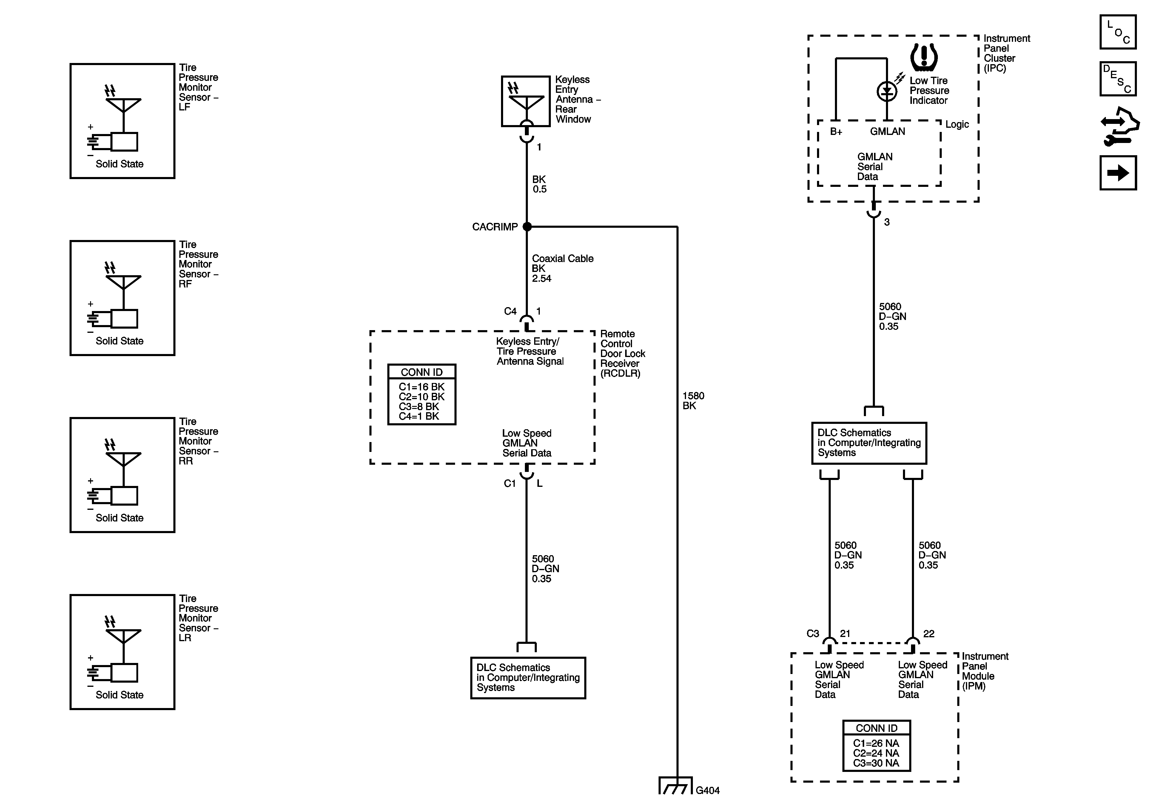
Tire Pressure Monitoring
🢒 Tire Pressure Monitoring System Schematics