GM Service Manual Online
For 1990-2009 cars only

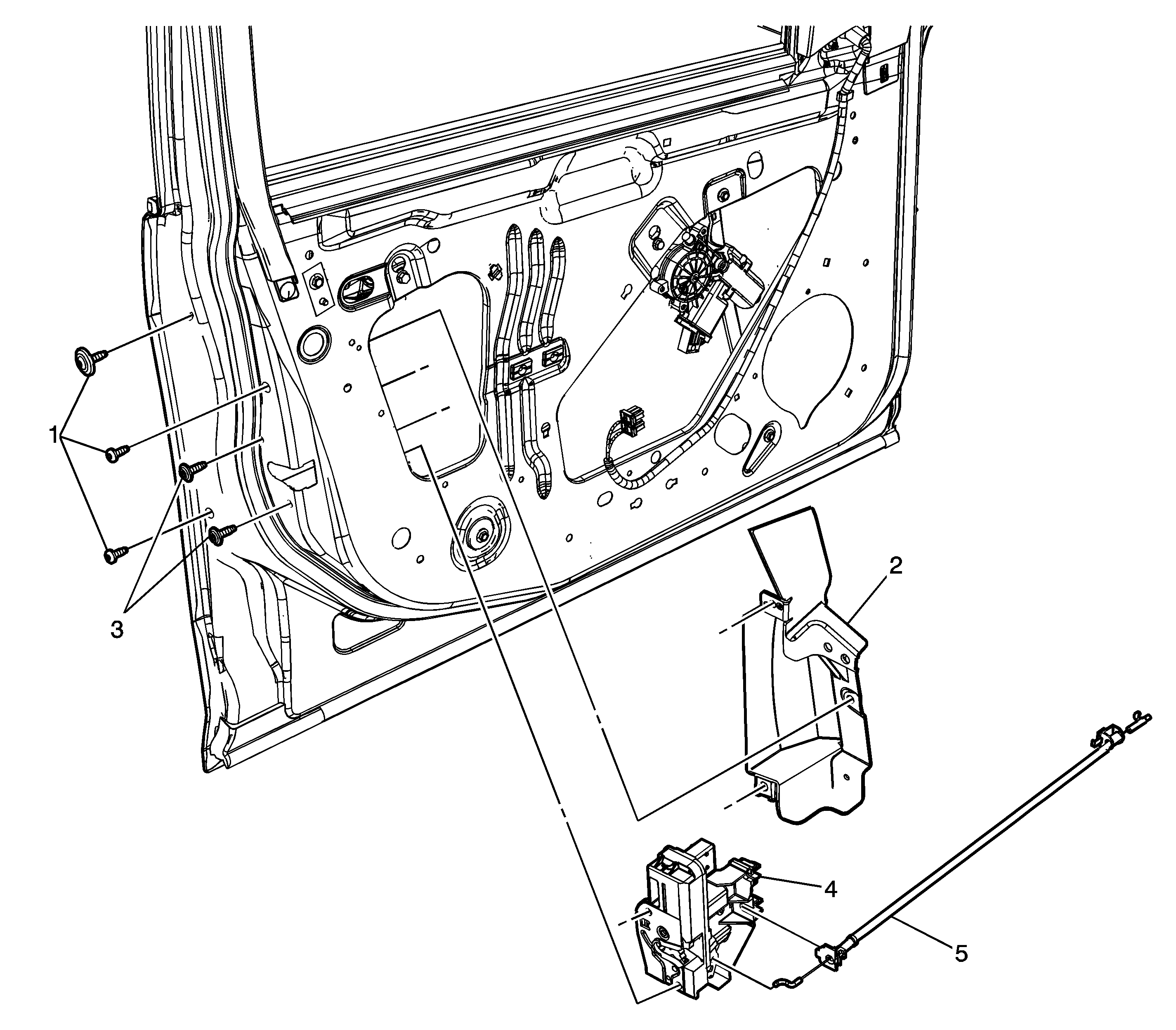
Object Number: 1477687  Size: LF

Callout

Component Name

Front Side Door Lock Assembly Replacement

Preliminary Procedures

  1. Remove the front side door trim panel. Refer to Front Side Door Trim Panel Replacement .
  2. Remove the front side door water deflector. Refer to Water Deflector - Front Side Door.

1

Front Side Door Lock Screw (Qty: 2)

Notice: Refer to Fastener Notice in the Preface section.

Tighten
5 N·m (44 lb in)

2

Front Side Door Lock Assembly

3

Front Side Door Lock Screw (Qty: 2)

Tighten
9 N·m (80 lb in)

4

Front Side Door Lock Assembly

Tip

  1. Raise the window to the full up position.
  2. The following items will need to be disconnected for removal and reconnected for installation:
  3. • Lock cylinder rod
    • Outside handle lock rod by opening the clip
    • Lock assembly electrical connector
  4. Remove the lock assembly from the door with the inside handle cable assembly attached.