GM Service Manual Online
For 1990-2009 cars only
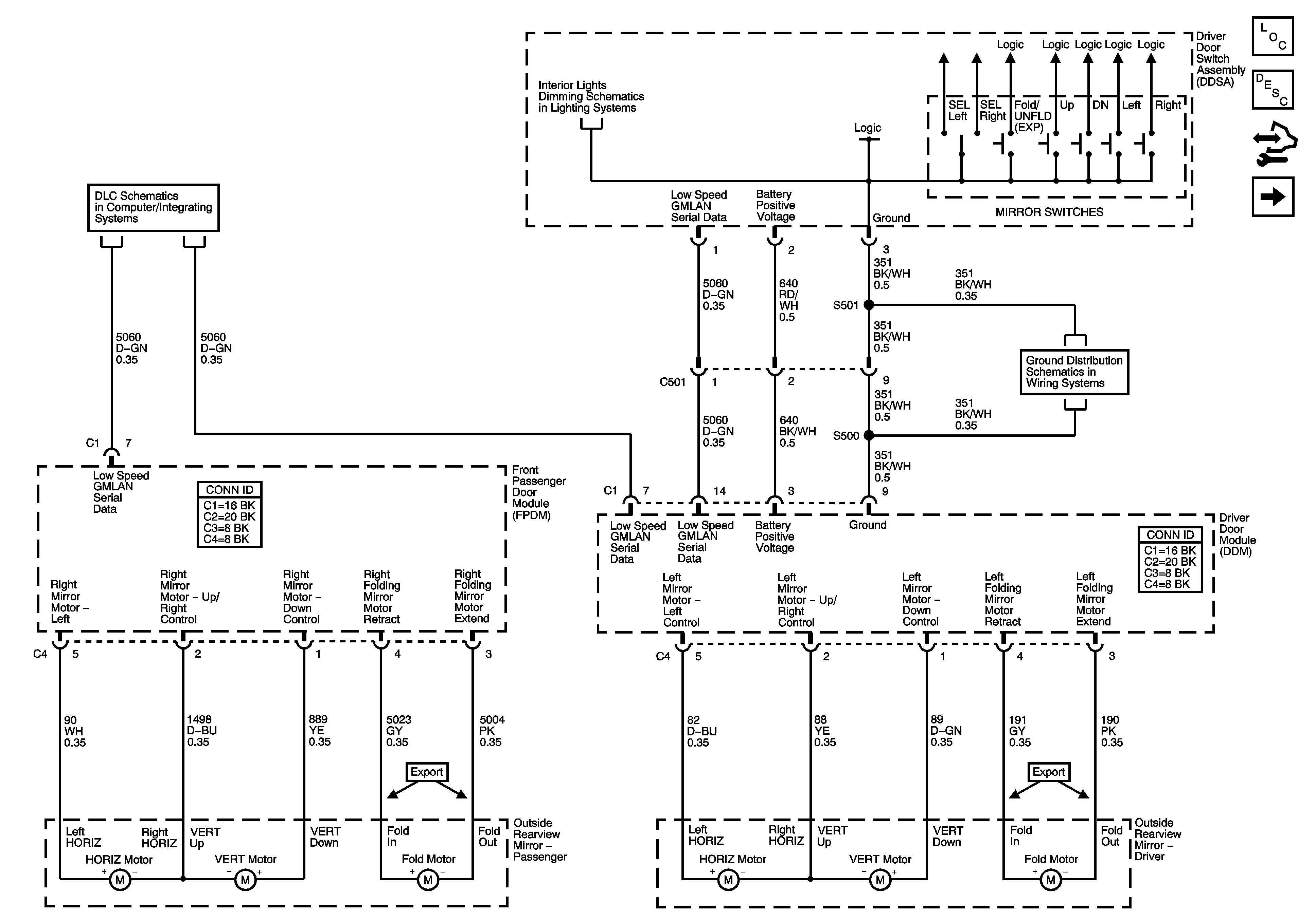
Figure 1:

Driver and Passenger Side Outside Mirror


Object Number: 2017447  Size: FS
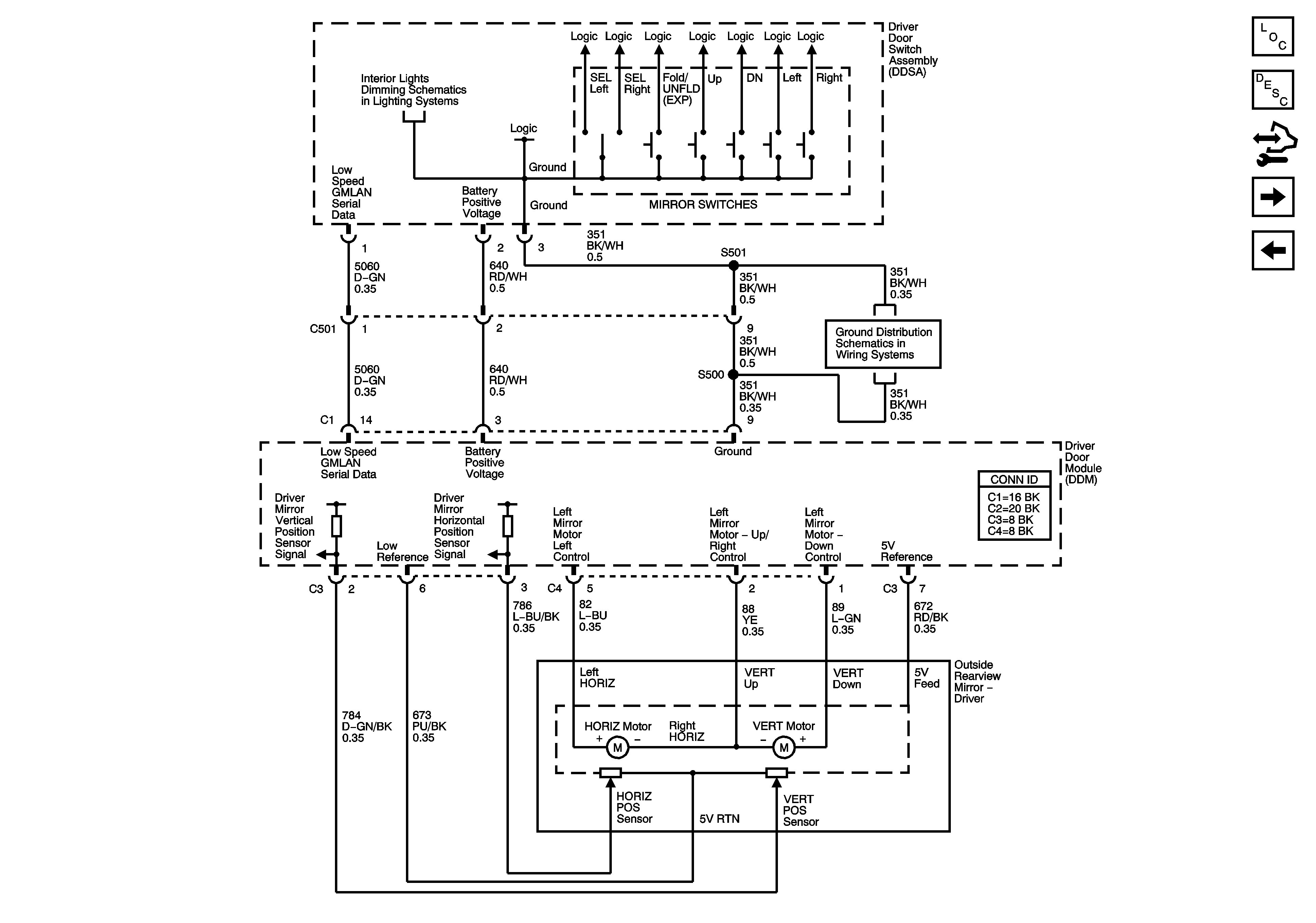
Figure 2:

Driver Side Outside Mirror w/Memory


Object Number: 2017448  Size: FS
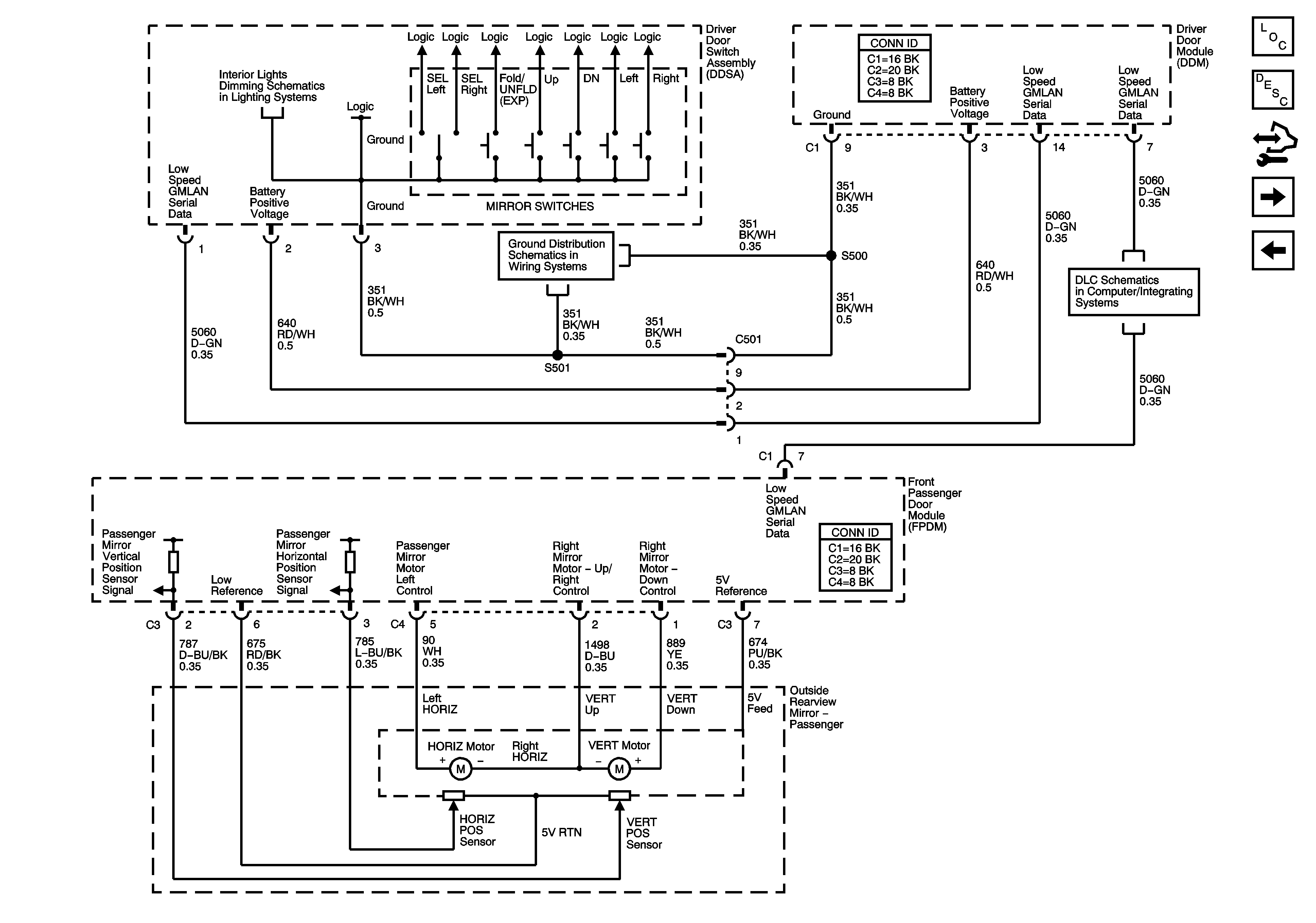
Figure 3:

Front Passenger Side Outside Mirror w/Memory


Object Number: 2017449  Size: FS
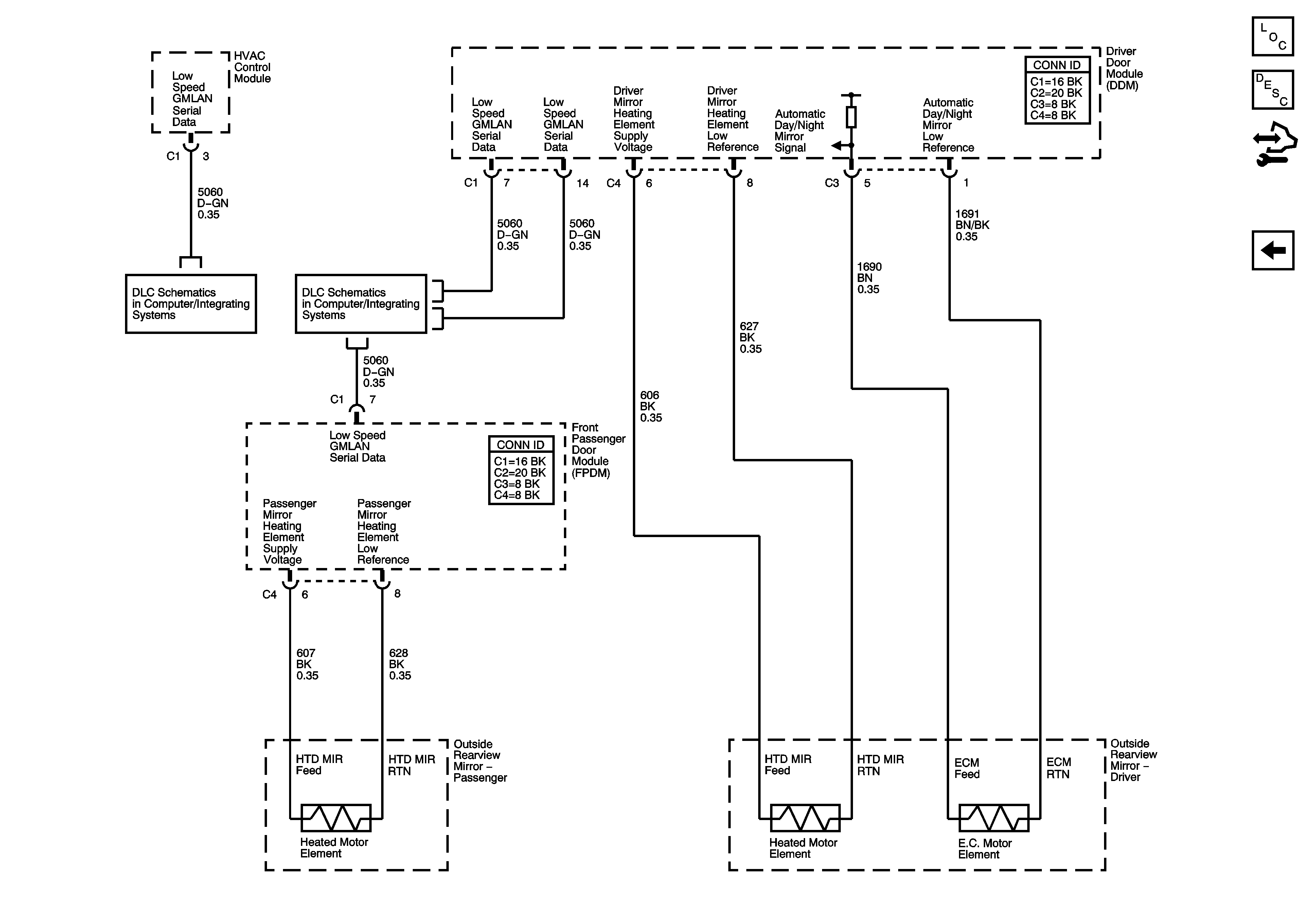
Figure 4:

Heated Mirror


Object Number: 2017450  Size: FS