GM Service Manual Online
For 1990-2009 cars only
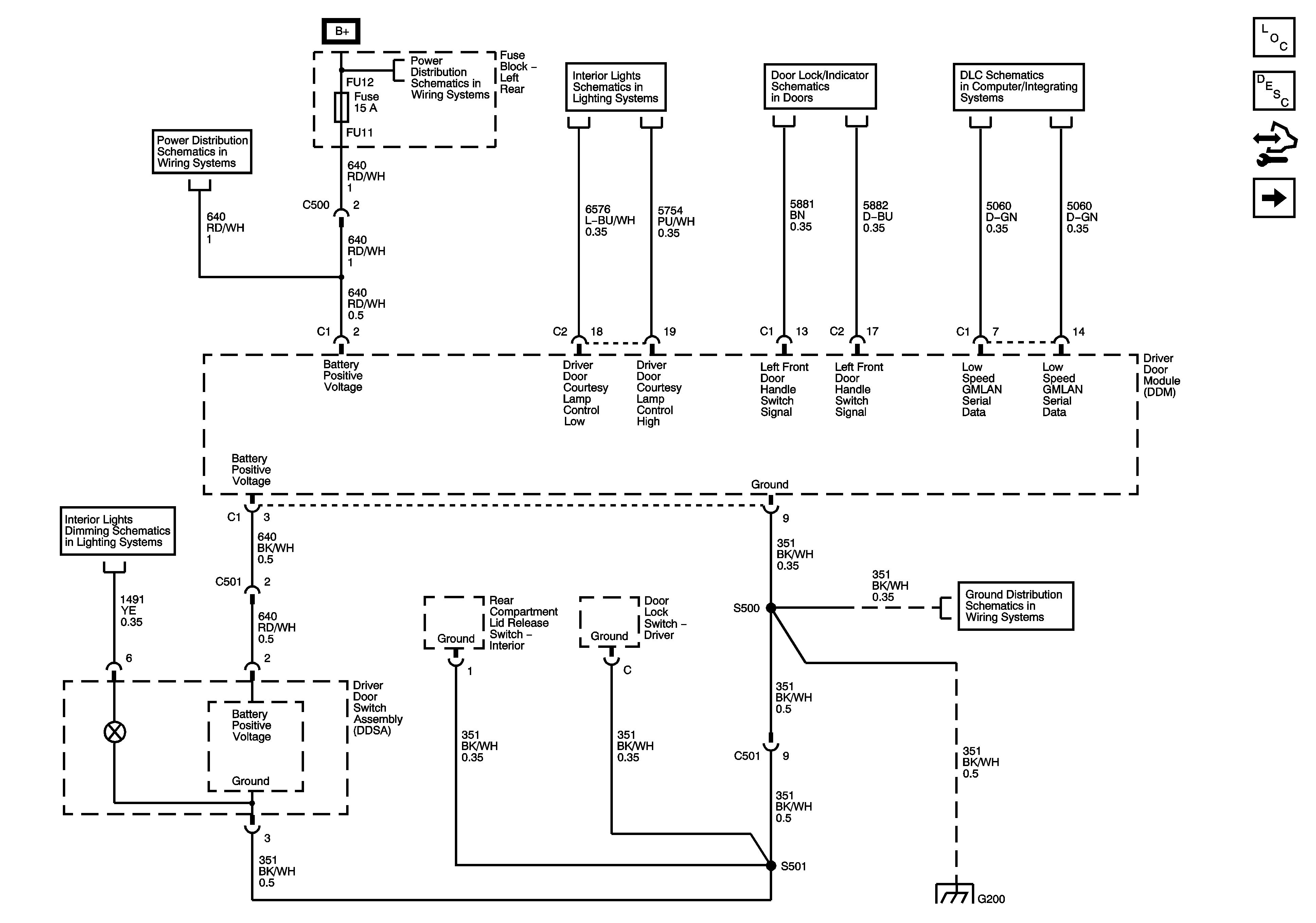
Figure 1:

DDM Power, Ground and DLC


Object Number: 2017452  Size: FS
Figure 2:

DDM Signals/Controls 1 of 2


Object Number: 2017453  Size: FS
Figure 3:

DDM Signals/Controls 2 of 2


Object Number: 2017454  Size: FS
Figure 4:

FPDM Power, Ground and DLC


Object Number: 2017455  Size: FS
Figure 5:

FPDM Signals/Controls 1 of 2


Object Number: 2017456  Size: FS
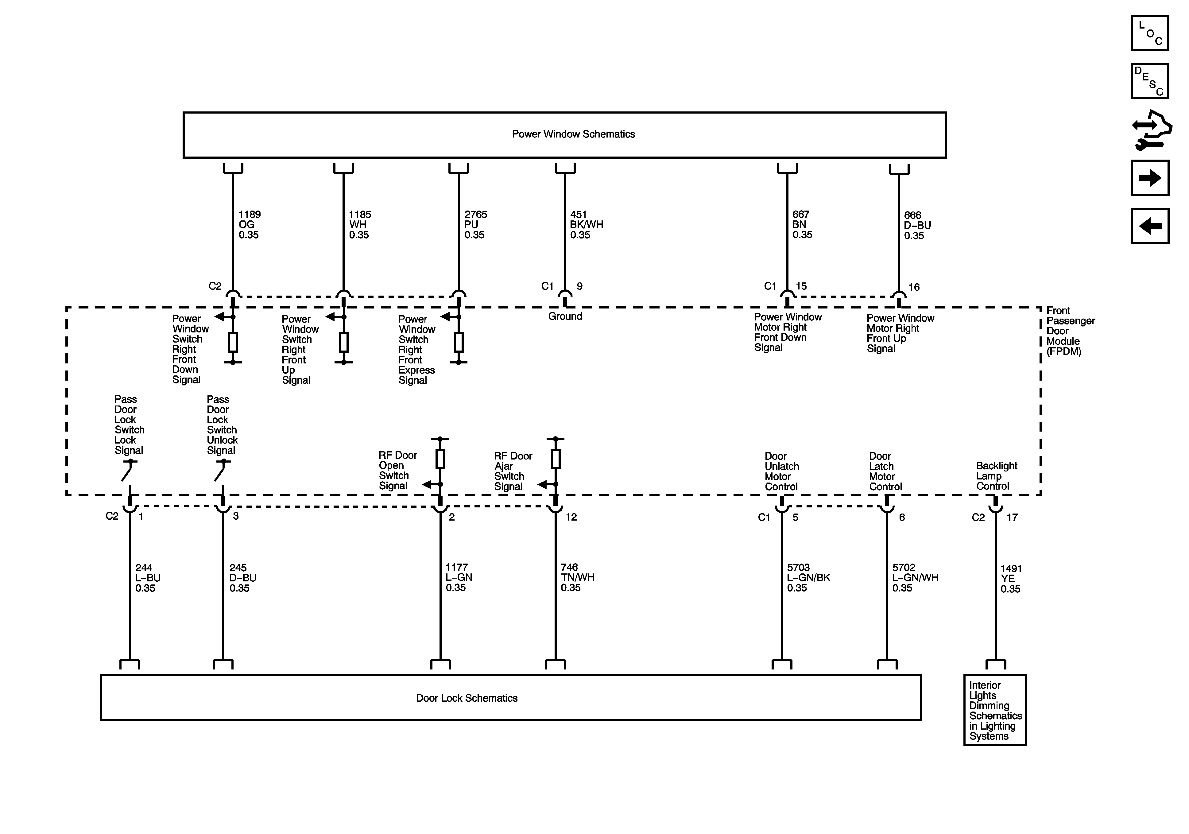
Figure 6:

FPDM Signals/Controls 2 of 2


Object Number: 2017457  Size: FS
Figure 7:

LRDM Power, Ground and DLC


Object Number: 2017458  Size: FS
Figure 8:

LRDM Signals/Controls


Object Number: 2017459  Size: FS
Figure 9:

RRDM Power, Ground and DLC


Object Number: 2017460  Size: FS
Figure 10:

RRDM Signals/Controls


Object Number: 2017461  Size: FS