GM Service Manual Online
For 1990-2009 cars only
Figure 1:

Fuse Block - Underhood - Electrical Center


Object Number: 2014492  Size: FS
Figure 2:

Left Rear Fuse Block - Electrical Center


Object Number: 2014493  Size: FS
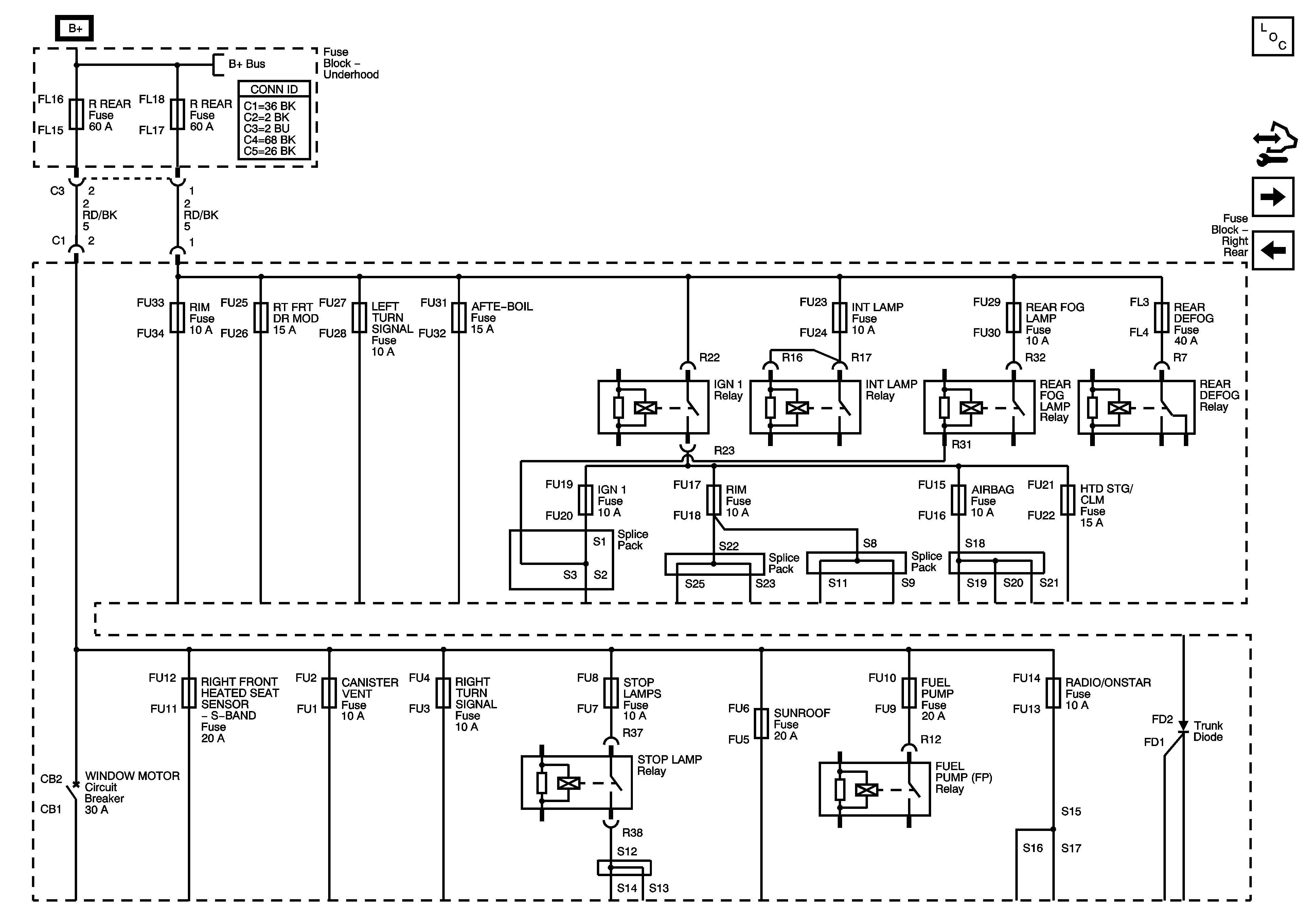
Figure 3:

Right Rear Fuse Block - Electrical Center


Object Number: 2014494  Size: FS
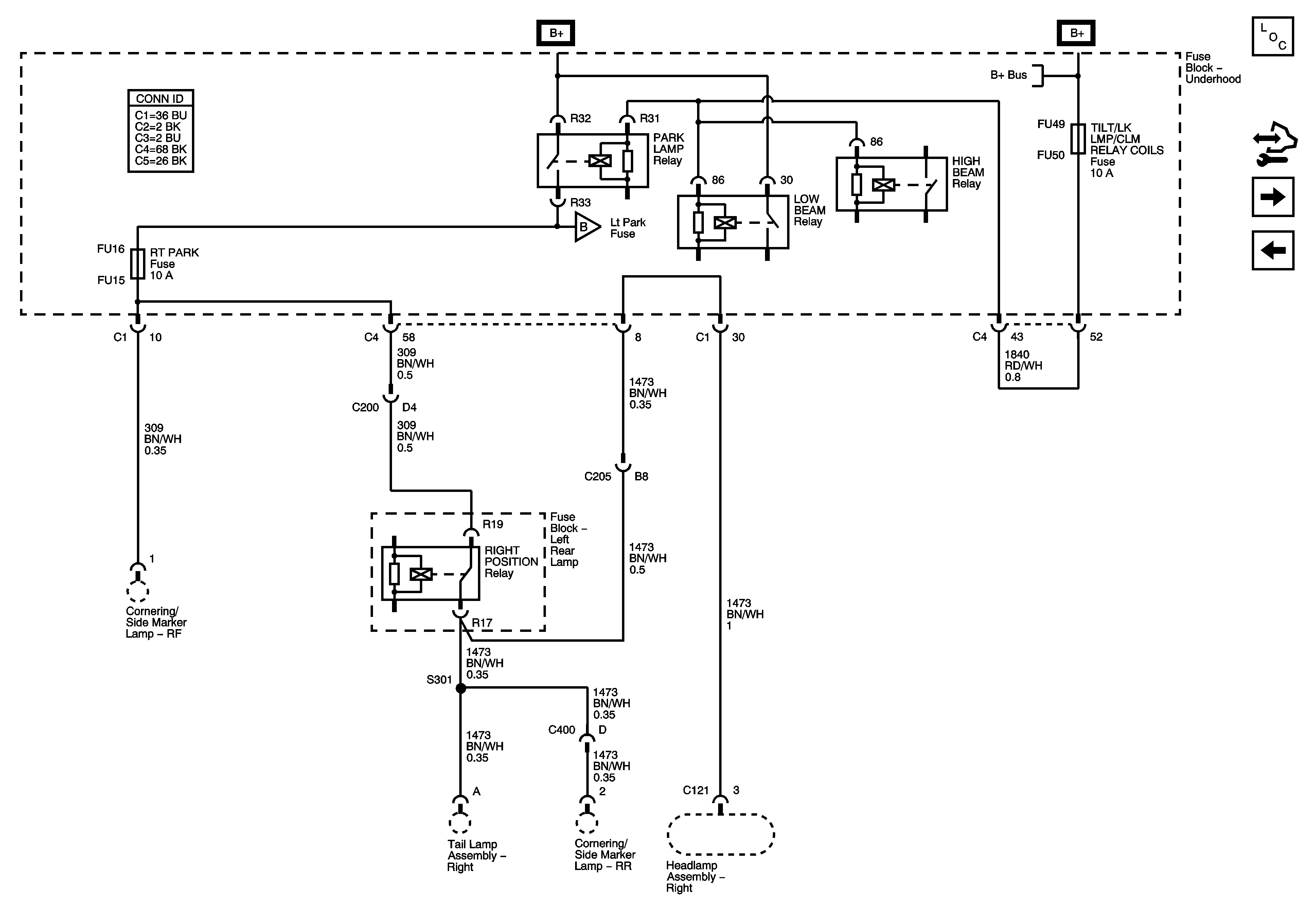
Figure 4:

Fuse Block - Underhood - Park Lamp Relay, RT Park Lamp Fuse, Tilt/LK LMP/CLM Relay, Coils Fuse


Object Number: 2014495  Size: FS
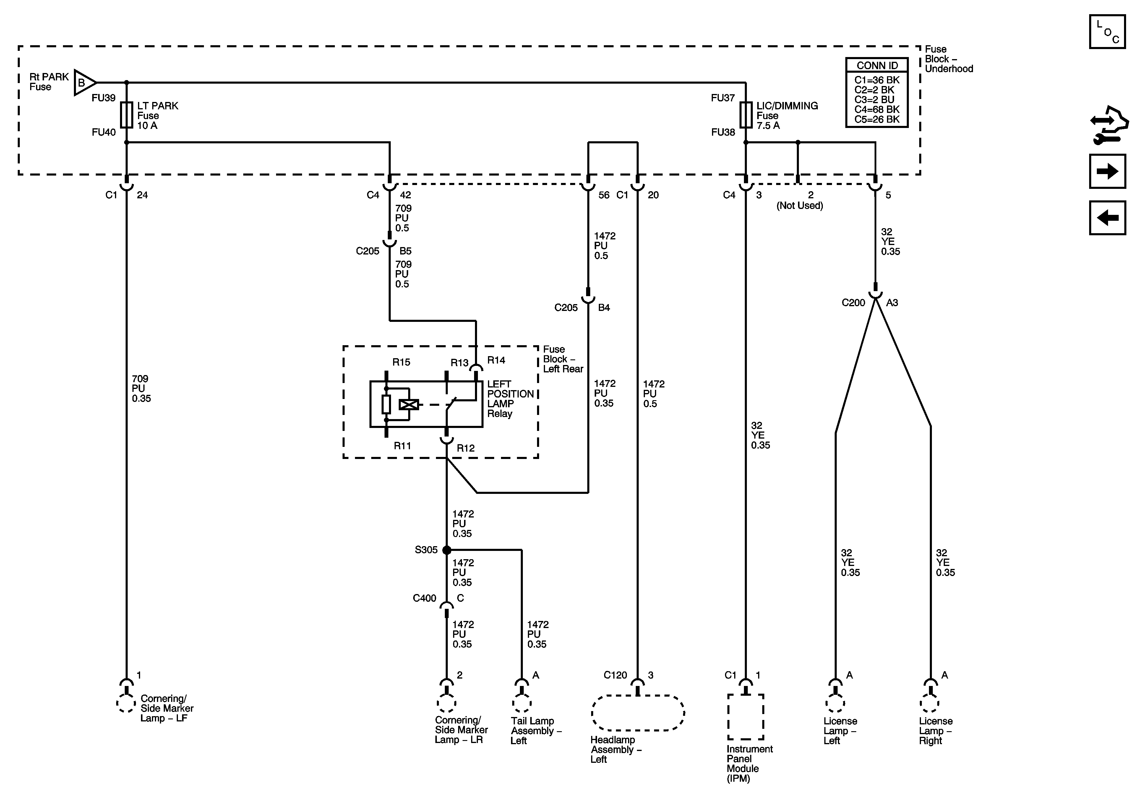
Figure 5:

Fuse Block - Underhood - LT Park Lamp Fuse, License Lamp, Dimming Fuse


Object Number: 2014496  Size: FS
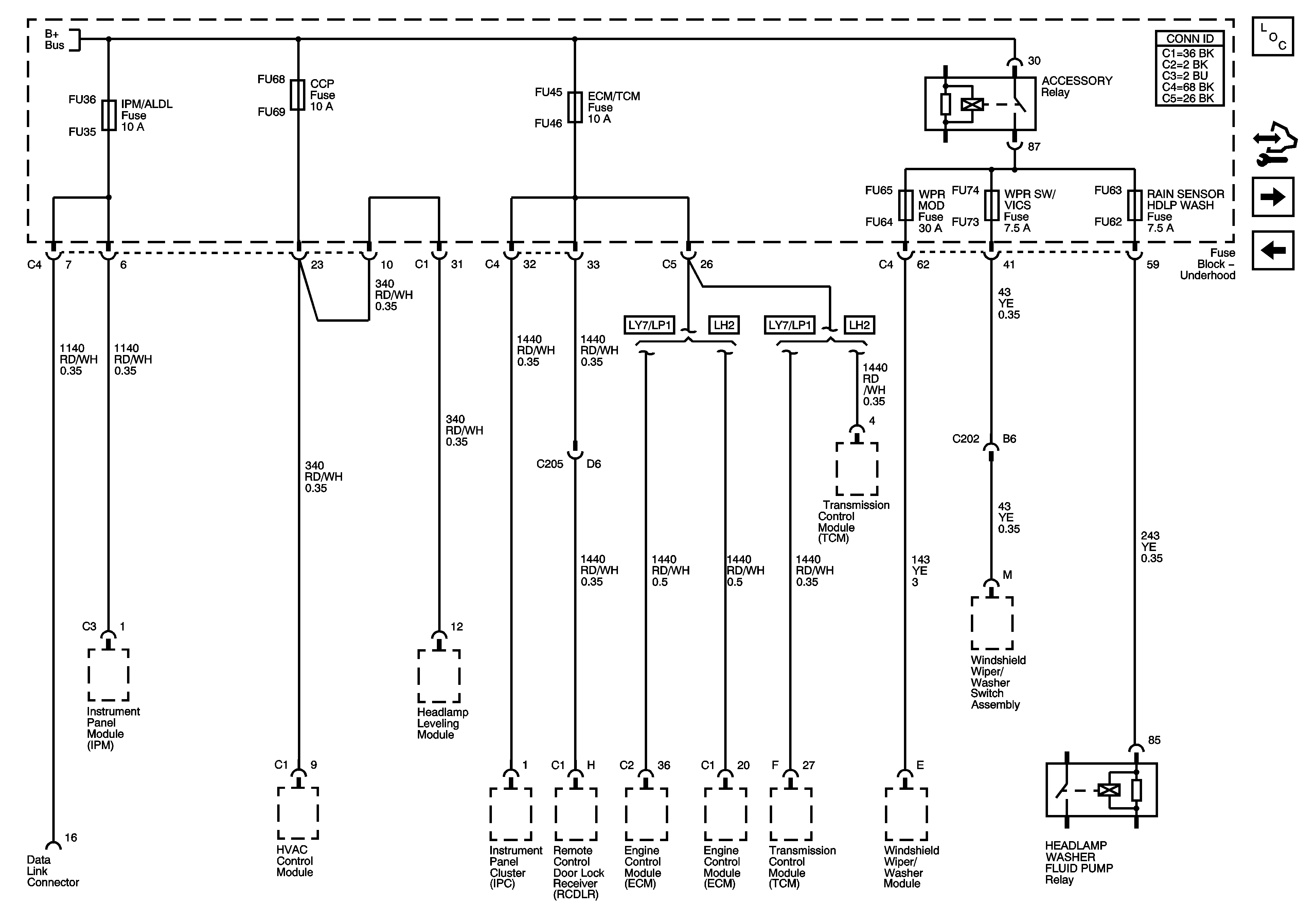
Figure 6:

Fuse Block - Underhood Fuses/Relay - IPM/ALDL, Smart Beam, ECM/TCM, Temperature Control Panel, Wiper Module, Wiper Switch and Rain Sensor/Headlamp Washer Fuse, Accessory Relay


Object Number: 2014497  Size: FS
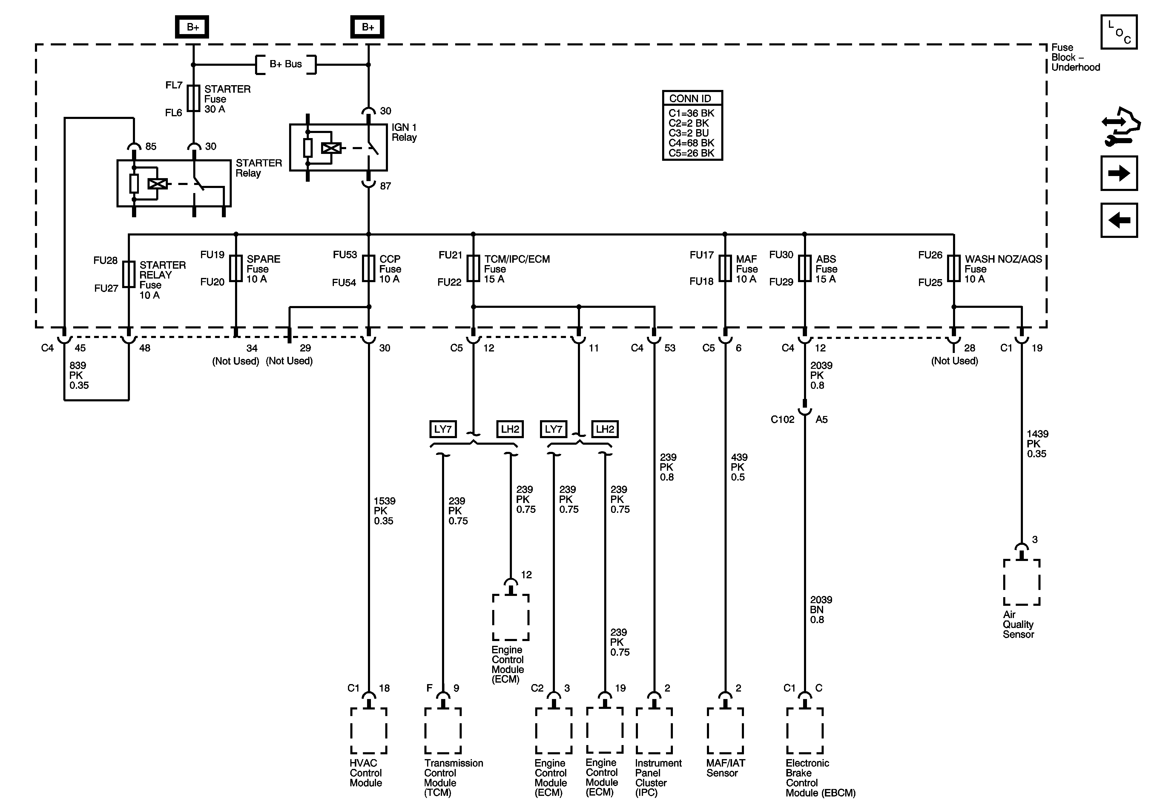
Figure 7:

Fuse Block - Underhood - Starter, IGN 1 Relay, Starter Relay, TCM/IPM/ECM, Temperature Control Module, MAF, ABS and Washer Nozzle/Acc Fuse


Object Number: 2014498  Size: FS
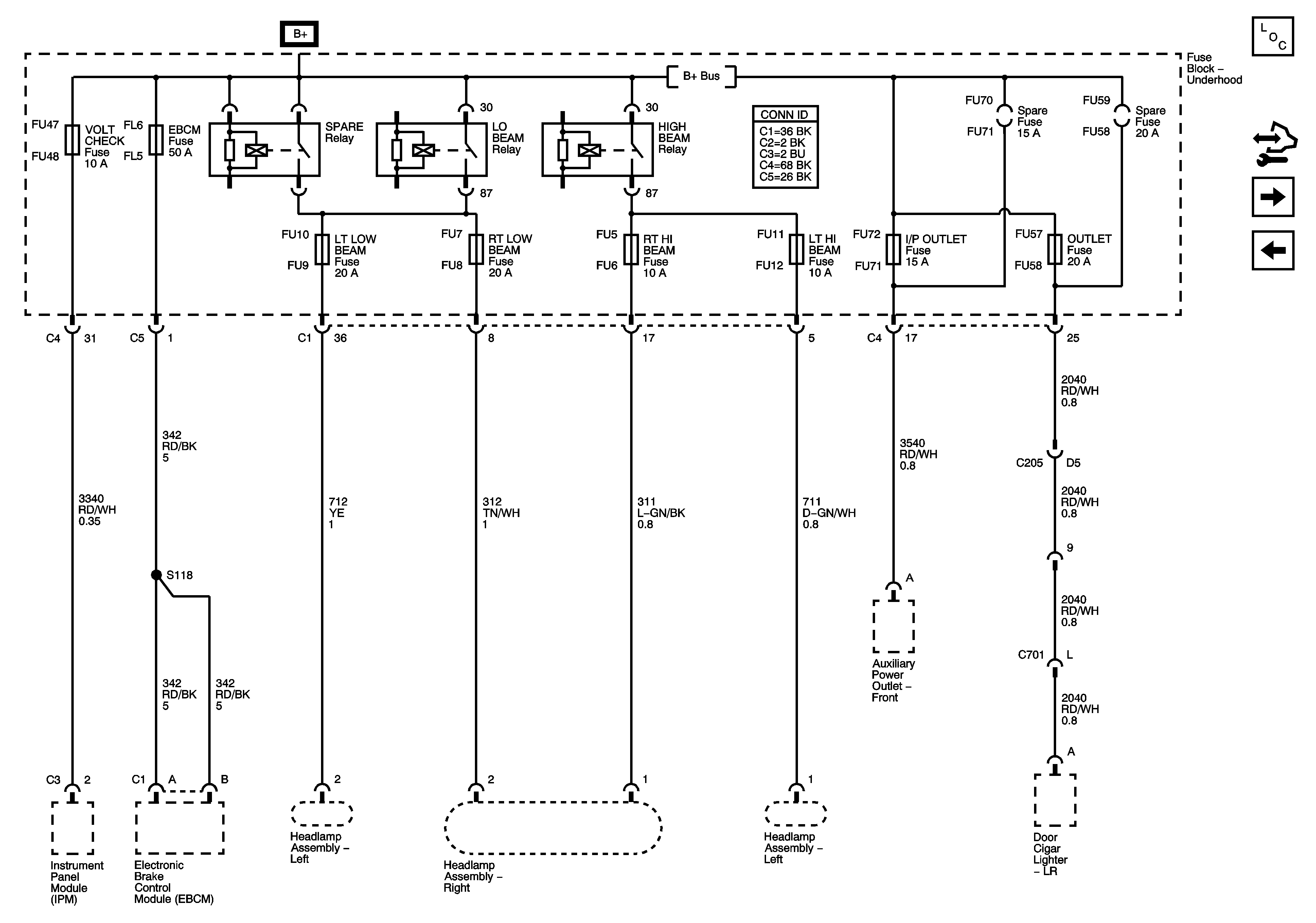
Figure 8:

Fuse Block - Underhood - LO Beam, HI Beam, Power Outlet and Spare Relay, Voltage Check, EBCM, LT Steering Lamp, RT Steering Lamp, RT HI Beam, LT HI Beam, I/P Outlet and Outlet Fuse


Object Number: 2014499  Size: FS
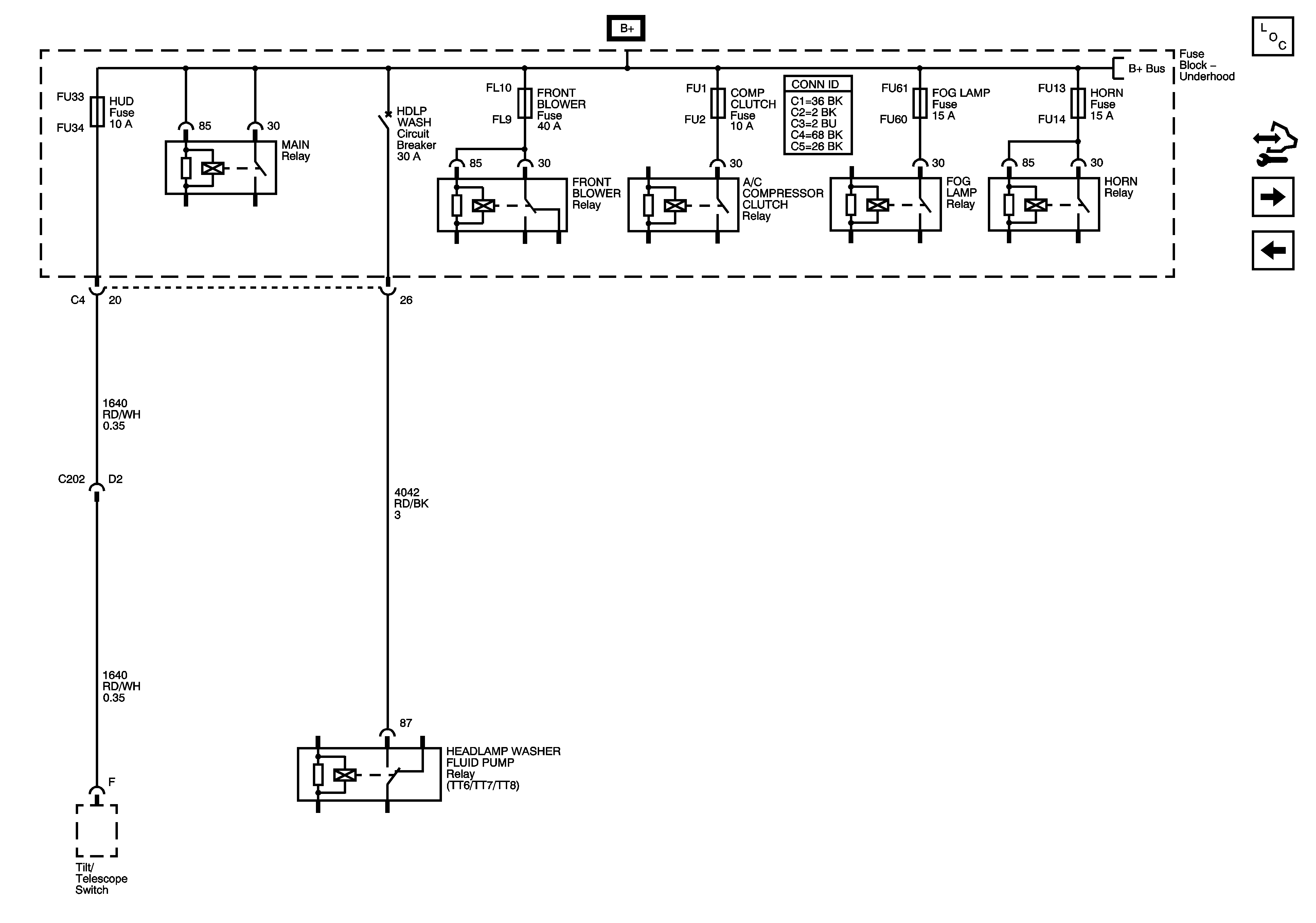
Figure 9:

Fuse Block - Underhood - HUD, Front Blower, Compressor Clutch, FOG Lamp, Horn Fuse, Headlamp Washer Circuit Breaker, Main Relay


Object Number: 2014500  Size: FS
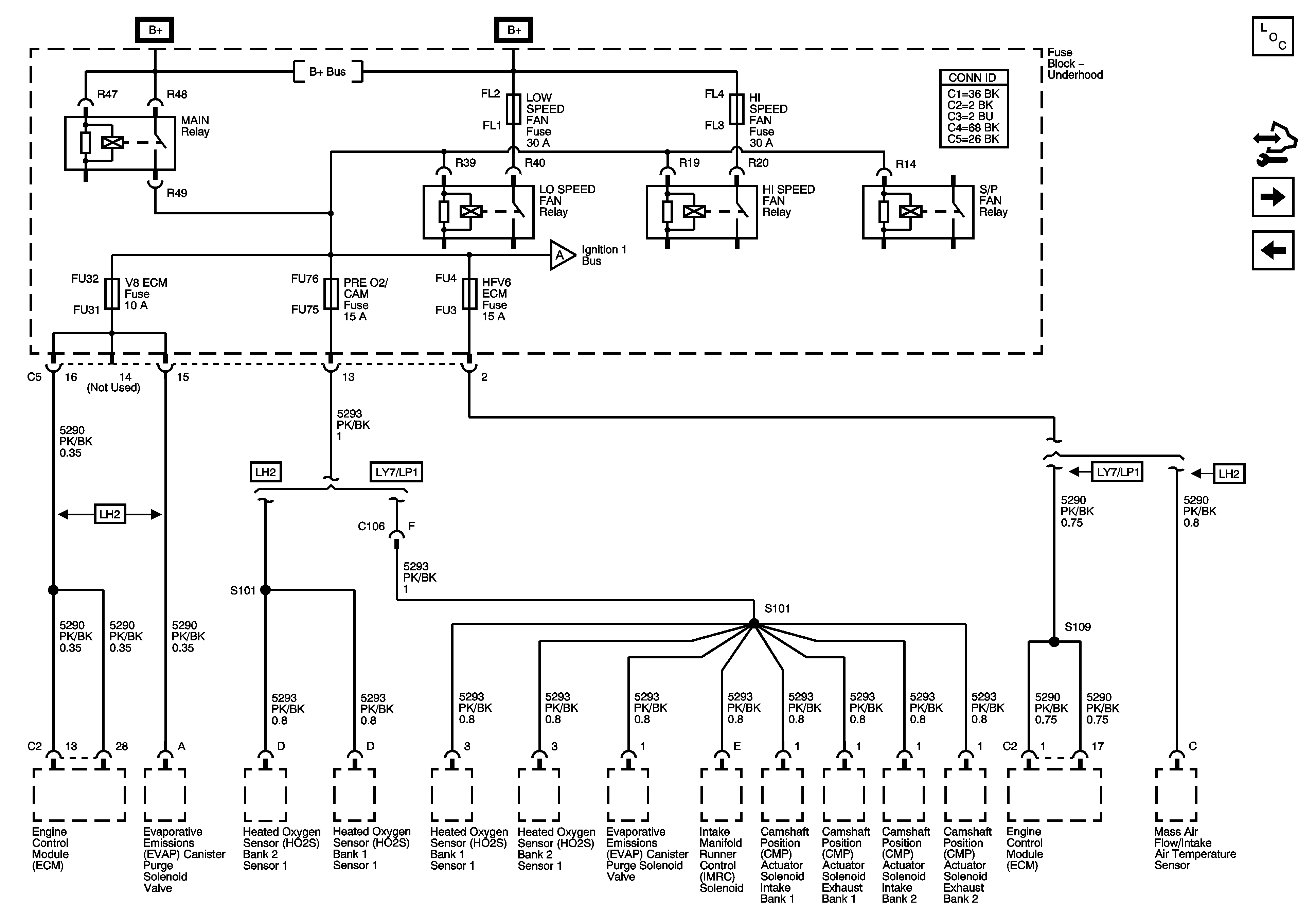
Figure 10:

Fuse Block - Underhood - Main Relay, Low Speed, HI Speed and S/P Fan relays, V8 ECM, PRE O2 Cam, HFV6 ECM, Low Speed Fan and HI Speed Fan Fuse


Object Number: 2014501  Size: FS
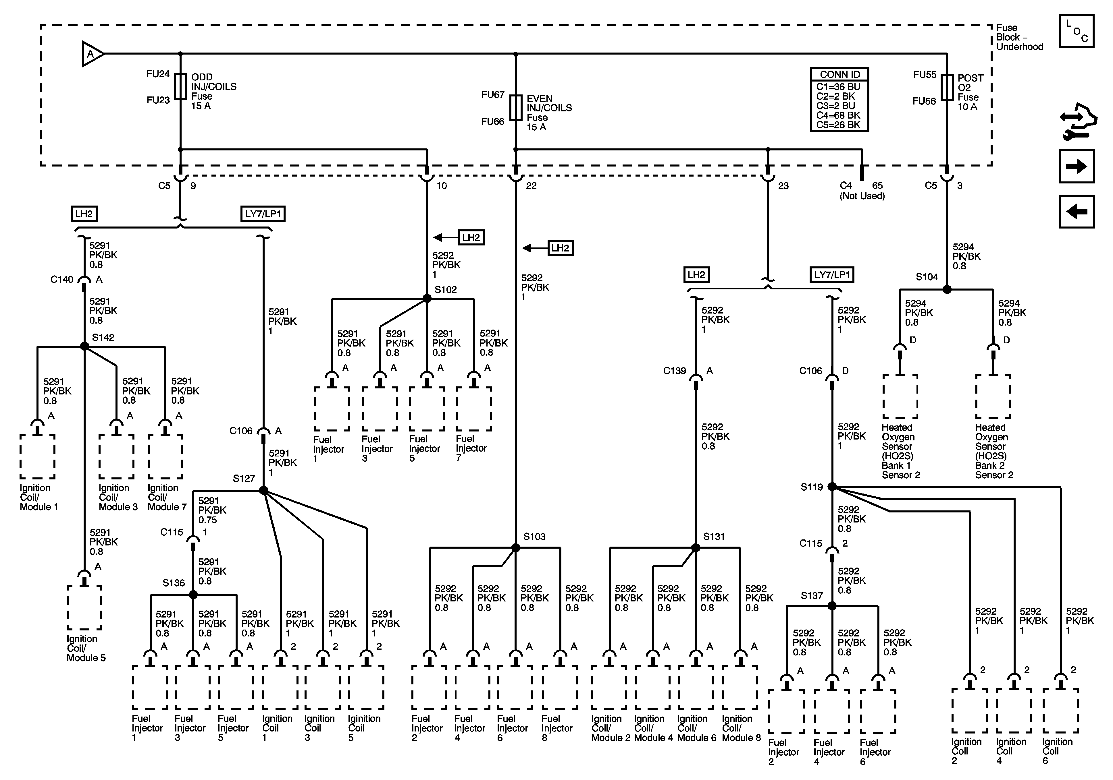
Figure 11:

Fuse Block - Underhood - ODD Injector/Coils, EVEN Injector/Coils and POST O2 Fuse


Object Number: 2014503  Size: FS
Figure 12:

Fuse Block - Underhood - HUD, Front Blower, Compressor Clutch, FOG Lamp, Horn Fuse, Headlamp Washer Circuit Breaker, Main Relay


Object Number: 2014500  Size: FS
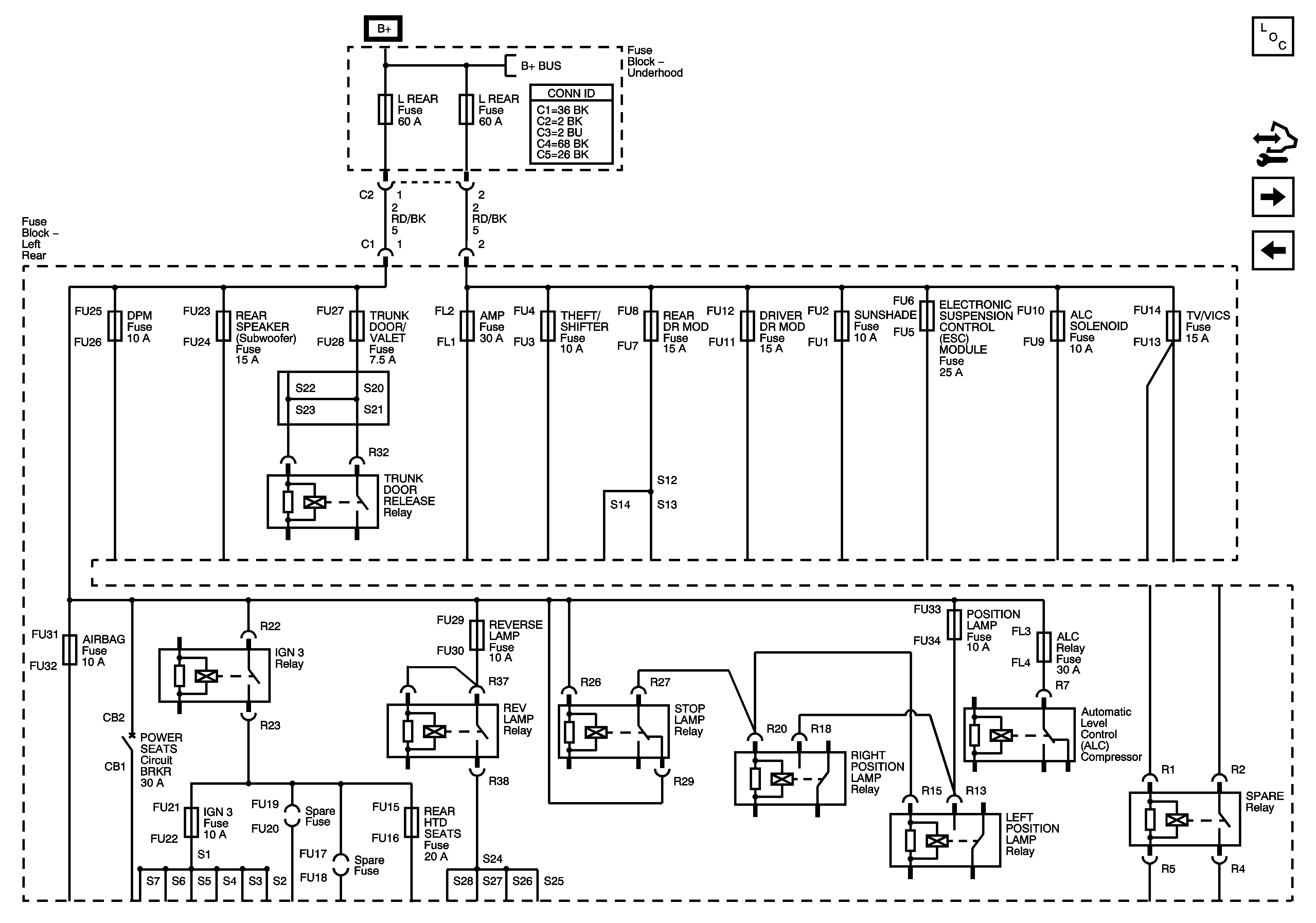
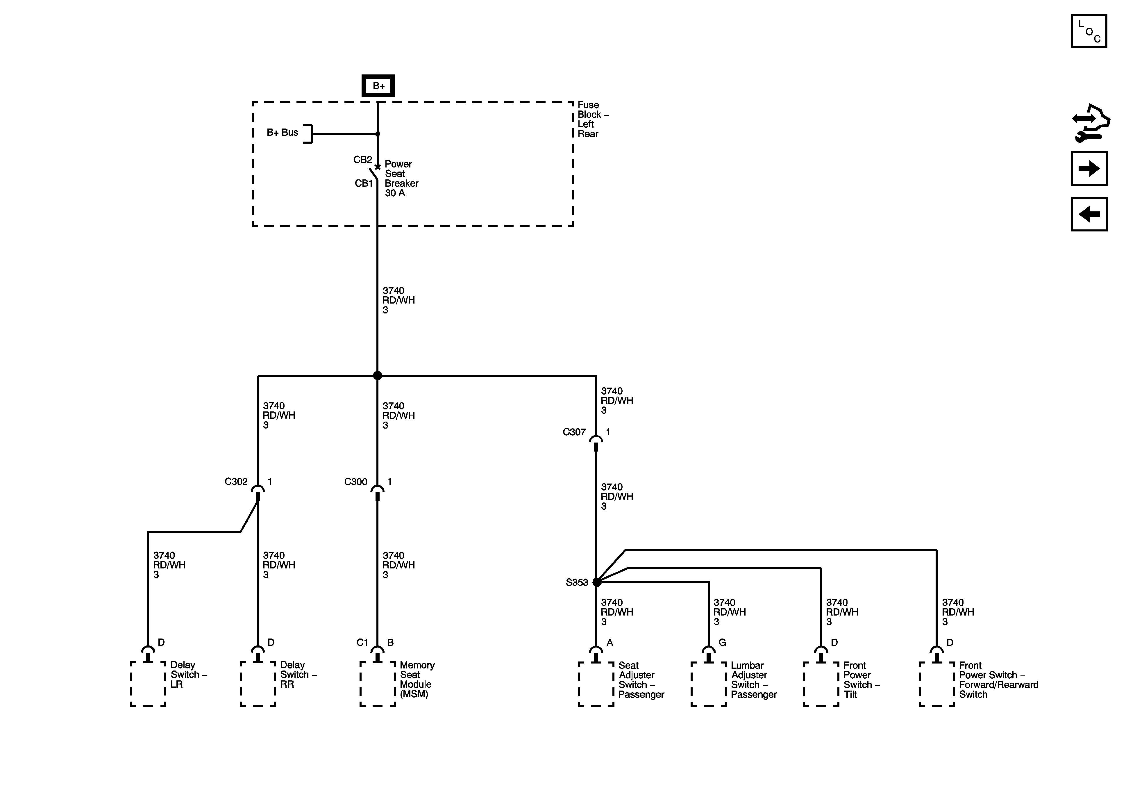
Figure 13:

Left Rear Fuse Block - Seats Circuit Breaker


Object Number: 2014505  Size: FS
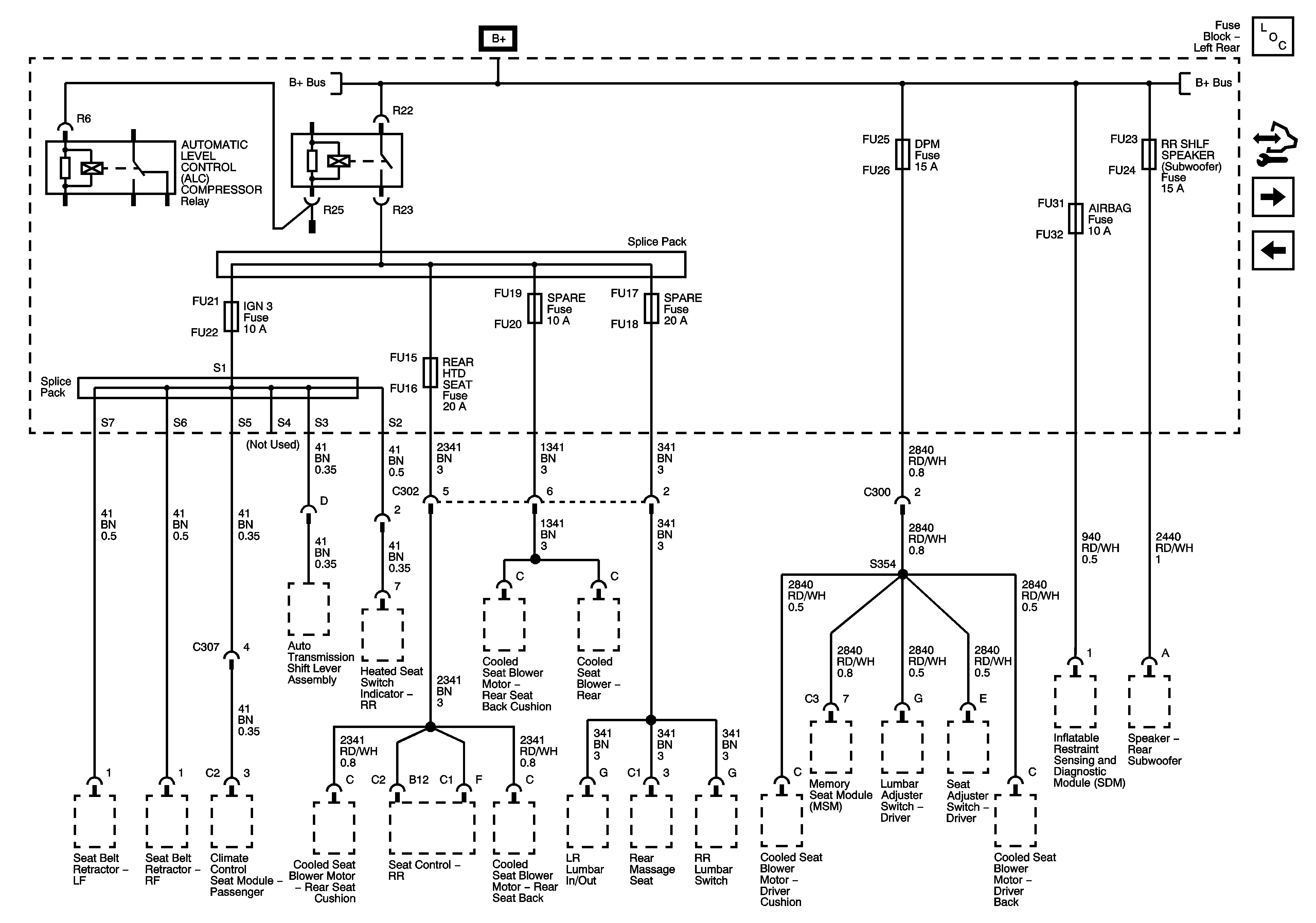
Figure 14:

Left Rear Fuse Block - IGN 3 Relay, IGN 3, Rear Heated Seat, Memory, Air Bag and Rear Roof Speaker Fuse


Object Number: 2014506  Size: FS
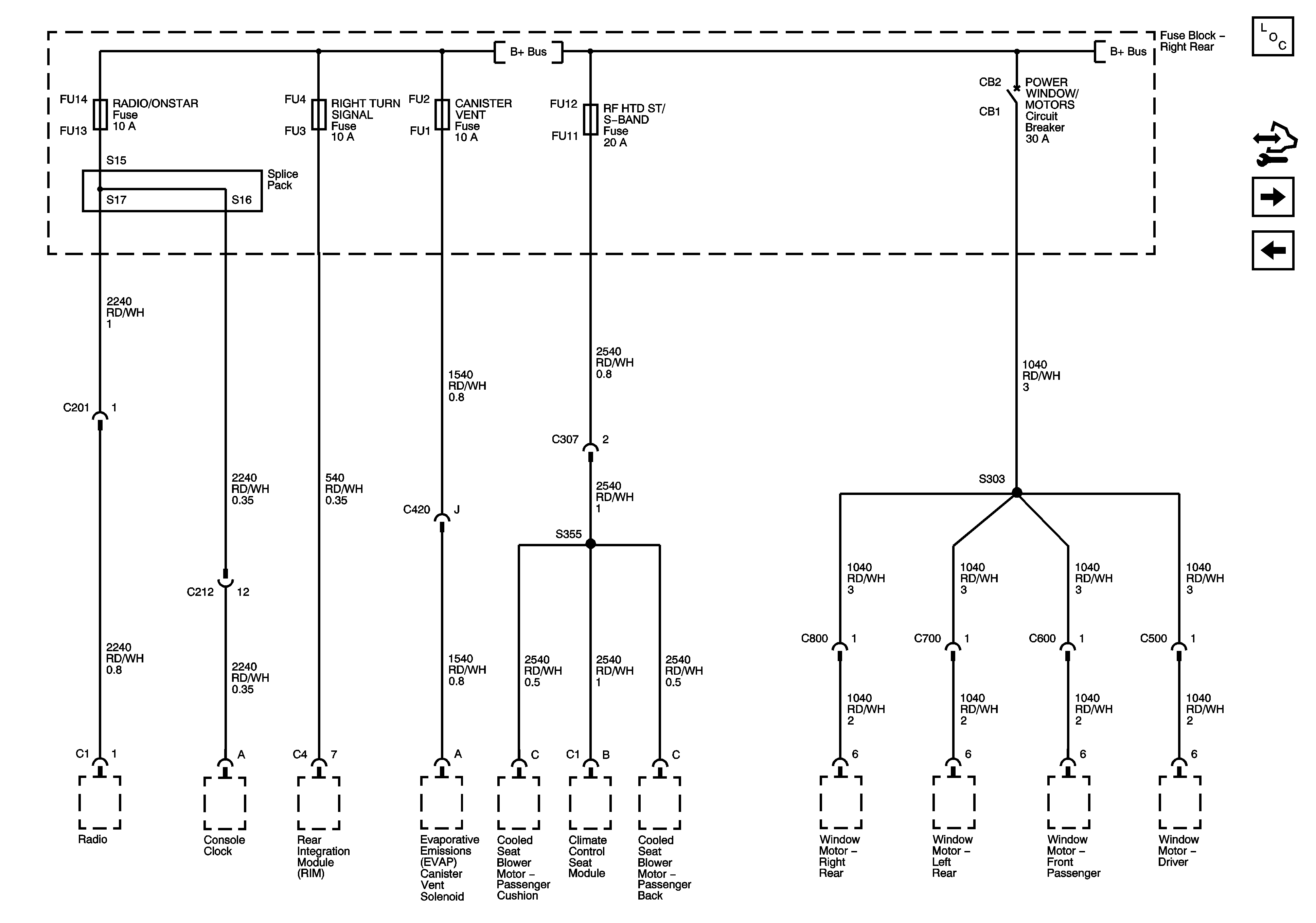
Figure 15:

Right Rear Fuse Block - Radio/ONSTAR, RT Turn Signal, Canister Vent and RF Heated/Vented Seat Fuse, Power Window Motor Circuit Breaker


Object Number: 2014507  Size: FS
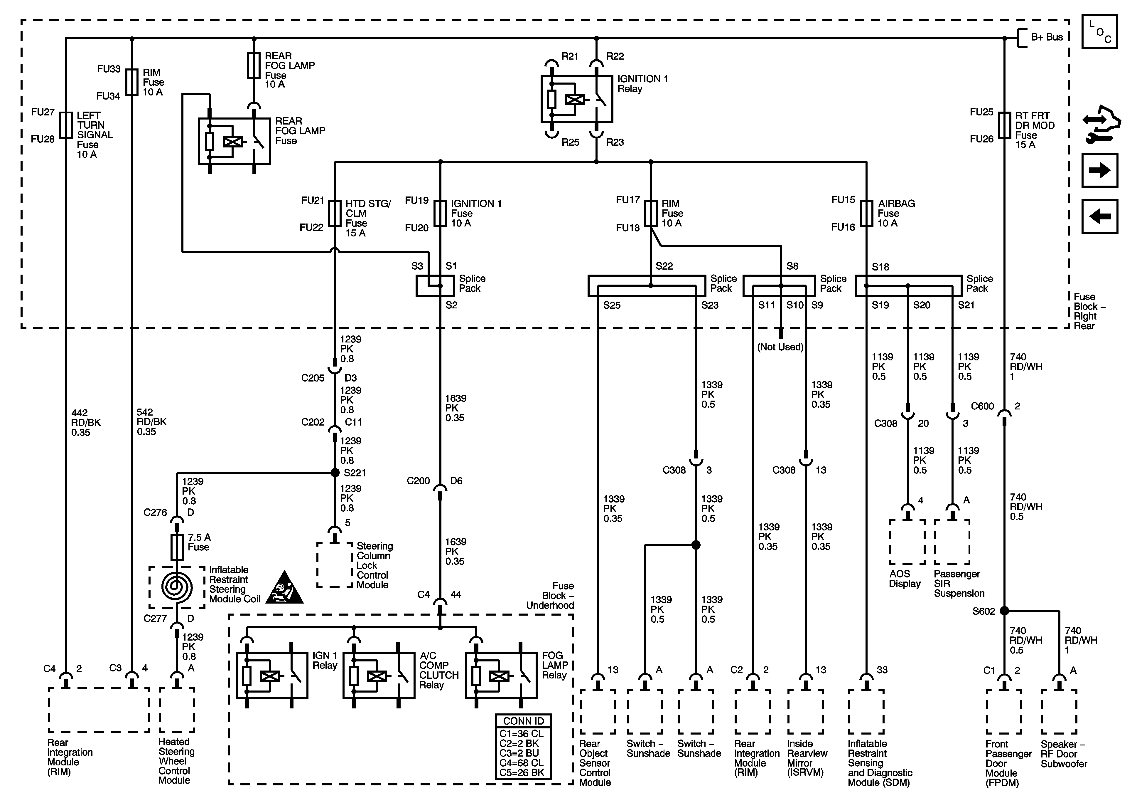
Figure 16:

Right Rear Fuse Block - LT Turn Signal, RIM 1, Front Fog Lamp, Front Passenger Door Module, Heated Steering Wheel/Steering Column, IGN 1, RIM 2 and Air Bag Fuse, Front Fog Lamp and IGN 1 Relay


Object Number: 2014508  Size: FS
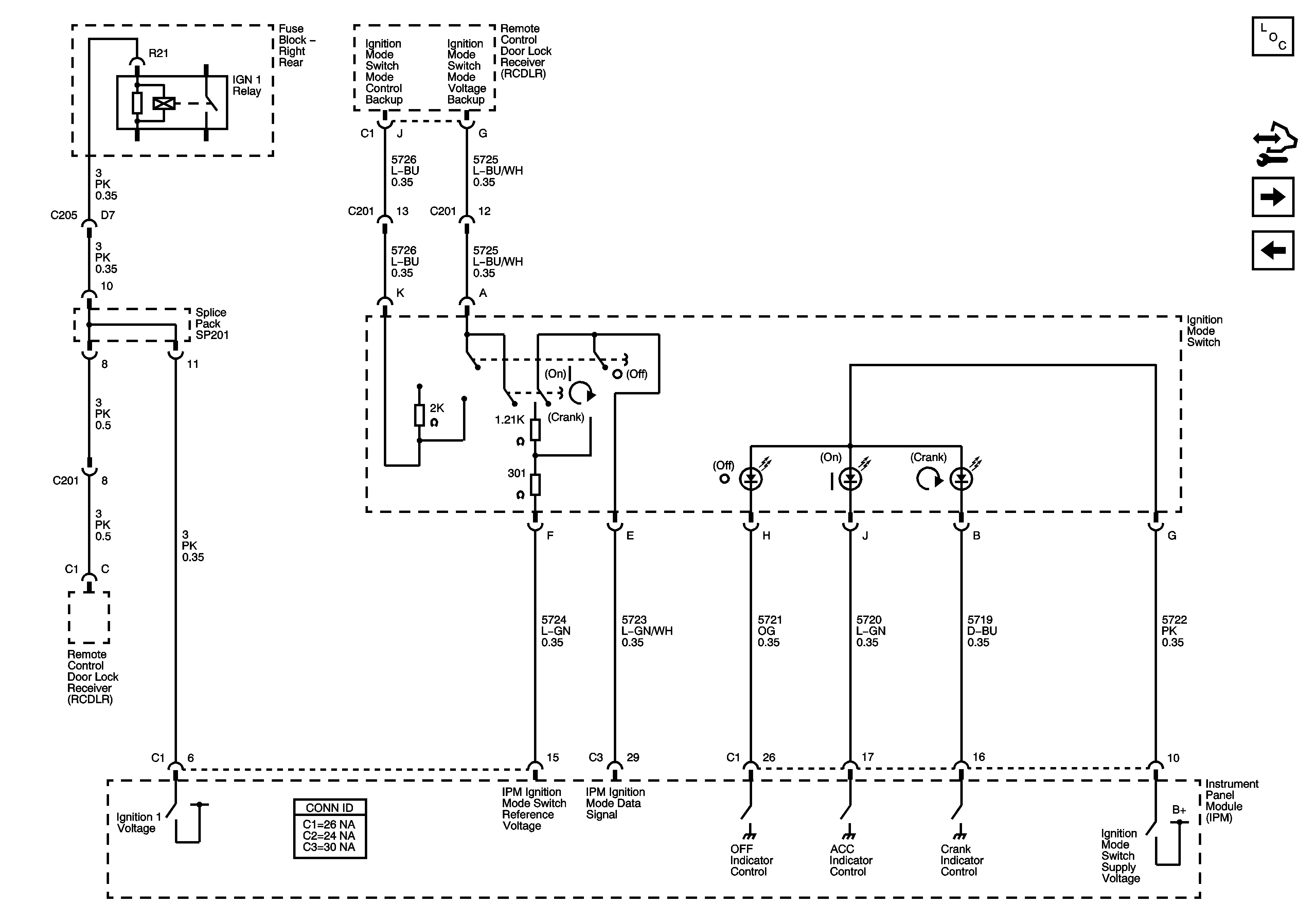
Figure 17:

Ignition Mode Switch


Object Number: 2014509  Size: FS
Figure 18:

Power Modes


Object Number: 2014510  Size: FS