GM Service Manual Online
For 1990-2009 cars only
Makes
🢒
Cadillac
🢒
2008
🢒
SLS
🢒
Steering
🢒
Steering Wheel and Column
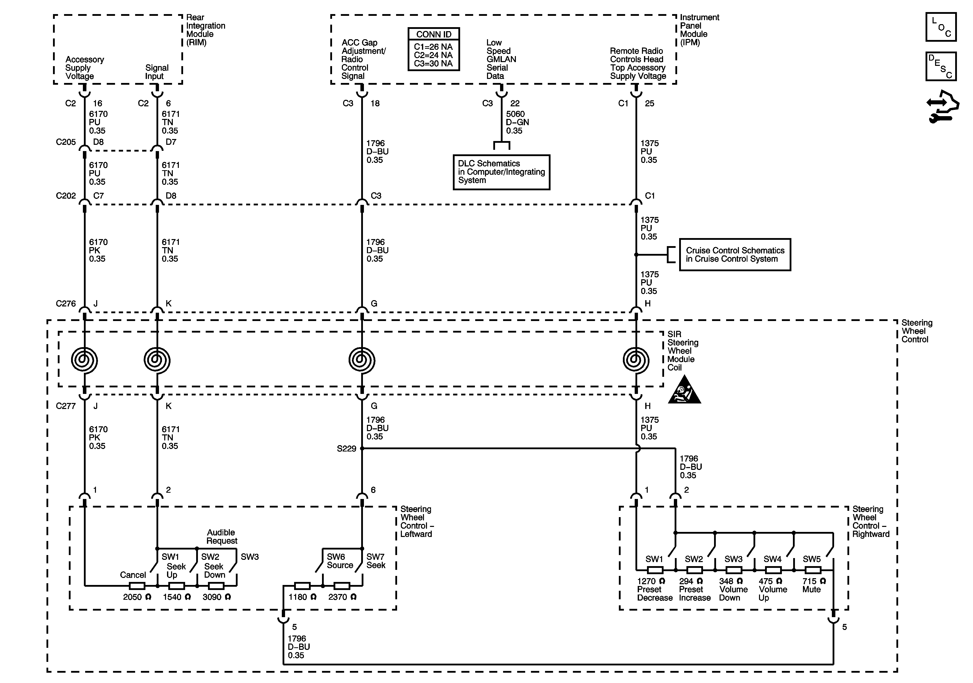
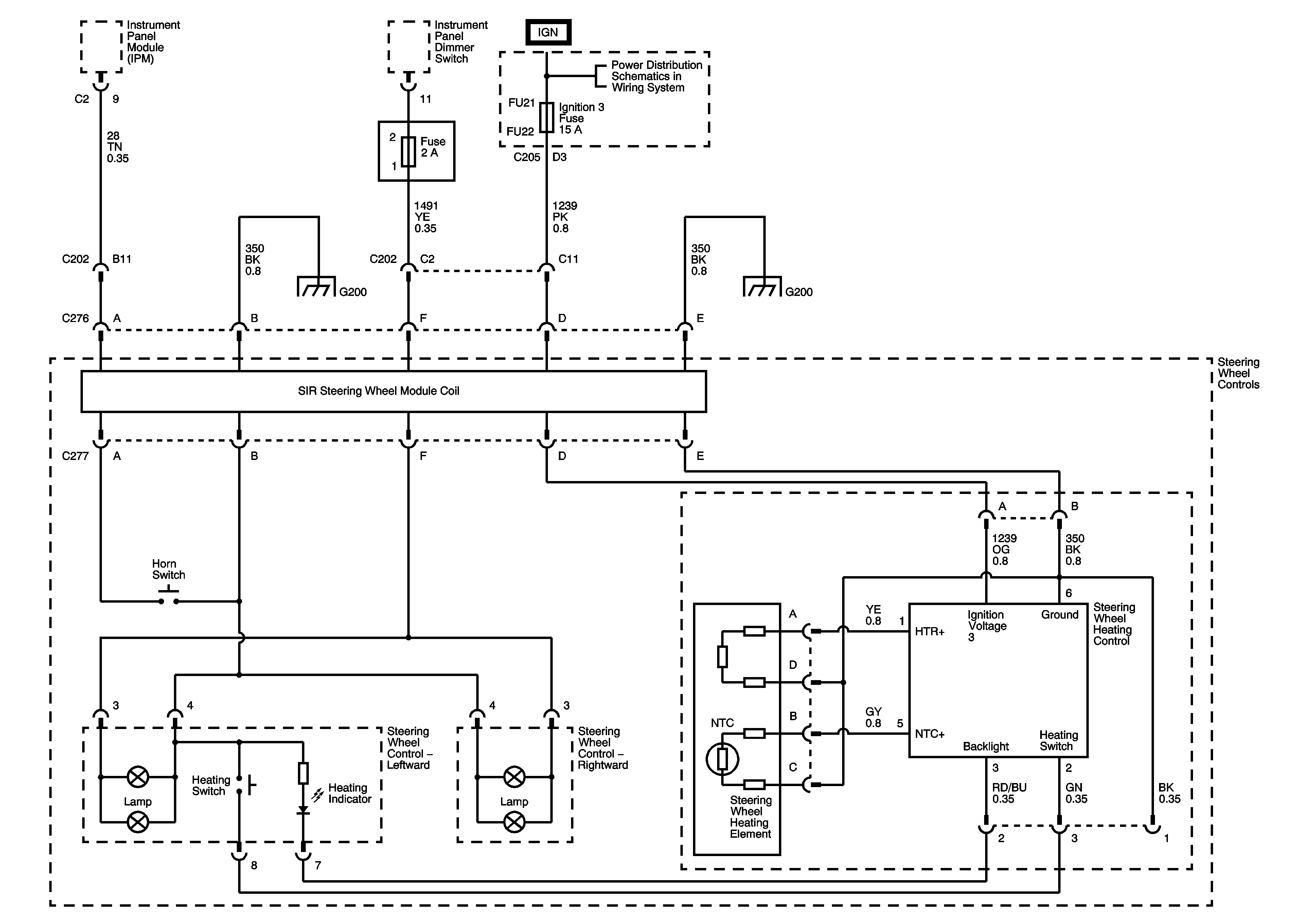
🢒 Steering Wheel Schematics
Figure
1:
Entertainment Control
Figure
2:
Steering Wheel Heating Function