GM Service Manual Online
For 1990-2009 cars only
Figure 1:

G105, G106, G110, G306, G403, and G404


Object Number: 2014513  Size: FS
Figure 2:

G100 - LH2


Object Number: 2014514  Size: FS
Figure 3:

G101


Object Number: 2014515  Size: FS
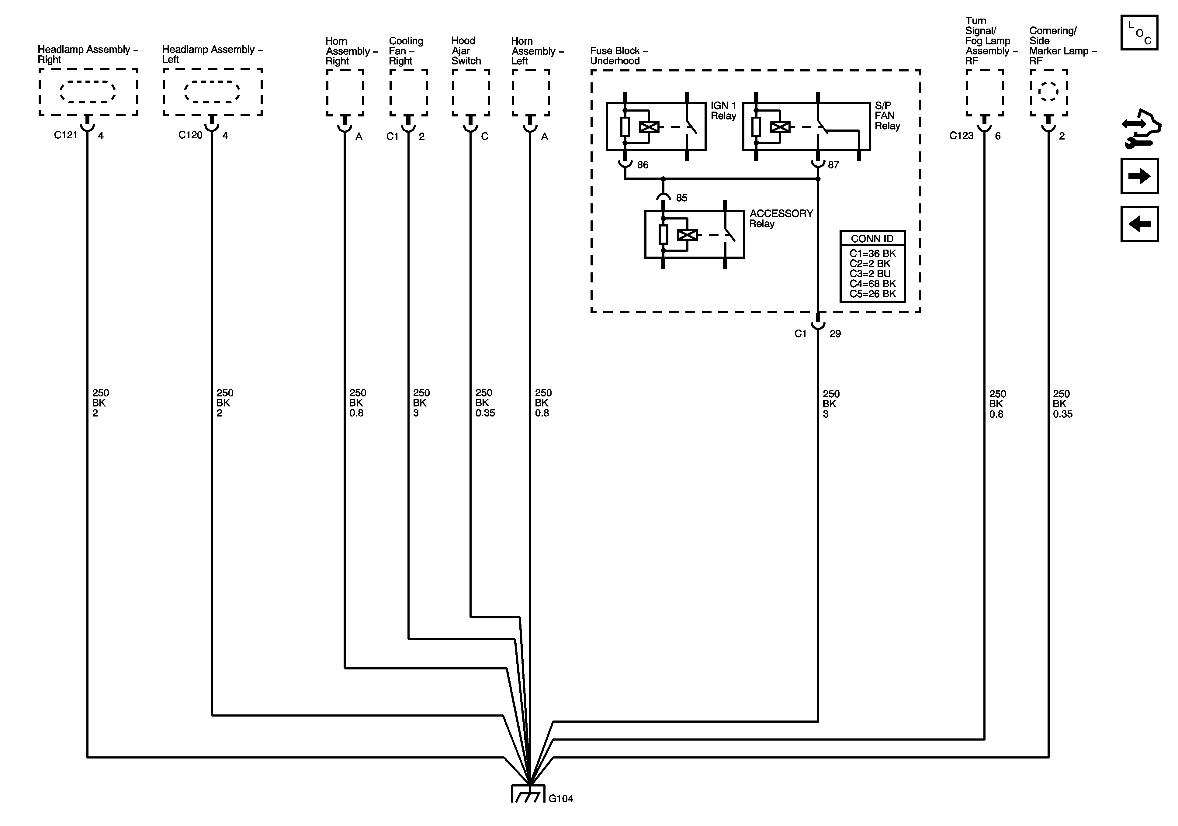
Figure 4:

G104 - 1 of 2


Object Number: 2014516  Size: FS
Figure 5:

G104 - 2 of 2


Object Number: 2014517  Size: FS
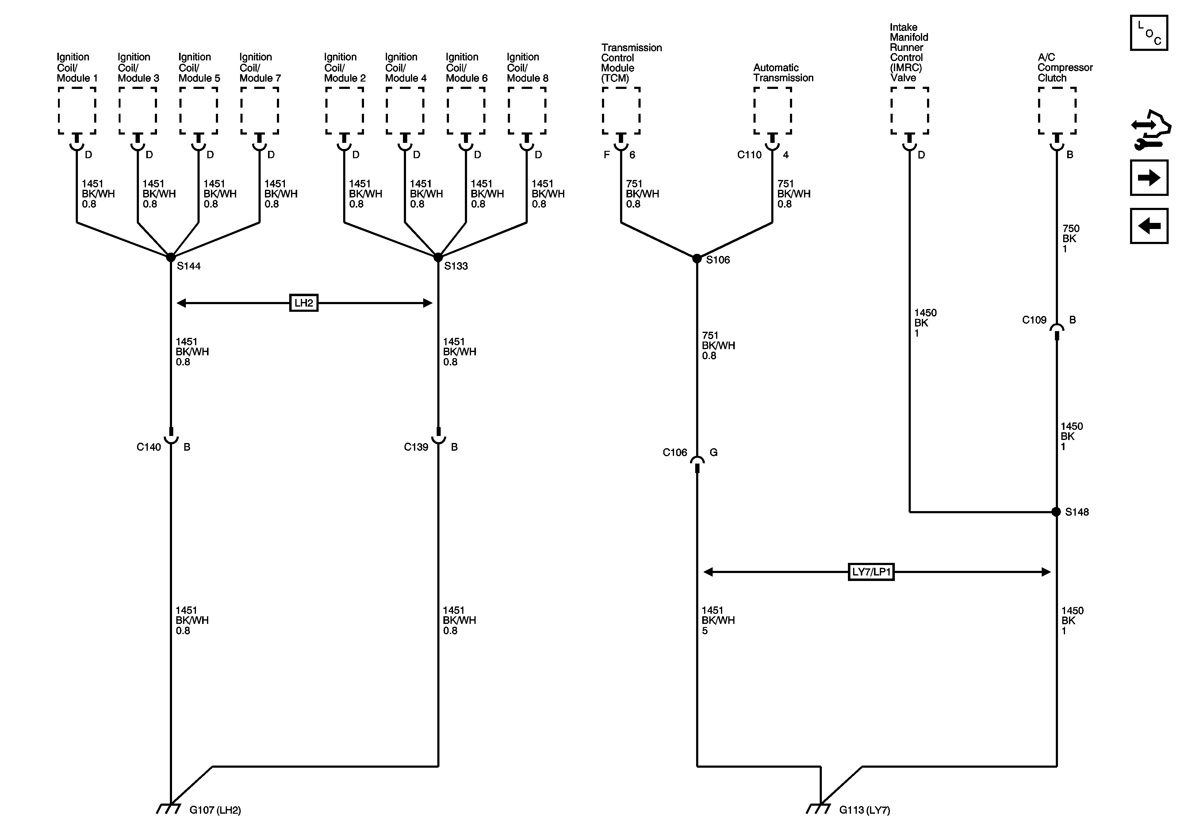
Figure 6:

G107 - LH2, G113 - LY7


Object Number: 2014518  Size: FS
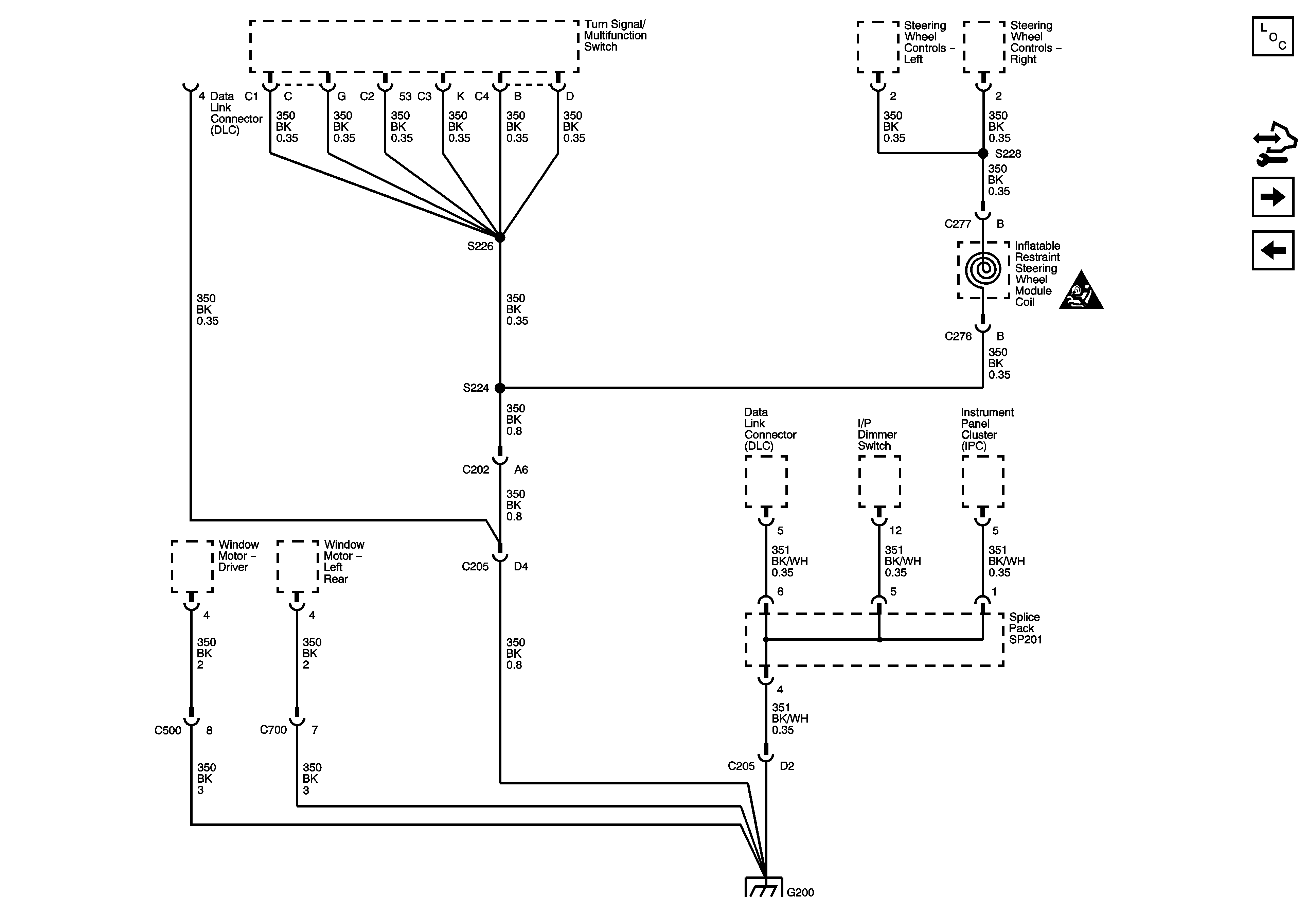
Figure 7:

G200 - 1 of 2


Object Number: 2014519  Size: FS
Figure 8:

G200 - 2 of 2


Object Number: 2014520  Size: FS
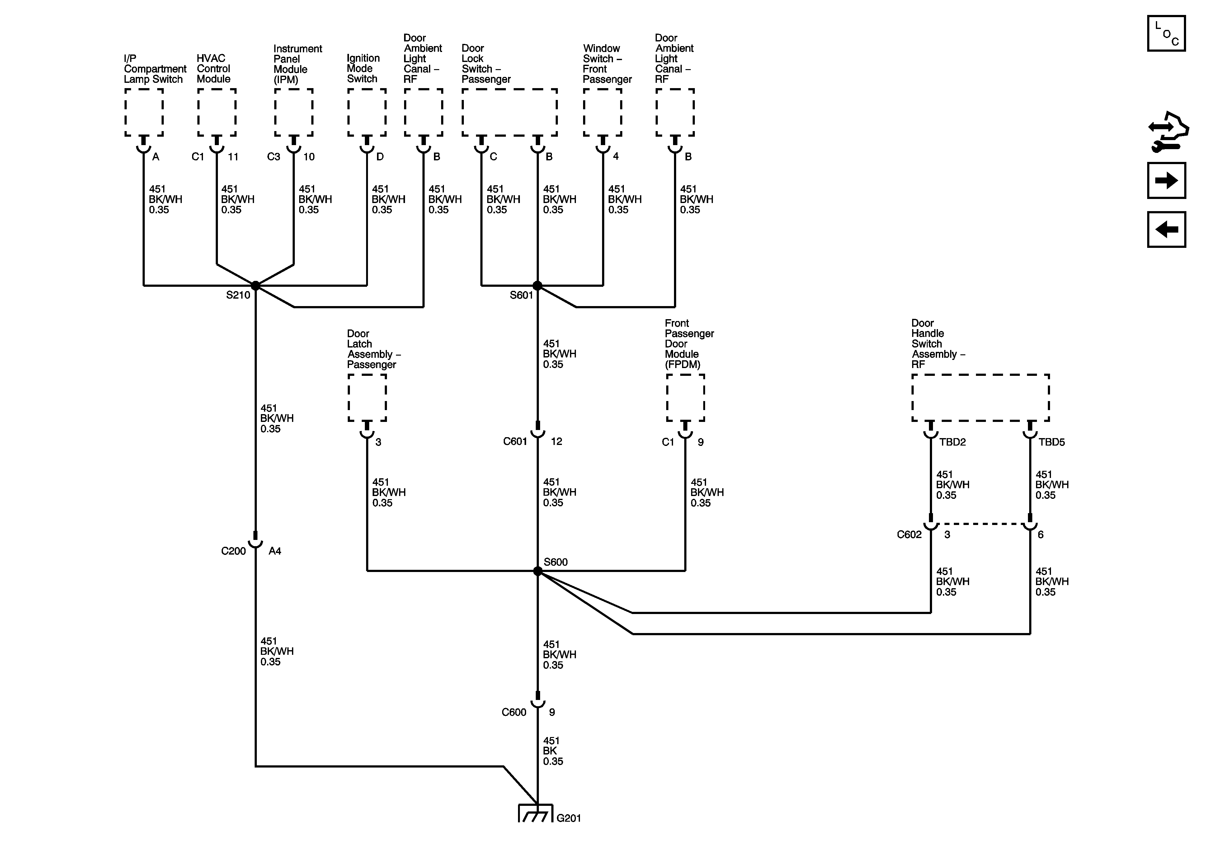
Figure 9:

G201 - 1 of 2


Object Number: 2014521  Size: FS
Figure 10:

G201 - 2 of 2


Object Number: 2014522  Size: FS
Figure 11:

G307 - LHD


Object Number: 2014523  Size: FS
Figure 12:

G307


Object Number: 2014524  Size: FS
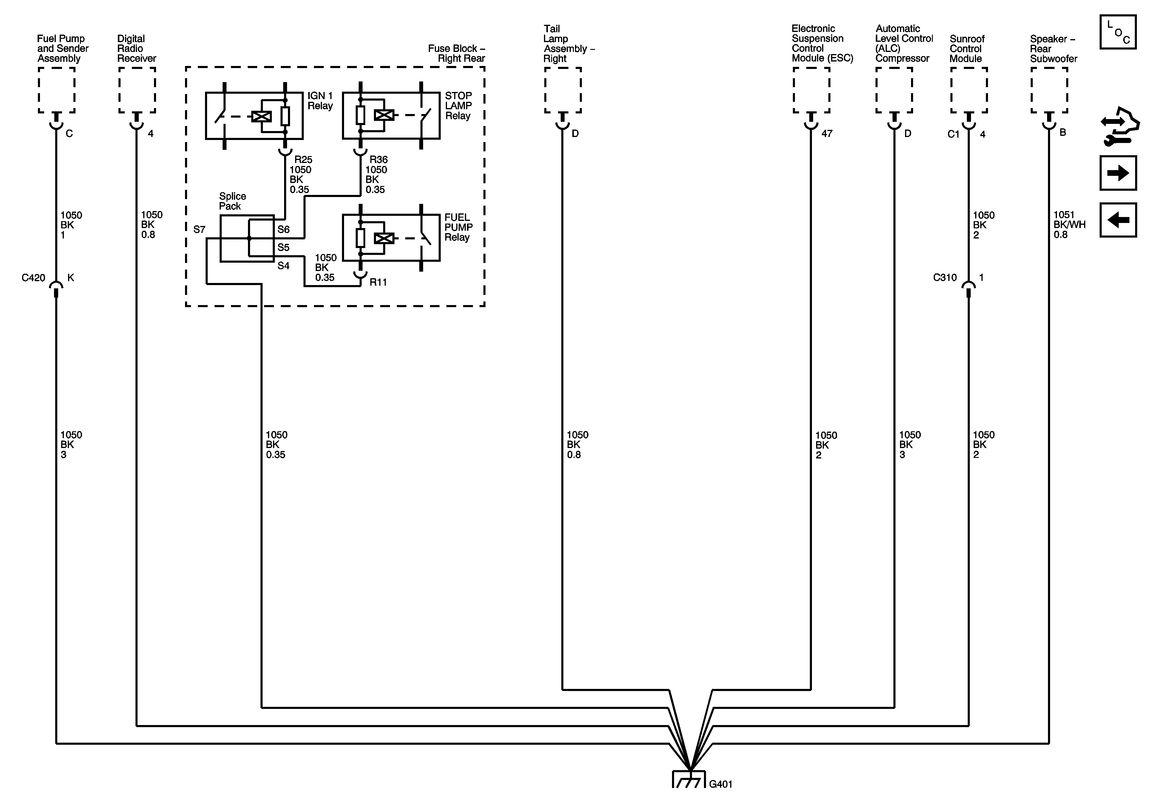
Figure 13:

G401 - 1 of 2


Object Number: 2014525  Size: FS
Figure 14:

G401 - 2 of 2


Object Number: 2014526  Size: FS
Figure 15:

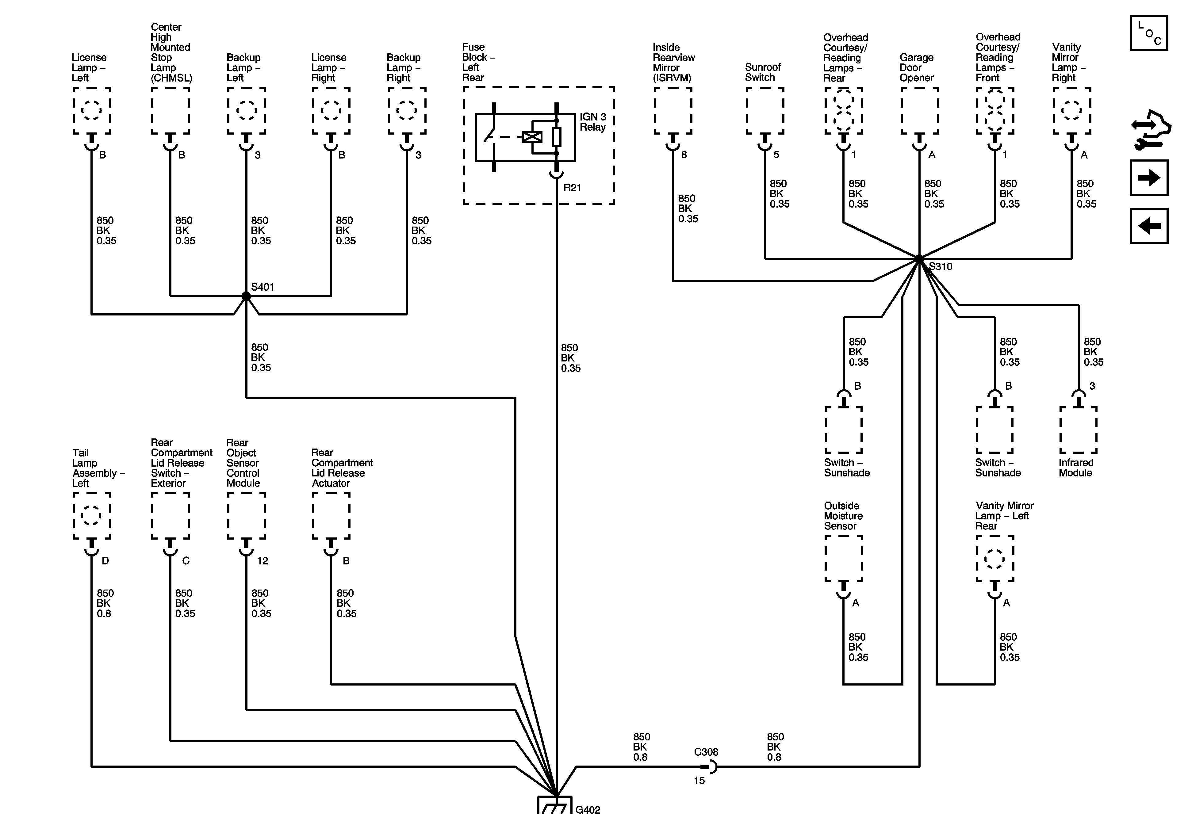
G402 - 1 of 2


Object Number: 2014527  Size: FS
Figure 16:

G402 - 2 of 2


Object Number: 2014528  Size: FS