GM Service Manual Online
For 1990-2009 cars only

Removal Procedure

  1. Remove the I/P cluster trim panel. Refer to Instrument Cluster Trim Panel Replacement.

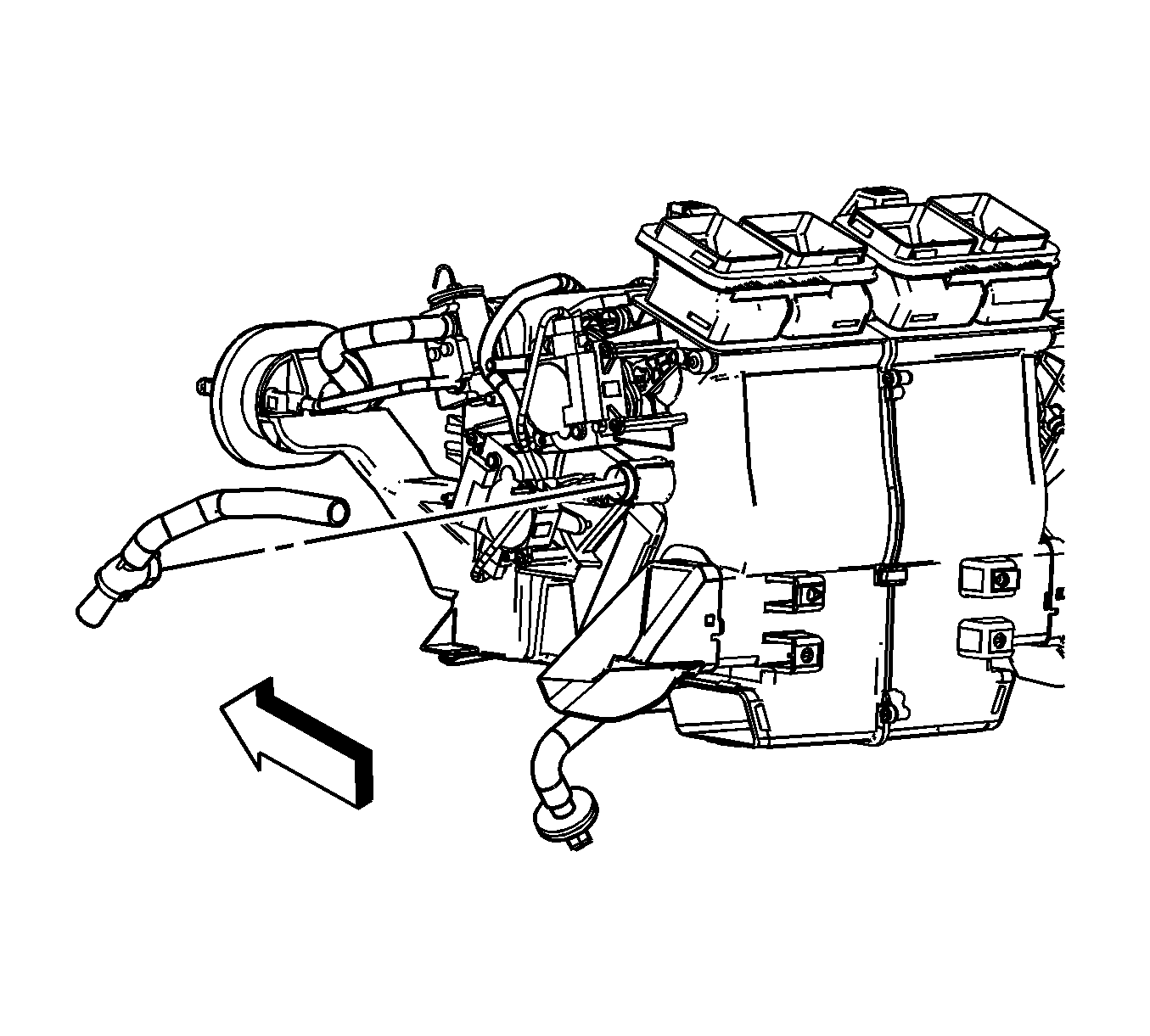
  2. Object Number: 1369936  Size: SH
  3. Remove the knee bolster reinforcement. Refer to Knee Bolster Replacement.
  4. Disconnect the aspirator hose from the HVAC module.
  5. Disconnect the aspirator hose from the inside air temperature sensor.
  6. Remove the aspirator hose.

Installation Procedure


    Object Number: 1369936  Size: SH
  1. Install the aspirator hose.
  2. Connect the aspirator hose to the inside air temperature sensor.
  3. Connect the aspirator hose to the HVAC module.
  4. Install the knee bolster reinforcement. Refer to Knee Bolster Replacement.
  5. Install the I/P cluster trim panel. Refer to Instrument Cluster Trim Panel Replacement.