GM Service Manual Online
For 1990-2009 cars only
Makes
🢒
Cadillac
🢒
2008
🢒
SLS
🢒
HVAC
🢒
HVAC - Automatic
🢒 HVAC Schematics
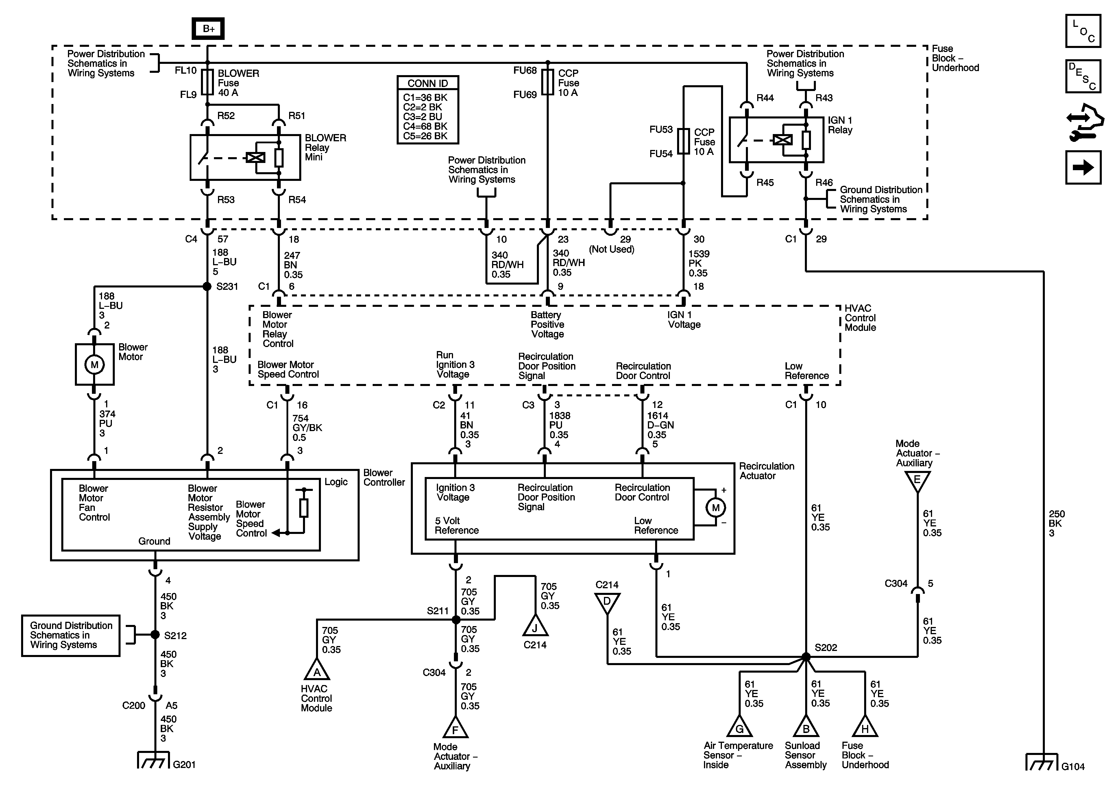
Figure
1:
Power, Ground, Blower Motor, Recirculation Actuator
Figure
2:
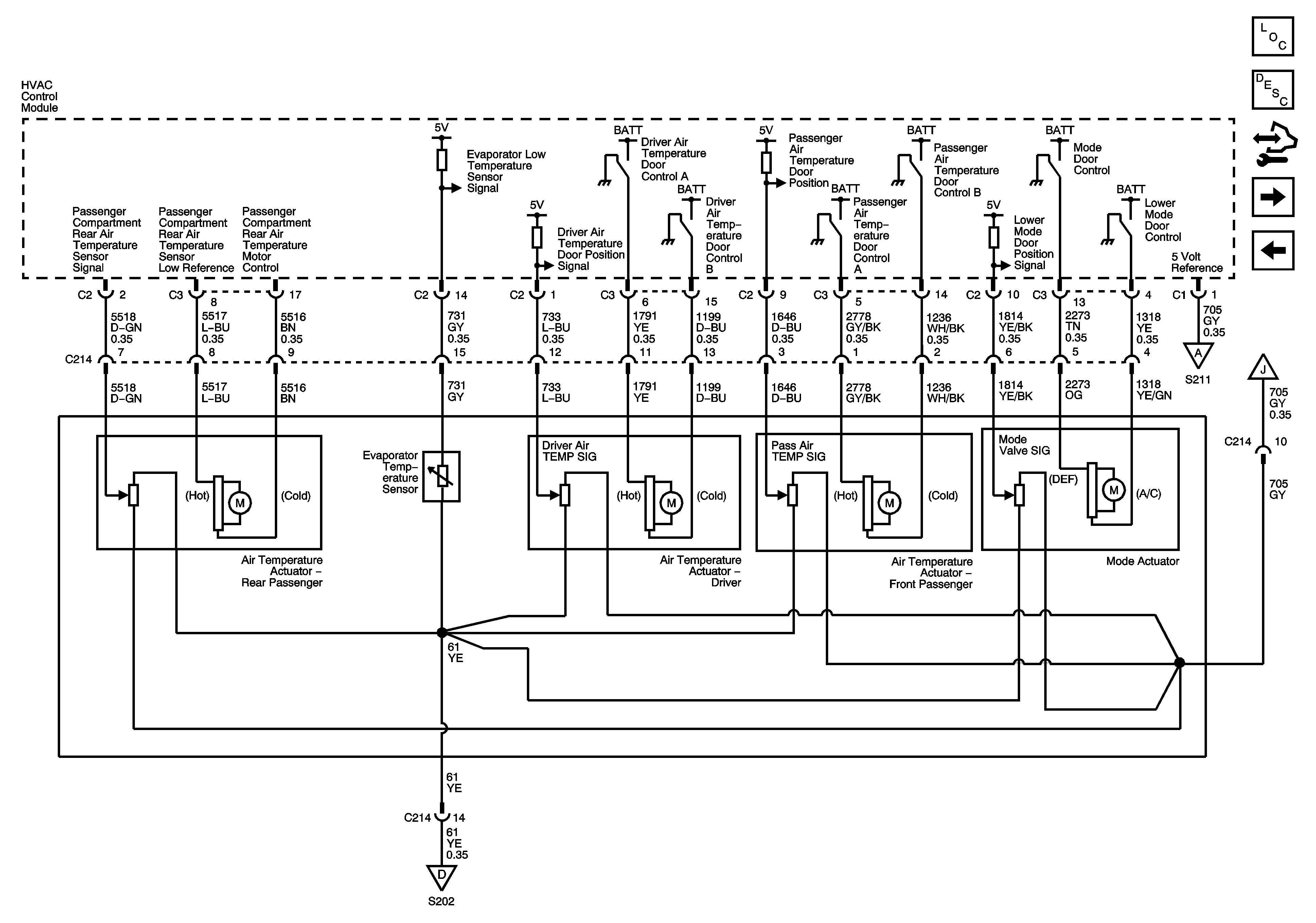
Air Delivery, EVAP Temperature Sensor, Rear Passenger Air Temperature Actuator
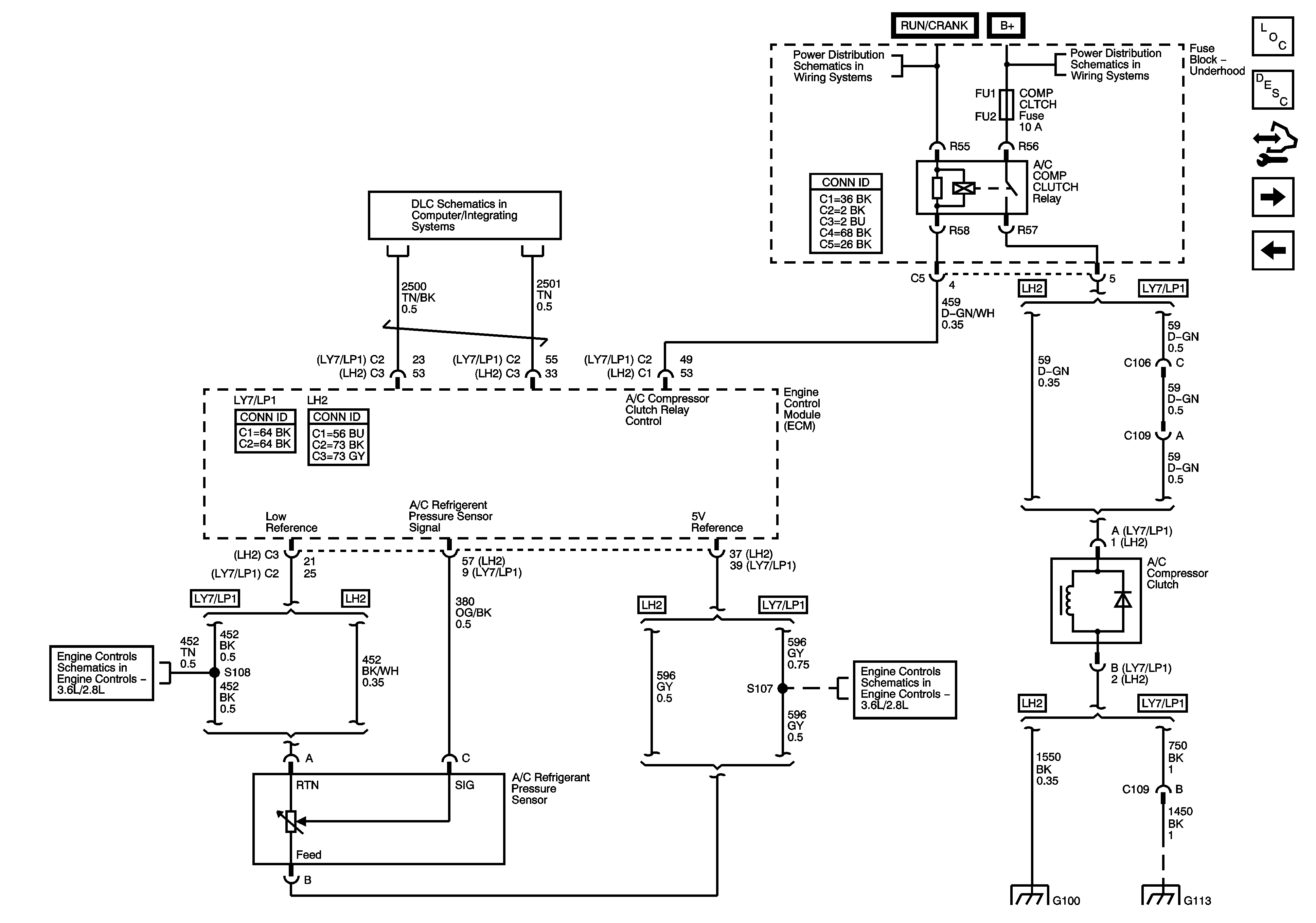
Figure
3:
A/C Refrigerant Pressure Sensor and Compressor Clutch
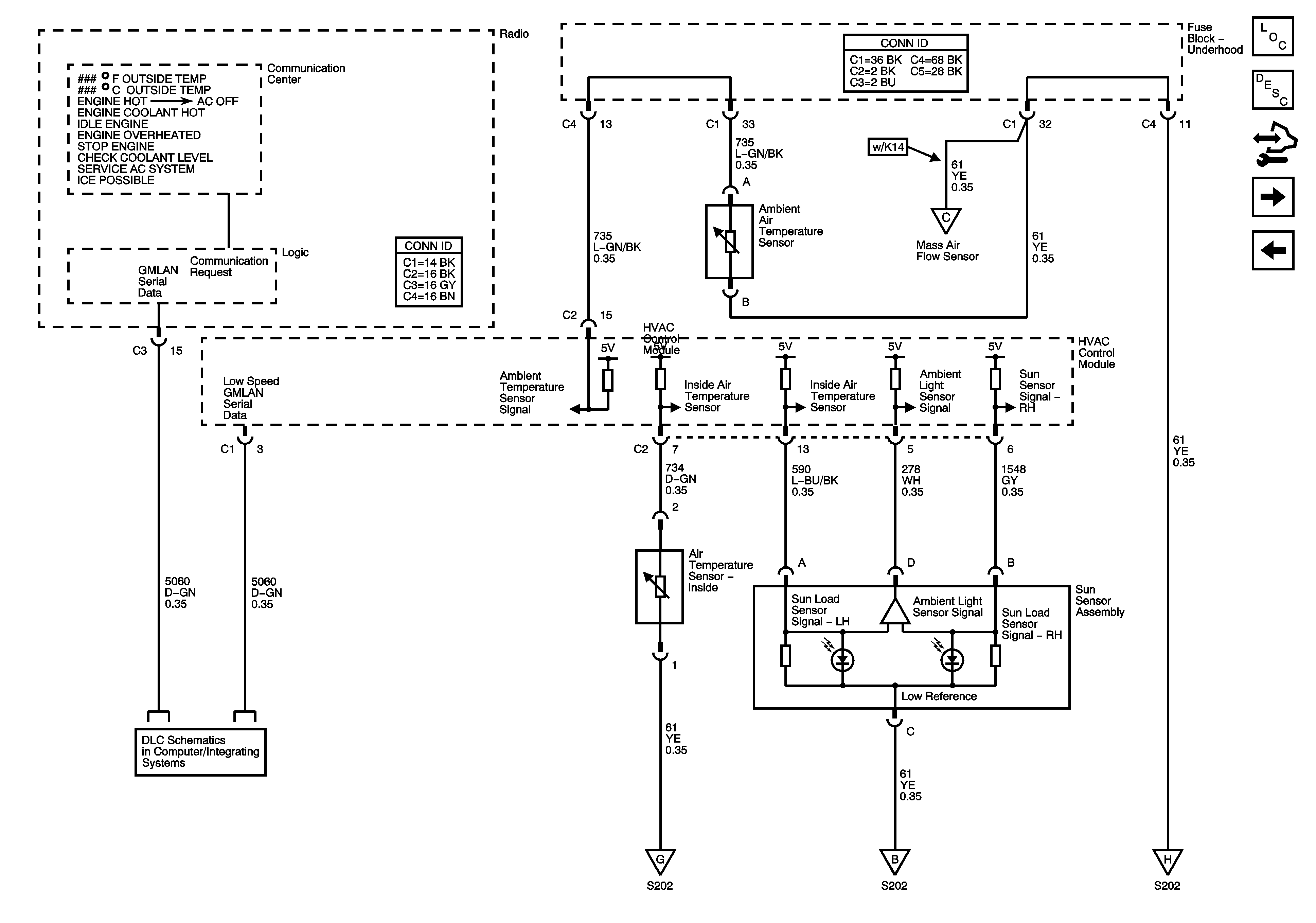
Figure
4:
DLC, Temperature Controls, Sunload Sensor
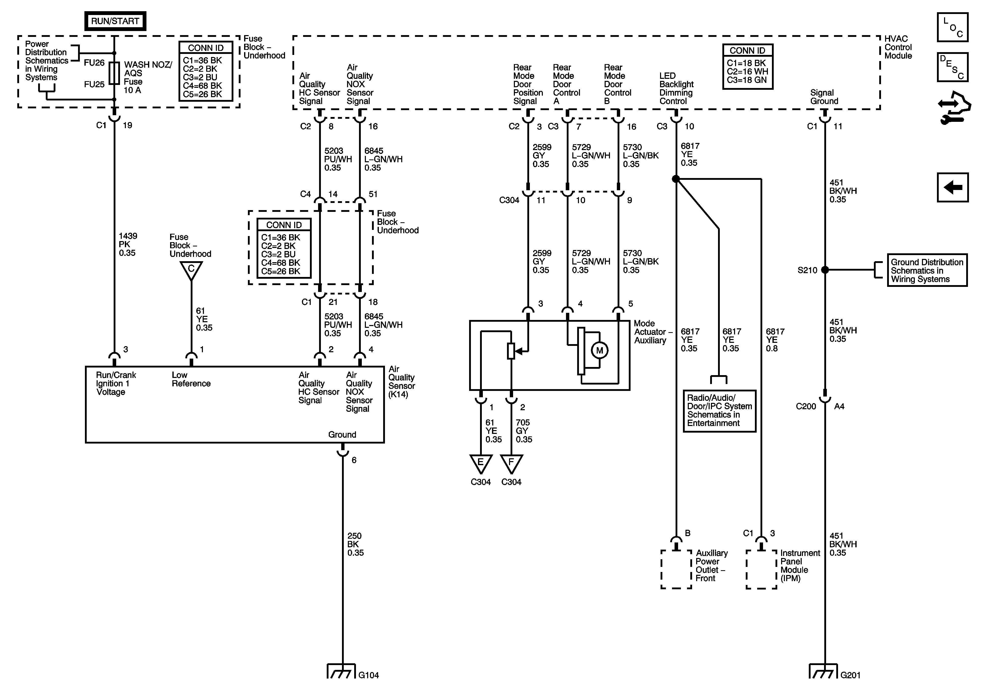
Figure
5:
Air Quality Sensor, Rear Mode Motor