GM Service Manual Online
For 1990-2009 cars only
Makes
🢒
Cadillac
🢒
2008
🢒
SLS
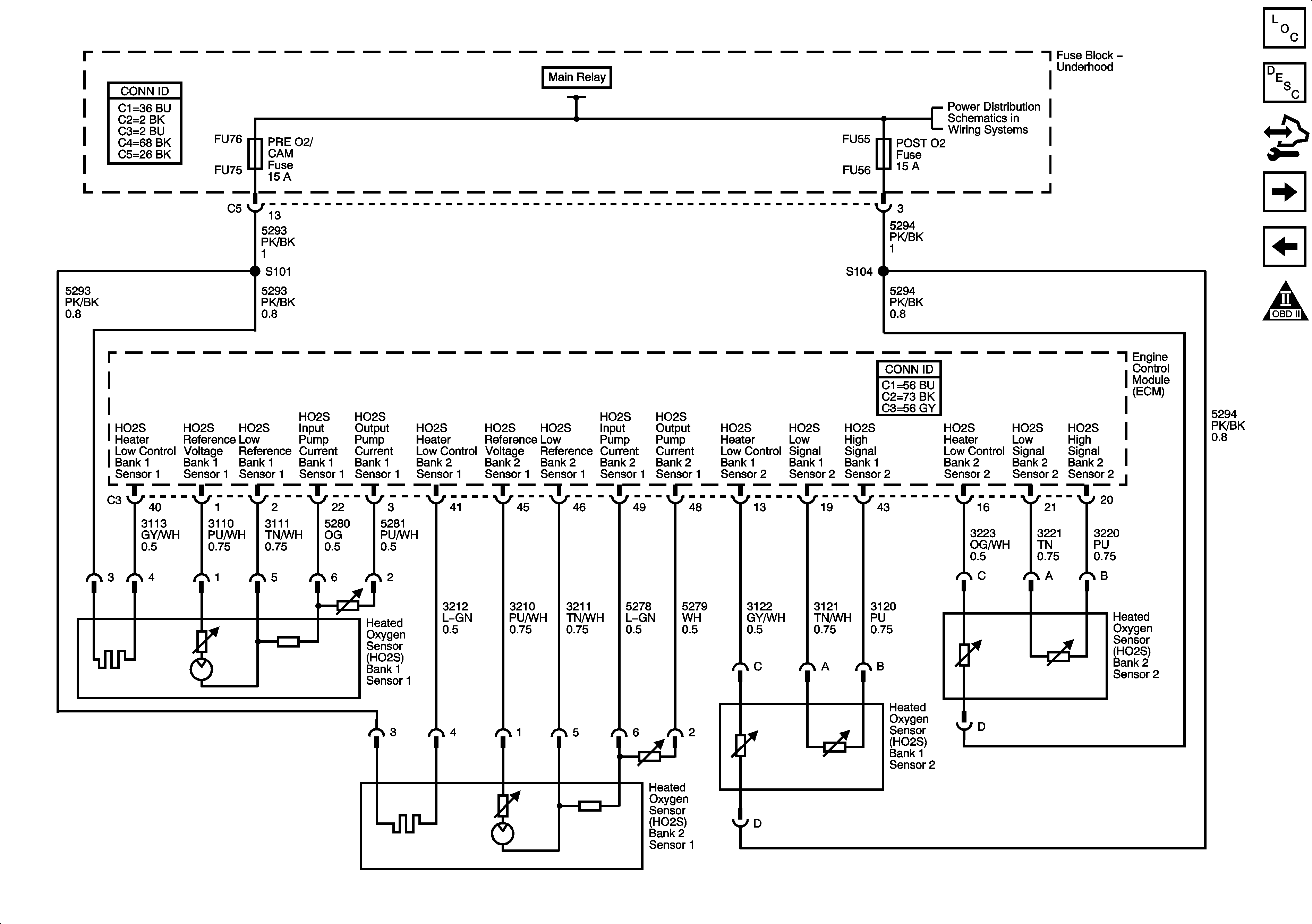
🢒 Engine Data Sensors - Oxygen Sensors
Engine Data Sensors - Oxygen Sensors
Engine Data Sensors - Oxygen Sensors
Master Electrical Component List
Fuel System Description
Control Module References
Electronic Throttle Controls
Engine Data Sensors - Pressure, Temperature, MAF, VSS
Engine Controls Schematic Icons
Fuse Block Underhood Bussing