GM Service Manual Online
For 1990-2009 cars only
Makes
🢒
Cadillac
🢒
2008
🢒
SLS
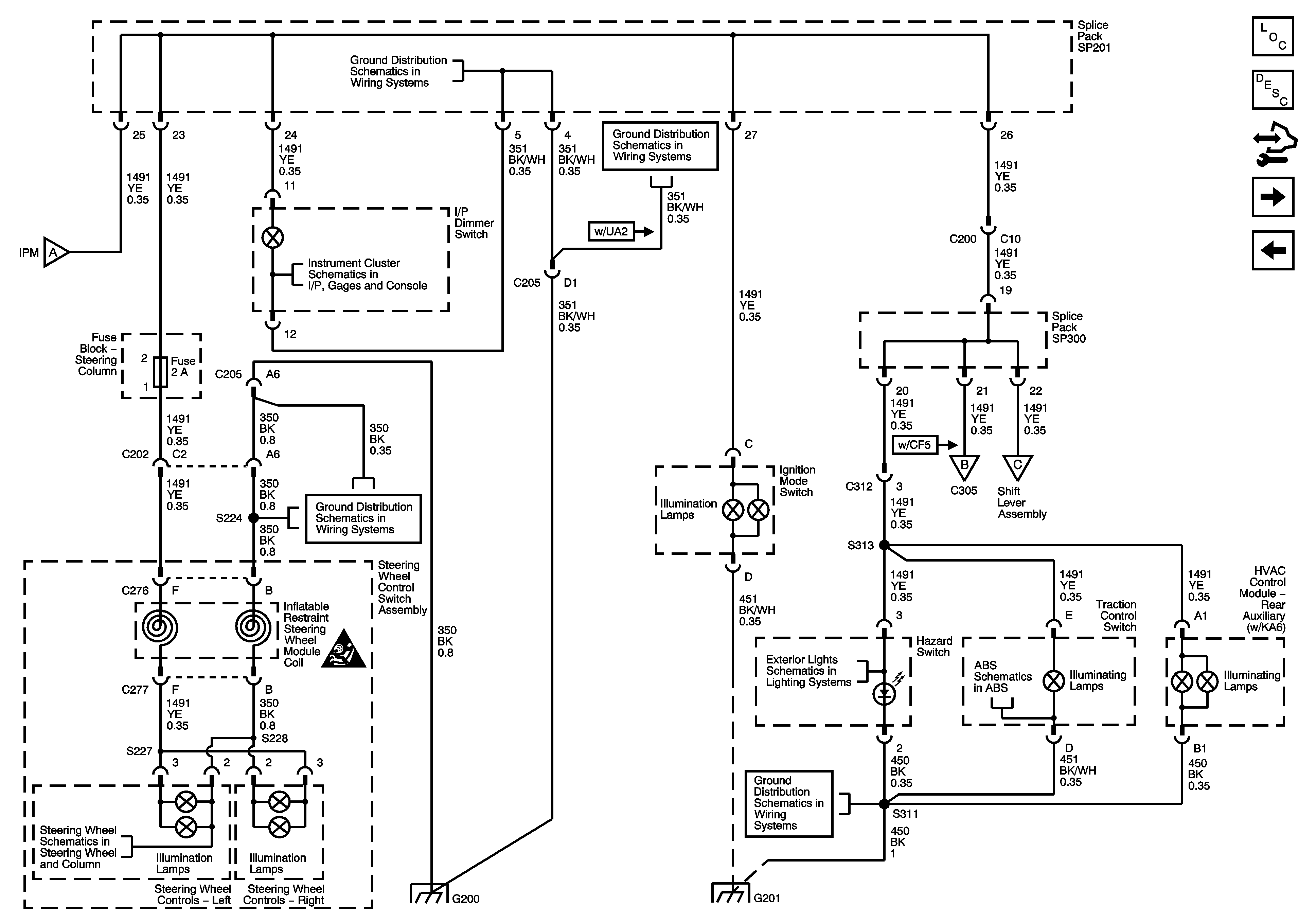
🢒 Dimming Lamps (1 of 3)
Dimming Lamps (1 of 3)
Dimming Lamps 1 of 3
Master Electrical Component List
Interior Lighting Systems Description and Operation
Control Module References
Dimming Lamps (2 of 3)
Power, Ground, DLC and DIC/Dimmer Switch
G200 (2 of 2)
G200 (2 of 2)
Power, Ground, DLC and DIC/Dimmer Switch
DIC/Dimmer Switch
G200 (2 of 2)
Lighting Systems Schematic Icons
G200 (2 of 2)
G201 (1 of 2)
G201 (1 of 2)
Front Turn Signal and Repeater Lamps, Hazard Switch - Domestic and Export
Dimming Lamps (2 of 3)
Dimming Lamps (2 of 3)
Indicator and Traction Control