GM Service Manual Online
For 1990-2009 cars only

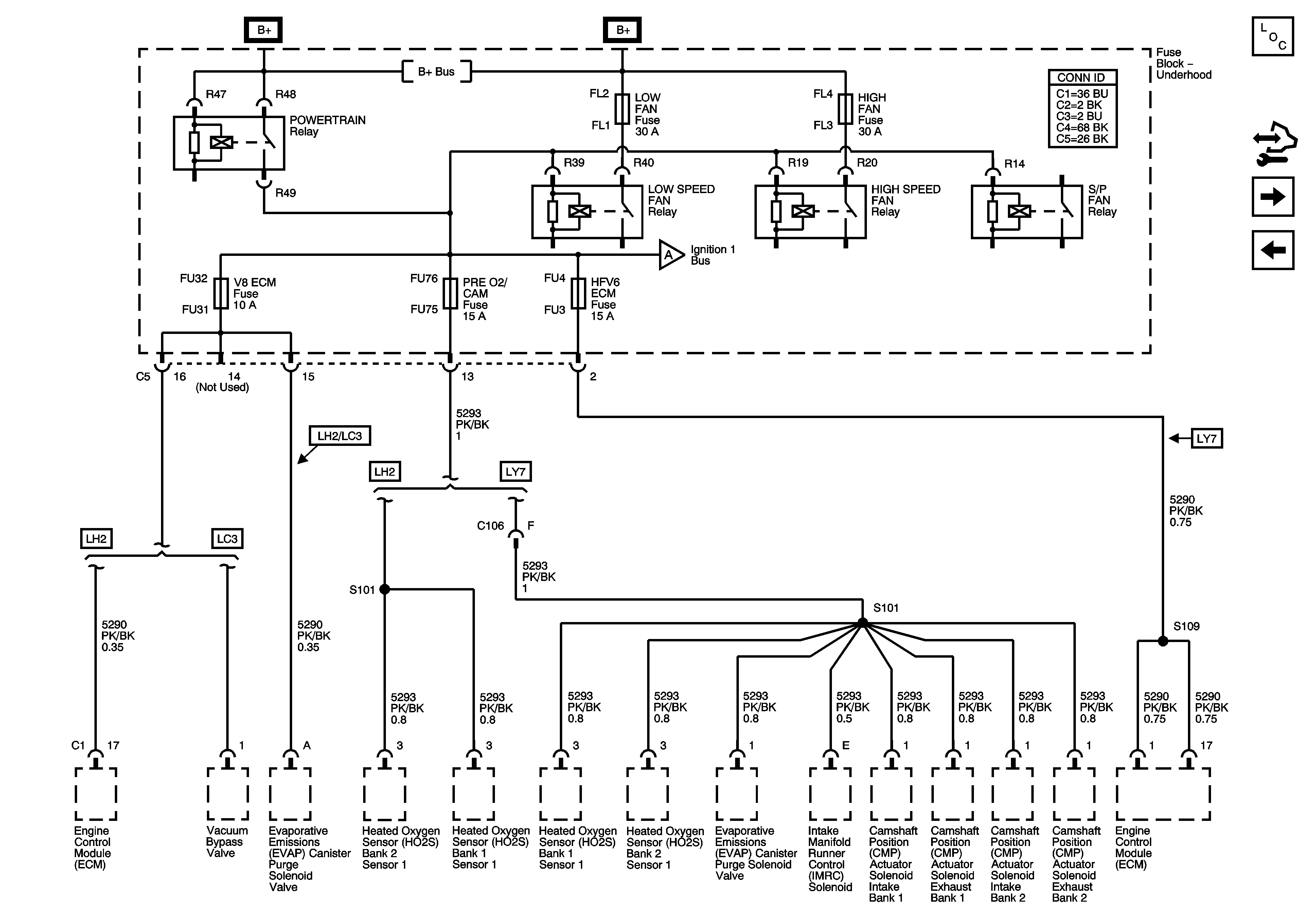
Fuse Block - Underhood: LO SPD FAN, HI SPD FAN, V8 ECM, PRE 02/CAM and HFV6 ECM Fuses; Main, LO SPD, HI SPD and S/P FAN Relays

Fuse Block - Underhood: Main, Low Speed, HI Speed and S/P Fan Relays; V8 ECM, PRE O2/CAM, HFV6 ECM, Low Speed Fan and HI Speed Fan Fuses


Object Number: 1618987  Size: FS
Master Electrical Component List
Control Module References
Fuse Block - Underhood: Odd INJ/COILS, Even INJ COILS and POST 02 Fuses
Fuse Block - Underhood: HUD, Front Blower, Compressor Clutch, Fog Lamp and Horn Fuses; HDLP Washer Circuit Breaker and Main Relay
Fuse Block Underhood Bussing
Fuse Block - Underhood: Odd INJ/COILS, Even INJ COILS and POST 02 Fuses