GM Service Manual Online
For 1990-2009 cars only
Makes
🢒
Cadillac
🢒
2008
🢒
SLS
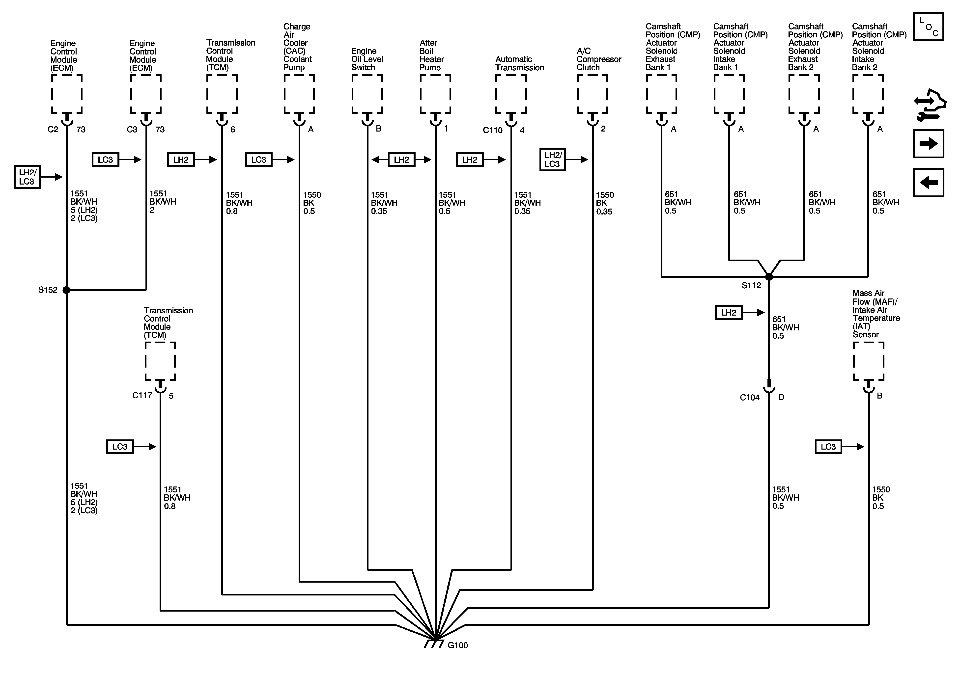
🢒 06 STS Ground Dist - G100 (LH2)
06 STS Ground Dist - G100 (LH2)
G100 (LH2)
Master Electrical Component List
Control Module References
G101
G110, G306, G404, G403, G105, G106