GM Service Manual Online
For 1990-2009 cars only
Makes
🢒
Cadillac
🢒
2008
🢒
SLS
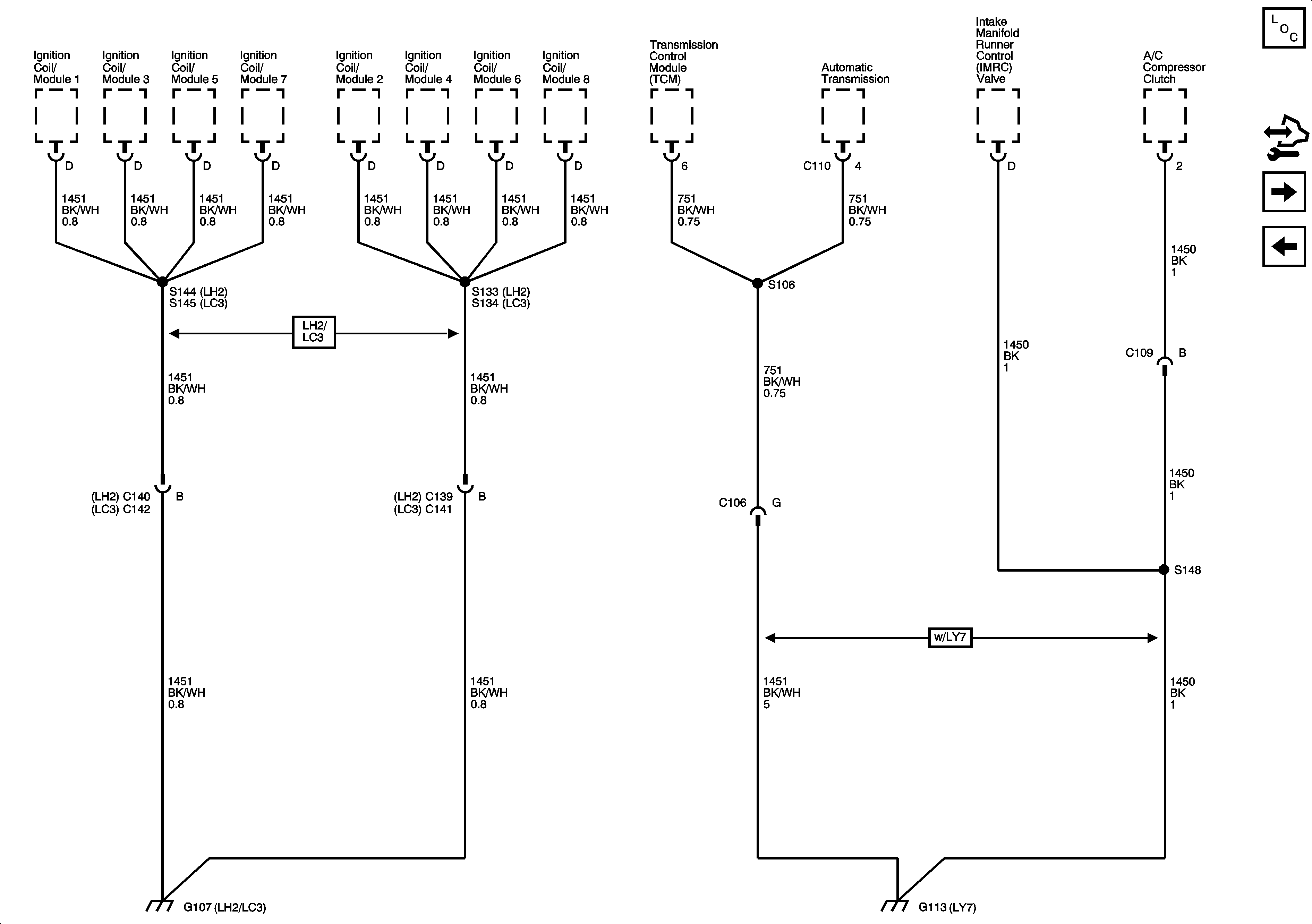
🢒 G107 (LH2), G113 (LY7)
G107 (LH2), G113 (LY7)
G107 (LH2), G113 (LY7)
Master Electrical Component List
Control Module References
G109, G112 (LY7)
G104 (2 of 2)