GM Service Manual Online
For 1990-2009 cars only

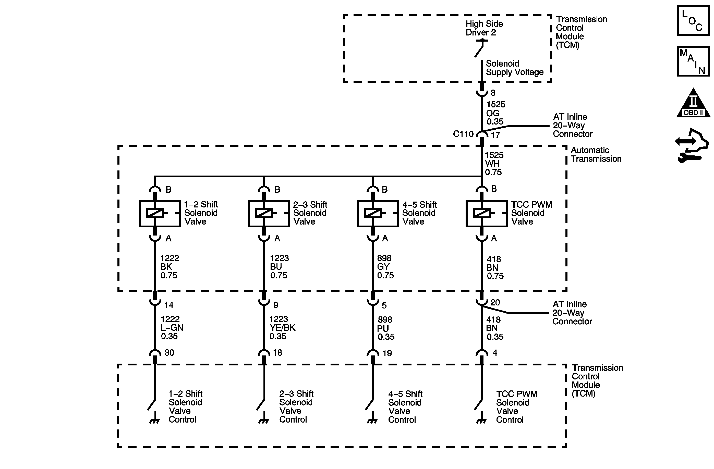
Object Number: 1466342  Size: MF
OBD II Symbol Description Notice

Circuit Description

The transmission control module (TCM) provides voltage to the torque converter clutch pulse width modulated (TCC PWM) solenoid valve through high side driver 2 (HSD2). The TCM controls the ON and OFF time of the solenoid by providing a ground through the output driver module (ODM) . The TCM uses a PWM duty cycle, in order to control application and release of the TCC. When the solenoid is commanded OFF, the TCM senses high voltage. When the solenoid is commanded ON, the TCM senses low voltage.

When the TCM detects a short to voltage in the TCC PWM solenoid valve circuit, then DTC P2763 sets. DTC P2763 is a type B DTC.

DTC Descriptor

This diagnostic procedure supports the following DTC:

DTC P2763 Torque Converter Clutch (TCC) Pressure Control (PC) Solenoid Control Circuit High Voltage

Conditions for Running the DTC

    • Ignition voltage is between 8-18 volts.
    • The engine speed is between 450-6,800 RPM for 5 seconds.
    • HSD2 is commanded ON.

Conditions for Setting the DTC

DTC P2763 sets when the TCM detects an short to voltage in the TCC PWM solenoid valve circuit when the PWM duty cycle is 45 percent or greater and the condition are present and more than 43 out of 50 samples occur.

Action Taken When the DTC Sets

    • The TCM requests the ECM to illuminate the malfunction indicator lamp (MIL) during the second consecutive drive trip in which the Conditions for Setting the DTC are met.
    • The TCM inhibits fifth gear if the transmission is in Hot Mode.
    • The TCM inhibits the TCC.
    • The TCM freezes transmission adaptive functions.
    • At the time of the first failure, the TCM records the operating conditions when the Conditions for Setting the DTC are met. The TCM stores this information as a Failure Record.
    • At the time of the second failure, the ECM records the operating conditions when the Conditions for Setting the DTC are met. The ECM stores this information as a Freeze Frame.
    • The TCM stores DTC P2763 in TCM history.

Conditions for Clearing the DTC

    • The ECM turns OFF the MIL after the sixth consecutive drive trip in which the TCM does not send a MIL illumination request.
    • A scan tool can clear the MIL/clearing DTC.
    • The TCM clears the DTC from TCM history if the vehicle completes 40 warm-up cycles without an emission related diagnostic fault occurring.
    • The TCM cancels the default actions when the ignition is OFF long enough in order to power down the TCM.

Test Description

The number below refers to the step number on the diagnostic table.

  1. Listen for a soft rattling sound when the solenoid energizes. Use a stethoscope if necessary.

Step

Action

Value(s)

Yes

No

1

Did you perform the Diagnostic System Check - Vehicle?

--

Go to Step 2

Go to Diagnostic System Check - Vehicle

2

  1. Install a scan tool.
  2. The ignition is ON with the engine OFF.
  3. Important: 

       • Before clearing the DTC, use the scan tool in order to record the ECM Freeze Frame and the TCM Failure Records. Using the Clear Info function erases the Freeze Frame and Failure Records from the ECM and the TCM.
       • Using the Clear Info function erases stored DTCs in both the ECM and TCM.

  4. Record the DTC Freeze Frame/Failure Records.
  5. Clear the DTC.
  6. Use the scan tool in order to command the TCC PWM solenoid ON.

Does the solenoid operate?

--

Go to Step 8

Go to Step 3

3

  1. Turn OFF the ignition.
  2. Disconnect the AT 20-way inline harness connector.
  3. Install the J 45681 jumper harness to the TCM side of the 20-way connector.
  4. The ignition is ON with the engine OFF.
  5. With the test lamp connected to ground, probe the HSD2 circuit, terminal 17, of J 45681 .

Does the test lamp illuminate?

--

Go to Step 4

Go to Step 6

4

  1. Turn OFF the ignition.
  2. Install the J 45681 to the transmission side of the 20-way connector.
  3. Using the DMM, measure the resistance between terminal 17 and 20 of the J 45681 . Refer to Component Resistance .

Is the resistance within the specified range?

10.0-13.6 Ω

Go to Step 5

Go to Step 7

5

  1. Disconnect the TCM.
  2. Test the TCC PWM solenoid valve control circuit for a Short to Voltage. Refer to Testing for a Short to Voltage .

Did you find the condition?

--

Go to Step 9

Go to Step 8

6

  1. Turn OFF the ignition.
  2. Disconnect the TCM.
  3. Test the HSD2 circuit from the TCM to the TCC PWM solenoid for an open circuit. Refer to Testing for Continuity .

Did you find the condition?

--

Go to Step 9

Go to Step 8

7

  1. Remove the transmission fluid pan.
  2. Test the TCC PWM solenoid wiring from the 20-way connector to the TCC PWM solenoid connector for a short to voltage. Refer to Testing for a Short to Voltage .

Did you find the condition?

--

Go to Step 10

Go to Step 11

8

Replace the TCM. Refer to Control Module References

Is the operation complete?

--

Go to Step 12

--

9

Perform the necessary wiring repairs. Refer to Circuit Testing and Wiring Repairs .

Is the operation complete?

--

Go to Step 12

--

10

Replace the AT internal transmission wiring harness. Refer to Transmission Internal Electrical Harness Replacement .

Is the operation complete?

--

Go to Step 12

--

11

Replace the TCC PWM solenoid valve. Refer to Torque Converter Clutch Solenoid Replacement .

Is the operation complete?

--

Go to Step 12

--

12

Perform the following procedures in order to verify the repair:

  1. Select DTC.
  2. Select Clear Info.
  3. The ignition is ON with the engine OFF.
  4. Select Specific DTC.
  5. Enter DTC P2763.

Has the test run and passed?

--

Go to Step 13

Go to Step 2

13

With the scan tool, observe the stored information, capture info and DTC info.

Does the scan tool display any DTCs that you have not diagnosed?

--

Go to Diagnostic Trouble Code (DTC) List - Vehicle

System OK