GM Service Manual Online
For 1990-2009 cars only
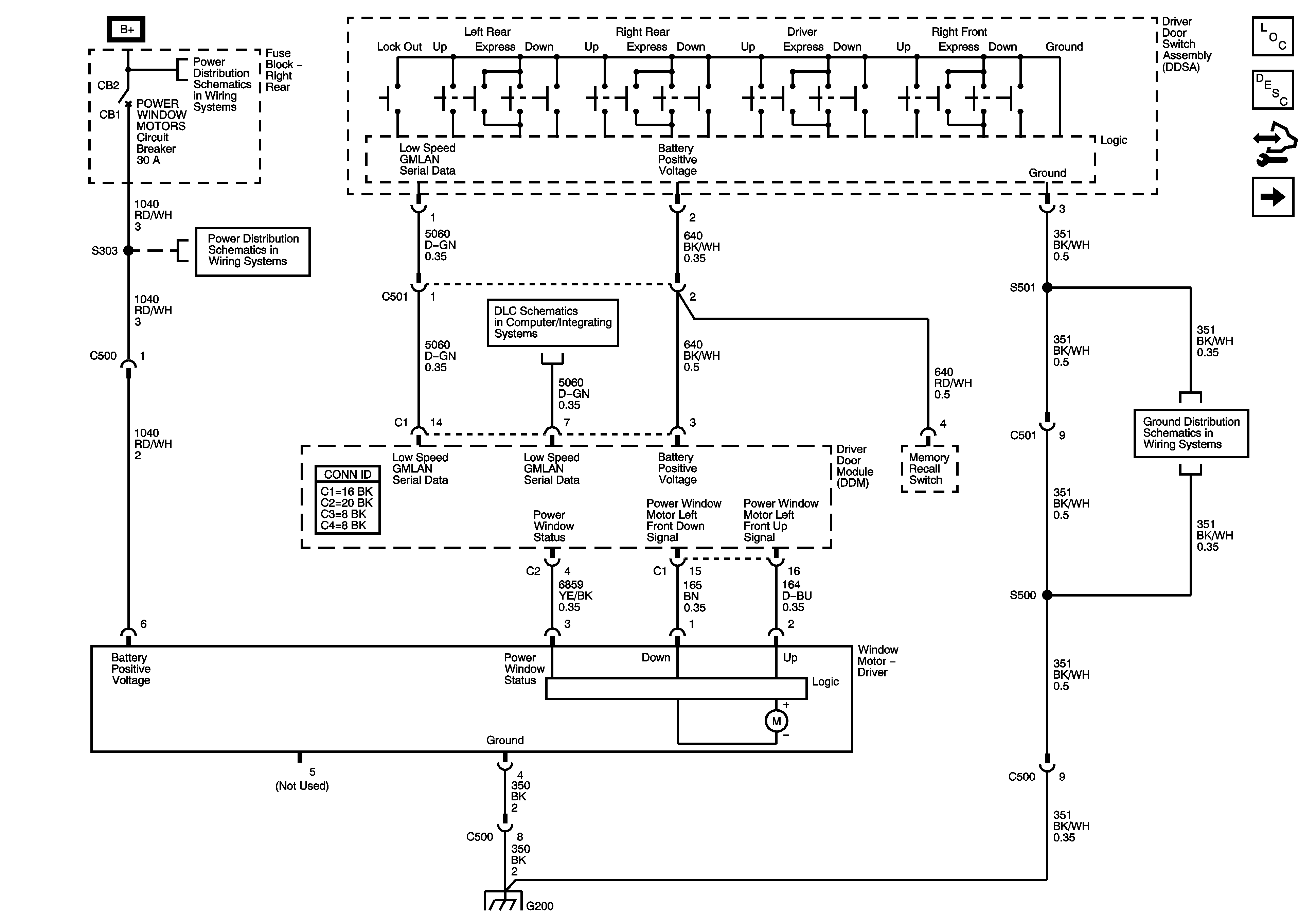
Figure 1:

Driver Window Switches, Motor


Object Number: 2017438  Size: FS
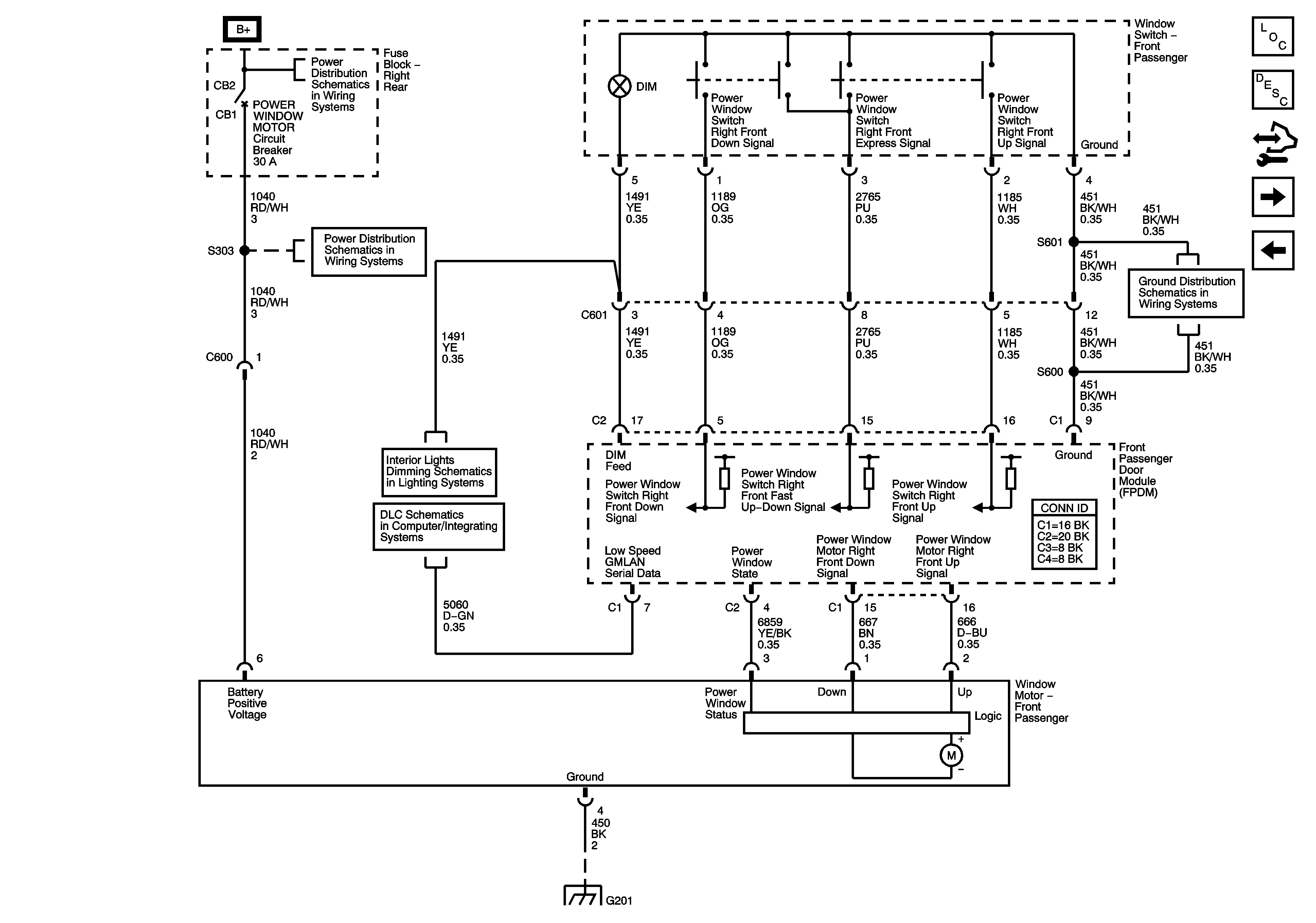
Figure 2:

Front Passenger Window Switches, Motor


Object Number: 2017439  Size: FS
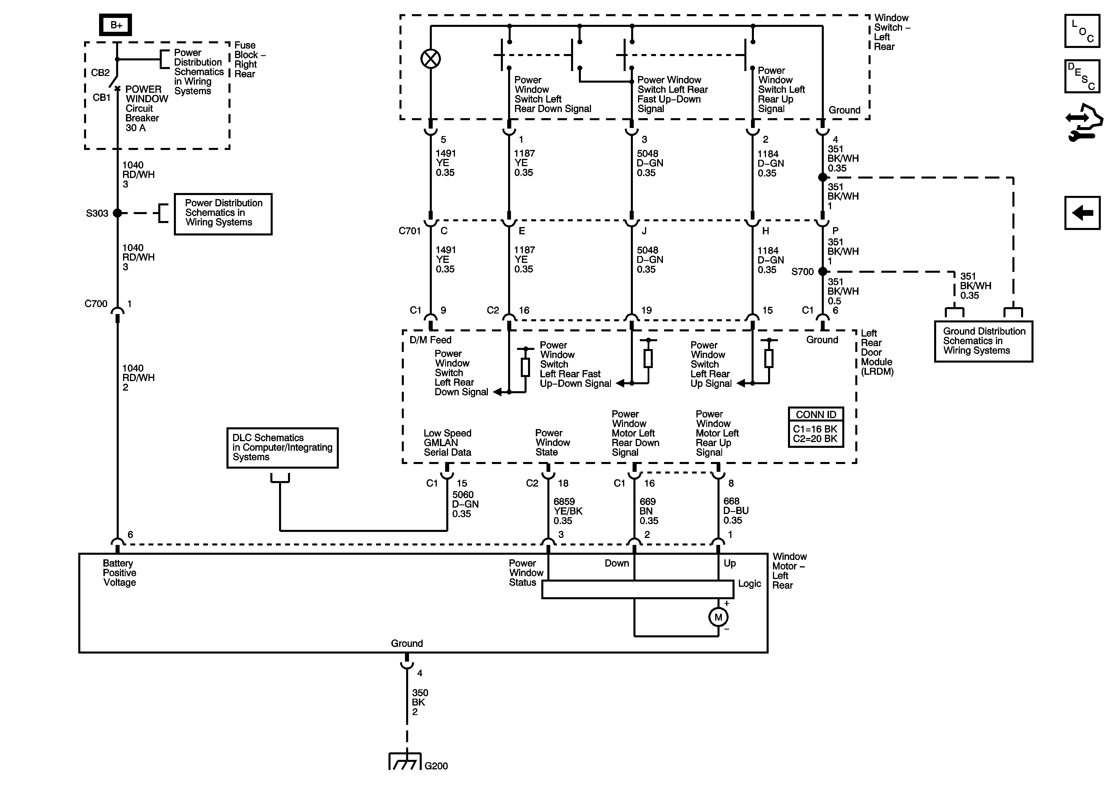
Figure 3:

Left Rear Window Switches, Motor


Object Number: 2017441  Size: FS
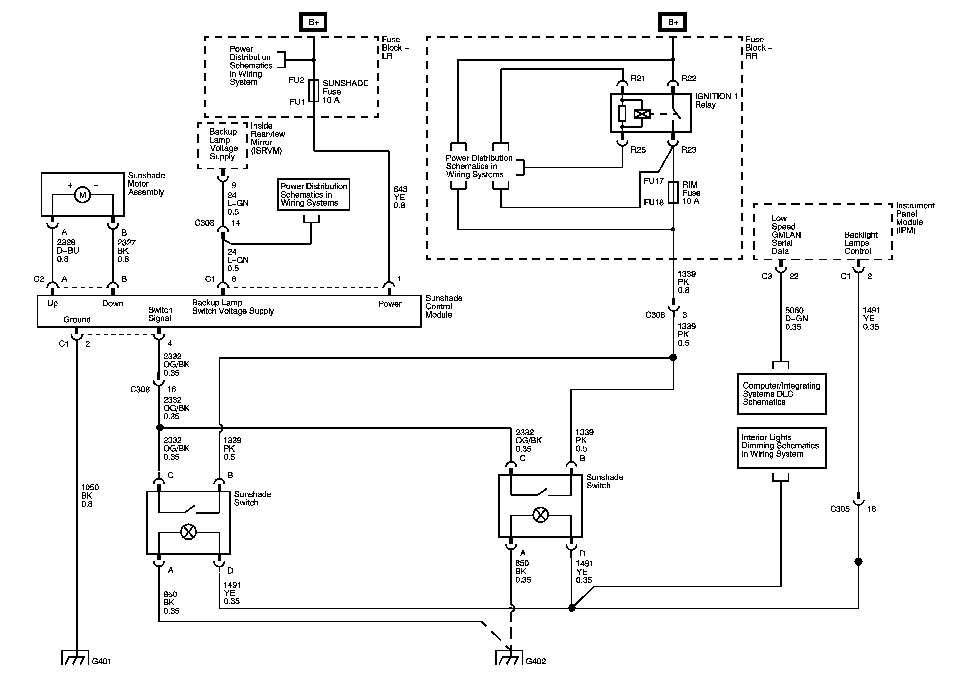
Figure 4:

Power Sunshade


Object Number: 2017792  Size: FS